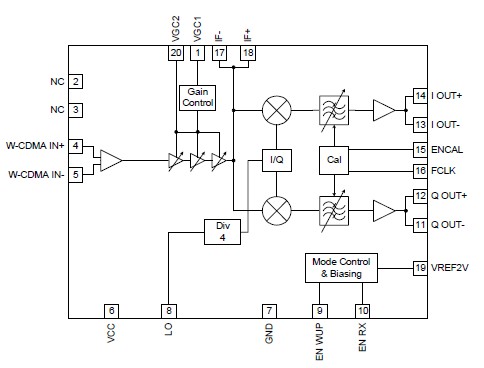
Features: • Digitally Controlled Power Down Mode• 2.7V to 3.3V Operation• Digital LO Quadrature Divide-by-4• IF AGC Amp with 70dB Gain Control• 80dB Maximum Voltage GainApplication• W-CDMA SystemsPinoutSpecifications Parameter Value Unit Supply Vol...
RF2690: Features: • Digitally Controlled Power Down Mode• 2.7V to 3.3V Operation• Digital LO Quadrature Divide-by-4• IF AGC Amp with 70dB Gain Control• 80dB Maximum Voltage Gai...
SeekIC Buyer Protection PLUS - newly updated for 2013!
268 Transactions
All payment methods are secure and covered by SeekIC Buyer Protection PLUS.

| Parameter |
Value |
Unit |
| Supply Voltage |
-0.5 to +5 |
VDC |
| Control Voltage |
-0.5 to VCC+0.7 |
VDC |
| Input RF Power |
+3 |
dBm |
| Operating Ambient Temperature |
-40 to +85 |
°C |
| Storage Temperature |
-40 to +150 |
°C |
The RF2690 is an integrated complete IF AGC amplifier and quadrature demodulator designed for the receive section of W-CDMA applications. RF2690 is designed to amplify received IF signals, while providing 70dB of gain control range, a total of 90dB gain, and demodulation to baseband I and Q signals. This circuit RF2690 is designed as part of RFMD's single mode W-CDMA chipset, which includes the RF9678 as modulator and IF AGC and the RF2638 as upconvertor. The IC is manufactured on an advanced 25GHz FT Silicon Bi-CMOS process, and is packaged in a 20-pin, 4mmx4mm, leadless chip carrier.