Features: `Voltage Operation: 1. 8 V to 4. 2 V`Low On-Resistance: 0.5 (TYP) at 4.2 V`Low On-Resistance Flatness`3 dB Bandwidth: 30 MHz`Fast Switching Time ( +4.2V ) tON 20 ns tOFF 20 ns`Low Crosstalk: -108 dB at 1 MHz`Typical Power Consumption (<0.01 W)`TTL/CMOS Compatible`Rail-to-Rail Input a...
SGM4782: Features: `Voltage Operation: 1. 8 V to 4. 2 V`Low On-Resistance: 0.5 (TYP) at 4.2 V`Low On-Resistance Flatness`3 dB Bandwidth: 30 MHz`Fast Switching Time ( +4.2V ) tON 20 ns tOFF 20 ns`Low Crossta...
SeekIC Buyer Protection PLUS - newly updated for 2013!
268 Transactions
All payment methods are secure and covered by SeekIC Buyer Protection PLUS.


V+ to GND.......................................................................0V to +4.6V
Analog, Digital voltage range(1)...................... - 0.3V to (V+ + 0.3V)
Continuous Current X_, Y_, X or Y ....................................±250mA
Peak Current X_, Y_, X or Y ...............................................±400mA
Operating Temperature Range..................................- 40°C to +85°C
Junction Temperature.............................................................+150°C
Storage Temperature................................................- 65°C to +150°C
Lead Temperature (soldering, 10s)..........................................+260°C
ESD Susceptibility
HBM..........................................................................................4000V
MM..............................................................................................400V
Stresses beyond those listed under "Absolute Maximum Ratings" may cause permanent damage to the device. These are stress ratings only, and functional operation of the device at these or any other conditions beyond those indicated in the operational sections of the specifications is not implied. Exposure to absolute maximum rating conditions for extended periods may affect device reliability.
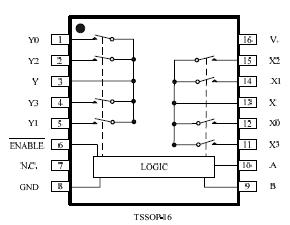
The SGM4782 is high-speed, low-voltage, low on-resistance, CMOS analog multiplexer/switch that configured as two 4-channel multiplexers. It operates from a single +1.8V to +4.2V power supply. Targeted applications include battery powered equipment that benefit from low RON (0.5) and fast switching speeds (tON = 20 ns, tOFF = 20 ns).
The SGM4782 can handle rail-to-rail analog signals and is available in TQFN-16 and TSSOP-16 packages.