Published:2011/7/20 23:39:00 Author:Fiona | Keyword: Pin functions and data, integrated circuit


TDA9373 - Microprocessor / vision intermediate frequency / pieces of sound intermediate frequency/ video processing / color decoding circuit / line field scanning small signal processing chip integrated circuitTDA9373 is Ultra large scale chip integrated circuit which is produced by Philips company.It is widely used in domestic and imported new large screen of the colour TV set.1.Features TDA9373 integrated circuit sets Microprocessor,vision intermediate frequency,pieces of sound intermediate frequency,video processing and line field scanning small signal processing chip integrated circuit as an unit, with many new,it has many new,advanced and practical function.2.Pin functions and data TDA9373 integrated circuit uses 64-pin dual in-line package.It is used in Haier HHP-2969U-type large-screen color TV set, its integrated circuit pin functions and data are listed in Table 75.
(View)
View full Circuit Diagram | Comments | Reading(1106)
Published:2011/7/21 2:44:00 Author:Fiona | Keyword: Pin function and data, integrated circuit
Features(1)It has a YUV input terminal and the RGB signal input terminal with fast blanking, not only OSD / Text input terminal is separate from other video signal input terminals,but also has fast vanishing function and can be mixed in;meanwhile,it is equipped RGB control processor to implement continuous cathode calibration (CCC), white point and black level offset adjustment;it can provide a stable BGR output to dark current. (2)It can generate programmable deflection processor of internal clock,this drive signal,including line drivers,field deflection and east and west corrected parabolic wave,it is suitable for 4:3 CRT and adapts to 16:9 CRT too. (View)
View full Circuit Diagram | Comments | Reading(484)
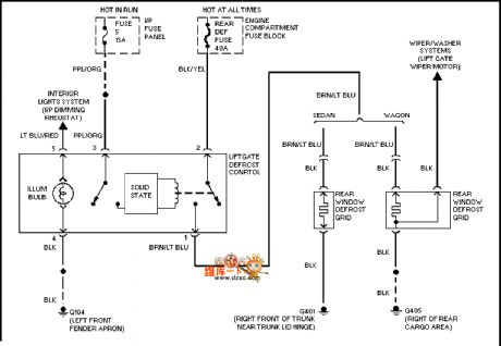
Published:2011/7/18 5:36:00 Author:nelly | Keyword: Mazda, demister
View full Circuit Diagram | Comments | Reading(475)
Published:2011/7/18 5:36:00 Author:nelly | Keyword: Mazda, cramp iron distribution
View full Circuit Diagram | Comments | Reading(511)
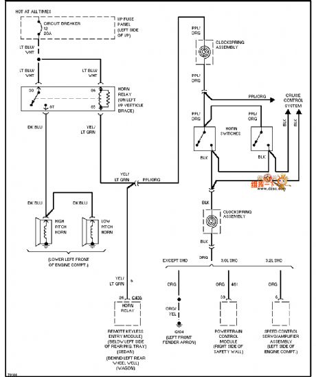
Published:2011/7/18 5:37:00 Author:nelly | Keyword: Mazda, horn
View full Circuit Diagram | Comments | Reading(494)
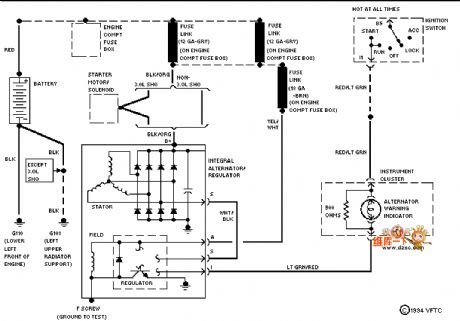
Published:2011/7/18 5:37:00 Author:nelly | Keyword: Mazda, power supply
View full Circuit Diagram | Comments | Reading(484)
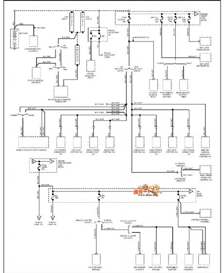
Published:2011/7/18 5:37:00 Author:nelly | Keyword: Mazda, electrical ceiling
View full Circuit Diagram | Comments | Reading(465)
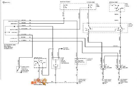
Published:2011/7/18 5:37:00 Author:nelly | Keyword: Mazda, airbag
View full Circuit Diagram | Comments | Reading(663)
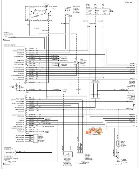
Published:2011/7/18 5:37:00 Author:nelly | Keyword: Mazda, instrument panel, lighting
View full Circuit Diagram | Comments | Reading(605)
Published:2011/7/18 5:38:00 Author:nelly | Keyword: Mazda, airbag
View full Circuit Diagram | Comments | Reading(1606)
Published:2011/7/18 5:38:00 Author:nelly | Keyword: Mazda, headlight
View full Circuit Diagram | Comments | Reading(489)
Published:2011/7/18 5:38:00 Author:nelly | Keyword: Mazda, skylight
View full Circuit Diagram | Comments | Reading(588)
Published:2011/7/18 5:38:00 Author:nelly | Keyword: Mazda, power window
View full Circuit Diagram | Comments | Reading(689)
Published:2011/7/18 5:38:00 Author:nelly | Keyword: Mazda, gearbox
View full Circuit Diagram | Comments | Reading(454)
Published:2011/7/18 5:39:00 Author:nelly | Keyword: Mazda, instrument panel
View full Circuit Diagram | Comments | Reading(446)
Published:2011/7/18 5:39:00 Author:nelly | Keyword: Mazda, electronic instrument panel
View full Circuit Diagram | Comments | Reading(439)
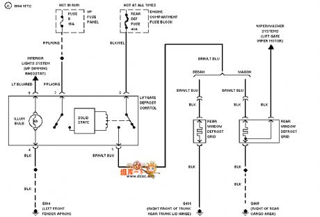
Published:2011/7/18 5:39:00 Author:nelly | Keyword: Mazda, demister
View full Circuit Diagram | Comments | Reading(705)
Published:2011/7/18 5:39:00 Author:nelly | Keyword: Mazda, headlight, fog lamp
View full Circuit Diagram | Comments | Reading(511)
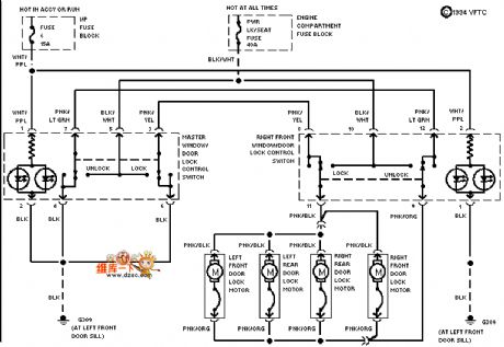
Published:2011/7/18 5:39:00 Author:nelly | Keyword: Mazda, power window, electric door lock
View full Circuit Diagram | Comments | Reading(1918)
Published:2011/7/18 5:39:00 Author:nelly | Keyword: Mazda, shifting interlock
View full Circuit Diagram | Comments | Reading(648)
| Pages:42/164 At 204142434445464748495051525354555657585960Under 20 |