Position: Home > Circuit Diagram > Automotive Circuit > >Index 47
Low Cost Custom Prototype PCB Manufacturer

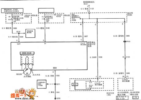
Index 47



The dashboard circuit of Buick-Regal (2)

Published:2011/7/17 23:11:00 Author:Borg | Keyword: dashboard circuit, Buick-Regal

The dashboard circuit of Buick-Regal (2)
figure 1: The dashboard circuit of Shanghai GM Buick-Regal (2)   (View)

View full Circuit Diagram | Comments | Reading(451)

The dashboard circuit of Buick-Regal (3)

Published:2011/7/17 23:13:00 Author:Borg | Keyword: dashboard circuit, Buick-Regal

The dashboard circuit of Buick-Regal (3)
figure 1: The dashboard circuit of Shanghai GM Buick-Regal (3)   (View)

View full Circuit Diagram | Comments | Reading(501)

The HVAC control assembly and outside air temperature executor (CJ4) circuit of Shanghai GM Buick-MPV(GL8)

Published:2011/7/18 19:55:00 Author:Borg | Keyword: HVAC control assembly, outside air temperature executor

The HVAC control assembly and outside air temperature executor (CJ4) circuit of Shanghai GM Buick-MPV(GL8)
Figure: The HVAC control assembly, power system control unitand outside air temperature executor (CJ4) circuit of Shanghai GM Buick-MPV(GL8)   (View)

View full Circuit Diagram | Comments | Reading(531)

The HVAC control assembly and temperature executor (CJ4) circuit of Shanghai GM Buick-MPV(GL8)

Published:2011/7/18 19:53:00 Author:Borg | Keyword: HVAC control assembly, temperature executor

The HVAC control assembly and temperature executor (CJ4) circuit of Shanghai GM Buick-MPV(GL8)
The HVAC control assembly and temperature executor (CJ4) circuit of Shanghai GM Buick-MPV(GL8)   (View)

View full Circuit Diagram | Comments | Reading(449)

The HVAC control assembly,electromagnet valve and temperature executor (CJ4) circuit of Shanghai GM Buick-MPV(GL8)

Published:2011/7/18 19:50:00 Author:Borg | Keyword: control assembly, electromagnet valve, temperature executor

The HVAC control assembly,electromagnet valve and temperature executor (CJ4) circuit of Shanghai GM Buick-MPV(GL8)
The HVAC control assembly,electromagnet valve and temperature executor (CJ4) circuit of Shanghai GM Buick-MPV (GL8)   (View)

View full Circuit Diagram | Comments | Reading(379)

The air-conditioning headlight switch and fog lamp assembly circuit of Shanghai GM Buick-MPV(GL8)

Published:2011/7/18 19:46:00 Author:Borg | Keyword: air-conditioning headlight, fog lamp, assembly circuit

The air-conditioning headlight switch and fog lamp assembly circuit of Shanghai GM Buick-MPV(GL8)
Figure:The air-conditioning headlight switch and fog lamp assembly circuit of Shanghai GM Buick-MPV(GL8)   (View)

View full Circuit Diagram | Comments | Reading(548)

The HVAC control assembly, instrument central part and radio circuit of Shanghai GM Buick-MPV(GL8)

Published:2011/7/18 19:42:00 Author:Borg | Keyword: control assembly, radio circuit, Buick-MPV

The HVAC control assembly, instrument central part and radio circuit of Shanghai GM Buick-MPV(GL8)
Figure: The HVAC control assembly, instrument central part and radio circuit of Shanghai GM Buick-MPV(GL8)   (View)

View full Circuit Diagram | Comments | Reading(609)

The dashboard circuit of Buick-Regal (4)

Published:2011/7/17 22:57:00 Author:Borg | Keyword: dashboard, Buick-Regal

The dashboard circuit of Buick-Regal (4)
Figure 1:The dashboard circuit of Shanghai GM Buick-Regal (4)   (View)

View full Circuit Diagram | Comments | Reading(490)

The dashboard circuit of Buick-Regal (5)

Published:2011/7/17 22:54:00 Author:Borg | Keyword: dashboard, Buick-Regal

The dashboard circuit of Buick-Regal (5)
Figure 1:The dashboard circuit of Shanghai GM Buick-Regal (5)   (View)

View full Circuit Diagram | Comments | Reading(416)

The burglarproof alarm circuit of Buick-Regal

Published:2011/7/17 23:00:00 Author:Borg | Keyword: burglarproof alarm circuit

The burglarproof alarm circuit of Buick-Regal
figue 1:Theburglarproof alarmcircuitofShanghaiGMBuick-Regal   (View)

View full Circuit Diagram | Comments | Reading(457)

The eye lens system circuit of Buick-Regal

Published:2011/7/17 23:07:00 Author:Borg | Keyword: eye lens system, Buick-Regal

The eye lens system circuit of Buick-Regal
Figure 1: The eye lens system circuit ofShanghai GM Buick-Regal--3.0L   (View)

View full Circuit Diagram | Comments | Reading(524)

The backup assisting system circuit of Buick-Regal

Published:2011/7/17 23:03:00 Author:Borg | Keyword: backup assisting system, Buick-Regal

The backup assisting system circuit of Buick-Regal
figure: The backup assisting system circuit of Buick-Regal--3.0L   (View)

View full Circuit Diagram | Comments | Reading(517)

The 4T65E auto speed changer circuit of Shanghai GM Buick-MPV (2)

Published:2011/7/18 21:00:00 Author:Borg | Keyword: auto speed changer, Buick-MPV

The 4T65E auto speed changer circuit of Shanghai GM Buick-MPV (2)
The 4T65E auto speed changer circuit of Shanghai GM Buick-MPV (2)   (View)

View full Circuit Diagram | Comments | Reading(483)

The 4T65E auto speed changer circuit of Shanghai GM Buick-MPV (3)

Published:2011/7/18 21:01:00 Author:Borg | Keyword: auto speed changer, Buick-MPV

The 4T65E auto speed changer circuit of Shanghai GM Buick-MPV (3)
The 4T65E auto speed changer circuit of Shanghai GM Buick-MPV (3)   (View)

View full Circuit Diagram | Comments | Reading(1209)

The auto speed changer circuit of Shanghai GM Buick-Regal (1)

Published:2011/7/18 20:58:00 Author:Borg | Keyword: auto speed changer, Buick-Regal

The auto speed changer circuit of Shanghai GM Buick-Regal (1)
Figure 1. The auto speed changer circuit of Shanghai GM Buick-Regal (1)   (View)

View full Circuit Diagram | Comments | Reading(437)

The auto speed changer circuit of Shanghai GM Buick-Regal (2)

Published:2011/7/18 20:56:00 Author:Borg | Keyword: auto speed changer, Buick-Regal

The auto speed changer circuit of Shanghai GM Buick-Regal (2)
Figure 1. The auto speed changer circuit of Shanghai GM Buick-Regal (2)   (View)

View full Circuit Diagram | Comments | Reading(462)

The auto speed changer circuit of Shanghai GM Buick-Regal (3)

Published:2011/7/18 20:54:00 Author:Borg | Keyword: auto speed changer, Buick-Regal

The auto speed changer circuit of Shanghai GM Buick-Regal (3)
Figure 1. The auto speed changer circuit of Shanghai GM Buick-Regal (3)   (View)

View full Circuit Diagram | Comments | Reading(444)

The auto speed changer circuit of Shanghai GM Buick-Regal (4)

Published:2011/7/18 20:52:00 Author:Borg | Keyword: auto speed changer, Buick-Regal

The auto speed changer circuit of Shanghai GM Buick-Regal (4)
Figure 1. The auto speed changer circuit of Shanghai GM Buick-Regal (4)   (View)

View full Circuit Diagram | Comments | Reading(430)

The ABS GND and ABS/traction control unit circuit of Shanghai GM Buick-MPV (GL8)

Published:2011/7/18 20:45:00 Author:Borg | Keyword: ABS, GND, Buick-MPV

The ABS GND and ABS/traction control unit circuit of Shanghai GM Buick-MPV (GL8)
The ABS GND and ABS/traction control unit circuit of Shanghai GM Buick-MPV (GL8)   (View)

View full Circuit Diagram | Comments | Reading(534)

The auto speed changer circuit of Shanghai GM Buick-Regal (5)

Published:2011/7/18 20:50:00 Author:Borg | Keyword: auto speed changer, Buick-Regal

The auto speed changer circuit of Shanghai GM Buick-Regal (5)
Figure 1. The auto speed changer circuit of Shanghai GM Buick-Regal (5)   (View)

View full Circuit Diagram | Comments | Reading(401)

Pages:47/164 At 204142434445464748495051525354555657585960Under 20