Position: Home > Circuit Diagram > Basic Circuit > >Index 470
Low Cost Custom Prototype PCB Manufacturer

Index 470



Push-Pull Power Amplifier with bias Circuit Diagram

Published:2011/3/23 1:28:00 Author:Joan | Keyword: Push-Pull Power Amplifier, Power Amplifier

Push-Pull Power Amplifier with bias Circuit Diagram
  (View)

View full Circuit Diagram | Comments | Reading(850)

Using TL494 simple inverter circuit diagram

Published:2011/3/21 4:22:00 Author:Rebrecca | Keyword: simple inverter

Using TL494 simple inverter circuit diagram
Using TL494 simple inverter circuit diagram is shown as below.   (View)

View full Circuit Diagram | Comments | Reading(21338)

150W inverter circuit diagram

Published:2011/3/21 4:24:00 Author:Rebrecca | Keyword: inverter, 150W

150W inverter circuit diagram
Here is the 150W inverterschematic diagram of the circuit:   (View)

View full Circuit Diagram | Comments | Reading(4629)

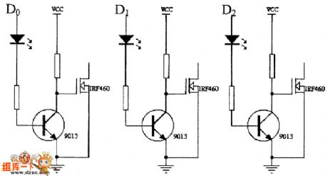
Drive circuit diagram composed of hardware

Published:2011/3/22 20:35:00 Author:Nicole | Keyword: hardware

Drive circuit diagram composed of hardware
  (View)

View full Circuit Diagram | Comments | Reading(429)

Light-coupled isolation and drive circuit diagram

Published:2011/3/22 4:35:00 Author:Nicole | Keyword: Light-coupled isolation, drive

Light-coupled isolation and drive circuit diagram
  (View)

View full Circuit Diagram | Comments | Reading(385)

Direct drive circuit diagram with plus-minus voltage bias

Published:2011/3/22 4:38:00 Author:Nicole | Keyword: direct drive

Direct drive circuit diagram with plus-minus voltage bias
  (View)

View full Circuit Diagram | Comments | Reading(504)

250V Trigger circuit

Published:2011/3/21 2:51:00 Author:muriel | Keyword: 250V, Trigger circuit

250V Trigger circuit
When divider resistance and CL in parallel, CL charging to 500V, can use button switch on the rated voltage 250V to trigger circuit. Trigger transformer are the Stanko P6426 type, flash tube alwaysuse the General electric company's FT52, FT118 or FT120 type.   (View)

View full Circuit Diagram | Comments | Reading(394)

Fan drive circuit diagram

Published:2011/3/20 22:56:00 Author: | Keyword: Fan drive

Fan drive circuit diagram
  (View)

View full Circuit Diagram | Comments | Reading(510)

FET voltage drive circuit diagram

Published:2011/3/20 22:54:00 Author: | Keyword: FET voltage drive

FET voltage drive circuit diagram
  (View)

View full Circuit Diagram | Comments | Reading(761)

Based on DDS technology drive circuit diagram

Published:2011/3/21 4:35:00 Author: | Keyword: DDS technology

Based on DDS technology drive circuit diagram
  (View)

View full Circuit Diagram | Comments | Reading(401)

5V Input, 1.3~3.5V/20A output program-controlled power supply circuit diagram

Published:2011/3/22 2:18:00 Author:Rebekka | Keyword: 5V Input, 1.3~3.5V/20A output , program-controlled , power supply

5V Input, 1.3~3.5V/20A output program-controlled power supply circuit diagram
Oscillation frequency=310kHz; VTl~VT4: FAIRCHILD FDS7760A; Ll~L2: SUMIDA CEP125-1R5M; COUT: PANAS()NIC EEFUEOG181R; VD3, VD4: CMDSH-3TR 5V Input, 1.3~3.5V/20A output program-controlled power supply circuit diagram is shown as below.   (View)

View full Circuit Diagram | Comments | Reading(1522)

S3924-1024Q drive circuit diagram

Published:2011/3/20 22:50:00 Author: | Keyword: S3924-1024Q

S3924-1024Q drive circuit diagram
  (View)

View full Circuit Diagram | Comments | Reading(415)

IGBT with Output Buffer Drive Circuit Diagram

Published:2011/3/21 4:30:00 Author: | Keyword: IGBT

IGBT with Output Buffer Drive Circuit Diagram
  (View)

View full Circuit Diagram | Comments | Reading(3633)

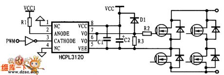
Insulation Drive Circuit Diagram with HCPL3120

Published:2011/3/21 4:25:00 Author: | Keyword: Insulation Drive

Insulation Drive Circuit Diagram with HCPL3120
  (View)

View full Circuit Diagram | Comments | Reading(6330)

Extended Bandwidth Amplifier Circuit Diagram

Published:2011/3/21 1:45:00 Author:Joan | Keyword: Extended Bandwidth Amplifier

Extended Bandwidth Amplifier Circuit Diagram
  (View)

View full Circuit Diagram | Comments | Reading(557)

Bipolar Output Current Expansion Circuit Diagram

Published:2011/3/21 1:44:00 Author:Joan | Keyword: Current Expansion, Bipolar Output

Bipolar Output Current Expansion Circuit Diagram
  (View)

View full Circuit Diagram | Comments | Reading(644)

Two Ways to Extend Output Amplitude Circuit Diagram

Published:2011/3/21 1:44:00 Author:Joan | Keyword: Extend Output Amplitude

Two Ways to Extend Output Amplitude Circuit Diagram
  (View)

View full Circuit Diagram | Comments | Reading(558)

OTL Circuit Diagram with Input Transformer

Published:2011/3/21 1:43:00 Author:Joan | Keyword: OTL, Input Transformer

OTL Circuit Diagram with Input Transformer
  (View)

View full Circuit Diagram | Comments | Reading(921)

Push-Pull Power Amplifier Circuit Diagram

Published:2011/3/21 1:42:00 Author:Joan | Keyword: Push-Pull Power Amplifier

Push-Pull Power Amplifier Circuit Diagram
  (View)

View full Circuit Diagram | Comments | Reading(716)

Useful Complementary Symmetry Power Amplifier Circuit Diagram

Published:2011/3/21 1:40:00 Author:Joan | Keyword: Complementary Symmetry Power Amplifier, Power Amplifier

Useful Complementary Symmetry Power Amplifier Circuit Diagram
  (View)

View full Circuit Diagram | Comments | Reading(1819)

Pages:470/471 At 20461462463464465466467468469470471