Published:2011/9/14 6:35:00 Author:nelly | Keyword: Multipurpose, fan, colored lamp, control
View full Circuit Diagram | Comments | Reading(721)
Published:2011/9/14 6:41:00 Author:nelly | Keyword: Multipurpose, fan, wave sound, control
As shown in the circuit, its core component is the integrated circuit WT8101 which is especially used by fans.
(View)
View full Circuit Diagram | Comments | Reading(876)
Published:2011/9/14 7:01:00 Author:nelly | Keyword: Single-phase, motor, winding, series and parallel, Three-Speed
The speed regulation method shown in the pictureis comparetively new. It has so many advantages, such as the wide speed regulation range, large low-speed startup torque. It also saves a reactor, which makes the cost of motor lower. It has been applied to the motor of the fan which is called energy efficient fan. (View)
View full Circuit Diagram | Comments | Reading(1951)
Published:2011/9/14 6:47:00 Author:nelly | Keyword: Single-phase, motor, winding, tap, speed regulating
View full Circuit Diagram | Comments | Reading(1013)
Published:2011/9/14 6:45:00 Author:nelly | Keyword: Multi-point control, motor, brake
View full Circuit Diagram | Comments | Reading(813)
Published:2011/9/14 9:49:00 Author:nelly | Keyword: Ceiling fan, speed regulating, indicator light
Adding a working indicator light to the ordinary ceiling fan not only can display the speed regulating gears, but also can provide the weak light illumination for the room, as shown in the picture. L is the inductance coil; SA is the speed regulating switch; “1”~“5” are the air-speed gears; off means stop. H is the speed regulating indicator light, which is going to be added. It is the small light with 0.3A/6.3V, which can be added by serial connecting to the input. (View)
View full Circuit Diagram | Comments | Reading(1311)
Published:2011/9/13 23:57:00 Author:nelly | Keyword: Single-phase, shading coil type, reactive resistance, speed regulating
As the picture shown, the reactive resistance is in series of motor, adjusting the regulating switch SA. When the key of “fast” is touched, the reactive resistance is not connected, and then the motor operates at full voltage, so the speed is the fastest; When the key “middle” is touched, some inductance coil will be serial, so the speed is intermediate; when the key of “slow” is touched, all the L coils are connected to the stator winding, so the speed of the motor is slowest.
(View)
View full Circuit Diagram | Comments | Reading(860)
Published:2011/9/14 Author:nelly | Keyword: Single-phase, shading coil type, reactive resistance, speed regulating, indicator lamp
View full Circuit Diagram | Comments | Reading(774)
Published:2011/9/14 0:18:00 Author:nelly
View full Circuit Diagram | Comments | Reading(620)
Published:2011/9/14 0:24:00 Author:nelly | Keyword: Single-phase, auto, winding, voltagereducing, speed regulating
View full Circuit Diagram | Comments | Reading(805)
Published:2011/9/13 8:36:00 Author:nelly | Keyword: Sub-ultrasonic, fan, speed regulating, controller
Sub-ultrasonic fan speed regulating controller can control the switch and speed of the fan, and it also can control the other appliances. The emitting end applies the sub-ultrasonic emitter, which is the main feature of this device. It also has no limitation about direction, and it is durable and do not need power source. The sub-ultrasonic received by the piezoelectric buzzer is amplified by V1, frequency selected by L, C4, and then amplified by V2m. it outputs pulse. You can mold the emitter when operating. The collector V2 will output a positive pulse triggering signal which is counted by the decimalism counter CD4017. It applies the Q1, Q2, Q3 gears of CD4017. (View)
View full Circuit Diagram | Comments | Reading(671)
Published:2011/9/13 8:49:00 Author:nelly | Keyword: 8-channel, capacitive, touch sensing, key
TTP226 is a capacitive touch sensing IC with low cost and high stability, providing eight sensing electrodes. It can replace the traditional direct button with fixed size. It has three ways, such as direct output, matrix output and serial output. It is ideal for different kind of consumer electronics and appliances, such as MP3,MP4,PDA, digital photo frame, DVR and so on. The sensing button in the application of DC and AC has the below characteristics: low power consumption, wide working voltage and high sensing distance. (View)
View full Circuit Diagram | Comments | Reading(2236)
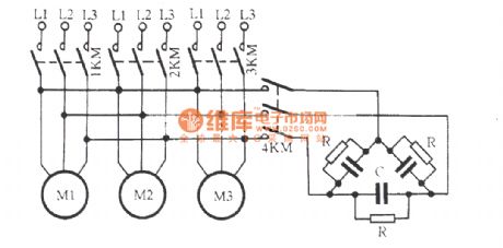
Published:2011/9/14 7:51:00 Author:nelly | Keyword: motor, winding, serial energized, dry
Ifthereareseveralsimilarorclosemotors,wecanmakeallthewindingsserialaccordingtothepicture,andthenweusethewoodblocktoholdtherotor,sotherotorcannotmovearound.Last,theswitchcanbeclosedtobeenergizedandheated.Weshouldobservethevalueofcurrentbytheammeter.Thesmallestcapacitanceshouldbe70%~80%ofthemotorratedcurrent.Ifthecurrentistoolarge,moremotors canbeseriallyconnected;ifthecurrentistoosmall,themotorscanbereduced.Thedryingrequirementcanbemetforseventoeighthoursofenergization. (View)
View full Circuit Diagram | Comments | Reading(622)
Published:2011/9/14 7:53:00 Author:nelly | Keyword: motor, self-excitation, brake
View full Circuit Diagram | Comments | Reading(617)
Published:2011/9/14 9:01:00 Author:nelly | Keyword: Doppler effect, illumination, double-control, socket outlet
Asshowninthepicture,itiscomposedofDopplereffectsensinghead,lightcontrolswitch,monostabletrigger,SCRcontrolcircuit,musicsoundercircuit,ACvoltagereductionrectifiercircuitandsoon.Whenvehiclesandpeoplearenearthegate,thedoorwillopenautomatically;meanwhile,amelodiousmusicwillbeplayed. (View)
View full Circuit Diagram | Comments | Reading(694)
Published:2011/9/14 8:56:00 Author:nelly | Keyword: Doppler effect, illumination, double-control, automatic gate, socket outlet
Asshowninthepicture,itiscomposedofDopplereffectsensinghead,lightcontrolswitch,monostabletrigger,SCRcontrolcircuit,musicsoundercircuit,ACvoltagereductionrectifiercircuitandsoon.Whenvehiclesandpeoplearenearthegate,thedoorwillopenautomatically;meanwhile,amelodiousmusicwillbeplayed. (View)
View full Circuit Diagram | Comments | Reading(616)
Published:2011/9/14 7:57:00 Author:nelly | Keyword: Valve, open and close, control
The circuit shown in the picture is powered by the motor and driven by the machine, thus the open and close of the valve can be implemented.
(View)
View full Circuit Diagram | Comments | Reading(944)
Published:2011/9/14 9:09:00 Author:nelly | Keyword: material place, large power, auto control


As shown in the circuit, it is composed of the piezoelectric material place sensor, relay control machine circuit, double chime bell sounder circuit and the three phase machine. This is a circuit used to control the three phase machine to the material storage pot. IC applies the piezoelectric material place sensor integrated circuit. (View)
View full Circuit Diagram | Comments | Reading(603)
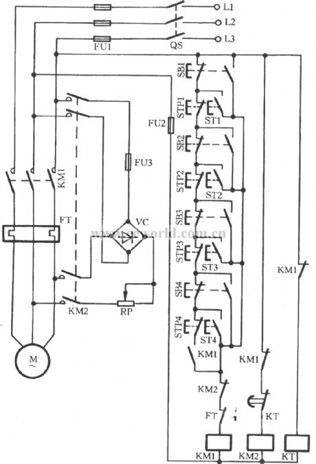
Published:2011/9/14 8:42:00 Author:nelly | Keyword: Spring timer, double-tube, washing machine
KT1 is the dewatering timer, and M1 is the dewatering tube motor. SP is the safety switch placed on the dewatering tube lid. KT2 is the washing timer, which is also controlled by spring. SA is the selective switch of washing method, and M2 is the washing motor. (View)
View full Circuit Diagram | Comments | Reading(2383)
Published:2011/9/14 8:01:00 Author:nelly | Keyword: High-speed, monostable
View full Circuit Diagram | Comments | Reading(684)
| Pages:114/471 At 20101102103104105106107108109110111112113114115116117118119120Under 20 |