Position: Home > Circuit Diagram > Basic Circuit > Index 106
Low Cost Custom Prototype PCB Manufacturer

Basic Circuit

Index 106



AC motor energy-saving starter circuit diagram

Published:2011/10/14 2:20:00 Author:Ecco | Keyword: AC motor, energy-saving starter

AC motor energy-saving starter circuit diagram
  (View)

View full Circuit Diagram | Comments | Reading(1121)

AC welding load power-saving device circuit

Published:2011/10/14 2:13:00 Author:Ecco | Keyword: AC welding , load power-saving device

AC welding load power-saving device circuit
  (View)

View full Circuit Diagram | Comments | Reading(1423)

Low-power AC motor controller circuit

Published:2011/10/14 2:16:00 Author:Ecco | Keyword: Low-power, AC motor controller

Low-power AC motor controller circuit
  (View)

View full Circuit Diagram | Comments | Reading(1950)

Inverting amplifier circuit diagram with high speed

Published:2011/10/14 2:17:00 Author:Ecco | Keyword: Inverting amplifier , high speed

Inverting amplifier circuit diagram with high speed
  (View)

View full Circuit Diagram | Comments | Reading(828)

KA2184 Typical application circuit diagram

Published:2011/10/16 21:39:00 Author:Ecco | Keyword: Typical application

KA2184 Typical application circuit diagram
  (View)

View full Circuit Diagram | Comments | Reading(916)

Single-ended bistable circuit diagram composed of 555

Published:2011/10/16 22:23:00 Author:Ecco | Keyword: Single-ended bistable circuit, 555

Single-ended bistable circuit diagram composed of 555
  (View)

View full Circuit Diagram | Comments | Reading(672)

TDA2030 typical application circuit diagram 1

Published:2011/10/16 22:52:00 Author:Ecco | Keyword: typical application

TDA2030 typical application circuit diagram 1
  (View)

View full Circuit Diagram | Comments | Reading(2629)

Principle of addition operation circuit

Published:2011/10/17 1:07:00 Author:Ecco | Keyword: Principle , addition operation

Principle of addition operation circuit
  (View)

View full Circuit Diagram | Comments | Reading(700)

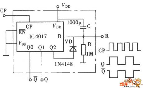
Bistable flip-flop circuit diagram composed of CD4017

Published:2011/10/17 1:15:00 Author:Ecco | Keyword: Bistable flip-flop

Bistable flip-flop circuit diagram composed of CD4017
  (View)

View full Circuit Diagram | Comments | Reading(1516)

TS26 circuit diagram

Published:2011/10/17 1:31:00 Author:Ecco

TS26 circuit diagram
  (View)

View full Circuit Diagram | Comments | Reading(774)

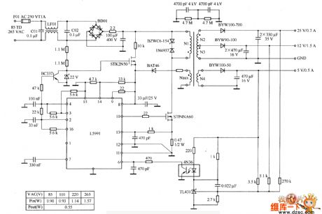
The application circuit diagram of L5991 40W inkjet printer

Published:2011/10/17 2:40:00 Author:Ecco | Keyword: application circuit, 40W inkjet printer

The application circuit diagram of L5991 40W inkjet printer
  (View)

View full Circuit Diagram | Comments | Reading(3246)

PS21, 700X/700Y, WT112 diagram 1

Published:2011/10/16 21:34:00 Author:Ecco

PS21, 700X/700Y, WT112 diagram 1
  (View)

View full Circuit Diagram | Comments | Reading(621)

Practical voltage regulator circuit diagram

Published:2011/10/17 2:12:00 Author:Ecco | Keyword: Practical voltage regulator

Practical voltage regulator circuit diagram
  (View)

View full Circuit Diagram | Comments | Reading(870)

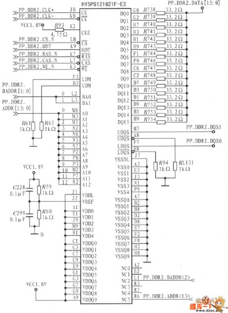
HY5PS121621BFP external interface connection circuit diagram

Published:2011/10/14 2:49:00 Author:Ecco | Keyword: external interface connection

HY5PS121621BFP external interface connection circuit diagram
  (View)

View full Circuit Diagram | Comments | Reading(762)

Automatic switching infrared water-saving faucet diagram

Published:2011/10/14 2:48:00 Author:Ecco | Keyword: Automatic switching, infrared water-saving faucet

Automatic switching infrared water-saving faucet diagram
  (View)

View full Circuit Diagram | Comments | Reading(1792)

The principle diagram of integral adapter

Published:2011/10/14 3:29:00 Author:Ecco | Keyword: principle , integral adapter

The principle diagram of integral adapter
  (View)

View full Circuit Diagram | Comments | Reading(733)

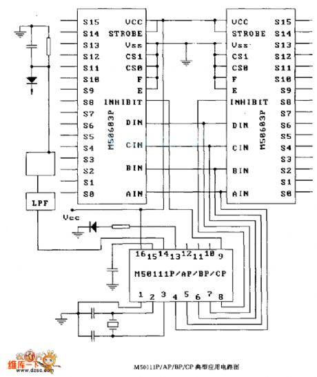
M50111P/AP/By/CF typical application circuit

Published:2011/10/14 3:27:00 Author:Ecco | Keyword: typical application

M50111P/AP/By/CF typical application circuit
  (View)

View full Circuit Diagram | Comments | Reading(674)

M50111P/AP/By/CF logic box circuit

Published:2011/10/14 3:20:00 Author:Ecco | Keyword: logic box

M50111P/AP/By/CF logic box circuit
  (View)

View full Circuit Diagram | Comments | Reading(748)

M50111P/AP/By/CF oscillator connection circuit

Published:2011/10/14 3:19:00 Author:Ecco | Keyword: oscillator connection

M50111P/AP/By/CF oscillator connection circuit
  (View)

View full Circuit Diagram | Comments | Reading(729)

The video amplifier board circuit with reliable performance

Published:2011/10/14 2:23:00 Author:Ecco | Keyword: video amplifier board , reliable performance

The video amplifier board circuit with reliable performance
  (View)

View full Circuit Diagram | Comments | Reading(1050)

Pages:106/471 At 20101102103104105106107108109110111112113114115116117118119120Under 20