Position: Home > Circuit Diagram > Basic Circuit > Index 101
Low Cost Custom Prototype PCB Manufacturer

Basic Circuit

Index 101



The output interface circuit between SH Hall switch and monosilicate

Published:2011/11/1 21:53:00 Author:Ecco | Keyword: output interface , Hall switch, monosilicate

The output interface circuit between SH Hall switch and monosilicate
  (View)

View full Circuit Diagram | Comments | Reading(658)

The connection output interface circuit between SH Hall switch and MOS circuit

Published:2011/11/1 21:51:00 Author:Ecco | Keyword: connection, output interface , Hall switch , MOS circuit

The connection output interface circuit between SH Hall switch and MOS circuit
  (View)

View full Circuit Diagram | Comments | Reading(617)

The logic box circuit of M50111P/AP/By/CF

Published:2011/10/18 21:00:00 Author:Ecco | Keyword: logic box

The logic box circuit of M50111P/AP/By/CF
  (View)

View full Circuit Diagram | Comments | Reading(633)

PWM speed regulation circuit for motor

Published:2011/10/19 1:33:00 Author:Ecco | Keyword: PWM speed regulation, motor

PWM speed regulation circuit for motor
  (View)

View full Circuit Diagram | Comments | Reading(851)

The diode and gate decoding circuit 2

Published:2011/11/7 20:50:00 Author:Ecco | Keyword: diode , gate decoding

The diode and gate decoding circuit 2
  (View)

View full Circuit Diagram | Comments | Reading(771)

The diode and gate decoding circuit 1

Published:2011/11/7 20:46:00 Author:Ecco | Keyword: diode , gate decoding circuit

The diode and gate decoding circuit 1
  (View)

View full Circuit Diagram | Comments | Reading(821)

Digital Lunar, Zodiac projection device circuit

Published:2011/11/7 20:37:00 Author:Ecco | Keyword: Digital Lunar, Zodiac projection device

Digital Lunar, Zodiac projection device circuit
  (View)

View full Circuit Diagram | Comments | Reading(857)

VU circuit composed of M3916

Published:2011/11/3 3:35:00 Author:Ecco | Keyword: VU circuit

VU circuit composed of M3916
  (View)

View full Circuit Diagram | Comments | Reading(710)

The internal circuit and typical application circuit diagram of EC189

Published:2011/11/8 21:28:00 Author:Ecco | Keyword: internal circuit, typical application

The internal circuit and typical application circuit diagram of EC189
Working diagram is shown as the chart. It represents theinternal circuit diagram and typical application circuitof EC189controlled by 4 × 4 dot matrix sound and light controlling circuit. It mainly consists of the amplification circuit / rectifier, voltage-controlled oscillator (VC0), counter / decoder , driver and power supply voltage regulator and other components.   (View)

View full Circuit Diagram | Comments | Reading(788)

DSM-872 Typical application circuit 2

Published:2011/11/8 21:35:00 Author:Ecco | Keyword: Typical application

DSM-872 Typical application circuit 2
As shown in the chart, due to 3,4 feet output alternately high and low, SCR1 and SCR2 turnand two bulbs flash alternately.   (View)

View full Circuit Diagram | Comments | Reading(661)

DSM-872 Typical application circuit 1

Published:2011/11/8 21:33:00 Author:Ecco | Keyword: Typical application

DSM-872 Typical application circuit 1
As shown in the chart, when the IC's 3,4 feet are alternatinghigh , low , thelight-emitting diodes LED1 and LED2emit light alternately.   (View)

View full Circuit Diagram | Comments | Reading(690)

FM launcher circuit 03

Published:2011/11/3 2:44:00 Author:Ecco | Keyword: FM launcher

FM launcher circuit 03
  (View)

View full Circuit Diagram | Comments | Reading(673)

FM launcher circuit 02

Published:2011/11/1 22:20:00 Author:Ecco | Keyword: FM launcher

FM launcher circuit 02
  (View)

View full Circuit Diagram | Comments | Reading(618)

FM launcher circuit 01

Published:2011/11/3 2:43:00 Author:Ecco | Keyword: FM launcher

FM launcher circuit 01
  (View)

View full Circuit Diagram | Comments | Reading(695)

The principle diagram of DVD circuit

Published:2011/11/3 2:29:00 Author:Ecco | Keyword: DVD circuit

The principle diagram of DVD circuit
  (View)

View full Circuit Diagram | Comments | Reading(1381)

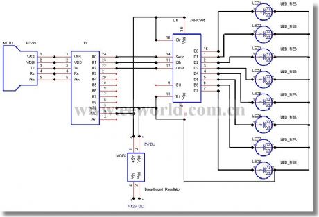
74HC595 driving 8 LED circuit diagram

Published:2011/11/1 21:39:00 Author:Ecco | Keyword: driving 8 LED

74HC595 driving 8 LED circuit diagram
  (View)

View full Circuit Diagram | Comments | Reading(2548)

The driver circuit diagram with 6 LEDs

Published:2011/11/1 21:35:00 Author:Ecco | Keyword: driver, 6 LEDs

The driver circuit diagram with 6 LEDs
  (View)

View full Circuit Diagram | Comments | Reading(622)

Layer high-production automatically shining with cockerel sound circuit

Published:2011/11/3 2:08:00 Author:Ecco | Keyword: Layer , high-production , automatically shining , cockerel sound circuit

Layer high-production automatically shining with cockerel sound circuit
  (View)

View full Circuit Diagram | Comments | Reading(797)

SCR dynamic braking circuit 1

Published:2011/11/3 2:11:00 Author:Ecco | Keyword: SCR dynamic braking

SCR dynamic braking circuit 1
  (View)

View full Circuit Diagram | Comments | Reading(2249)

TA8445K Field output circuit

Published:2011/11/3 3:08:00 Author:Ecco | Keyword: Field output

TA8445K Field output circuit
Pin 1: 9V-- power source 1 pin 2: 0.2V-- field trigger pulse input end pin 3: 1.3V-- field control pin 4: L/HV--50/60Hz transform (50Hz=L; 60Hz=H) pin 5: 3V-- external connection saw-tooth wave generating capacitor pin 6: 3.2V-- negative feedback pin 7: 25V-- power source 2 pin 8: 1.2V-- pump power source promotion end pin 9: 0.8V-- filter capacitor pin 10: 0V-- ground pin 11: 13V-- field output pin 12: 24.6V-- power source 3   (View)

View full Circuit Diagram | Comments | Reading(6540)

Pages:101/471 At 20101102103104105106107108109110111112113114115116117118119120Under 20