Published:2012/11/9 20:57:00 Author:muriel | Keyword: 1-Watt , Four Stage, FM , Transmitter
This FM transmitter circuit uses four radio frequency stages: a VHF oscillator built around transistor BF494 (T1), a preamplifier built around transistor BF200 (T2), a driver built around transistor 2N2219 (T3) and a power amplifier built around transistor 2N3866 (T4). A condenser microphone is connected at the input of the oscillator.
Working of the 1 Watt transmitter circuit is simple. When you speak near the microphone, frequency-modulated signals are obtained at the collector of oscillator transistor T1. The FM signals are amplified by the VHF preamplifier and the pre-driver stage. You can also use transistor 2N5109 in place of 2N2219. The preamplifier is a tuned class-A RF amplifier and the driver is a class-C amplifier. Signals are finally fed to the class-C RF power amplifier, which delivers RF power to a 50-ohm horizontal dipole or ground plane antenna. Use a heat-sink with transistor 2N3866 for heat dissipation (Note: or 2N4427 because it works better at 12 V and delivers up to 1 watt RF power). Carefully adjust trimmer VC1 connected across L1 to generate frequency within 88-108 MHz. Also adjust trimmers VC2 through VC7 to get maximum output at maximum range. Regulator IC 78C09 provides stable 9V supply to the oscillator, so variation in the supply voltage will not affect the frequency generated. You can also use a 12V battery to power the circuit. Assemble the circuit on a general purpose PCB. Install the antenna properly for maximum range. Coils L1 through L5 are made with 20 SWG copper-enameled wire wound over air-cores having 8mm diameter. They have 4, 6, 6, 5 and 7 turns of wire, respectively. (View)
View full Circuit Diagram | Comments | Reading(0)
Published:2012/11/9 20:52:00 Author:muriel | Keyword: 0.1 - 3.5GHz, Prescaler
This handy prescaler divides input frequency by 1000. It takes maximum input frequency of 3.5GHz and converts it into 3.5MHz that may be measured using standard frequency meter. (View)
View full Circuit Diagram | Comments | Reading(1572)
Published:2012/11/9 20:50:00 Author:muriel | Keyword: 0.1 - 3.5GHz, Prescaler
View full Circuit Diagram | Comments | Reading(1394)
Published:2012/11/9 20:46:00 Author:muriel | Keyword: TX-500 , 500mW, FM, transmitter
View full Circuit Diagram | Comments | Reading(1436)
Published:2012/11/9 20:45:00 Author:muriel | Keyword: TX-300, 50-300mW , FM, Transmitter
View full Circuit Diagram | Comments | Reading(1043)
Published:2012/11/9 20:44:00 Author:muriel | Keyword: TX200 transmitter
View full Circuit Diagram | Comments | Reading(953)
Published:2012/11/9 20:43:00 Author:muriel | Keyword: TX200 , high quality, 200mW, FM , Transmitter
Here is the latest and greatly improved TX200 VFO/VCO FM transmitter. The most versatile transmitter to date that can be turned into high fidelity stereo PLL based 200mW FM transmitter. It is a perfect circuit for transmitting your music around the house and yard. TX200 uses only two coils; one in the oscillator and the other one in the 200mW VHF amplifier so it should be fairly easy for anyone to build. It also includes built-in pre-emphasis and C5 for enhanced sound quality. While assembling the transmitter care must be taken to make sure that C1 is directly connected to L1 and C9 to L2. These caps eliminate the distortions form the DC supply and improve the sound quality greatly. 9V voltage supply is also very important because it provides the exact amount of current to Q1 to produce loud and clear sound quality. I hope that you'll have as much fun as I had while building this transmitter. Enjoy! ;) (View)
View full Circuit Diagram | Comments | Reading(1325)
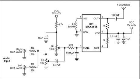
Published:2012/11/9 20:42:00 Author:muriel | Keyword: Single Chip , FM , Transmitter
A simple FM transmitter links your home-entertainment system to a portable radio that can be carried around the house and into the back yard. For example, you can play music on the CD changer in your living room, and listen to it on a portable radio by the back-yard barbeque.
IC1 is a voltage-controlled oscillator with integrated varactor. Its nominal frequency of oscillation is set by inductor L1, and a 390nH value places that frequency at 100MHz. Potentiometer R1 then lets you select a channel by tuning over the FM band of 88MHz to 108MHz. Output power is about -21dBm into 50 (most countries accept emissions below 10dBm in the FM band).
The home system's left and right audio signals are summed by R3 and R4, and attenuated by the (optional) potentiometer R2. R2's wiper signal serves as a volume control by modulating the RF frequency. Signals above 60mV introduce distortion, so the pot attenuates down from that level.
In the absence of a standard FM radio antenna, 75cm (30 inches) of wire will suffice as a transmitting antenna. For best reception, it should be mounted parallel with the receiving antenna. The IC operates on a single supply voltage in the range 3V to 5V, but you should regulate the applied voltage to minimize frequency drift and noise. (View)
View full Circuit Diagram | Comments | Reading(999)
Published:2012/11/9 20:36:00 Author:muriel | Keyword: Phone, FM, Transmitter
This Phone FM transmitter connects in series to your telephone line and transmits the telephone conversation over the FM band when you pick up the telephone handset. Transmitted signal can be tuned by any FM receiver. The circuit includes an On Air LED indicator and also provides a switch which can be used to turn off the transmitter. A unique feature of the circuit is that no battery is needed to operate the circuit since power is taken from the telephone line.
The transmitter uses only a short piece of wire aerial about 4 / 10 cm long to transmit the signal and some of the RF signal is also radiated through the telephone line itself. The circuit might be used to share or record conversations, but is not intended for illegal use.
(View)
View full Circuit Diagram | Comments | Reading(819)
Published:2012/11/9 20:34:00 Author:muriel | Keyword: 500mW , FM / VHF , Transmitter , Amplifier , Booster
You can easily boost output power and range of BA1404 FM Transmitter by adding this simple high performance 500mW amplifier / booster. The amplifier chip is an integrated circuit containing multiple transistor stages and all other parts conveniently within a single small package. Boosting BA1404 FM transmitter's power has never been easier and the output signal can also directly drive 2N4427 or 2N3886 transistors for 1W or 5W of RF output power. (View)
View full Circuit Diagram | Comments | Reading(3703)
Published:2012/11/9 20:34:00 Author:muriel | Keyword: Optional , 12V to 3V , Voltage Regulator
If you need to supply BA1404 FM Transmitter from 12V this simple circuit will do the job. It converts 12V voltage to 3V suitable for BA1404 chip using LM317 voltage regulator. 270 and 390 Ohm resistor determine the output voltage. (View)
View full Circuit Diagram | Comments | Reading(13212)
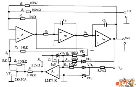
Published:2012/11/9 20:23:00 Author:Ecco | Keyword: Low-distortion, two-phase oscillator
In the circuit, A1 is used as inverting amplifier, the input-output phase difference is 180°, the integrators A2 and A3 have 90 ° phase shift, therefore, the entire circuit has a phase lag of 360 °, if the loop gain is greater than 1, the circuit will generate oscillation. In order to get the oscillation stability, the R5 and VT1 leakage - source equivalent resistors are connected in series.
(View)
View full Circuit Diagram | Comments | Reading(1695)
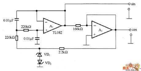
Published:2012/11/9 20:33:00 Author:Ecco | Keyword: two-phase oscillator
In order to get sine and cosine waves, the circuit is oscillation stabilization circuit without automatic gain control loop, and it can get a stable oscillation output when it is in low frequency. This two-phase oscillator is commonly used as the AC motor signal generator, and it can also be used for the rectangular coordinate transform source or graphic display on the X-Y monitor. In the circuit, A1 constitutex a low pass filter circuit, A2 is an integrator.
(View)
View full Circuit Diagram | Comments | Reading(1524)
Published:2012/11/9 20:33:00 Author:muriel | Keyword: BA1404 , HI-FI, Stereo , FM Transmitter , 88 - 108 MHz


BA1404 Stereo FM Transmitter Components:
BA1404 IC38KHz Crystal L1 - 3.5 Turns Variable Coil 1x PCB 1x 38KHz Crystal Oscillator 1x DIP-18 IC Socket 1x 3.5T Variable Precision RF Coil 1x 10uH Inductor 4x 10uF/50V Gold Audio Capacitors 4x 1nF Ceramic Capacitors 2x 1nF Mylar Capacitors 1x 220pF Ceramic Capacitor 5x 10pF Ceramic Capacitors 2x 47K 1% Metal Film Resistors 2x 27K 1% Metal Film Resistors 1x 150K 1% Metal Film Resistor 1x 5.6K 1% Metal Film Resistor 1x 270 1% Metal Film Resistor (View)
View full Circuit Diagram | Comments | Reading(1625)
Published:2012/11/9 20:28:00 Author:muriel | Keyword: Voltage Regulators, 13.6 volts
View full Circuit Diagram | Comments | Reading(656)
Published:2012/11/9 20:22:00 Author:muriel | Keyword: clock generator
View full Circuit Diagram | Comments | Reading(1638)
Published:2012/11/9 0:31:00 Author:muriel | Keyword: Minimizing , SUNs noise , IR reception
A 'baffle' is a perforated disk or disks spaced inside your 'shade tube'. The idea is to trap all reflections, leaving only the light coming in on the exact axis of the tube to strike the IR Detector.
__________________________________
| | | |
DET <--- IR LIGHT
| | | |
----------------------------------
^Baff ^Baff ^Baff
Off-axis light, 'noise', will be caught by the baffles and dissipated through reflection between the baffles. Paint the inside of your tube black ... in fact, check into what paints/coatings are 'black' to IR wavelenghts. Just because a paint LOOKS black does not mean it won't reflect IR.
Check into an astronomy or optics group to get the formula for the ideal spacing of the baffles and how big a hole should be in them. Getting this right will improve your system performance. (View)
View full Circuit Diagram | Comments | Reading(679)
Published:2012/11/9 0:30:00 Author:muriel | Keyword: IR EMITTER CIRCUIT
+5V 555 +5V | TIMER | / +-----------+ | \ 1| |8 | / 10ohms GND -----|GND Vcc|-----+ \ | | \ / | | / | 3| | \ 2.2K +-------------------|OUT | / | | |7 \ | | DISCH|-----+ | 4|- | \IR LED ||--+ +5V -----|R | / <|| | | \ 200K ||--+ | | / | 2| |6 \ | +---|TRIG THRES|-----+------+ | | | | | | | | +-----------+ | | GND | | ----- .1uF | | ----- +---------------------+ | | GNDNotes:
Adding more IR LED's will increase the range of the IR detector.
The signal on pin 3 of the 555 is 30Hz and has a duty cycle of 50%
Due to the very small pull-up resistor the 555 sinks about 109mA. The specs say the 555 can sink up to 225mA so it's well below the danger level. (View)
View full Circuit Diagram | Comments | Reading(671)
Published:2012/11/9 0:30:00 Author:muriel | Keyword: Infra, Red, Remote Transponder
View full Circuit Diagram | Comments | Reading(633)
Published:2012/11/9 0:18:00 Author:muriel | Keyword: 1mV Offset, Clock-Tunable, Monolithic, 5-Pole Lowpass Filter
View full Circuit Diagram | Comments | Reading(602)
| Pages:33/195 At 202122232425262728293031323334353637383940Under 20 |