Published:2011/7/16 2:53:00 Author:leo | Keyword: Stereo amplifier, Integrated circuit
LM4766 is a high-quality stereo amplifier integrated circuit which is a hot Hi-Fi amplifier.
1.LM4766 inner circuit diagram:LM4766 inner circuit has the same function with the amplifier outer circuit. Besides, the inner circuit also contains other protecting circuits. When the voltage is over the maximum value, the circuit will be cutoff automatically. When the load is over the set maximum value or temperature is over 165 oC, the circuit will be closed automatically. The circuit is shown in the picture.
2.LM4766 main parameters:LM4766 has an operating source voltage of 士10 to 土30V. The maximum value of power sources is 土37V. The constant output power average is 40 W with 8 n load.
3.LM4766 classic applying circuit:The classic applying circuit is show in the picture. (View)
View full Circuit Diagram | Comments | Reading(1176)
Published:2011/7/16 2:55:00 Author:leo | Keyword: No filter, D type, Audio power amplifier, Integrated circuit
TPA2OOOD2 is a kind of new D type audio power amplifier integrated circuit. It does not need a filter port and beproduced by Texas Instrument Company in America. It is applied to multimedia speaker system of USB drive, portable type DVD player, PDAS and notebook. Besides, it can also be used in audio player with 2 W output power.
TPA2OOOD2 Function Features:The integrated circuit TPA2OOOD2 overcomes the shortcoming of the original D type audio player that needs a big LC filter. It can not only offer high efficiency to D type power amplifier but also reduct the volume of IC components.
(View)
View full Circuit Diagram | Comments | Reading(1304)
Published:2011/7/16 2:55:00 Author:leo | Keyword: Communication, single chip, microcomputer, integrated circuit
LBl0427A is a kind of communication single chip microcomputer integrated circuit which is widely used in caller ID telephone.
Function features:The integrated circuit LBl0427A contains impulse/duel-frequency signal generator, LCD display drive circuit, FSK/DTMF caller ID decoding circuit, keyboard order coding circuit, hands-free trigger circuit, power resources testing circuit, key sound drive circuit and so on.
Pin functions and data:LBl0427A uses 80 pin package. The pin functions and related data are shown in the picture. (View)
View full Circuit Diagram | Comments | Reading(750)
Published:2011/7/16 2:55:00 Author:leo | Keyword: Balance control, stereo system


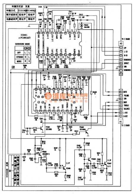
CXAl279AS is a volume, bass, treble, balance control, and mix control integrated circuit produced by Sony Company in Japan, which is widely used in television stereo system and other stereo systems. 1.CXAl279AS classic applying circuitCXAl279AS is usually used with μPCl89lACY to carry out the processing of surround sound signals. Its classic applying circuit is shown in the picture 1.2.CXAl279AS pin functions and data3.Circuit working process(1)Bass/treble/balance control (2)Volume control (View)
View full Circuit Diagram | Comments | Reading(1130)
Published:2011/7/13 20:05:00 Author:leo | Keyword: FET, Audio, Amplifying circuit
Picture 1 shows a FET audio amplifying circuit which demands small distortion, broad frequency bandwidth. The input terminal uses Knot type FET which can eliminate the influence to circuit caused by change of source voltage and current moving. DC stability is the main problem of direct-coupling DC amplifier which needs to use two level difference circuits. The first level difference circuit is formed by N channel FET, VT1 and VT2. The second level difference circuit is formed by PNP, VT4 and VT5, which has a high voltage amplitude of vibration and bigger distortion that should be paid attention during design. (View)
View full Circuit Diagram | Comments | Reading(1055)
Published:2011/5/17 4:10:00 Author:Ecco | Keyword: two-channel , audio , power amplifier , integrated circuit


TDA7496 is the two-channel audio power amplifier IC produced by Philips, it is widely used in the high-fidelity audio, car audio, multimedia and so on. 1. Features of functionTDA7496 integrated circuit contains two audio power amplifier circuits with the same functions, and it has electronic volume control circuit, the squelch control circuit, overheat protection and short circuit protection, mono output power is 6W, limit working voltage is 30V. 2. Pin functions and data TDA7496 IC uses 15-pin single in-line package, the pin functions and data are listed in Table 1. Table 1 shows TDA7496 integrated circuit pin functions and data.
(View)
View full Circuit Diagram | Comments | Reading(1495)
Published:2011/7/13 4:38:00 Author:leo | Keyword: Signal chip, communication



CL328-6 is communication signal chip microcomputer integrated circuit which is widely used in caller ID telephone.1.Function features:CL328-6 contains dual audio signal generator circuit, theft deterrent telephone, pulse signal generator circuit, caller ID decoding circuit, battery under voltage test circuit, ringing test circuit, display drive circuit, key switch RoHS code circuit and others. 2.Pin functions and data:It uses 100-pin soft package and the pin functions as well as related information are shown in the picture 1. (View)
View full Circuit Diagram | Comments | Reading(822)
Published:2011/7/13 20:12:00 Author:leo | Keyword: Single chip, Stereophonic reproduction, Integrated circuit
LAG665 is the third generation single chip personal stereo stereophonic reproduction integrated circuit. It has multiple function and made by MITSVMI.
Inner circuit function:LAG665 has a dual channel front magnetic head amplifier, backward stage earphone drive, double power amplifier and electronic DC volume control function and so on.
Package construction: It has two kinds of package construction. LAG665D adopts 30 pin dual line package. And LAG665F uses 28 pin package construction. They have the same electrical property and inner diagram. (View)
View full Circuit Diagram | Comments | Reading(2235)
Published:2011/7/13 20:09:00 Author:leo | Keyword: Single chip, playback



LA4520 is a single chip playback integrated circuit produced by Sanyo Company in Japan, which is widely used in all kinds of playersand recording playback devices. 1. LA4520 inner circuit diagram and pin functions:LA4533M contains two similar fronted power amplifiers, and stereo system circuit. It uses 20-pin dual-line package. The inner circuit diagram of LA4520 is shown in the picture 1-1.2. LA4520 classic applying circuit is shown in the picture 1-2.3. Signal processPicture 1-3 gives the whole process of the play signals. (View)
View full Circuit Diagram | Comments | Reading(1775)
Published:2011/7/13 4:40:00 Author:leo | Keyword: Single chip, stereo



CXA1034P is a single chip playback integrated circuit produced by Sanyo Company in Japan which is widely used in all kinds of low voltage recorders. 1. CXA1034P inner circuit diagram and pin functions:CXA1034P contains two similar fronted power amplifiers, two power amplifiers, less outer components, and single electric voltage controlling stereo volume controller. It uses 16-pin dual-line package. The inner circuit diagram of CXA1034P is shown in the picture 1.2. CXA1034P classic applying circuit is shown in the picture 2.CXA1034P’s power supply voltage is from 1.8 B to 10 V. (View)
View full Circuit Diagram | Comments | Reading(1783)
Published:2011/7/13 4:40:00 Author:leo | Keyword: Single chip, stereo player



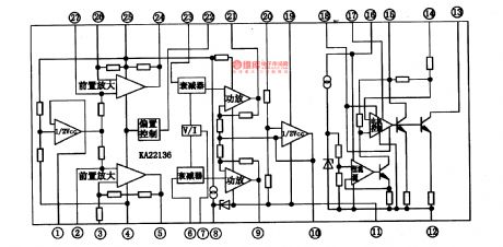
KA22135 is single chip stereo player integrated circuit produced by Samsung in Korea. 1.KA22135 inner circuit diagram and pin functions:KA22135 contains two fronted amplifiers, double power amplifier and electric DC volume control circuit and DC device speed regulator circuit.It has two packages. KA22136F is 28-pin dual line package and KA22136 is 28-pin dual-line flat package. They have the same inner functions and the inner circuit diagram is shown in the picture 1-1.2.KA22135 main parameters:Its work voltage converge is from 2.1 V to 5 V and the classic work voltage is 3 V. When Vcc is 3 V and RL is 32, its output power is 28 mW x 2.3.KA22135 classic applying circuitIts classic applying circuit is shown in the picture 1-2. (View)
View full Circuit Diagram | Comments | Reading(1585)
Published:2011/7/13 4:39:00 Author:leo | Keyword: Single chip, stereo player


KA22134 is single chip stereo player integrated circuit produced by Samsung in Korea which is used in the low voltage walkman. 1.KA22134 inner circuit diagram and pin functions:KA2214 contains two fronted amplifiers, double power amplifier and electric DC volume control circuit and DC device speed regulator circuit.It uses 16-pin dual line package and the inner circuit diagram is shown in the picture 1-1.2.KA22134 main parameters:Its work voltage converge is from 1.8 V to 6 V and the classic work voltage is 3 V. (1)Maximum output voltage of fronted amplifier Vom. When THDI is 10%, its value is 770mV. (2)The output power of driver Po. When THD2 is 10%, its classic value is 30 dB. (View)
View full Circuit Diagram | Comments | Reading(1906)
Published:2011/7/13 4:39:00 Author:leo | Keyword: Single chip, stereo player


KA22131 is single chip stereo player integrated circuit produced by Samsung in Korea which is used in the low voltage stereo system. 1.KA22134 inner circuit diagram and pin functions:KA2214 contains two fronted balance amplifiers, power amplifier and cassette type selecting circuit and others. It uses 24-pin dual line flat package and the inner circuit diagram is shown in the picture 1-1.2.KA22134 main parameters:Its work voltage converge is from 1.8 V to 3.6 V and the classic work voltage is 3 V. When Vcc is 3 V and RL is 16 ohms, the Po is 69mW x 2.
(View)
View full Circuit Diagram | Comments | Reading(1692)
Published:2011/7/13 19:50:00 Author:leo | Keyword: Bias magnetic amplifier, high frequency
The picture 1 shows a high frequency bias magnetic amplifier used by earphones. Its resistance is 30 to 100 Ω, so it takes TC28 as the driver to meet the need, whose resistance is 6Ω. In TC28, four simple negaterG1 to G4 make up of a full bridge circuit. This bridge circuit is used to drive the left and right audio channel of the earphones. TL451 is the integrated controller of switch power resourcing. During simulating, if the left and right audio channels output signals with different frequency, the frequency difference will be added to output signals as the deadbeat signals. (View)
View full Circuit Diagram | Comments | Reading(1018)
Published:2011/7/13 19:56:00 Author:leo | Keyword: Single chip audio integrated circuit, Pocket-sized radio
ULN3839A is a kind of single chip audio integrated circuit used in pocket-sized radio and other kinds of radios.
1.ULN3839A integrated chip inner circuit diagram and pin functions:ULN3814A has three suffix: ULN3839A-1, ULN3839A-2 and ULN3839A-3. These three kinds of circuit are almost the same. ULN3839A has all AM audio circuits including AM AGC, LO, MIX, ZF, detection and so on. It adopts 16 pins direct inserting package which you can see in the picture.
2.Main parameters of ULN3839A:Its power supply voltage is 1.8 V to 10 V and the classic operating voltage is 3 V , 4.5 V and 6 V. When Vcc is 3 V and Ta is 25℃, it has the following parameters:(1)Sensibility S. When Vo is 20 mV , its classic value is 3μV(2)Detection output. Its classic value is 100 mV.(3)Voltage gainG(V). Its minimum value is 36 dB and maximum value is 44 dB and classic value is 40 dB.(4)Output power Po. When D is 10%,When Vcc is 3 V, its classic value is 50 mW;When Vcc is 6 V, its minimum value is 250 mW and classic value is 350 mW. (View)
View full Circuit Diagram | Comments | Reading(1478)
Published:2011/7/13 19:46:00 Author:leo | Keyword: Dual channel volume, balance control, integrated circuit
MB
311O and MB3110A are dual channel volume and balance control integrated circuits made by MITSUBISHI in Japan.
1.MB3110/A inner circuit diagram and pin functions:The integrated circuit MB3110/A contains a dual channel volume and balance control amplifying circuit which offers 20dB inner PRE out. Volume and balance are controlled by the change of reversed voltage. This circuit has the following features: Possessing the same voltage with power supply, big damping capacity of volume and balance control and so on. Its inner circuit diagram and pin functions are shown in the picture. 2.MB3110/A Main parameters:Under Ta is 25℃: Power supply voltage Vcc is 16 V (max); Control voltage Vcomt is 0 to Vcc, Power Consumption(allowed) is 530 mW. (View)
View full Circuit Diagram | Comments | Reading(1198)
Published:2011/7/10 2:30:00 Author:leo | Keyword: Video, Final stage, Integrated circuit
LM2468TA is a kind of video final stage integrated circuit made by America national semiconductor company. It is widely used in color screen of computer.
Inner circuit diagram. The integrated circuit LM2468TA has three fundamental color signal amplifier circuit and video intensifier stage power supplier circuit and so on. The inner circuit diagram of this integrated circuit is shown in the picture.
Pin function and dataThe integrated circuit LM2468TA uses 9 pin single-line package. The pin function and related data of integrated circuit are shown in the picture. (View)
View full Circuit Diagram | Comments | Reading(755)
Published:2011/7/10 22:59:00 Author:leo | Keyword: Single chip, stereo player




LA4520-Single chip stereo player integrated circuit diagram LA4520 is a single chip player integrated circuit. It is widely used in all kinds of players. LA4520 inner circuit diagram and pin functions:LA4520 inner circuit contains two similar playing fronted amplifier circuits, power amplifier circuits and so on. As picture 1 shows, this IC uses 20 pin dual line package and related information are shown in the picture. LA4520 classic applying circuit: the picture 2 shows its classic applying circuits.
(View)
View full Circuit Diagram | Comments | Reading(1725)
Published:2011/7/10 2:31:00 Author:leo | Keyword: Video, Output amplifier circuit
LM2407T is a type of video output amplifier circuit made by America national semiconductor company and is widely used in computer color screen.
1.Function features:The integrated circuit LM2407T contains three video output amplifier circuits, video output power supplying circuit, and other related circuits with same functions. 2.Pin functions and data:LM2407T adopts 11-pin single line package which you can check more from the picture. Other related data is also shown in the picture. (View)
View full Circuit Diagram | Comments | Reading(696)
Published:2011/7/10 2:31:00 Author:leo | Keyword: Video, Output amplifier, Integrated circuit
LM2437T is a kind of video output amplifier integrated circuit made by America national semiconductor company which is widely used in color screen of the computer.
Function feature:The integrated circuit LM2437T contains R, G, B three fundamental color signal amplifier circuit, high voltage power supply circuit, low voltage power supply circuit and other related circuits.
Pin function and data:The integrated circuit LM2437T uses 9 pin single-line package which is widely used in color screen of Samsung 743DFS.The pin function and related data are shown in the picture. (View)
View full Circuit Diagram | Comments | Reading(819)
| Pages:8/13 12345678910111213 |