Position: Home > Circuit Diagram > Index 188
Low Cost Custom Prototype PCB Manufacturer

Circuit Diagram

Index 188

The amplifier circuit schematic with dual video

Published:2013/1/29 2:30:00 Author:Ecco | Keyword: amplifier , dual video

The amplifier circuit schematic with dual video
The amplifier circuit schematic with dual video is show as figure:   (View)

View full Circuit Diagram | Comments | Reading(2747)

The music scale signal generator (NE555, CD4017)

Published:2013/1/29 2:25:00 Author:Ecco | Keyword: music scale, signal generator

The music scale signal generator (NE555, CD4017)
The musical scale signal is a kind of oscillation pulse which is arranged a certain frequency interval, it can be generated by mechanical vibration of the various instruments, and also can be generated by oscillator composed of the electronic circuit. The oscillator with digital circuit can generate l0 octaves Loops by stepping control, and the circuit is shown in the figure. The circuit consists of basic scale oscillator, stepper pulse oscillator and scale interval control circuit and other components.   (View)

View full Circuit Diagram | Comments | Reading(1487)

The current direction demonstrator (CD4017, NE555)

Published:2013/1/29 2:12:00 Author:Ecco | Keyword: current direction demonstrator

The current direction demonstrator (CD4017, NE555)
In physics teaching, electrical current flowing, magnetic field changes and capacitor charging and discharging are abstract physical phenomena. As shown in figure, the digital circuit with CMOS can make a simulation demo. This circuit uses the decimal counting / pulse divider CD4017, matched with red, green and white light-emitting diodes, it can form an analog current direction presenter.   (View)

View full Circuit Diagram | Comments | Reading(1305)

Block diagram of C52EVB V2.0

Published:2013/1/29 1:54:00 Author:muriel | Keyword: C52EVB V2.0

Block diagram of C52EVB V2.0
  (View)

View full Circuit Diagram | Comments | Reading(808)

Interface Adapter circuit diagram V3.1

Published:2013/1/29 1:54:00 Author:muriel | Keyword: Interface Adapter circuit

Interface Adapter circuit diagram V3.1
  (View)

View full Circuit Diagram | Comments | Reading(695)

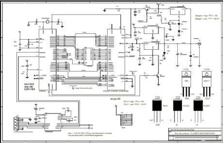
ATMEL 89 Series Flash Microcontroller Programmer Ver 3.1

Published:2013/1/29 1:53:00 Author:muriel | Keyword: ATMEL 89 Series, Flash Microcontroller , Programmer Ver 3.1

ATMEL 89 Series Flash Microcontroller Programmer Ver 3.1
  (View)

View full Circuit Diagram | Comments | Reading(1695)

Schematic of Easy-Downloader V2.1 89C51/89C52/89C55WD

Published:2013/1/29 1:52:00 Author:muriel | Keyword: Easy-Downloader V2.1 , 89C51, 89C52, 89C55WD

Schematic of Easy-Downloader V2.1 89C51/89C52/89C55WD
  (View)

View full Circuit Diagram | Comments | Reading(2163)

the newversion, Easy programmer V3.0

Published:2013/1/29 1:52:00 Author:muriel | Keyword: newversion, Easy programmer, V3.0

the newversion, Easy programmer V3.0
  (View)

View full Circuit Diagram | Comments | Reading(777)

GALDecoder 3

Published:2013/1/29 1:50:00 Author:muriel | Keyword: GALDecoder

GALDecoder 3
  (View)

View full Circuit Diagram | Comments | Reading(561)

GALDecoder 2

Published:2013/1/29 1:50:00 Author:muriel | Keyword: GALDecoder

GALDecoder 2
  (View)

View full Circuit Diagram | Comments | Reading(495)

GALDecoder

Published:2013/1/29 1:50:00 Author:muriel | Keyword: GALDecoder

GALDecoder
  (View)

View full Circuit Diagram | Comments | Reading(530)

RS232, RS485, DC supply, EEPROM, ADC, RTC, keypad, debug LED.

Published:2013/1/29 1:49:00 Author:muriel | Keyword: RS232, RS485, DC supply, EEPROM, ADC, RTC, keypad, debug LED.

RS232, RS485, DC supply, EEPROM, ADC, RTC, keypad, debug LED.
  (View)

View full Circuit Diagram | Comments | Reading(1665)

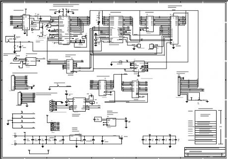
Complete hardware schematic, CPU, memory, PLD

Published:2013/1/29 1:48:00 Author:muriel | Keyword: CPU, memory, PLD

Complete hardware schematic, CPU, memory, PLD
  (View)

View full Circuit Diagram | Comments | Reading(1982)

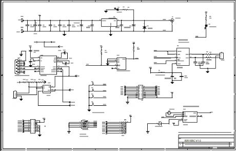
Hardware schematic of the expansion board

Published:2013/1/29 1:47:00 Author:muriel | Keyword: expansion board

Hardware schematic of the expansion board
  (View)

View full Circuit Diagram | Comments | Reading(831)

Net Metering PV Power System

Published:2013/1/29 1:47:00 Author:muriel | Keyword: Net, Metering , PV , Power System

Net Metering PV Power System
  (View)

View full Circuit Diagram | Comments | Reading(1351)

Schematic of DC Amplifer.

Published:2013/1/29 1:46:00 Author:muriel | Keyword: DC Amplifer

Schematic of DC Amplifer.
  (View)

View full Circuit Diagram | Comments | Reading(1101)

Precision DC amplifier using INA101 Instrumentation Amplifier.

Published:2013/1/29 1:46:00 Author:muriel | Keyword: Precision DC amplifier , INA101, Instrumentation Amplifier

Precision DC amplifier using INA101 Instrumentation Amplifier.
  (View)

View full Circuit Diagram | Comments | Reading(1059)

Schematic of the MiniLogger V3.0

Published:2013/1/29 1:45:00 Author:muriel | Keyword: MiniLogger V3.0

Schematic of the MiniLogger V3.0
  (View)

View full Circuit Diagram | Comments | Reading(732)

Circuit Diagram of the SPI Programmer

Published:2013/1/29 1:44:00 Author:muriel | Keyword: SPI Programmer

Circuit Diagram of the SPI Programmer
  (View)

View full Circuit Diagram | Comments | Reading(1316)

ISP Flash Microcontroller Programmer

Published:2013/1/29 1:44:00 Author:muriel | Keyword: ISP , Flash, Microcontroller, Programmer

ISP Flash Microcontroller Programmer
  (View)

View full Circuit Diagram | Comments | Reading(976)

Pages:188/2234 At 20181182183184185186187188189190191192193194195196197198199200Under 20