Position: Home > Circuit Diagram > Index 2067
Low Cost Custom Prototype PCB Manufacturer

Circuit Diagram

Index 2067

Storage battery voltage alarm circuit composed of SGZ35 time control integrated circuit

Published:2011/4/18 20:42:00 Author:Nicole | Keyword: storage battery, alarm, time control

Storage battery voltage alarm circuit composed of SGZ35 time control integrated circuit
  (View)

View full Circuit Diagram | Comments | Reading(479)

Multifunction delay floodlight control circuit composed of YH2902A multifunction timing control module

Published:2011/4/18 22:14:00 Author:Nicole | Keyword: delay floodlight, timing control module

Multifunction delay floodlight control circuit composed of YH2902A multifunction timing control module
Multifunction delay floodlight control circuit composed of YH2902A. Rx=120kΩ, Cx=1pF, and t=1/1(0.7~1)·Rx·Cx], then this circuit can achieve delay 5mins, 15mins, 30mins and uncertain time four kinds working processes.   (View)

View full Circuit Diagram | Comments | Reading(553)

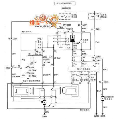
Shanghai GM BUICK(Excelle)saloon car windshield wiper/scrubber circuit diagram(two)

Published:2011/4/18 21:02:00 Author:muriel | Keyword: Shanghai GM BUICK(Excelle), saloon car , windshield wiper, scrubber

Shanghai GM BUICK(Excelle)saloon car windshield wiper/scrubber circuit diagram(two)
Figure Shanghai GM BUICK(Excelle)saloon car windshield wiper/scrubber circuit diagram(two)   (View)

View full Circuit Diagram | Comments | Reading(617)

Shanghai GM BUICK(Excelle)saloon car windshield wiper/scrubber circuit diagram(one)

Published:2011/4/18 21:03:00 Author:muriel | Keyword: Shanghai GM BUICK(Excelle), saloon car , windshield wiper, scrubber

Shanghai GM BUICK(Excelle)saloon car windshield wiper/scrubber circuit diagram(one)
Figure Shanghai GM BUICK(Excelle)saloon car windshield wiper/scrubber circuit diagram(one)   (View)

View full Circuit Diagram | Comments | Reading(452)

Shanghai GM BUICK(Excelle)saloon car loudspeaker circuit diagram

Published:2011/4/18 21:04:00 Author:muriel | Keyword: Shanghai GM BUICK(Excelle), saloon car, loudspeaker

Shanghai GM BUICK(Excelle)saloon car loudspeaker circuit diagram
Figure Shanghai GM BUICK(Excelle)saloon car loudspeaker circuit diagram   (View)

View full Circuit Diagram | Comments | Reading(503)

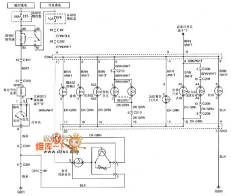
Shanghai GM BUICK(Excelle)saloon car lighting system circuit diagram(nine)

Published:2011/4/18 20:52:00 Author:muriel | Keyword: Shanghai GM BUICK(Excelle), saloon car, lighting system

Shanghai GM BUICK(Excelle)saloon car lighting system circuit diagram(nine)
Figure Shanghai GM BUICK(Excelle)saloon car lighting system circuit diagram(nine)   (View)

View full Circuit Diagram | Comments | Reading(2605)

Shanghai GM BUICK(Excelle)saloon car lighting system circuit diagram(three)

Published:2011/4/18 20:43:00 Author:muriel | Keyword: Shanghai GM BUICK(Excelle), saloon car, lighting system

Shanghai GM BUICK(Excelle)saloon car lighting system circuit diagram(three)
Figure Shanghai GM BUICK(Excelle)saloon car lighting system circuit diagram(three)   (View)

View full Circuit Diagram | Comments | Reading(1495)

Low voltage light timing flashing circuit

Published:2011/4/18 20:05:00 Author:Nicole | Keyword: Low voltage light, timing flashing

Low voltage light timing flashing circuit
MPU131 is program control SCR, with R1, C1 form flip-flow oscillation circuit, the output control two unidirectional SCR 2N5060, then the low voltage (2V) indicator light will send out timging flashing.   (View)

View full Circuit Diagram | Comments | Reading(1183)

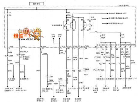
Shanghai GM BUICK(Excelle)saloon car carriage body power distribution system circuit diagram(seven)

Published:2011/4/18 20:49:00 Author:muriel | Keyword: Shanghai GM BUICK(Excelle), saloon car , carriage body power distribution system

Shanghai GM BUICK(Excelle)saloon car carriage body power distribution system circuit diagram(seven)
Figure Shanghai GM BUICK(Excelle)saloon car carriage body power distribution system circuit diagram(seven)   (View)

View full Circuit Diagram | Comments | Reading(884)

Valve control temperature adjusting circuit

Published:2011/4/18 0:30:00 Author:Nicole | Keyword: Valve control, temperature adjusting

Valve control temperature adjusting circuit
This temperature control circuit can control 220V servo motor to turn left or right, its static range can be adjusted. The bae of push pull stage is controlled by feedback amplifier TAA861, switches T3 and T4 each controls its relay to make the motor turn left or right. The temperature testing adopts R1~R6 bridge circuit, the sensor is K274 thermal resistor, using potentiometer R1 to pre-select the given temperature. The main technical data: the work voltage: 18V; the temperature range: 25~95℃; the highest temperature of sensor: 100℃; the temperature difference within ±10% power voltage wave motion: < 0.1°K; the adjustable static region: 0.2~1°K.   (View)

View full Circuit Diagram | Comments | Reading(1445)

Shanghai GM BUICK(Excelle)saloon car carriage body power distribution system circuit diagram(six)

Published:2011/4/18 20:48:00 Author:muriel | Keyword: Shanghai GM BUICK(Excelle), saloon car , carriage body power distribution system

Shanghai GM BUICK(Excelle)saloon car carriage body power distribution system circuit diagram(six)
Figure Shanghai GM BUICK(Excelle)saloon car carriage body power distribution system circuit diagram(six)   (View)

View full Circuit Diagram | Comments | Reading(792)

Shanghai GM BUICK(Excelle)saloon car carriage body power distribution system circuit diagram(five)

Published:2011/4/18 20:47:00 Author:muriel | Keyword: Shanghai GM BUICK(Excelle), saloon car, carriage body power distribution system

Shanghai GM BUICK(Excelle)saloon car carriage body power distribution system circuit diagram(five)
Figure Shanghai GM BUICK(Excelle)saloon car carriage body power distribution system circuit diagram(five)   (View)

View full Circuit Diagram | Comments | Reading(575)

Shanghai GM BUICK(Excelle)saloon car carriage body power distribution system circuit diagram(four)

Published:2011/4/18 20:46:00 Author:muriel | Keyword: Shanghai GM BUICK(Excelle), saloon car, carriage body power distribution system

Shanghai GM BUICK(Excelle)saloon car carriage body power distribution system circuit diagram(four)
Figure Shanghai GM BUICK(Excelle)saloon car carriage body power distribution system circuit diagram(four)   (View)

View full Circuit Diagram | Comments | Reading(672)

Shanghai GM BUICK(Excelle)saloon car carriage body power distribution system circuit diagram(three)

Published:2011/4/18 20:13:00 Author:muriel | Keyword: Shanghai GM BUICK(Excelle), saloon car , carriage body power distribution system

Shanghai GM BUICK(Excelle)saloon car carriage body power distribution system circuit diagram(three)
Figure Shanghai GM BUICK(Excelle)saloon car carriage body power distribution system circuit diagram(three)   (View)

View full Circuit Diagram | Comments | Reading(652)

Shanghai GM BUICK(Excelle)saloon car carriage body power distribution system circuit diagram(two)

Published:2011/4/18 20:12:00 Author:muriel | Keyword: Shanghai GM BUICK(Excelle), saloon car , carriage body power distribution system

Shanghai GM BUICK(Excelle)saloon car carriage body power distribution system circuit diagram(two)
Figure Shanghai GM BUICK(Excelle)saloon car carriage body power distribution system circuit diagram(two)   (View)

View full Circuit Diagram | Comments | Reading(511)

Shanghai GM BUICK(Excelle)saloon car carriage body power distribution system circuit diagram(one)

Published:2011/4/18 20:11:00 Author:muriel | Keyword: Shanghai GM BUICK(Excelle), saloon car , carriage body power distribution system

Shanghai GM BUICK(Excelle)saloon car carriage body power distribution system circuit diagram(one)
Figure Shanghai GM BUICK(Excelle)saloon car carriage body power distribution system circuit diagram   (View)

View full Circuit Diagram | Comments | Reading(652)

Shanghai GM BUICK(Excelle)saloon car carriage body power distribution system circuit diagram(eight)

Published:2011/4/18 20:49:00 Author:muriel | Keyword: Shanghai GM BUICK(Excelle), saloon car , carriage body power distribution system

Shanghai GM BUICK(Excelle)saloon car carriage body power distribution system circuit diagram(eight)
Figure Shanghai GM BUICK(Excelle)saloon car carriage body power distribution system circuit diagram(eight)   (View)

View full Circuit Diagram | Comments | Reading(394)

Shanghai GM BUICK(Excelle)saloon car lighting system circuit diagram(one)

Published:2011/4/18 20:37:00 Author:muriel | Keyword: Shanghai GM BUICK(Excelle), saloon car, lighting system

Shanghai GM BUICK(Excelle)saloon car lighting system circuit diagram(one)
Figure Shanghai GM BUICK(Excelle)saloon car lighting system circuit diagram(one)   (View)

View full Circuit Diagram | Comments | Reading(750)

Shanghai GM BUICK(Excelle)saloon car lighting system circuit diagram(two)

Published:2011/4/18 20:38:00 Author:muriel | Keyword: Shanghai GM BUICK(Excelle), saloon car , lighting system

Shanghai GM BUICK(Excelle)saloon car lighting system circuit diagram(two)
Shanghai Figure Shanghai GM BUICK(Excelle)saloon car lighting system circuit diagram(two)   (View)

View full Circuit Diagram | Comments | Reading(2414)

Shanghai GM BUICK(Excelle)saloon car lighting system circuit diagram(five)

Published:2011/4/18 20:45:00 Author:muriel | Keyword: Shanghai GM BUICK(Excelle), saloon car, lighting system

Shanghai GM BUICK(Excelle)saloon car lighting system circuit diagram(five)
Figure Shanghai GM BUICK(Excelle)saloon car lighting system circuit diagram(five)   (View)

View full Circuit Diagram | Comments | Reading(443)

Pages:2067/2234 At 2020612062206320642065206620672068206920702071207220732074207520762077207820792080Under 20