Position: Home > Circuit Diagram > Index 2080
Low Cost Custom Prototype PCB Manufacturer

Circuit Diagram

Index 2080

High precision timer circuit with op-amp SF357

Published:2011/4/18 0:53:00 Author:Jessie | Keyword: High precision timer, op-amp

High precision timer circuit with op-amp SF357
  (View)

View full Circuit Diagram | Comments | Reading(1321)

Liquid level alarm circuit which controlled by integrated circuit promixity switches

Published:2011/3/23 3:02:00 Author:Jessie | Keyword: Liquid level alarm, integrated circuit

Liquid level alarm circuit which controlled by integrated circuit promixity switches
Integrated circuit input side has a oscillating circuit,it's oscillation frequency depends on external components L1, C1 and sensor's equivalent capacitance, the latter size increases with liquid immersion. Oscillating signal add on the threshold switch after rectified, then control digital output level. When the sensor S dipped into the liquid, Oscillation stop because the effects of shunt capacitance, output gradesexchange the switch state.   (View)

View full Circuit Diagram | Comments | Reading(1429)

Toshiba refrigerator temperature measure and control loop connection circuir diagram

Published:2011/4/18 0:34:00 Author:Nicole | Keyword: Toshiba, refrigerator, temperature measure, temperature control

Toshiba refrigerator temperature measure and control loop connection circuir diagram
  (View)

View full Circuit Diagram | Comments | Reading(1486)

Use uc3907 design mature average current circuit

Published:2011/3/29 4:23:00 Author:Jessie | Keyword: average current

Use uc3907 design mature average current circuit
From the structure of UC3907, itcan be divided into voltage loop and current loop two parts. Voltage loop is composed by voltage amplifier,and the driver amplifier; Current loop is composed by current amplifier, adjust amplifiers, buffer amplifier and state instructions constitutes. UC3907's pin 14 outputs between 1.5 V and 2.25 V, pin 6, 7 constitute a loop with resistance R1, R2, emitter is about 150 V.   (View)

View full Circuit Diagram | Comments | Reading(993)

Relay control circuit

Published:2011/3/29 3:47:00 Author:Jessie | Keyword: Relay

Relay control circuit
220V power provide bias for Q3, Q4 at positive and negative half cycle by load RL, R1, D1 ~ D4, ZD1; Meanwhile it provides power for photoelectric coupler by R3, D5 ~ D8. When TTL circuit outputs signal of high level, photoelectric coupler connected in positive half cycle, so produces voltage drop in R5 ends, trigger SCR connected, load RL works. The whole circuit's functionis likea relay, but won't produce reverse induced voltage, and avoid load being damaged by high back voltage.   (View)

View full Circuit Diagram | Comments | Reading(755)

Delay 0.2-10s circuit

Published:2011/3/27 20:58:00 Author:Jessie | Keyword: delay

Delay 0.2-10s circuit
The operational amplifier of dainton tube input terminal is especially suitable for delay circuit. In figure, the circuit is 0.2~100s delay, repeat preparation time < 250ms. If the terminals 1 with A point, 2 with B connection, it is a delay circuit; If the terminals 1 withB point, 2 withA connection, it is a delay suck close circuit.   (View)

View full Circuit Diagram | Comments | Reading(736)

High humidity greenhouse glass condensation prevention automatic exhaust system circuit

Published:2011/4/18 0:44:00 Author:Nicole | Keyword: greenhouse glass, condensation prevention, automatic exhaust system

High humidity greenhouse glass condensation prevention automatic exhaust system circuit
The circuit is as shown, it is composed of condensation sensor, electronic switch, SCR drive vent fan circuit, croak phonation circuit and power supply circuit. RH is a switch positive characteristic resistor type dew point sensor HOS103.   (View)

View full Circuit Diagram | Comments | Reading(1186)

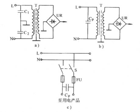
three eliminate noise circuit

Published:2011/3/23 21:40:00 Author:Jessie | Keyword: eliminate noise

three eliminate noise circuit
As shown in figure a, anti-disturbance measures which electronic products commonly used,is accessed two side implement road capacitance to the side on earth (cabinet) of power transformer. When C1 and C2 choose small capacity, only affect to thepulses which are very steep andvery narrow. If want to overcome the interference of energy larger pulse, at least need to store its base wave, and filter outthe harmonic three times, so C1 and C2 should be taken a little big. But this will bring danger.   (View)

View full Circuit Diagram | Comments | Reading(516)

160-185℃ temperature regulator circuit

Published:2011/4/17 23:01:00 Author:Nicole | Keyword: temperature regulator

160-185℃ temperature regulator circuit
This circuit adopts thermal resistor K18. It has large surface and it is propitious to fix, it also can drive large load, it is always made into clavate and fixed in sensor housing. It is connected into bridge structure, and the temperature given value is adjusted by potentiometer R1, the output circuit is controlled by relay. The main technical data: the work voltage: 30V(-15~+10%); the adjustable temperature: 160~185℃; the allowable environmental temperature: 0~70℃; the temperature error(environmental temperature is in the range of 20~70℃): 0.5℃; the temperature difference between relay turns on and off: 1℃.   (View)

View full Circuit Diagram | Comments | Reading(574)

The person and equipment safe protection solid sensing switch

Published:2011/3/29 3:16:00 Author:Jessie | Keyword: safe protection, solid sensing

The person and equipment safe protection solid sensing switch
When the temperature of the chipincreases to theset value, Teledye is programming sensed by TSC620 temperature sensor switches. When it reaches the high set value, MOSFET connected, then electric fan is connected. When it's temperature reaches the low set value, it closed. Access a 90kΩ to 200kΩ resistancebewteen each program design input terminaland thepower of High-low temperature set value determining. When the temperature rises, low limit output frist increases, then high output just become higher. When the chip's temperatureis downto below the program design value 2℃, limit outputs respective becomes low.   (View)

View full Circuit Diagram | Comments | Reading(511)

Liquid electronic constant temperature box circuit

Published:2011/3/24 2:55:00 Author:Jessie | Keyword: liquid, constant temperature box

Liquid electronic constant temperature box circuit
The thermistor K273 can be used to monitor and adjust liquid's temperature, it is always dipped in liquid. Differential amplifiers constitute bridge circuit, the selecting principle of bridge arm's resistance is that, before through the temperature which adjusted by switch S, thermistors' voltage drop is higher than differential amplifiers shot resistance's voltage drop. So that transistor T1's base is connected, T2 disconnected, relay release. Its closed contact r1 connects the heating element. Once the heating element temperature reaches the setting temperature, Differential amplifiers change, stop heating.   (View)

View full Circuit Diagram | Comments | Reading(620)

Three phases of phase lack protection circuit

Published:2011/3/27 22:45:00 Author:Jessie | Keyword: Three phases, phase lack protection

Three phases of phase lack protection circuit
This is a kind of protection circuit used for three-phase three-wirepower phase lack, A, B and C lack any phase, light-coupler output level is lower than comparator's reversed-phase input terminal's benchmark voltage, comparator output low level, blockade PWM drive signal, andcut offpower. Comparator input polarity fluctuant, also can use a high level blockade PWM signal. This phase lack protection circuit uses high light-coupler isolation, safe and reliable, RP2, RP1 used to adjust phase lack protection movement threshold.   (View)

View full Circuit Diagram | Comments | Reading(2386)

Baohua KC-17 window air conditioner circuit

Published:2011/3/24 21:57:00 Author:may | Keyword: window air conditioner

Baohua KC-17  window air conditioner circuit
Baohua KC-17 window air conditioner circuit is shown in the following diagram:   (View)

View full Circuit Diagram | Comments | Reading(3847)

Huali KFD-112LW、KFD-130LM fission cabinet air-conditioner circuit

Published:2011/3/25 0:58:00 Author:may | Keyword: fission cabinet air-conditioner

Huali KFD-112LW、KFD-130LM fission cabinet air-conditioner circuit
Huali KFD-112LW、KFD-130LM fission cabinet air-conditioner circuit is shown in the following diagram:   (View)

View full Circuit Diagram | Comments | Reading(573)

Flash light control circuit composed of 556、CD4017

Published:2011/3/24 4:39:00 Author:may | Keyword: Flash light control

Flash light control circuit composed of 556、CD4017
Flash light control circuit composed of 556、CD4017 is shown in the following diagram:   (View)

View full Circuit Diagram | Comments | Reading(1160)

Shenyang KC-20 window type air-condition circuit

Published:2011/3/23 5:54:00 Author:may | Keyword: window type air-condition

Shenyang KC-20 window type air-condition circuit
Shenyang KC-20 window type air-condition circuit is shown in the following diagram:   (View)

View full Circuit Diagram | Comments | Reading(808)

Baohua KFR-35G split air conditioner circuit diagram

Published:2011/3/24 22:00:00 Author:may | Keyword: split air conditioner

Baohua KFR-35G split air conditioner circuit diagram
Baohua KFR-35G split air conditioner circuit diagram is shown in the diagram:   (View)

View full Circuit Diagram | Comments | Reading(1664)

Uninterruptible power supply storage battery voltage monitor circuit

Published:2011/3/31 2:09:00 Author:may | Keyword: Uninterruptible power supply, storage battery, voltage monitor

Uninterruptible power supply storage battery voltage monitor circuit
  (View)

View full Circuit Diagram | Comments | Reading(716)

10~15V stabilized voltage supply circuit without auxiliary power supply

Published:2011/3/30 21:44:00 Author:may | Keyword: stabilized voltage supply, auxiliary power supply

10~15V stabilized voltage supply circuit without auxiliary power supply
  (View)

View full Circuit Diagram | Comments | Reading(494)

5V stabilized voltage supply circuit

Published:2011/3/30 2:28:00 Author:may | Keyword: 5V stabilized voltage supply

5V stabilized voltage supply circuit
5V stabilized voltage supply circuit adopts voltage multiplying rectifier.   (View)

View full Circuit Diagram | Comments | Reading(687)

Pages:2080/2234 At 2020612062206320642065206620672068206920702071207220732074207520762077207820792080Under 20