Position: Home > Circuit Diagram > Index 2076
Low Cost Custom Prototype PCB Manufacturer

Circuit Diagram

Index 2076

SC3071X touch stepping dimming light circuit

Published:2011/4/18 8:57:00 Author:Nicole | Keyword: dimming light

SC3071X touch stepping dimming light circuit
SC3071X is produced by Hangzhou Silan Microelectronics Co. Ltd. compared to SC3071, it has one more mode to select, so SC3071X also can choose on or off switch 2 steps control, besides controlling low brightness, middle brightness, most brightness, turn-off four steps.   (View)

View full Circuit Diagram | Comments | Reading(539)

SC3071 touch stepping dimming light circuit

Published:2011/4/18 9:04:00 Author:Nicole | Keyword: dimming light

SC3071 touch stepping dimming light circuit
The figure is as shown, it is a touch stepping dimming table light adopts SC3071 IC, when you use it, just to touch M repeatedly, then the brightness of light will cyclic change with low brightness, middle brightness, most brightness, turn-off four steps, when it is most brightness, the conduction angle of SCR VTH is 115°.   (View)

View full Circuit Diagram | Comments | Reading(740)

Typical application circuit of LTl56 monolithic four-way color lamp control integrated circuit

Published:2011/4/18 8:44:00 Author:Nicole | Keyword: color lamp

Typical application circuit of LTl56 monolithic four-way color lamp control integrated circuit
In figure, the work frequency of LT156 internal oscillator is determined by external connected RC component RP and C2. To increase the value of KP or C2, the oscillation frequency will slow down, on the contrary, it will speed up.   (View)

View full Circuit Diagram | Comments | Reading(491)

LS7232 touch stepless dimming light circuit

Published:2011/4/18 8:34:00 Author:Nicole | Keyword: stepless dimming light

LS7232 touch stepless dimming light circuit
The figure is as shown, it is a touch stepless dimming table light circuit adopts LS7232 integrated circuit, LS7232 is a touch dimming special IC produced by US LSI Company, S567 and 5G7232 have the same functions with it, they can be exchanged to use directly.   (View)

View full Circuit Diagram | Comments | Reading(3110)

LCl71 audio voltage control three-way color lamp with firecracker control circuit

Published:2011/4/18 8:09:00 Author:Nicole | Keyword: audio voltage control, color lamp, firecracker

LCl71 audio voltage control three-way color lamp with firecracker control circuit
  (View)

View full Circuit Diagram | Comments | Reading(572)

LCl81 audio voltage control three-way color lamp control circuit

Published:2011/4/18 8:07:00 Author:Nicole | Keyword: audio voltage control, color lamp

LCl81 audio voltage control three-way color lamp control circuit
The circuit is as shown. It consists of audio pich-up and amplifier circuit, light control circuit and AC depressurization rectifier circuit. BM is CRZ2 electret condenser microphone, it can change picked up sound singal into electrical signal, it is amplified by VT1 amplifier then added to emitter follower VT2, and added to input UIN terminal 5-foot of LC181 rectifier amplifier, to voltage control and modulate the internal VCO.   (View)

View full Circuit Diagram | Comments | Reading(820)

LC182 cala OK audio voltage control synchronous color lamp control circuit

Published:2011/4/18 7:50:00 Author:Nicole | Keyword: cala OK, audio voltage control, color lamp

LC182 cala OK audio voltage control synchronous color lamp control circuit
The circuit is as shown. It is composed of acoustic pick-up and impedance transformer, direct coupled double tube amplifier, color lamp controllerand DC power voltage.   (View)

View full Circuit Diagram | Comments | Reading(724)

Drive high power color lamp control circuit composed of LC182 audio modulation color lamp control chip

Published:2011/4/18 7:44:00 Author:Nicole | Keyword: color lamp, audio, control chip

Drive high power color lamp control circuit composed of LC182 audio modulation color lamp control chip
This cirucit is used to control high power AC color lamp.   (View)

View full Circuit Diagram | Comments | Reading(701)

LC182 audio voltage control christmas tree color lamp control circuit

Published:2011/4/18 7:40:00 Author:Nicole | Keyword: audio, voltage control, christmas tree, color lamp

LC182 audio voltage control christmas tree color lamp control circuit
The circuit is as shown. It consists of pick up singal amplifier, LC182 light control cirucit, power drive switch circuit, multi colors LED and AC depressurization rectifier circuit.   (View)

View full Circuit Diagram | Comments | Reading(973)

Using LED as fuse indicator

Published:2011/4/18 7:34:00 Author:Nicole | Keyword: LED, fuse indicator

Using LED as fuse indicator
  (View)

View full Circuit Diagram | Comments | Reading(797)

Low power HID light(metal halide lamp) with IR2151、53、55

Published:2011/4/18 7:28:00 Author:Nicole | Keyword: metal halide lamp, HID light

Low power HID light(metal halide lamp) with IR2151、53、55
  (View)

View full Circuit Diagram | Comments | Reading(5635)

Festival color lamp control circuit using BH9201

Published:2011/4/18 7:26:00 Author:Nicole | Keyword: color lamp

Festival color lamp control circuit using BH9201
The circuit is as shown, it is composed of light control circuit, firecracker phonation circuit and AC depressurization rectifier circuit. This circuit has few components, much color lamp transformation, good sound and light effect.   (View)

View full Circuit Diagram | Comments | Reading(481)

Audio power level display circuit

Published:2011/4/18 7:14:00 Author:Nicole | Keyword: audio power, display

Audio power level display circuit
  (View)

View full Circuit Diagram | Comments | Reading(643)

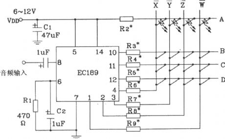
Typical application circuit of audio color lamp control integrated circuit ECl89

Published:2011/4/18 7:12:00 Author:Nicole | Keyword: audio, color lamp

Typical application circuit of audio color lamp control integrated circuit ECl89
This circuit can combine and arrange many colors LED with a method, it can reach a variety of color flashing effects such as rotation, rotation, flowing water, linear and radial cycle.   (View)

View full Circuit Diagram | Comments | Reading(537)

Intelligent charging typical circuit composed of ATC105 intelligent Ni-Cd battery charge control integrated circuit

Published:2011/4/18 4:40:00 Author:Nicole | Keyword: intelligent charging, Ni-Cd battery, charge control

Intelligent charging typical circuit composed of ATC105 intelligent Ni-Cd battery charge control integrated circuit
In this circuit, the best number of battery are 2~6. The battery testing input sampling resistance is CR1=4.3·(N-2)kΩ(N is the number of battery), if there are only two batteries, then CR1=0, it means this circuit at least needs two battery to charge in serie.   (View)

View full Circuit Diagram | Comments | Reading(647)

Panasonic split air conditioner MCU control temperature detection loop connection circuit diagram

Published:2011/4/18 1:15:00 Author:Nicole | Keyword: Panasonic, split air conditioner, MCU, temperature detection loop

Panasonic split air conditioner MCU control temperature detection loop connection circuit diagram
  (View)

View full Circuit Diagram | Comments | Reading(1578)

AC/DC general motor rotational speed and power regulation circuit

Published:2011/4/18 1:08:00 Author:Nicole | Keyword: AC motor, DC motor, rotational speed, power

AC/DC general motor rotational speed and power regulation circuit
In AC/DC general motor(commutator motor), excitation winding in series with armature winding, so in AC power supply, the field direction and armature current direction is changed synchronously, so the rotation direction is not changed. Figure (a) shows its typical characteristic curve, figure (b) shows the relationship curve between motor rotational speed and conduction angle, figure (c) is steady speed circuit. The control angle is relative to the voltage on RC link in trigger loop, this voltage is the difference between applied voltage and armature voltage, so it has the function of negative feedback stabilizes rotational speed.   (View)

View full Circuit Diagram | Comments | Reading(1024)

Relative humidity LED display and large humidity called circuit

Published:2011/4/18 2:00:00 Author:Nicole | Keyword: relative humidity, LED display

Relative humidity LED display and large humidity called circuit
The circuit is as shown. It consists of humidity sensor, LED point display circuit, language sounder circuit, audio power amplifier circuit and so on. It is used in greenhouse, special raising, seedling and other cultivation occasion, it has the function of LED display intuitively, and it will call when it goes beyond the preset humidity.   (View)

View full Circuit Diagram | Comments | Reading(861)

Upper, lower limit temperature control with acoustics report calling circuit(MAX6502/3)

Published:2011/4/18 2:16:00 Author:Nicole | Keyword: temperature control, acoustics report calling

Upper, lower limit temperature control with acoustics report calling circuit(MAX6502/3)
  (View)

View full Circuit Diagram | Comments | Reading(417)

Lide LD-1 magnetic pulse therapeutic apparatus circuit

Published:2011/4/18 9:04:00 Author:Ecco | Keyword: Lide , magnetic pulse , therapeutic apparatus

Lide LD-1 magnetic pulse therapeutic apparatus circuit
  (View)

View full Circuit Diagram | Comments | Reading(4442)

Pages:2076/2234 At 2020612062206320642065206620672068206920702071207220732074207520762077207820792080Under 20