Position: Home > Circuit Diagram > Index 535
Low Cost Custom Prototype PCB Manufacturer

Circuit Diagram

Index 535

Cadillac transmission gear circuit diagram

Published:2011/8/25 1:06:00 Author:Ecco | Keyword: Cadillac transmission gear

Cadillac transmission gear circuit diagram
  (View)

View full Circuit Diagram | Comments | Reading(704)

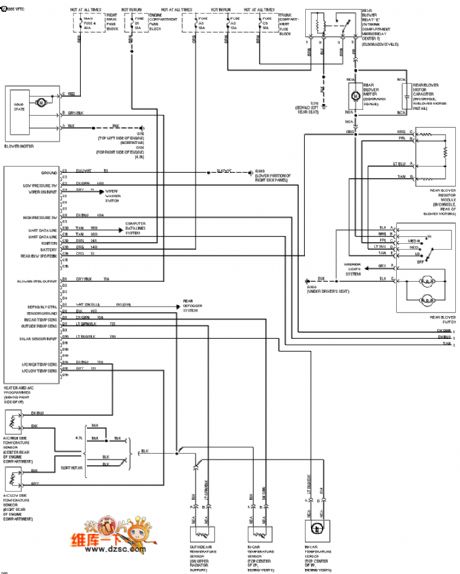
Cadillac air-conditioning circuit diagram

Published:2011/8/25 1:06:00 Author:Ecco | Keyword: Cadillac air-conditioning

Cadillac air-conditioning circuit diagram
  (View)

View full Circuit Diagram | Comments | Reading(965)

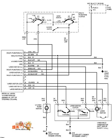
Cadillac reversing light circuit diagram

Published:2011/8/25 1:05:00 Author:Ecco | Keyword: Cadillac , reversing light

Cadillac reversing light circuit diagram
  (View)

View full Circuit Diagram | Comments | Reading(733)

CX20106A typical application circuit diagram

Published:2011/8/25 1:04:00 Author:Ecco | Keyword: typical application

CX20106A typical application circuit diagram
  (View)

View full Circuit Diagram | Comments | Reading(1618)

Micro-programmer circuit diagram

Published:2011/8/25 1:20:00 Author:Ecco | Keyword: Micro-programmer

Micro-programmer circuit diagram
  (View)

View full Circuit Diagram | Comments | Reading(2629)

CH217 logic box circuit diagram

Published:2011/8/25 1:20:00 Author:Ecco | Keyword: logic box

CH217 logic box circuit diagram
  (View)

View full Circuit Diagram | Comments | Reading(598)

HT6337A typical application circuit diagram

Published:2011/8/25 1:42:00 Author:Ecco | Keyword: typical application

HT6337A typical application circuit diagram
  (View)

View full Circuit Diagram | Comments | Reading(659)

BYD Flyer vehicle circuit diagram

Published:2011/8/25 1:19:00 Author:Ecco | Keyword: BYD Flyer vehicle

BYD Flyer vehicle circuit diagram
  (View)

View full Circuit Diagram | Comments | Reading(4417)

CDll4CP typical application circuit diagram

Published:2011/8/25 1:18:00 Author:Ecco | Keyword: typical application

CDll4CP typical application circuit diagram
  (View)

View full Circuit Diagram | Comments | Reading(562)

CDll4CP logic box circuit diagram

Published:2011/8/25 1:17:00 Author:Ecco | Keyword: logic box

CDll4CP logic box circuit diagram
  (View)

View full Circuit Diagram | Comments | Reading(593)

Nissan sunny engine control system circuit diagram

Published:2011/8/25 1:52:00 Author:Ecco | Keyword: Nissan , sunny engine , control system

Nissan sunny engine control system circuit diagram
  (View)

View full Circuit Diagram | Comments | Reading(2533)

Sensor circuit diagram basing on potentiometer

Published:2011/8/25 1:27:00 Author:Ecco | Keyword: Sensor, potentiometer

Sensor circuit diagram basing on potentiometer
  (View)

View full Circuit Diagram | Comments | Reading(1170)

HT-7706 Typical application circuit diagram

Published:2011/8/25 1:26:00 Author:Ecco | Keyword: Typical application

HT-7706 Typical application circuit diagram
  (View)

View full Circuit Diagram | Comments | Reading(652)

HT-7706 logic circuit diagram

Published:2011/8/25 1:25:00 Author:Ecco | Keyword: logic circuit

HT-7706 logic circuit diagram
  (View)

View full Circuit Diagram | Comments | Reading(694)

LA7224 logic box circuit diagram

Published:2011/8/25 1:23:00 Author:Ecco | Keyword: logic box

LA7224 logic box circuit diagram
  (View)

View full Circuit Diagram | Comments | Reading(655)

LA7224 typical application circuit diagram

Published:2011/8/25 1:43:00 Author:Ecco | Keyword: typical application

LA7224 typical application circuit diagram
  (View)

View full Circuit Diagram | Comments | Reading(843)

KA2182/KA2183 typical application circuit diagram

Published:2011/8/25 1:41:00 Author:Ecco | Keyword: typical application

KA2182/KA2183 typical application circuit diagram
  (View)

View full Circuit Diagram | Comments | Reading(635)

KA2182/KA2183 logic box circuit diagram

Published:2011/8/25 1:40:00 Author:Ecco | Keyword: logic box

KA2182/KA2183 logic box circuit diagram
  (View)

View full Circuit Diagram | Comments | Reading(608)

Transformer oscillator(single tube) circuit diagram

Published:2011/8/25 1:40:00 Author:Ecco | Keyword: Transformer oscillator, single tube

Transformer oscillator(single tube) circuit diagram
  (View)

View full Circuit Diagram | Comments | Reading(963)

STK433 Application circuit diagram

Published:2011/8/25 1:33:00 Author:Ecco | Keyword: Application

STK433 Application circuit diagram
  (View)

View full Circuit Diagram | Comments | Reading(1075)

Pages:535/2234 At 20521522523524525526527528529530531532533534535536537538539540Under 20