Position: Home > Circuit Diagram > Automotive Circuit > >Index 152
Low Cost Custom Prototype PCB Manufacturer

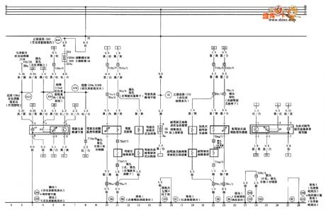
Index 152



Buick external modulation circuit diagram

Published:2011/4/5 21:58:00 Author:muriel | Keyword: Buick , external modulation

Buick external modulation circuit diagram
Figure Buick external modulation circuit diagram Welcome transshipment, the informations are come from Weiku e-market net( www.dzsc.com).   (View)

View full Circuit Diagram | Comments | Reading(637)

Buick car body internal light fill light circuit diagram

Published:2011/4/5 21:55:00 Author:muriel | Keyword: Buick , car body internal light, fill light

Buick car body internal light fill light circuit diagram
Figure Buick car body internal light fill light circuit diagram Welcome transshipment, the informations are come from Weiku e-market net( www.dzsc.com).   (View)

View full Circuit Diagram | Comments | Reading(776)

Backup light circuit diagram

Published:2011/4/5 21:51:00 Author:muriel | Keyword: Backup light

Backup light circuit diagram
Figure Backup light circuit diagram Welcome transshipment, the informations are come from Weiku e-market net( www.dzsc.com).   (View)

View full Circuit Diagram | Comments | Reading(984)

Dongfeng Citroen Picasso(2.0L) saloon car instrument computer circuit diagram

Published:2011/4/5 21:49:00 Author:muriel | Keyword: Dongfeng Citroen Picasso, 2.0L, saloon car, instrument computer

Dongfeng Citroen Picasso(2.0L) saloon car instrument computer circuit diagram
Dongfeng Citroen Picasso(2.0L) saloon car instrument computer circuit diagram as shown   (View)

View full Circuit Diagram | Comments | Reading(1174)

Dongfeng Citroen Picasso(2.0L) saloon car heating and ventilation circuit diagram

Published:2011/4/5 21:48:00 Author:muriel | Keyword: Dongfeng Citroen Picasso, 2.0L, saloon car , heating and ventilation

Dongfeng Citroen Picasso(2.0L) saloon car heating and ventilation circuit diagram
Dongfeng Citroen Picasso(2.0L) saloon car heating and ventilation circuit diagram as shown   (View)

View full Circuit Diagram | Comments | Reading(648)

Dongfeng Citroen Picasso(2.0L) saloon car air conditioning circuit diagram

Published:2011/4/5 21:47:00 Author:muriel | Keyword: Dongfeng Citroen Picasso, 2.0L, saloon car , air conditioning

Dongfeng Citroen Picasso(2.0L) saloon car air conditioning circuit diagram
Dongfeng Citroen Picasso(2.0L) saloon car air conditioning circuit diagram as shown   (View)

View full Circuit Diagram | Comments | Reading(2640)

Dongfeng Citroen Picasso(2.0L) saloon car automatic air conditioning circuit diagram

Published:2011/4/5 21:46:00 Author:muriel | Keyword: Dongfeng Citroen Picasso, 2.0L, saloon car, automatic air conditioning

Dongfeng Citroen Picasso(2.0L) saloon car automatic air conditioning circuit diagram
Dongfeng Citroen Picasso(2.0L) saloon car automatic air conditioning circuit diagram as shown   (View)

View full Circuit Diagram | Comments | Reading(1010)

Dongfeng Citroen Picasso(2.0L) saloon car vice air conditioning circuit diagram

Published:2011/4/5 21:45:00 Author:muriel | Keyword: Dongfeng Citroen Picasso, 2.0L, saloon car , vice air conditioning

Dongfeng Citroen Picasso(2.0L) saloon car vice air conditioning circuit diagram
Dongfeng Citroen Picasso(2.0L) saloon car vice air conditioning circuit diagram as shown   (View)

View full Circuit Diagram | Comments | Reading(623)

Dongfeng Citroen Picasso(2.0L) electric heater rear windshield circuit diagram

Published:2011/4/5 21:43:00 Author:muriel | Keyword: Dongfeng Citroen Picasso, 2.0L, electric heater rear windshield

Dongfeng Citroen Picasso(2.0L) electric heater rear windshield circuit diagram
Dongfeng Citroen Picasso(2.0L) electric heater rear windshield circuit diagram as shown   (View)

View full Circuit Diagram | Comments | Reading(1501)

Dongfeng Citroen Picasso(2.0L) electric heater rear windshield(automatic air-condition) circuit diagram

Published:2011/4/5 21:41:00 Author:muriel | Keyword: Dongfeng Citroen Picasso, 2.0L, electric heater rear windshield, automatic air-condition

Dongfeng Citroen Picasso(2.0L) electric heater rear windshield(automatic air-condition) circuit diagram
Dongfeng Citroen Picasso(2.0L) electric heater rear windshield(automatic air-condition) circuit diagram as shown   (View)

View full Circuit Diagram | Comments | Reading(648)

Dongfeng Citroen Picasso(2.0L) saloon car password transponder circuit diagram

Published:2011/4/5 21:34:00 Author:muriel | Keyword: Dongfeng Citroen Picasso , saloon car, password transponder , 2.0L

Dongfeng Citroen Picasso(2.0L) saloon car password transponder circuit diagram
Dongfeng Citroen Picasso(2.0L) saloon car password transponder circuit diagram as shown   (View)

View full Circuit Diagram | Comments | Reading(1016)

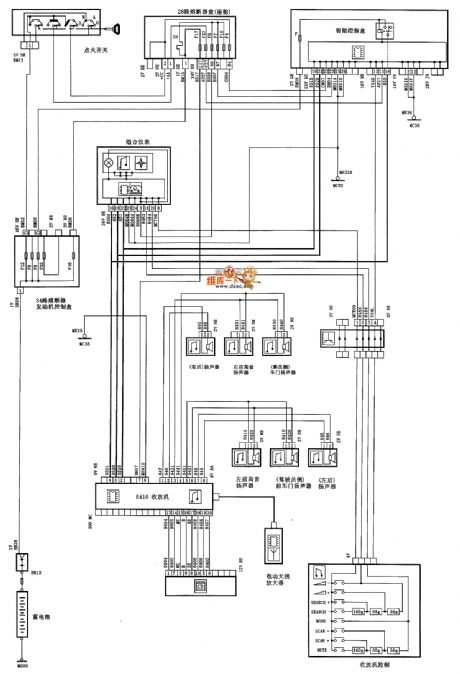
Saloon car radio and tape player and rear equipment circuit diagram

Published:2011/4/5 21:33:00 Author:muriel | Keyword: Dongfeng Citroen Picasso, 2.0L, Saloon car , radio and tape player , rear equipment

Saloon car radio and tape player and rear equipment circuit diagram
Dongfeng Citroen Picasso saloon car radio and tape player and rear equipment circuit diagram as shown   (View)

View full Circuit Diagram | Comments | Reading(860)

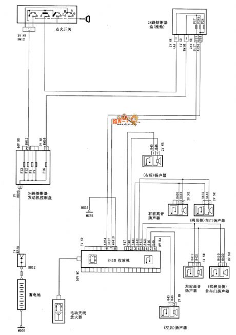
Dongfeng Citroen Picasso(2.0L) saloon car radio and tape player circuit diagram

Published:2011/4/5 21:30:00 Author:muriel | Keyword: Dongfeng Citroen Picasso, 2.0L, saloon car , radio and tape player

Dongfeng Citroen Picasso(2.0L) saloon car radio and tape player circuit diagram
Dongfeng Citroen Picasso(2.0L) saloon car radio and tape player circuit diagram as shown   (View)

View full Circuit Diagram | Comments | Reading(1045)

Audi A6 saloon car automatic transmission circuit diagram nine

Published:2011/4/5 21:28:00 Author:muriel | Keyword: Audi, saloon car , automatic transmission

Audi A6 saloon car automatic transmission circuit diagram nine
Forepart body light、front and rear section reading lamp and cosmetic mirror floodlight circuit diagram as shown Welcome transshipment, the informations are come from Weiku e-market net( www.dzsc.com).   (View)

View full Circuit Diagram | Comments | Reading(615)

Central locking、guard against theft and alarm system and internal monitoring system circuit diagram one

Published:2011/4/5 21:01:00 Author:muriel | Keyword: Central locking, guard against theft and alarm system, internal monitoring system , Audi

Central locking、guard against theft and alarm system and internal monitoring system circuit diagram one
Automatic transmission electronic control unit、magnetic valve、mandatory low-speed switch、multifunction switch circuit diagram as shown Welcome transshipment, the informations are come from Weiku e-market net( www.dzsc.com).   (View)

View full Circuit Diagram | Comments | Reading(1163)

Central locking、guard against theft and alarm system and internal monitoring system circuit diagram two

Published:2011/4/5 21:20:00 Author:muriel | Keyword: Central locking, guard against theft and alarm system, internal monitoring system , Audi

Central locking、guard against theft and alarm system and internal monitoring system circuit diagram two
Automatic transmission electronic control unit、manual shift、gear lever lock stop electromagnet and gear lever location display circuit diagram as shown Welcome transshipment, the informations are come from Weiku e-market net( www.dzsc.com).   (View)

View full Circuit Diagram | Comments | Reading(1633)

Central locking、guard against theft and alarm system and internal monitoring system circuit diagram three

Published:2011/4/5 21:24:00 Author:muriel | Keyword: Central locking, guard against theft and alarm system, internal monitoring system, Audi

Central locking、guard against theft and alarm system and internal monitoring system circuit diagram three
Reversing light and start locking relay circuit diagram as shown Welcome transshipment, the informations are come from Weiku e-market net( www.dzsc.com).   (View)

View full Circuit Diagram | Comments | Reading(750)

Audi A6 saloon car heating seat circuit diagram one

Published:2011/4/5 20:39:00 Author:muriel | Keyword: Audi , saloon car , heating seat

Audi A6 saloon car heating seat circuit diagram one
Heating front seat circuit diagram as shown: Welcome transshipment, the informations are come from Weiku e-market net( www.dzsc.com).   (View)

View full Circuit Diagram | Comments | Reading(1372)

Audi A6 saloon car air-conditioner circuit diagram one

Published:2011/4/5 20:39:00 Author:muriel | Keyword: Audi , saloon car, air-conditioner

Audi A6 saloon car air-conditioner circuit diagram one
Air-conditioner electronic control and display unit、air outlet temperature sensor、air blower control unit and fresh air air blower circuit diagram as shown: Welcome transshipment, the informations are come from Weiku e-market net( www.dzsc.com).   (View)

View full Circuit Diagram | Comments | Reading(3016)

Audi A6 saloon car heating seat circuit diagram two

Published:2011/4/5 20:38:00 Author:muriel | Keyword: Audi, saloon car , heating seat

Audi A6 saloon car heating seat circuit diagram two
heating backseat circuit diagram as shown: Welcome transshipment, the informations are come from Weiku e-market net( www.dzsc.com).   (View)

View full Circuit Diagram | Comments | Reading(654)

Pages:152/164 At 20141142143144145146147148149150151152153154155156157158159160Under 20