Position: Home > Circuit Diagram > Automotive Circuit > >Index 145
Low Cost Custom Prototype PCB Manufacturer

Index 145



VW golf Idling steady valve and ignition/starting switch circuit diagram

Published:2011/4/11 0:54:00 Author:muriel | Keyword: VW golf, Idling steady valve, ignition/starting switch

VW golf Idling steady valve and ignition/starting switch circuit diagram
VW golf Idling steady valve and ignition/starting switch circuit diagram as shown   (View)

View full Circuit Diagram | Comments | Reading(2005)

VW golf fuel gauge、coolant temperature gauge、combination instrument and fuel pump circuit diagram

Published:2011/4/10 22:07:00 Author:muriel | Keyword: VW golf , fuel gauge, coolant temperature gauge, combination instrument , fuel pump

VW golf fuel gauge、coolant temperature gauge、combination instrument and fuel pump circuit diagram
VW golf fuel gauge、coolant temperature gauge、combination instrument and fuel pump circuit diagram as shown   (View)

View full Circuit Diagram | Comments | Reading(2717)

VW golf supplementary restraint system circuit diagram

Published:2011/4/11 0:54:00 Author:muriel | Keyword: VW golf, supplementary restraint system

VW golf supplementary restraint system circuit diagram
VW golf supplementary restraint system circuit diagram as shown   (View)

View full Circuit Diagram | Comments | Reading(1392)

Storage battery、starter、X contact release relay、warning system electronic control unit circuit diagram

Published:2011/4/10 22:02:00 Author:muriel | Keyword: VM golf , Storage battery, starter, X contact release relay, warning system electronic control unit, left and right turn lamp

Storage battery、starter、X contact release relay、warning system electronic control unit circuit diagram
VM golf Storage battery、starter、X contact release relay、warning system electronic control unit、left and right turn lamp circuit diagram as shown   (View)

View full Circuit Diagram | Comments | Reading(837)

Anti-theft system electronic control unit、left car door warning lamp circuit diagram

Published:2011/4/11 0:54:00 Author:muriel | Keyword: VW golf, Anti-theft system electronic control unit, left car door warning lamp, trunk floodlight, warning system electronic control unit, stern door release motor

Anti-theft system electronic control unit、left car door warning lamp circuit diagram
VW golf Anti-theft system electronic control unit、left car door warning lamp、trunk floodlight、warning system electronic control unit、stern door release motor circuit diagram as shown   (View)

View full Circuit Diagram | Comments | Reading(1976)

Anti-theft/Invasion warning system contact switch、Anti-theft system electronic control unit circuit diagram

Published:2011/4/10 21:50:00 Author:muriel | Keyword: VW golf , Anti-theft warning/Invasion warning system contact switch, Anti-theft system electronic control unit, left front turn lamp, left rear turn lamp, right front turn lamp

Anti-theft/Invasion warning system contact switch、Anti-theft system electronic control unit circuit diagram
VW golf Anti-theft warning/Invasion warning system contact switch、Anti-theft system electronic control unit、left front turn lamp、left rear turn lamp、right front turn lamp circuit diagram as shown   (View)

View full Circuit Diagram | Comments | Reading(770)

Right front car window regulating switch、stern door release switch、window regulating motor circuit diagram

Published:2011/4/10 21:45:00 Author:muriel | Keyword: VW golf, Right front car window regulating switch, stern door release switch, window regulating motor, front seat passenger side window regulating motor

Right front car window regulating switch、stern door release switch、window regulating motor circuit diagram
VW golf Right front car window regulating switch、stern door release switch、window regulating motor、front seat passenger side window regulating motor circuit diagram as shown   (View)

View full Circuit Diagram | Comments | Reading(1204)

Storage battery、starter、X contact release relay、generator and Ignition/starting switch circuit diagram

Published:2011/4/10 21:36:00 Author:muriel | Keyword: VW golf, Storage battery, starter, X contact release relay, generator , Ignition/starting switch

Storage battery、starter、X contact release relay、generator and Ignition/starting switch circuit diagram
VW golf Storage battery、starter、X contact release relay、generator and Ignition/starting switch circuit diagram as shown   (View)

View full Circuit Diagram | Comments | Reading(700)

Air condition electronic control unit、fresh/circulating air damper air blower circuit diagram

Published:2011/4/10 21:26:00 Author:muriel | Keyword: VW golf, Air condition electronic control unit, fresh air blower, fresh/circulating air damper air blower, fresh air/circulating air damper

Air condition electronic control unit、fresh/circulating air damper air blower circuit diagram
VW golf Air condition electronic control unit、fresh air blower、fresh/circulating air damper air blower、fresh air/circulating air damper circuit diagram as shown   (View)

View full Circuit Diagram | Comments | Reading(1803)

Air condition system relay、abscission electrical equipment、electromagnetic clutch circuit diagram

Published:2011/4/10 21:21:00 Author:muriel | Keyword: VW golf, Air condition system relay, air condition system abscission electrical equipment, air condition electromagnetic clutch

Air condition system relay、abscission electrical equipment、electromagnetic clutch circuit diagram
VW golf Air condition system relay、air condition system abscission electrical equipment、air condition electromagnetic clutch circuit diagram as shown   (View)

View full Circuit Diagram | Comments | Reading(2043)

VW golf Cooling fan 2 gear speed relay、cooling fan series resistance、cooling fan circuit diagram

Published:2011/4/10 21:11:00 Author:muriel | Keyword: VW golf , Cooling fan 2 gear speed relay, cooling fan series resistance, cooling fan

VW golf Cooling fan 2 gear speed relay、cooling fan series resistance、cooling fan circuit diagram
VW golf Cooling fan 2 gear speed relay、cooling fan series resistance、cooling fan circuit diagram as shown   (View)

View full Circuit Diagram | Comments | Reading(2537)

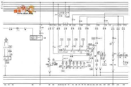
Santana AFE type engine M.1.5.4 type electronic control system circuit diagram

Published:2011/4/11 0:40:00 Author:muriel | Keyword: Santana , AFE type engine, M.1.5.4 type electronic control system

Santana AFE type engine M.1.5.4 type electronic control system circuit diagram
Santana AFE type engine M.1.5.4 type electronic control system circuit diagram as shown   (View)

View full Circuit Diagram | Comments | Reading(607)

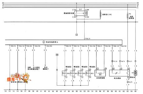
Santana AFE type engine M.1.5.4 type electronic control system circuit diagram (one)

Published:2011/4/11 0:39:00 Author:muriel | Keyword: Santana , AFE type engine, M.1.5.4 type electronic control system

Santana AFE type engine M.1.5.4 type electronic control system circuit diagram (one)
Santana AFE type engine M.1.5.4 type electronic control system circuit diagram (one) as shown   (View)

View full Circuit Diagram | Comments | Reading(709)

Santana full Vehicle circuit diagram

Published:2011/4/10 22:31:00 Author:muriel | Keyword: Santana, full Vehicle

Santana full Vehicle circuit diagram
Santana full Vehicle circuit diagram as shown   (View)

View full Circuit Diagram | Comments | Reading(493)

Santana full vehicle circuit diagram (one)

Published:2011/4/11 0:48:00 Author:muriel | Keyword: Santana, full vehicle

Santana full vehicle circuit diagram (one)
Santana full vehicle circuit diagram (one) as shown   (View)

View full Circuit Diagram | Comments | Reading(561)

Santana full vehicle circuit diagram(two)

Published:2011/4/11 0:49:00 Author:muriel | Keyword: Santana , full vehicle

Santana full vehicle circuit diagram(two)
Santana full vehicle circuit diagram(two) as shown   (View)

View full Circuit Diagram | Comments | Reading(703)

Santana full vehicle circuit diagram(three)

Published:2011/4/11 0:50:00 Author:muriel | Keyword: Santana , full vehicle

Santana full vehicle circuit diagram(three)
Santana full vehicle circuit diagram(three) as shown   (View)

View full Circuit Diagram | Comments | Reading(536)

Santana full vehicle circuit diagram(ten)

Published:2011/4/10 22:39:00 Author:muriel | Keyword: Santana , full vehicle

Santana full vehicle circuit diagram(ten)
Santana full vehicle circuit diagram(ten) as shown   (View)

View full Circuit Diagram | Comments | Reading(520)

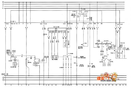
Storage battery、generator、starter、ignition Switch and automatic transmission

Published:2011/4/10 22:42:00 Author:muriel | Keyword: Storage battery, generator, starter, ignition Switch , automatic transmission

Storage battery、generator、starter、ignition Switch and automatic transmission
Figure Storage battery、generator、starter、ignition Switch and automatic transmission   (View)

View full Circuit Diagram | Comments | Reading(1630)

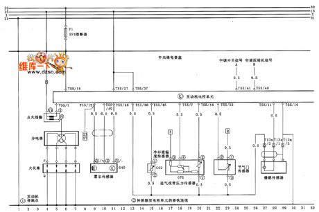
Automatic transmission electronic control unit、solenoid valve、transmission speed and vehicle speed sensor circuit diagram

Published:2011/4/10 21:03:00 Author:muriel | Keyword: FAW bora, 1.8L, Automatic transmission electronic control unit, solenoid valve, transmission speed sensor, vehicle speed sensor

Automatic transmission electronic control unit、solenoid valve、transmission speed and vehicle speed sensor circuit diagram
FAW bora(1.8L) Automatic transmission electronic control unit、solenoid valve、transmission speed and vehicle speed sensor circuit diagram as shown   (View)

View full Circuit Diagram | Comments | Reading(1455)

Pages:145/164 At 20141142143144145146147148149150151152153154155156157158159160Under 20