Low Cost Custom Prototype PCB Manufacturer

Analog Circuit

Index 23



Voltage-division bias amplifier circuit of transistor circuit

Published:2011/3/31 4:17:00 Author:Joan | Keyword: Voltage-division bias amplifier

Voltage-division bias amplifier circuit of transistor circuit
Below is Transistor used as voltage-division, bias device and amplifier circuit.   (View)

View full Circuit Diagram | Comments | Reading(1227)

Power modulator circuit composed of CW7900

Published:2011/3/24 22:05:00 Author:Joan | Keyword: Power modulator

Power modulator circuit composed of CW7900
  (View)

View full Circuit Diagram | Comments | Reading(527)

Measuring Amplifier input stage issue circuit

Published:2011/3/31 0:56:00 Author:Joan | Keyword: Amplifier input stage

Measuring Amplifier input stage issue circuit
Below is Measuring issue of Amplifier input stage circuit.   (View)

View full Circuit Diagram | Comments | Reading(596)

800W two-way dimmer control circuit

Published:2011/3/21 1:49:00 Author:Joan | Keyword: dimmer control

800W two-way dimmer control circuit
800W dimmer circuit: The below figure is a typical dimmer circuit. Circuit principle: the main circuit is a triac SCR. It controls SCR conduction angle to change the current through RL, so as to achieve dimming purpose. The trigger circuit is a single junction transistor phase-shift trigger. QL bridge rectifier provides synchronization power for the trigger circuit. the R1 reduced voltage, DW regulator provided synchronous voltage for the single-junction transistor, W and C1 form phase shift circuit. When the synchronous power charges C1 to unijunction transistor V1 peak voltage, V1 turns on, C1 discharged current generates pulses in the T1 secondary, which triggers SCR turn on. Adjusted W can change the SCR conduction angle. Pulse transformer winding: Wire around ferrite core 60 ~ 80T each with a diameter of 0.2mm magnet in the primary and secondary.   (View)

View full Circuit Diagram | Comments | Reading(955)

Increasing the input impedance Amplifier With FET Circuit Diagram

Published:2011/3/21 0:45:00 Author:Joan | Keyword: Amplifier, input impedance, FET

Increasing the input impedance Amplifier With FET Circuit Diagram
  (View)

View full Circuit Diagram | Comments | Reading(727)

Integrated Amplifier F007 Basic Application Circuit Diagram

Published:2011/3/23 20:21:00 Author:Joan | Keyword: Integrated Amplifier, Basic Application

Integrated Amplifier F007 Basic Application Circuit Diagram
  (View)

View full Circuit Diagram | Comments | Reading(565)

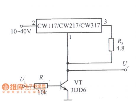
Constant current source circuit with adjustable output current

Published:2011/3/25 0:38:00 Author:Joan | Keyword: Constant current source , adjustable output current , three-terminal fixed output , integrated voltage regulator

Constant current source circuit with adjustable output current
Above is Constant current source circuit with adjustable output current consisted of three-terminal fixed output integrated voltage regulator.   (View)

View full Circuit Diagram | Comments | Reading(801)

High-gain amplifier composed of CW117 circuit

Published:2011/3/28 2:23:00 Author:Joan | Keyword: High-gain amplifier

High-gain amplifier composed of CW117 circuit
  (View)

View full Circuit Diagram | Comments | Reading(539)

AC peak clipping composed of CW117 circuit

Published:2011/3/28 2:20:00 Author:Joan | Keyword: AC peak clipping

AC peak clipping composed of CW117 circuit
  (View)

View full Circuit Diagram | Comments | Reading(567)

Constant current source circuit constituted of CW7900

Published:2011/3/24 22:19:00 Author:Joan | Keyword: Constant current source

Constant current source circuit constituted of CW7900
  (View)

View full Circuit Diagram | Comments | Reading(537)

Constant current source circuit consisted of three-terminal fixed output integrated voltage regulator

Published:2011/3/24 2:44:00 Author:Joan | Keyword: Constant current source , three-terminal fixed output , integrated voltage regulator

Constant current source circuit consisted of three-terminal fixed output integrated voltage regulator
  (View)

View full Circuit Diagram | Comments | Reading(697)

Common base amplifier dynamic analysis circuit

Published:2011/3/23 4:50:00 Author:Joan | Keyword: Common base , amplifier , dynamic analysis

Common base amplifier dynamic analysis circuit
Below is Common base amplifier dynamic analysis circuit. AC small signal equivalent circuit. Au is comparatively large;ri is comparatively small;Ro is comparatively large.   (View)

View full Circuit Diagram | Comments | Reading(712)

Common base amplifier static analysis circuit diagram

Published:2011/3/23 4:52:00 Author:Joan | Keyword: Common base , amplifier , static analysis

Common base amplifier static analysis circuit diagram
Below is Common base amplifier static analysis circuit diagram.   (View)

View full Circuit Diagram | Comments | Reading(718)

Common base amplifier circuit diagram

Published:2011/3/23 4:54:00 Author:Joan | Keyword: Common base , amplifier

Common base amplifier circuit diagram
Below is Common base amplifier circuit diagram.   (View)

View full Circuit Diagram | Comments | Reading(1156)

Push-Pull Power Amplifier with bias Circuit Diagram

Published:2011/3/23 1:28:00 Author:Joan | Keyword: Push-Pull Power Amplifier, Power Amplifier

Push-Pull Power Amplifier with bias Circuit Diagram
  (View)

View full Circuit Diagram | Comments | Reading(874)

Extended Bandwidth Amplifier Circuit Diagram

Published:2011/3/21 1:45:00 Author:Joan | Keyword: Extended Bandwidth Amplifier

Extended Bandwidth Amplifier Circuit Diagram
  (View)

View full Circuit Diagram | Comments | Reading(595)

Bipolar Output Current Expansion Circuit Diagram

Published:2011/3/21 1:44:00 Author:Joan | Keyword: Current Expansion, Bipolar Output

Bipolar Output Current Expansion Circuit Diagram
  (View)

View full Circuit Diagram | Comments | Reading(679)

Two Ways to Extend Output Amplitude Circuit Diagram

Published:2011/3/21 1:44:00 Author:Joan | Keyword: Extend Output Amplitude

Two Ways to Extend Output Amplitude Circuit Diagram
  (View)

View full Circuit Diagram | Comments | Reading(585)

OTL Circuit Diagram with Input Transformer

Published:2011/3/21 1:43:00 Author:Joan | Keyword: OTL, Input Transformer

OTL Circuit Diagram with Input Transformer
  (View)

View full Circuit Diagram | Comments | Reading(960)

Push-Pull Power Amplifier Circuit Diagram

Published:2011/3/21 1:42:00 Author:Joan | Keyword: Push-Pull Power Amplifier

Push-Pull Power Amplifier Circuit Diagram
  (View)

View full Circuit Diagram | Comments | Reading(774)

Pages:23/24 At 2021222324