Published:2011/6/19 9:37:00 Author:TaoXi | Keyword: High efficiency circuit, white LED


TOREX Semiconductor Co., Ltd.
Summary: The TOREX Semiconductor Co., Ltd. uses the general step-up DC/DC chip XC9103 series and XC6367 series to form the high efficiency LED driving circuit.
Features:
This device uses the high efficiency series circuit
This device can change the number of the driving LED in the little change condition
This device uses only one resistance to control the current of the LED
This device has the function of low power consumption standby
The driving current is not influenced by the positive voltage fluctuation of the LED
This device uses the boost DC/DC converter chip to output the constant current to drive the LED. The value of the LED driving current is equal to the result of the FB terminal voltage divided by and the resistance value which is connected with it. You can change the current which is got through the LED by changing the resistance value. The output voltage of the DC/DC converter is the summation of the LED positive voltage and the FB terminal voltage.
The circuit features:
The basic circuit:
(View)
View full Circuit Diagram | Comments | Reading(613)
Published:2011/6/22 8:40:00 Author:Christina | Keyword: single chip, playback, integrated circuit
The BA3513FS is designed as one kind of single chip playback integrated circuit that is produced by the Toyo company, and it can be used in the Sanyo, Aiwa, Toshiba and domestic walkmans.
The BA3513FS uses the 24-pin flat dual-row package, the pin functions and dataare as shown in table 1.
Table 1 The pin functions and data of the BA3513FS
(View)
View full Circuit Diagram | Comments | Reading(484)
Published:2011/6/25 2:02:00 Author:qqtang | Keyword: low-voltage, analog temperature sensor
The low-voltage and analog temperature sensor circuit is shown in the figure.
(View)
View full Circuit Diagram | Comments | Reading(580)
Published:2011/6/22 8:30:00 Author:Christina
The structure circuit of the sulfonic acid lithium humidity sensitive components is as shown in the figure. The production process: you can dip the sulfonic acid lithium on the insulating substrate to form the humidity sensing substrate, then you can make the interdigital-type carbon electrode at both sides of the humidity sensing substrate, the carbon electrode is led out by the gold-plated wiring unit. Because the humidity sensing substrate can adsorb or release the water molecules to change the resistance value, so we can the relative humidity value by detecting the resistance value between the electrodes.
Figure: The structure circuit of the sulfonic acid lithium humidity sensitive components (View)
View full Circuit Diagram | Comments | Reading(520)
Published:2011/6/22 8:40:00 Author:Christina | Keyword: recording, playback, processing, integrated circuit
The BA3312N is designed as one kind of recording and playback processing integrated circuit that is produced by the Toyo company, it can be used in the circuits of walkmans and repeaters such as the Aiwa and the Sony series walkman.
1.Features
The BA3312N is composed of the recording and playback preamplifier circuit, the ALC signal control circuit, the voltage stabilization power supply circuit and other auxiliary circuit.
2.Pin functions and data
The BA3312N uses the 10-pin package, the pin functions and data are as shown in table 1.
Table 1 The pin functions and data of the BA3312N
(View)
View full Circuit Diagram | Comments | Reading(1546)
Published:2011/6/22 8:51:00 Author:Christina | Keyword: fan, single chip, microcomputer, integrated circuit


The BA3107 is designed as one kind of fan single chip microcomputer integrated circuit which is produced by the Toyo company, and it can be used in all kinds of fan control program circuits. The BA3107 uses the 22-pin dual-row DIP package, the typical application circuit is as shown in figure 1, the pin functions and data are as shown in table 1.
Figure 1 The typical application circuit of the BA3107
Table 1 The pin functions and data of the BA3107
(View)
View full Circuit Diagram | Comments | Reading(863)
Published:2011/6/25 4:57:00 Author:qqtang | Keyword: Mitsubishi, auto escalator
The Mitsubishi auto escalator secure loop circuit is shown in the figure.
(View)
View full Circuit Diagram | Comments | Reading(1433)
Published:2011/6/23 6:35:00 Author:Christina | Keyword: fan, single chip, microcomputer, integrated circuit


The BA3105 is designed as one kind of fan single chip microcomputer integrated circuit which is produced by the Toyo company, and it can be used in all kinds of fan control program circuits. The BA3105 uses the 18-pin dual-row DIP package, the typical application circuit is as shown infigure 1, the pin functions and data are as shown intable1.
Table 1 The pin functions and data of the BA3105
Figure 1 The typical application circuit of the BA3105
(View)
View full Circuit Diagram | Comments | Reading(653)
Published:2011/6/23 6:37:00 Author:Christina | Keyword: fan, single chip, microcomputer, integrated circuit


The BA3102 is designed as one kind of fan single chip microcomputer integrated circuit which is produced by the Toyo company, and it can be used in all kinds of fan control program circuits. The BA3102 uses the 18-pin dual-row DIP package, the typical application circuit is as shown in figure 1, the pin functions and data are as shown in table 1.
Table 1 The pin functions and data of the BA3102
Figure 1 The typical application circuit of the BA3102
(View)
View full Circuit Diagram | Comments | Reading(626)
Published:2011/6/25 20:04:00 Author:qqtang | Keyword: typical, application circuit
Figure: The μPC1473H/HA typical application circuit (View)
View full Circuit Diagram | Comments | Reading(790)
Published:2011/6/19 8:00:00 Author:TaoXi | Keyword: HP, 6L, laser printer, power supply
HP 6L laser printer power supply circuit (View)
View full Circuit Diagram | Comments | Reading(9969)
Published:2011/6/16 6:50:00 Author:TaoXi | Keyword: ZhongHua, saloon car, air conditioning, system
The ZhongHua saloon car air conditioning system circuit (1) (View)
View full Circuit Diagram | Comments | Reading(558)
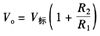
Published:2011/6/23 8:56:00 Author:Christina | Keyword: Output voltage, improving


If the output voltage of the three-port fixed voltage stabilizer is lower than the needed voltage, we can use the boost circuit to improve the output voltage.The output voltage improving circuit is as shown in the figure. The R1 is connected between common ports of the output port and the voltage stabilizer, R2 is connected between common ports of the voltage stabilizer and the power supply. At this time the current of R1 is V(I1), this current gets into the R2 together with the static working current of the stabilizer. Because the static current of the stabilizer is so small (only a few mA), so when the resistance values of R1 and R2 are small, the output voltage of the circuit can be calculated from this formula:
(View)
View full Circuit Diagram | Comments | Reading(518)
Published:2011/6/16 6:51:00 Author:TaoXi | Keyword: ZhongHua, saloon car, ABS
The ZhongHua saloon car ABS circuit (3) (View)
View full Circuit Diagram | Comments | Reading(468)
Published:2011/6/23 8:43:00 Author:Christina | Keyword: single chip, game console, integrated circuits


The AY-3-8500 and AY-3-8500-1 are designed as the single chip game console integrated circuits that can be used in the toy game circuit.
1.Features
The AY-3-8500 and AY-3-8500-1 integrated circuits are composed of the image signal generating circuit, the audio signal generating circuit, the image storage circuit, the random storage circuit, the counter, the logic control circuit, the clock oscillating circuit, the synchronous signal processing circuit and other functional circuit.
2.Pin functions and data
The AY-3-8500 and AY-3-8500-1 integrated circuits have the same functions, only a few pins have different functions, both of the AY-3-8500 and AY-3-8500-1 use the 28-pin dual-row DIP plastic encapsulation structure, the pin functions and data of the AY-3-8500 is as shown in table 1, the pin functions and data of the AY-3-8500-1 is as shown in table 2
Table 1 The pin functions and data of the AY-3-8500
Table 2 The pin functions and data of the AY-3-8500-1
(View)
View full Circuit Diagram | Comments | Reading(843)
Published:2011/6/22 9:07:00 Author:Christina | Keyword: fan, single chip, microcomputer, integrated circuit



The BA3106 is designed as one kind of fan single chip microcomputer integrated circuit which is produced by the Toyo company, and it can be used in all kinds of fan control program circuits. The BA3106 uses the 22-pin dual-row DIP package, the typical application circuit is as shown in figure 1, the pin functions and data are as shown in table 1.
Figure 1 The typical application circuit of the BA3106
Table 1 The pin functions and data of the BA3106
(View)
View full Circuit Diagram | Comments | Reading(656)
Published:2011/6/14 1:46:00 Author:Christina | Keyword: motor driving, integrated circuit



The BA6430S is designed as one kind of motor driving integrated circuit that is produced by the Toyo electric tool company, and this device can be used in the DVD players and DVs such as the Panasonic NV一M800 DV.
1.Features
The BA6430S has the torque control circuit, the position signal processing circuit, the differential amplifier circuit, the universal control circuit, the motor driver circuit and other subsidiary circuits. The internal circuit block diagram is as shown in figure 1.
2.Pin functions and data
The BA6430S uses the 24-pin dual-row DIP package, the pin functions and data is as shown in table 1.
Figure 1 The internal circuit block diagram and the typical application circuit of the BA6430S
Table 1 The pin functions and data of the BA6430S
3.The typical application circuit
The typical application circuit of the BA6430S is as shown in figure 1
Tip: The input torque control voltage (2.5V) of the BA6430S's pin-16 is the key point of this IC. (View)
View full Circuit Diagram | Comments | Reading(1597)
Published:2011/6/14 1:35:00 Author:Christina | Keyword: application circuit
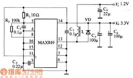
The MAX849 application circuit is as shown in the figure. This application circuit has the fixed output voltage of 3.3V, and the output current is 200mA.
MAX849 application circuit (View)
View full Circuit Diagram | Comments | Reading(608)
Published:2011/6/14 2:21:00 Author:Christina | Keyword: application circuit
The MAX761 typical application circuit is as shown in the figure. The output voltage Vo of this circuit depends on the connection method of pin-3, if pin-3 is connected with the ground, you need to choose the internal feedback control of the IC, the output voltage is 12V; when the pin-3 is connected with R1 and R2, you need to choose the outside feedback control, at this time the output voltage is decided by the formula: Vo=1.5(R1+R2)/R2.
By adjusting the resistance value of R1 and R2, you can get different output voltage.
MAX761 application circuit
(View)
View full Circuit Diagram | Comments | Reading(640)
Published:2011/6/24 3:58:00 Author:Seven | Keyword: frequency ratio, ultra-sonic wave
The frequency ratio feature circuit of the ultra-sonic wave sensor is shown as above.
(View)
View full Circuit Diagram | Comments | Reading(481)
| Pages:397/471 At 20381382383384385386387388389390391392393394395396397398399400Under 20 |