Published:2011/5/6 3:33:00 Author:Ecco | Keyword: typical application circuit , IC
The typical application circuit
The typical application circuit of LC7480 IC using in Changhong NC-3 series of picture in picture large screen color TV is shown as the chart. Tip: LC7480 IC is used for the sub-storage compression of Y, (R-Y), (B-Y) into serial Y (R-Y), (B-Y) screen digital signal.
The typical application circuit diagram of LC7480 IC is shown as the chart. (View)
View full Circuit Diagram | Comments | Reading(940)
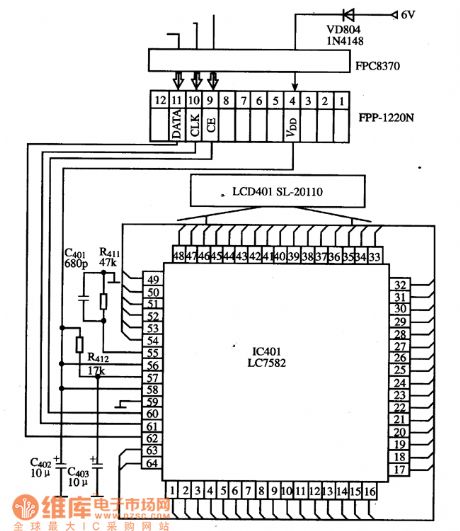
Published:2011/5/6 3:39:00 Author:Ecco | Keyword: typical application circuit , IC
The typical application circuit
The display driver typical application circuit composed of LC7582 IC and SL一20110 display is shown as the chart.
The typical application circuit diagram of LC7582 IC is shown as the chart. (View)
View full Circuit Diagram | Comments | Reading(3481)
Published:2011/5/6 2:19:00 Author:Ecco | Keyword: capacitive, humidity , sensor, application circuit
MC-2 capacitive humidity sensor application circuit
(View)
View full Circuit Diagram | Comments | Reading(1750)
Published:2011/5/6 1:56:00 Author:Ecco | Keyword: Simple , application circuit, impedance , humidity , sensor
Simple application circuit of the impedance humidity sensor
(View)
View full Circuit Diagram | Comments | Reading(768)
Published:2011/5/6 3:24:00 Author:Ecco | Keyword: typical application circuit , IC
The power adjusting typical application circuit diagram composed of LC906 IC is shown as the chart.
The typical application circuit diagram of LC906 IC is shown as the chart. (View)
View full Circuit Diagram | Comments | Reading(603)
Published:2011/5/9 2:07:00 Author: | Keyword: Direct reading type, hygrometer
Illustration is direct reading type hygrometer circuit, including RH for chlorinated hammer humidity sensitive resistor. The power supply's humidity measurement bridge is made up by VT1, VT2 and T1 etc and the power supply's oscillation frequency is 250-1000Hz.Bridge output signal through the transformer T2, C3 coupled to the VT3, and the signal amplified by VT3 enters microammeter after bridge rectifiering by VD1-VD4, indicates the relative humidity changeslead to the current changes. By calibrating and Characterizing the humidity on the microampere dial ,it's to be a simple and practical a direct reading hygrometer.
var translatedXML = null;
(View)
View full Circuit Diagram | Comments | Reading(613)
Published:2011/5/6 2:28:00 Author:Ecco | Keyword: Five uses, tri-state, audio , logic pen, 555
Five uses tri-state audio logic pen (CD4066, 555) circuit diagram is shown as the chart. The circuit is mainly composed of the multivibrator, the four-way switch CD4066 (IC1) and the gate circuit composed of some RC components. Multivibrator is composed of the 555 (IC2) and R7, R8, R9, C1, and its frequency is controlled by IC1-3 on-off state.
(View)
View full Circuit Diagram | Comments | Reading(2385)
Published:2011/5/6 2:34:00 Author:Ecco | Keyword: Simple, second-line , logic state , discriminator , 556


The relationship between LED light with the logic state (View)
View full Circuit Diagram | Comments | Reading(628)
Published:2011/5/7 11:30:00 Author:John | Keyword: photodiode, Isolation amplifier circuit
Photodiode isolation amplifier circuit makes the use of photodiode in order to provide reliable isolation between signal channel and power channel. IS0212P is a transformer coupled isolation amplifier circuit in small size and low cost. The inside chip uses two small but high-efficiency toroidal transformers, providing reliable isolation between signal channel and power channel. The firgue above shows the typical application in Photodetector. Photodiode BPW21 is parallelly set in two input ends of the OPAl28 (N1), causing the composition of I / U resistor gain. It adopts the amplifier feedback resistor. The selected op-amp with high impedance and low bias current aims to reduce the influence on photoelectric detection accuracy of the amplifier bias current. Amplifier OPA128 is powered by the ± V isolated power inside of the isolation amplifier ISO212P. Voltage signal of 1 / U is transformed by l00kΩ resistor into the inverting end of the input amplifier inside of IS0212P. Since the feedback resistor is R3 is also due to 100kΩ, the gain is -l. (View)
View full Circuit Diagram | Comments | Reading(2275)
Published:2011/5/6 9:02:00 Author:Nicole | Keyword: field scanning, output
KA2142 is a field scanning output integrated circuit which is produced by South Korea's Samsung, it is widely used in LG series of color displays.
1, functions and features
KA2142 integrated circuit contains field excitation circuit, field output circuit, bootstrap boost and field blanking signal generation circuit, field reference voltage circuit and some other assistant function circuits.
2, pin function and data
KA2142 integrated circuit adopts 10-foot single in-line package, it is used in LG CB56lBN computer color display, the pin function and data of this integrated circuit is shown in the table 1-1.
(View)
View full Circuit Diagram | Comments | Reading(1087)
Published:2011/5/8 21:00:00 Author:Christina | Keyword: television system, closing
The television system closing circuit is as shown:
(View)
View full Circuit Diagram | Comments | Reading(456)
Published:2011/5/8 4:08:00 Author:TaoXi | Keyword: LED, small phone, principle
The LED small phone principle circuit is as shown:
(View)
View full Circuit Diagram | Comments | Reading(486)
Published:2011/5/6 1:50:00 Author:TaoXi | Keyword: Single-phase meter, power meter wiring circuit, three-phase electrical appliance
The Single-phase meter as the power meter wiring circuit of three-phase electrical appliance is as shown:
(View)
View full Circuit Diagram | Comments | Reading(1678)
Published:2011/5/6 1:45:00 Author:TaoXi | Keyword: AC ammeter, wiring method
The AC ammeter wiring method circuit is as shown:
(View)
View full Circuit Diagram | Comments | Reading(1251)
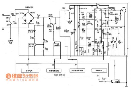
Published:2011/5/6 4:32:00 Author:Ecco | Keyword: calling, integrated circuit


TEA1061 series of calling integrated circuits are widely used in telephone circuits such as cordless phones and corded phones. 1. Pin functions and dataTEA1061 integrated circuit is packaged with 18-pin in dual lines, the pin functions and data are listed in Table 1. Table 1 shows TEA1061 integrated circuit pin functions and data 2. The typical application circuit The typical application circuit composed of TEAl061 integrated circuit is shown in Figure 1. Figure 1 shows the typical application circuit of TEA1061 integrated circuit.
(View)
View full Circuit Diagram | Comments | Reading(2445)
Published:2011/5/6 1:15:00 Author:Ecco | Keyword: Four-terminal , voltage regulator , integrated circuit


PQ05RD11 is a 5V four-terminal controllable regulator integrated circuit, which is widely used in DVD players, color TVs, computer monitors, printers, fax machines and all kinds of controlled power supply circuits in household electrical power. 1. Features of functionPQ05RD11 contains 5V voltage regulator integrated circuit, voltage regulator circuit being ON / OFF control circuit and other ancillary functions circuit. 2. Pin functions and data PQ05RD11 IC uses the package with 4-pin in a single row, the pin functions and data are listed in Table. PQ05RD11 IC pin functions and data 3. The typical application circuit The power typical application circuit composed of PQ05RD11 integrated circuit shown as the chart is the PQ series of integrated voltage regulator typical application circuit. The typical application integrated circuit of PQ series
(View)
View full Circuit Diagram | Comments | Reading(2396)
Published:2011/5/8 20:45:00 Author:Christina | Keyword: Transistor, internal circuit
The Transistor PE110F80 internal circuit:
(View)
View full Circuit Diagram | Comments | Reading(374)
Published:2011/5/8 20:55:00 Author:Christina | Keyword: fluorescent, electronic rectifier
IR2156 provides the cost-effective solution for the fluorescent rectifier, and this device integrates the warm, light and rectifier continuous operation's programmable operating frequency with the lamp fault protection.
(View)
View full Circuit Diagram | Comments | Reading(1016)
Published:2011/5/8 20:43:00 Author:Christina | Keyword: Transistor, internal circuit
The Transistor PE130F120 internal circuit is as shown:
(View)
View full Circuit Diagram | Comments | Reading(386)
Published:2011/5/8 20:42:00 Author:Christina | Keyword: Transistor, internal circuit
The Transistor PK130F160 internal circuit is as shown:
(View)
View full Circuit Diagram | Comments | Reading(360)
| Pages:425/471 At 20421422423424425426427428429430431432433434435436437438439440Under 20 |