Published:2011/5/3 3:24:00 Author:Ecco | Keyword: timing responder


The circuit is shown as the circuit, the timing responder circuit is composed of the following parts: (1) clock pulse oscillation circuit. IC3 and its peripheral components form oscillator, period T = 1s. (2)display, light-emitting circuit (3) answer brake circuit (4) the end of the brake circuit when walking (5) resetting start (6) second frequency LED circuit:
(View)
View full Circuit Diagram | Comments | Reading(802)
Published:2011/5/3 3:31:00 Author:Ecco | Keyword: BSR (G) series , unit, digital display , outline
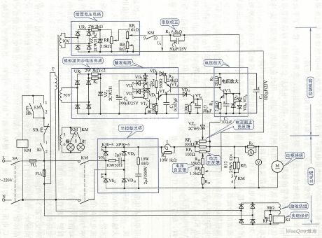
BSR (G) series of unit digital display outline and circuit diagram is shown as the chart. The main parameters are in Table.
BSR (G) series of unit digital display outline and circuit diagram is shown as the chart. (View)
View full Circuit Diagram | Comments | Reading(738)
Published:2011/5/3 3:41:00 Author:Ecco | Keyword: ringing, integrated circuit


TA31002 is ringing integrated circuit produced by Toshiba, it is widely used in the communications equipment.
1. pin functions and data TA31002 IC uses 8-pin dual in-live-style package, the pin functions and data are listed in Table 1. Table 1 lists TA31002 IC pin functions and data.
2. A typical application circuit The typical bell application circuitcomposed of TA31002 integrated circuit is shown in Figure 1. Figure 1 shows typical application circuit of TA31002 integrated circuit.
(View)
View full Circuit Diagram | Comments | Reading(1737)
Published:2011/3/17 23:10:00 Author: | Keyword: square wave generator
In the circuit parameter R1, R2 and R3 can adjust according to concrete condition, and osillator frequency decided to
(View)
View full Circuit Diagram | Comments | Reading(0)
Published:2011/5/3 3:05:00 Author:Rebekka | Keyword: Light load, energy-saving process
Light load energy-saving process circuit diagram. (View)
View full Circuit Diagram | Comments | Reading(925)
Published:2011/5/3 3:04:00 Author:Ecco | Keyword: internal circuit , typical application
The working principle is shown in Fig. It shows the internal circuit diagram and typical application circuit of EC189 4 × 4 dot matrix sound and light control circuit. It is mainly composed of the amplification circuit / rectifier, voltage-controlled oscillator (VC0), counter / decoder, drive and power supply voltage regulator and other components.
(View)
View full Circuit Diagram | Comments | Reading(787)
Published:2011/5/3 3:04:00 Author:Rebekka | Keyword: Negative sequence, voltage-phase protection
Negative sequence voltage-phase protection circuit diagram. (View)
View full Circuit Diagram | Comments | Reading(1414)
Published:2011/5/3 3:03:00 Author:Rebekka | Keyword: zero-phase protection, Line current
Line current zero-phase protection circuit diagram. (View)
View full Circuit Diagram | Comments | Reading(1137)
Published:2011/5/3 2:51:00 Author:Rebekka | Keyword: Low power DC, speed governing
Low power DC speed governing circuit diagram. (View)
View full Circuit Diagram | Comments | Reading(577)
Published:2011/5/3 2:41:00 Author:Felicity | Keyword: Internal Circuit


NTJD4105C、NTJD4401C Internal Circuit is showed in the piture above. (View)
View full Circuit Diagram | Comments | Reading(666)
Published:2011/5/3 2:33:00 Author:Rebekka | Keyword: Power bridge, temperature protection relay
Power bridge temperature protection relay circuit diagram. (View)
View full Circuit Diagram | Comments | Reading(917)
Published:2011/5/3 2:23:00 Author:Ecco | Keyword: Fluorescence, digital tube , structure , indicating
Fluorescence digital tube structure indicating circuit diagram is shown as the chart.
(View)
View full Circuit Diagram | Comments | Reading(503)
Published:2011/5/3 2:10:00 Author:Felicity | Keyword: Fahrenheit Thermometer Principle Circuit,
Fahrenheit Thermometer Principle Circuit is showed in the picture above. (View)
View full Circuit Diagram | Comments | Reading(602)
Published:2011/5/3 2:13:00 Author:Felicity | Keyword: Principle Circuit of Medical Thermometer ,
Principle Circuit of Medical Thermometer is showed in the picture above. (View)
View full Circuit Diagram | Comments | Reading(1071)
Published:2011/5/3 2:17:00 Author:Felicity | Keyword: Principle Circuit of Temperature Measurement,
Principle Circuit of Temperature Measurement is showed in the picture above. (View)
View full Circuit Diagram | Comments | Reading(627)
Published:2011/5/3 2:15:00 Author:Ecco | Keyword: 16 × 16, Φ5mm , spot , color , dot matrix , structure, box
View full Circuit Diagram | Comments | Reading(469)
Published:2011/5/3 2:06:00 Author:Ecco | Keyword: New , timer , switch
The new timer switch circuit has the variable time adjusting function, it also has a countdown show feature, which shows the remaining regular time of the circuit at any time, therefore it is especially useful. The entire circuit is simple, easy to make, easy to use, suitable for installation in a variety of occasions. IC1 model is NE556 (NE555 can also use the two chips to instead). IC2 model is CD40110. The digital tube should use common cathode and high brightness LED. C1 uses the oil capacitor with the voltage in 400V, the capacity in 1μF . K1 uses the JRX-13F relay with pull-in voltage in 12V (to improve contact capacity, you can use two sets of normally open contacts in parallel). RP1 uses 0.5W ~ 1W shank potentiometer. S1 uses pole button switch. The remaining components are shown as the chart.
(View)
View full Circuit Diagram | Comments | Reading(1080)
Published:2011/5/3 1:45:00 Author:Ecco | Keyword: DC, AC , thin, power meter , appearance
DC-AC thin power meter is a new electric meter, which uses an ideal supporting structure of silk sheets, with good resistance to vibration and impact capacity. Thickness is below I5mm, and it is suitable for miniaturization and integration of electronic equipment, instruments, communications equipment and radio equipment, it is is the replacements of mounted meter.
(View)
View full Circuit Diagram | Comments | Reading(500)
Published:2011/5/3 1:38:00 Author:Ecco | Keyword: DC, AC , installed power meter, appearance
DC-AC installed power meter appearance is shown as the chart.
(View)
View full Circuit Diagram | Comments | Reading(481)
Published:2011/5/3 1:19:00 Author:Ecco | Keyword: AC power supply , working status , indication circuit
AC power working condition indicating circuit is shown as the chart, S is the 2 S 1 switch, when S is set to 1 position, the bulb HL gets power and emits light, while LED-G emits green light and it is used as the load working instructions; when the S sets 2 bit, HL is off, LED-G is extinguished, only the LED-R emits red light, which is used as indicating mains supply.
(View)
View full Circuit Diagram | Comments | Reading(557)
| Pages:431/471 At 20421422423424425426427428429430431432433434435436437438439440Under 20 |