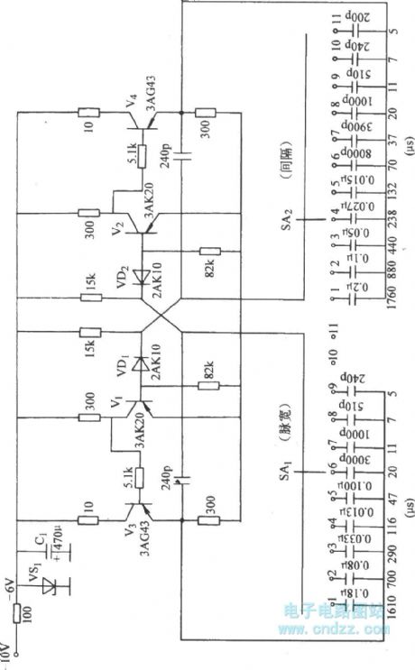
Published:2011/10/18 21:57:00 Author:Ecco | Keyword: Emitter-coupled bistable , changingable action
View full Circuit Diagram | Comments | Reading(1059)
Published:2011/10/18 22:06:00 Author:Ecco | Keyword: Astable circuit , sub-file adjusting , pulse width
View full Circuit Diagram | Comments | Reading(659)
Published:2011/12/7 20:51:00 Author:Ecco | Keyword: winding tap , T- connection , three-speed , single-phase motor
View full Circuit Diagram | Comments | Reading(2748)
Published:2011/12/7 20:53:00 Author:Ecco | Keyword: winding tap , connection , three-speed circuit , single-phase motor
View full Circuit Diagram | Comments | Reading(3811)
Published:2011/9/16 0:58:00 Author:Rebekka | Keyword: structure, ultrasonic sensor
View full Circuit Diagram | Comments | Reading(1215)
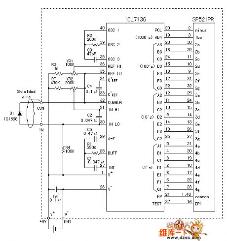
Published:2011/9/15 21:16:00 Author:Rebekka | Keyword: Monolithic automatic voltmeter
Overview:1. Low power consumption: We hope two ordinary button battery can be used for half an year.2. Low voltage: It does not use bulky batteries such as 5 # battery or tandem structure.3. High precision: It owns 31/2 or more precision.4. High stability: It requires a good reading stability.5. Low-cost: The cost of chip is lower than RMB10.00.6. Automatic: Fool-type operation.7. Monolithic: It does not use other active devices such as reference power and thermistor etc.That is these requirements produce the following design requirements.1. Use ordinary digital circuits manufacturing chip.2. Precision reference supply.3. Precision comparator.4. Precision Rectifier.5. 3V power supply.6. Working current is lower than 1MA.7. Analog / digital conversion.8. The least amount of external adjustment.
(View)
View full Circuit Diagram | Comments | Reading(879)
Published:2011/9/27 20:56:00 Author:Rebekka | Keyword: Optocoupler level conversion
For different level conversion circuits, or input, output circuits , ifits levelneeds to be separated, it is more convenient to use optical couplers.Figures(a) and (b) circuits are 5V power supply TTL IC and 15V power supply HTL IC. Each circuit is connected and conducted level.
In figure (a), when TTL gate circuit turns on, it outputs low level, then the light-emitting diode turns on, phototransistor outputs high level; TTL gates close, then the light-emitting diode cuts off, phototransistor outputs low level. In figure (b),it uses TTL outputs high level, light-emitting diode turns on, photo transistor outputs low level; TTL conduction outputs low level, then LED isoff, and phototransistor outputs high level. (View)
View full Circuit Diagram | Comments | Reading(2029)
Published:2011/12/9 0:50:00 Author:Ecco | Keyword: JTAG emulator
View full Circuit Diagram | Comments | Reading(2346)
Published:2011/12/9 0:49:00 Author:Ecco | Keyword: CD-ROM interface , schematic
View full Circuit Diagram | Comments | Reading(3377)
Published:2011/12/9 0:49:00 Author:Ecco | Keyword: high-performance , multimeter
View full Circuit Diagram | Comments | Reading(1190)
Published:2011/12/8 20:43:00 Author:Ecco | Keyword: LCD digital thermometer
View full Circuit Diagram | Comments | Reading(1754)
Published:2011/12/8 20:51:00 Author:Ecco | Keyword: Adjustable , voltage-stabilizing circuit , current limiting, protection function
View full Circuit Diagram | Comments | Reading(826)
Published:2011/12/8 20:20:00 Author:Ecco | Keyword: Memory , internal memory
View full Circuit Diagram | Comments | Reading(888)
Published:2011/11/3 2:06:00 Author:Ecco | Keyword: Y-△ starting , motor , without power switch
View full Circuit Diagram | Comments | Reading(780)
Published:2011/12/7 2:08:00 Author:Ecco | Keyword: Variable voltage, start-up circuit
View full Circuit Diagram | Comments | Reading(669)
Published:2011/12/7 2:11:00 Author:Ecco | Keyword: Variable voltage , start-up
This starter is suitablefor 11 ~ 22kW motor.Because the current islarge,it uses three current transformers E to provide mutual inductance current.
(View)
View full Circuit Diagram | Comments | Reading(722)
Published:2011/12/7 2:12:00 Author:Ecco | Keyword: Autoformer, step-down start
View full Circuit Diagram | Comments | Reading(685)
Published:2011/12/7 2:06:00 Author:Ecco | Keyword: LOGO module , controlling , autotransformer , step-down start
View full Circuit Diagram | Comments | Reading(1401)
Published:2011/12/7 1:54:00 Author:Ecco | Keyword: Y-△ buck Starter
View full Circuit Diagram | Comments | Reading(890)
Published:2011/12/6 1:49:00 Author:Ecco | Keyword: First-order , bypass filter


Design value Example :
(View)
View full Circuit Diagram | Comments | Reading(919)
| Pages:92/471 At 2081828384858687888990919293949596979899100Under 20 |