Published:2012/8/30 1:56:00 Author:Ecco | Keyword: Text-display , logic pen, gate
Text-display logic pen with gate circuit can take many forms, and it can be composed of inverters, also can be composed of NAND gate or NOR gate. As shown in the figure, the logic pen consists of NAND gate CD4011 and common anode digital tube.
(View)
View full Circuit Diagram | Comments | Reading(4095)
Published:2012/8/29 22:33:00 Author:Ecco | Keyword: Voice-activated , delayed light, switch
As shown in the figure, it is a voice-activated delayed light with music doorbell chip voice as the core component, when it is used, blowing whistle or filming palm, the lights will be lit with delayed around 20s, then the light will go off automatically, so it makes life easier. Another feature of the circuit is that it uses two-wire connection, you can directly replace the normal switch without changing the original indoor circuit; it can also connects to an ordinary light switch in parallel, then the common light is retrofited into voice-activated delayed light. The lighting time length depends on the length of music signals storaged in doorbell chip, KD-9300 integrated circuit signal depends on the storaging music, it is usually 10~20s.
(View)
View full Circuit Diagram | Comments | Reading(1483)
Published:2012/8/29 22:36:00 Author:Ecco | Keyword: Voice-activated , delayed light, switch
As shown in the figure, itis a voice-activated delayed light switch circuit with strong anti-jamming ability, it needs to strike hands three times in a specified time, then thelight will be lit, after delayed for some time, the light wii be automatically turned off. The delayed time of circuit is decided by C3, when C3 is 10μF, the delayed time is about 5s; when C3 is 47μF, the delayed time is about 15s; when C3 is 100μF, the delayed time is about 40s.
(View)
View full Circuit Diagram | Comments | Reading(2141)
Published:2012/8/29 22:13:00 Author:Ecco | Keyword: Voice-activated, delayed light, switch
As shown in the figure, itis a voice-activated delayed light switch circuit with strong anti-jamming ability, it needs to strike hands three times in a specified time, then thelight will be lit, after delayed for some time, the light wii be automatically turned off.
(View)
View full Circuit Diagram | Comments | Reading(1514)
Published:2012/8/29 22:08:00 Author:Ecco | Keyword: Transmitter , lacking , Harmonic , frequency to 200MHZ
View full Circuit Diagram | Comments | Reading(783)
Published:2012/8/28 22:51:00 Author:Ecco | Keyword: Sensitive photorelay
This circuit is adapted to be used as a grating switch with a high receiver sensitivity, the circuit switching threshold is 10Lx. In order to adjust the dark current, the circuit connects with potentiometer R1; when there is sufficient light intensity on phototransistor ( the lowest bit is 10Lx ), the last stage transistor turns on, the output voltage is about 19.5V.
(View)
View full Circuit Diagram | Comments | Reading(915)
Published:2012/8/28 22:03:00 Author:Ecco | Keyword: Three - phase inverter bridge


It can use a bipolar transistor, the model can be MOSFET, or IGBT, and regardless of the NPN-type or PNP type, N- channel or P-channel, and even complementary. Basic switching sequence of the three - phase inverter is shown as following (if the order is reversed, then the motor reverses. If it combines with the switch of DC converter, it also able to adjust the voltage)
(View)
View full Circuit Diagram | Comments | Reading(1243)
Published:2012/8/28 21:55:00 Author:Ecco | Keyword: Three-speed regulating , single-phase motor , capacitor , in series
Some single-speed motors can use the methods shown in the figure to increase the capacitors C1, and C2. Then the motor is changed to a three-speed motor. C1, C2 must use paper dielectric capacitors or paper oil capacitors, and capacitance size is directly related to the speed of the motor.
(View)
View full Circuit Diagram | Comments | Reading(1424)
Published:2012/8/28 21:55:00 Author:Ecco | Keyword: speed regulating, single-phase motor , capacitor, in series
C1 must use paper capacitor or paper oil capacitor withvoltagebeingabove 400V, and it never uses a 400V electrolytic capacitor.
(View)
View full Circuit Diagram | Comments | Reading(2114)
Published:2012/8/28 21:28:00 Author:Ecco | Keyword: Frequent commutation , capacitor start , single-phase motor
The motor is used for frequent operation commutation, and its turns of primary winding (running windings) LR and the secondary windings ( start winding ) LA, diameter, occupied slot number and distribution are the same, so commutation only needs to use a switch SA to change LR, LA power-on sequence. The circuit is shown as the chart.
(View)
View full Circuit Diagram | Comments | Reading(1429)
Published:2012/8/28 21:19:00 Author:Ecco | Keyword: Capacitor start , single-phase motor
As shown in the figure, it is a reversing schematic. When the switch QS is in the positive position, the current iA of auxiliary winding LA is greater than current iA of the main winding LR, so that the the motor rotor rotates in positive direction. If the QS is set to the reverse position, the current iA direction of LA is changed 180o to make LR current iC be greater than LA current iA, the rotor rotates reversely.
(View)
View full Circuit Diagram | Comments | Reading(2917)
Published:2012/8/29 1:24:00 Author:Ecco | Keyword: Digital , sound and light control , stairs, delay switch
As shown in the figure, itis a simple sound, light control stairs and walkway delay lighting switchwith reliable performance,and ituses two-wiresystem to connect withpowerand light bulb. It also can directly replace ordinary light switches without changing the original lighting circuits.
(View)
View full Circuit Diagram | Comments | Reading(1527)
Published:2012/8/29 1:26:00 Author:Ecco | Keyword: Digital, sound and light control, stairs, delay switch
As shown in the figure, it is a sound and light control stairs delay switch circuit using CD4011 integrated circuit, and the circuit is relatively simple withgood performance. The circuit delay time is determined mainly by R5, C2 values, and the icon data is about 1min.
(View)
View full Circuit Diagram | Comments | Reading(1090)
Published:2012/8/29 1:32:00 Author:Ecco | Keyword: Digital , sound and light control, stairs, delay switch
As shown in the figure, it is a sound and light control stairs delay switch circuit using CD4069 integrated circuit, and it uses the piezoelectric ceramicslice as the sound-electric transducer, the circuitis stable and reliable with good performance. The circuit delay time is set shorter with only15s around, and it is primarily decided by discharge time of R4 and C2. It can generally meet the using needs.
(View)
View full Circuit Diagram | Comments | Reading(1134)
Published:2012/8/29 1:35:00 Author:Ecco | Keyword: Digital, sound and light control, stairs , delay switch
As shown in the figure, itis a sound and light control stairs delay switch circuitwithgood performance, the circuit has a high anti-interference performance, and a soft-start and over-current protection.
(View)
View full Circuit Diagram | Comments | Reading(981)
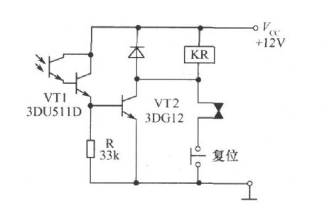
Published:2012/8/27 22:50:00 Author:Ecco | Keyword: Optically controlled , relay , switch, self-locking function , phototransistor
With Darlington phototransistor,the amplifier circuit is simplified, and the circuit only can usea 3DG medium power transistor to drive relays.
(View)
View full Circuit Diagram | Comments | Reading(3004)
Published:2012/8/28 2:53:00 Author:Ecco | Keyword: output voltage , increasing technology, precision, logarithmic , logarithmic ratio , amplifier
In many optical sensor detection applications, the output voltage increasing technology is just as important as increasing the photodiode current. In the Figure, the circuit uses a reference current generated by a large reference voltage source to adjust the error caused by LOG102 input offset voltage error to minimum; the reference current IREF flows into I1, the photodiode current IPHOTO flows into I2, IREF is designed to be greater than IPHOTO. The role of the internal amplifier A3 is to produce inverted gain level shift for calibration input photodiode current and corresponding the A / D converter input range.
(View)
View full Circuit Diagram | Comments | Reading(979)
Published:2012/8/28 2:57:00 Author:Ecco | Keyword: HART-based protocol , highway, addressable , remote transducer, communication protocols, smart transmitter


The frame and application diagrams of HART-based protocol smart transmitter with AD421 are shown as following:
(View)
View full Circuit Diagram | Comments | Reading(2316)
Published:2012/8/28 1:35:00 Author:Ecco | Keyword: multifunctional sensor, signal conditioner , D/A converter , current loop , interface
AD694 can be used as d/a converter (DAC) current loop interface to achieve the conversion of digital → voltage signal→ current signal . Current loop interface of DAC circuit is shown in the figure. AD566A is high speed 12-bit DAC, its output end (DAC OUT) connects to AD694 UI-end, UI+ end is grounded. AD694 uses ± 15V dual power supply, and AD566A provides reference voltage. AD694 uses the internal resistor network to configure AD566A as 10V full scale input. C2 is frequency compensation capacitor. RP is full scale adjustment potentiometer, you can use 50 Ω fixed resistors to replace potentiometer when it does not need adjustment.
(View)
View full Circuit Diagram | Comments | Reading(1898)
Published:2012/8/27 21:20:00 Author:Ecco | Keyword: Simple, FM transmitter , two tubes
View full Circuit Diagram | Comments | Reading(1846)
| Pages:83/471 At 2081828384858687888990919293949596979899100Under 20 |