Low Cost Custom Prototype PCB Manufacturer

Computer-Related Circuit

Index 29



The computer motherboard circuit diagram 810 3_12

Published:2011/7/20 20:32:00 Author:Ecco | Keyword: computer motherboard

The computer motherboard circuit diagram 810 3_12
  (View)

View full Circuit Diagram | Comments | Reading(481)

The computer motherboard circuit diagram 810 3_14

Published:2011/7/20 20:25:00 Author:Ecco | Keyword: computer motherboard

The computer motherboard circuit diagram 810 3_14
  (View)

View full Circuit Diagram | Comments | Reading(483)

The computer motherboard circuit diagram 810 3_15

Published:2011/7/20 20:26:00 Author:Ecco | Keyword: computer motherboard

The computer motherboard circuit diagram 810 3_15
  (View)

View full Circuit Diagram | Comments | Reading(538)

Computer motherboard circuit diagram 810 4_02

Published:2011/7/21 2:58:00 Author:Ecco | Keyword: Computer motherboard

Computer motherboard circuit diagram 810 4_02
  (View)

View full Circuit Diagram | Comments | Reading(491)

Recorder to microcomputer translation circuit

Published:2011/5/12 4:10:00 Author:Nicole | Keyword: recorder, microcomputer

Recorder to microcomputer translation circuit
The input singal of this circuit comes from the loudspeaker of recorder or the earphone jack, then it is transformed to microcomputer. Green LED indicates singal level, red LED indicates work state. Adjusting volume knob and lighting up LED means the input amplitude reaches 2.5V, then the anti-jamming ability is higher. The input singal is transported to microcomputer by two levels TTL inverter and emitter follower.   (View)

View full Circuit Diagram | Comments | Reading(569)

AD1674 and PC connection diagram

Published:2011/7/17 20:10:00 Author:zj | Keyword: PC, connection diagram

AD1674 and PC connection diagram
  (View)

View full Circuit Diagram | Comments | Reading(810)

Dual band modem composed of NE561B

Published:2011/7/20 2:39:00 Author:zj | Keyword: Dual band modem

Dual band modem composed of NE561B
As the diagram shows it is a dual band modem composed of NE561B. The input modulation signal carrier frequency of the circuit f0=1MHz. When AM modulation signal adds to multiplier input terminal it adds to phase detection circuit by Rv1, CY1, RY2 and CY2 too. And it fixes the PLL VCO frequency on f0.   (View)

View full Circuit Diagram | Comments | Reading(876)

PC mainboard circuit 430TX_03

Published:2011/7/6 19:57:00 Author:zj | Keyword: PC mainboard

PC mainboard circuit 430TX_03
  (View)

View full Circuit Diagram | Comments | Reading(529)

PC mainboard circuit 430TX_02

Published:2011/7/6 19:57:00 Author:zj | Keyword: PC mainboard

PC mainboard circuit 430TX_02
  (View)

View full Circuit Diagram | Comments | Reading(522)

PC mainboard circuit 430TX_01

Published:2011/7/6 19:57:00 Author:zj | Keyword: PC mainboard

PC mainboard circuit 430TX_01
  (View)

View full Circuit Diagram | Comments | Reading(516)

PC mainboard circuit 440BX-05

Published:2011/6/30 22:09:00 Author:zj | Keyword: PC mainboard, 440BX-05

PC mainboard circuit 440BX-05
  (View)

View full Circuit Diagram | Comments | Reading(533)

PC mainboard circuit 440BX-04

Published:2011/6/30 22:09:00 Author:zj | Keyword: PC mainboard, 440BX-04

PC mainboard circuit 440BX-04
  (View)

View full Circuit Diagram | Comments | Reading(512)

PC mainboard circuit 440BX-03

Published:2011/6/30 22:09:00 Author:zj | Keyword: PC mainboard, 440BX-03

PC mainboard circuit 440BX-03
  (View)

View full Circuit Diagram | Comments | Reading(588)

PC mainboard circuit 440BX-02

Published:2011/6/30 22:10:00 Author:zj | Keyword: PC mainboard, 440BX-02

PC mainboard circuit 440BX-02
  (View)

View full Circuit Diagram | Comments | Reading(675)

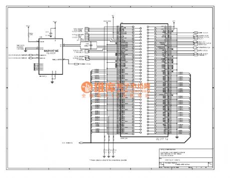
PC mainboard circuit 440BX-01

Published:2011/6/30 22:10:00 Author:zj | Keyword: PC mainboard, 440BX-01

PC mainboard circuit 440BX-01
PC mainboard circuit 440BX-01

  (View)

View full Circuit Diagram | Comments | Reading(556)

PC mainboard circuit 430TX_30

Published:2011/6/30 22:10:00 Author:zj | Keyword: PC mainboard, 430TX_30

PC mainboard circuit 430TX_30
  (View)

View full Circuit Diagram | Comments | Reading(494)

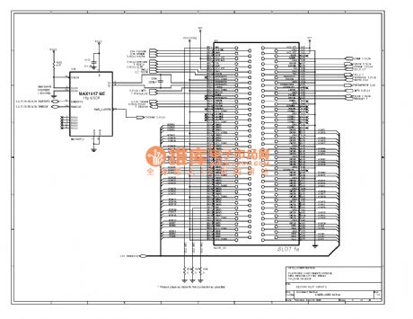
PC mainboard circuit 440BX-12

Published:2011/6/30 22:09:00 Author:zj | Keyword: PC mainboard, 440BX-12

PC mainboard circuit 440BX-12
PC mainboard circuit 440BX-12

  (View)

View full Circuit Diagram | Comments | Reading(643)

Computer Mainboard Circuit 440BX_25

Published:2011/6/30 22:08:00 Author:zj | Keyword: Computer Mainboard, 440BX_25

Computer Mainboard Circuit 440BX_25
  (View)

View full Circuit Diagram | Comments | Reading(499)

Computer Mainboard Circuit 440BX_18

Published:2011/6/30 22:08:00 Author:zj | Keyword: Computer Mainboard, 440BX_18

Computer Mainboard Circuit 440BX_18
  (View)

View full Circuit Diagram | Comments | Reading(649)

Computer Mainboard Circuit 440GX_36

Published:2011/7/6 19:55:00 Author:zj | Keyword: Computer Mainboard

Computer Mainboard Circuit 440GX_36
  (View)

View full Circuit Diagram | Comments | Reading(511)

Pages:29/39 At 2021222324252627282930313233343536373839