Published:2011/5/6 22:33:00 Author:Nicole | Keyword: optical disk control, microcomputer





M64405FP is a movement microcomputer integrated circuit with data process which is produced by Mitsubishi Corp and designed for DVD muti-chip decoding, this IC is used in all kinds of DVD players such as Panasonic series, Wanlida, TCL, Konka.
1. functions and features
M64405FP integrated circuit contains 8bit CPU and various ports, it can control all kinds of functions for movement, besides, it has synchronous detection, frame synchronization, sector same frequency, 8/16 demodulation, ECC and channel data process and DVD data process circuit. It can separate the repeated data-flow then make 8/16 demodulation and error correction, and it will be processed into 8bit parallel data decode circuit.
2. pin function and data
The pin function and data of M64405FP integrated circuit is shown in the table1, this IC adopts 4-line flat type package.
The normal waveform of M64405FP integrated circuit is shown in the figure1, it provides a reference when it is corrective maintenance.
(View)
View full Circuit Diagram | Comments | Reading(684)
Published:2011/5/8 22:18:00 Author:Nicole | Keyword: single chip, microcomputer control


M37221M6 is a single chip microcomputer control integrated circuit which is produced by Mitsubishi Corp, it is specially used in TCL series large screen color television, such as TCL2911DZ、3811DZ、3416DI, the model is TCL一Mll in the TCL series.
1. functions and features
M37221M6 integrated circuit contains frequency band control, I square meter C data and clock bus, key switch comiling and decoding, character display, AV/TV transfer control, system switching control, tone control, tune voltage control, opportunity-awaiting/start-up control, master clock crystal oscillator, character display clock circuit and other control circuits.
2. pin function and data
M37221M6 integrated circuit adopts 42-foot dual in-line package, it is applied to TCL2911DZ series color television, the in function and data of this integrated circuit is shown in the table1.
The table is the pin function and data of M37221M6 integrated circuit
(View)
View full Circuit Diagram | Comments | Reading(2763)
Published:2011/5/6 2:56:00 Author:Nicole | Keyword: system control, microcomputer


LC5872 is a system control microcomputer integrated circuit which is produced by Sanyo, it is widely used in low voltage walkman and other audio equipments.
1, functions and features
LC5872 integrated circuit contains LCD display drive control circuit, key switch compiling code circuit, all kinds of control functions load drive control circuit, memory circuit, address singal process circuit, motor control circuit, record indicator light drive control circuit, radio circuit power supply on/off control circuit, counter reset circuit, clock oscillation circuit, record/play switching control circuit and other assistant functions circuits.
2, pin function and data
LC5872 integrated circuit adopts 80-foot flat type package, the pin function and data of this integrated circuit is shown in the table1.
(View)
View full Circuit Diagram | Comments | Reading(953)
Published:2011/5/6 22:52:00 Author:Nicole | Keyword: microcomputer, dialing
UM9151 is a microcomputer dialing integrated circuit, it is used in all kinds of telephone circuit of communication.
UM9151 integrated circuit contains dialing singal process circuit, key switch singal compiling decoding circuit, silence control circuit and start-up circuit. This IC adopts 18-foot dual in-line package, the pin function and data of this integrated circuit is shown in the table 1-1.
(View)
View full Circuit Diagram | Comments | Reading(800)
Published:2011/5/8 22:19:00 Author:Nicole | Keyword: single chip, microcomputer
View full Circuit Diagram | Comments | Reading(642)
Published:2011/5/6 22:57:00 Author:Nicole | Keyword: microcomputer, dialing
UM912OA is a microcomputer dialing integrated circuit, it is used in all kinds of telephone circuit of communication.
UM912OA integrated circuit contains pulse/double audio frequency compatible dialing, key switch singal compiling decoding circuit, silence control circuit and start-up circuit. This IC adopts 18-foot dual in-line package, the pin function and data of this integrated circuit is shown in the table 1-1.
(View)
View full Circuit Diagram | Comments | Reading(578)
Published:2011/5/6 22:59:00 Author:Nicole | Keyword: microcomputer, dialing
UM9l20 is a microcomputer dialing integrated circuit, it is used in all kinds of telephone circuit of communication.
UM9l20 integrated circuit contains pulse/double audio frequency compatible dialing, key switch singal compiling decoding circuit, silence suppression circuit, the pin function and data of this integrated circuit is shown in the table 1-1.
(View)
View full Circuit Diagram | Comments | Reading(633)
Published:2011/5/6 3:21:00 Author:Ecco | Keyword: single-chip , microcomputer , integrated circuit


TMP87PM36N is the single-chip microcomputer integrated circuit produced by Toshiba, it is widely used in Konka, Changhong, Toshiba, and other series of large-screen color TV. TMP87PM36N integrated circuit uses dual 42-pin package, the internal block circuit diagram and pin functions and signal flowing are shown in Figure 1, the typical operating voltage is listed in Table 1. Figure 1 shows the block circuit diagram and pin functions and signal flowing of TMP87PM36N integrated circuit. Table 1 shows the typical operating voltage of TMP87PM36N integrated circuit.
(View)
View full Circuit Diagram | Comments | Reading(882)
Published:2011/5/5 7:53:00 Author:Nicole | Keyword: calculator, count
This circuit uses MM7536calculator chip, two DM75491 segment drivers and a DM75492 bit driver. Those three drivers are used to drive NSN66A LED 6bits display. This counter is manual controlled by three switch. In order to restoration, it can use S1 to make calculator reset. S2 can input 1, if it needs to press new number, you can connect to S3, Vcc provides current to LED through limiting resistance, because Vcc's voltageis lower than Vss, so this method can save power consumption. This circuit can drive lager LED display. (View)
View full Circuit Diagram | Comments | Reading(856)
Published:2011/5/5 20:59:00 Author:Ecco | Keyword: Single-chip , microcomputer , integrated circuit
PCA84C-440/441 is the single-chip microcomputer integrated circuit produced by Philips company, it is widely used in domestic and imported large screen color TV, such as Philips and other color television.1. The internal block circuit diagram and pin functions PCA84C-440/441 IC uses 42-pin dual in-line package, the internal block circuit diagram and pin functions are shown as the chart. The internal block circuit diagram of PCA84C-440/441 integrated circuit and pin functions and signal flowing2. The typical application circuit The control system typical application circuit composed of PCA84C-440/441 integrated circuit is shown as the chart. The typical application circuit of PCA84C-440/441 integrated circuit 3.PCA84C-440/441 operating parameters The each pins operating parameters of PCA84C-440/441 integrated circuit are listed in Table. The operating parameters of PCA84C-440/441 integrated circuit
(View)
View full Circuit Diagram | Comments | Reading(4656)
Published:2011/5/5 21:41:00 Author:Ecco | Keyword: single-chip , microcomputer , integrated circuit



PCA841P-177 is a single-chip microcomputer integrated circuit produced by Philips, it is widely used a variety of large screen color TV, which is assembled by Philips movement. 1. Features of functionPCA841P-177 is mainly composed of central processor (CPU), clock oscillator circuit (master clock, the clock display), key decoding circuit, I2C bus control circuit, infrared remote control command signal processing circuit, the screen displays character signal generation and processing circuit, and other control and auxiliary functions circuit. 2. Pin functions and data PCA841P-177 IC uses the package with 42-pin in double rows, the pin code letters and data are listed in the table, the internal block diagram and pin functions and signal flowing are shown as the chart. PCA841P-177 IC pin letter code and data PCA841P-177 IC's internal block diagram and pin functions signal flowing
(View)
View full Circuit Diagram | Comments | Reading(775)
Published:2011/5/5 2:04:00 Author:Nicole | Keyword: single chip, microcomputer


CPU—WT6861/WT62Pl is a single chip microcomputer integrated circuit, as master control chip, it is used in computer multiple frequency color display, such as Tsinghua Tongfang 5E series displays.
1, Function and feature
CPU—WT6861/WT62Pl integrated circuit contains I(2)C total line control circuit, row and field pulse singal process circuit, automatical degaussing control circuit, energy-saving function control circuit, key scanning switch compiling code circuit, memory interface circuit, CPU circuit, S corrective capacity switching control circuit, grating inclination control circuit.
2, Pin function and data
CPU—WT6861/WT62Pl integrated circuit adopts 40-foot DIP, the integrated circuit pin function and data is shown in chart1.
Chart1, CPU—WT6861/WT62Pl integrated circuit pin function and data is shown.
(View)
View full Circuit Diagram | Comments | Reading(736)
Published:2011/5/4 9:39:00 Author:Nancy | Keyword: display , SHARP
View full Circuit Diagram | Comments | Reading(627)
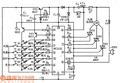
Published:2011/4/28 1:42:00 Author:Ecco | Keyword: Fan , single chip, microcomputer , integrated circuit


PC2122 is the fan single chip microcomputer integrated circuit produced by Philips, it is suitable for fans and small appliances for speed or transfer function.PC2122 IC uses 16-pin dual in-line package, the pin functions and data are listed in Table, the typical application circuit is shown as the chart. PC2122 IC pin functions and data.
Thetypical application circuit of PC2122 integrated circuit. (View)
View full Circuit Diagram | Comments | Reading(737)
Published:2011/4/27 21:38:00 Author:Ecco | Keyword: Single-chip , microcomputer, integrated circuit


PCA84C840P-054 is a single-chip microcomputer integrated circuit manufactured by Philips, it is widely used in domestic and imported large screen color television with Philips machine assembly. PCA84C840P-054 IC uses 42-foot double row style package, the internal circuit block diagram and pin functions and signal flowing are shown as the chart, the pin code and data is listed in the table.
(View)
View full Circuit Diagram | Comments | Reading(942)
Published:2011/4/25 1:39:00 Author:Ecco | Keyword: Computer , controlling, home appliances, switch
View full Circuit Diagram | Comments | Reading(632)
Published:2011/4/21 8:15:00 Author:Robert | Keyword: SOHO, Router System
SOHO Router System Circuit is shown above. (View)
View full Circuit Diagram | Comments | Reading(1043)
Published:2011/3/30 22:09:00 Author:Ecco | Keyword: serial interface, current loop
This circuitry is used for the joggle between computer Z RS-23 serial connecting current ring and current ring circuitry, it can transform the voltage semaphore of transmission into the current semaphore with 20 mA, the biggest speed can reach 1200 bits.
Light-coupled device IC3, T1 make up receiving port connecting interface circuit, T2, T3 constitute transmitting terminal interface circuit. When the source is 12V, T2, T3 deliver energy, the current will be sent to IC1 by the circuitry from T2, and pass light-emitted diode of IC1, return to the transmitting terminal again, and the current is about 20mA. When the source is -12V, T2, T3 wil be cut off, and there is no current in circuitry. When transmitting terminal IC1 passes current, the receiving terminal will be breakovering, T1 is ON. And T1 is cut off, the signal of -12V will be sent to RS-232 by R4. From here, the circuitry realizes transmitting figure semaphore by using current ring.
(View)
View full Circuit Diagram | Comments | Reading(2920)
Published:2011/4/10 20:49:00 Author:muriel | Keyword: 8515, Expand RAM
View full Circuit Diagram | Comments | Reading(622)
Published:2011/4/14 6:34:00 Author:may | Keyword: power supply, FUJITECH, color display
View full Circuit Diagram | Comments | Reading(2834)
| Pages:38/39 At 2021222324252627282930313233343536373839 |