Low Cost Custom Prototype PCB Manufacturer

Relay Control

Index 7



waste automotive spark plug for achieving water level control circuit

Published:2011/7/6 5:03:00 Author:John | Keyword: automotive spark plug, water level

waste automotive spark plug for achieving water level control circuit
  (View)

View full Circuit Diagram | Comments | Reading(1922)

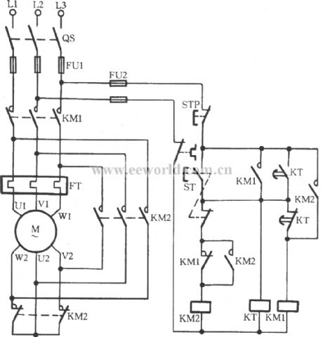
two contactors for composing Y-△ step-down start-up circuit

Published:2011/7/6 5:04:00 Author:John | Keyword: Y-△, contactor

two contactors for composing Y-△ step-down start-up circuit
  (View)

View full Circuit Diagram | Comments | Reading(969)

the circuit for preventing outdoor people from press the button in chaos

Published:2011/7/5 11:08:00 Author:John | Keyword: outdoor people, button


The circuit shown in the figure is for electric control systems of lifting loading and unloading machinery. It is reversible to run two motors. During the operating process, the circuit breaker QF is connected. Hold down the selected button on the left hand (for example, ST2). Thus, the corresponding AC contactor suctions. Afterwards, the starting button ST1 is turned on with the right hand. Besides, these two buttons are pressed to start the motor. The outsiders do not know that the motor can not be turned up only by conventional press on the button with one hand.   (View)

View full Circuit Diagram | Comments | Reading(642)

Frequency sensitive resistor starting and wound rotor type induction motor automatic reversing circuit

Published:2011/7/5 9:59:00 Author:John | Keyword: induction motor, wound rotor, Frequency sensitive resistor

Frequency sensitive resistor starting and wound rotor type induction motor automatic reversing circuit
As for the shown figure, the forward starting button STF is pressed to lead the coil KMF to be energized. And the motor is connected to frequency sensitive resistor in series for starting. At the same time, the relay KT starts to timing. When the setting time lKT is reached, its normally opening momentary contact closes. Then the contactor KM suctions to be self-protected. Meanwhile, the KT coil circuit is cut. KM’s main contacts will short the L and the motor runs into full-voltage operation. Press the STP and the motor stops. The operating principle of inversing operation is the same.   (View)

View full Circuit Diagram | Comments | Reading(2041)

Frequency sensitive resistor starting style wound rotor induction motor manual direction switching circuit

Published:2011/7/5 9:51:00 Author:John | Keyword: Frequency sensitive resistor, wound rotor, induction motor


The figure shows a manual-start reversible circuit. The forward starting button STF is pressed and another pair of normally closed contacts of STF disconnect. So the reverse coil KMR loop is cut. At this time, the forward KMF coil pulls and the wound rotor motor is connected with frequency sensitive resistor L in series. It is at the starting state and its speed gradually increases. When the speed rises to about 70% of rated speed, press the running button SN is pressed to lead the KM3 to coil and be self-protected. And the frequency sensitive resistor is shorted. The motor runs into full-voltage operation. When the process is completed, press the STP to park. Similarly, press the button STR and the motor will start to start on the reverse. Press the SN for running into the full-voltage operation state.   (View)

View full Circuit Diagram | Comments | Reading(701)

starting button on installing light circuit

Published:2011/7/5 8:46:00 Author:John | Keyword: starting button, light

starting button on installing light circuit
Typically, the motor’s starting button ST and stopping button STP both have no lights. Therefore, it is inconvenient to observe whether the motor work on the operation table or screen. A light (LED H) is installed on the starting button, just as shown in the figure. H is usually lit. But when the ST is pressed, KM is pull and its normally open auxiliary contact KM closes. Then the H is short only to find that the light is not lit. The on-and-off of the light can indicate whether the motor is turned on.   (View)

View full Circuit Diagram | Comments | Reading(758)

Ordinary fan circuit

Published:2011/7/5 10:36:00 Author:John | Keyword: Ordinary fan

Ordinary fan circuit
The figure shows the 400mm ordinary fan circuit. In the figure, M and LA, LR are respectively the single-phase motor rotor, the auxiliary winding and main winding. C is the starting capacitor and L is the governor. H is the indicator. The 1,2,3 all indicate the wind speed gear switch, which is respectively marked as high, medium and low speed gear.   (View)

View full Circuit Diagram | Comments | Reading(1634)

anti-arcing Y-△ starting circuit within load

Published:2011/7/5 10:38:00 Author:John

anti-arcing Y-△ starting circuit within load
  (View)

View full Circuit Diagram | Comments | Reading(717)

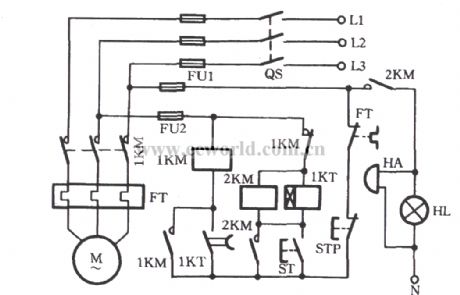
motor running with emitting sound and light signals circuit

Published:2011/7/5 10:56:00 Author:John | Keyword: motor, sound, light

motor running with emitting sound and light signals circuit
As for some heavy equipment, there is a wide moving range for dragging mechanical components by motor. If there is no audible signal prior to the actual starting, it is likely to cause casualties. Circuit shown is designed to solve this problem. During the starting process, the ST is pressed to coil the contactor 2KM. Then, the bell HA and signal light HL are both driven to give driving signals, aiming to urge people to get out immediately. At the same time, electrical time relay 1KT is energized to work and the timing process starts. After about 1 minute (with adjustable time), 1KT’s normally opening contact closes to induct 1KM. And 1KM is self-locked to start the motor M.   (View)

View full Circuit Diagram | Comments | Reading(850)

automatically switching circuit for preventing Y-△ starter from starting

Published:2011/7/5 10:45:00 Author:John | Keyword: Y-△ starter

automatically switching circuit for preventing Y-△ starter from starting
  (View)

View full Circuit Diagram | Comments | Reading(988)

Y-△ starting circuit for preventing arcing short

Published:2011/7/5 10:57:00 Author:John | Keyword: Y-△ starting circuit

Y-△ starting circuit for preventing arcing short
  (View)

View full Circuit Diagram | Comments | Reading(699)

thermal electric resistor block protection circuit

Published:2011/7/5 4:07:00 Author:John | Keyword: thermal electric resistor

thermal electric resistor block protection circuit
  (View)

View full Circuit Diagram | Comments | Reading(850)

grinding mill automatic grinding gate circuit

Published:2011/7/5 4:08:00 Author:John | Keyword: grinding mill

grinding mill automatic grinding gate circuit
  (View)

View full Circuit Diagram | Comments | Reading(852)

Automatic temperature control of the poultry house and alarming circuit

Published:2011/7/5 4:26:00 Author:John | Keyword: poultry house, automatic temperature control

Automatic temperature control of the poultry house and alarming circuit
PDF for related components can be downloaded.SL6169012KD-5601378159013The circuit is as shown, which consists of the low temperature limit control switch, thyristor trigger control cooling circuit, analog voiced circuit and communication buck rectifier circuit and other components. When the indoor temperature is higher than the set temperature, the cooling device will automatically start. At the same time, analog voiced circuit starts to alarm to inform the personnel on duty that it should be cooled down.   (View)

View full Circuit Diagram | Comments | Reading(879)

Bridge caught for coal feeder automatic tracking circuit

Published:2011/7/5 10:23:00 Author:John | Keyword: coal feeder

Bridge caught for coal feeder automatic tracking circuit
The corresponding position between the bridge caught in the thermal power plant’s dry coal shed and moving coal machine keeps still. It is to ensure that the bridge grasping, moving coal machine, belt conveyor cooperate effectively together, which is the important part to complete the conveying process for coal. Automatic tracking circuit shown can achieve effective co-ordination between the three previous parts.   (View)

View full Circuit Diagram | Comments | Reading(1096)

elaborately improved fan speed control circuit

Published:2011/7/5 10:17:00 Author:John | Keyword: fan

elaborately improved fan speed control circuit
As shown in the circuit, capacitor C is generally used in 2.5 ~ 4.7μF/400V. Both ends of the C are connected with a switch S in parallel. When the S is closed, C is short and the fan operates according to the governor SA’s original gear operation. When S is turned off, the C is applied into the circuit in series. Due to its capacitance, the speed of fan motor M is reduced although governor SA’s gear operation is not changed. However, the wind speed is lower than the original one. H is a light of 8 ~ 10W. It can work as a light in a weak windshield, as well as providing a discharge path for capacitor C when the city power is cut.   (View)

View full Circuit Diagram | Comments | Reading(782)

bridge and pick-up type speaker protection circuit (b)

Published:2011/7/5 10:07:00 Author:John | Keyword: speaker

bridge and pick-up type speaker protection circuit (b)
  (View)

View full Circuit Diagram | Comments | Reading(2418)

bridge and pick-up type speaker protection circuit c

Published:2011/7/5 10:07:00 Author:John | Keyword: speaker

bridge and pick-up type speaker protection circuit c
  (View)

View full Circuit Diagram | Comments | Reading(2101)

Y-△ main circuit during the starting of thermal relay in Y

Published:2011/7/5 4:06:00 Author:John | Keyword: thermal relay

Y-△ main circuit during the starting of thermal relay in Y
  (View)

View full Circuit Diagram | Comments | Reading(723)

Gas stove safety valve control and language alarming circuit

Published:2011/7/5 3:56:00 Author:John | Keyword: Gas stove, safety valve

Gas stove safety valve control and language alarming circuit
PDF for related components can be downloaded. 5559013SR8808The circuit is as shown. It consists of the gas sensor, one-shot trigger circuit, relay control motor circuits, voice circuit and communication buck rectifier circuit. When the gas concentration detected by the gas sensor exceeds a given concentration, the exhaust fan is automatically turned on and is issued whistles, thus being able to attract people’s attention and vigilance.   (View)

View full Circuit Diagram | Comments | Reading(1199)

Pages:7/8 12345678