Published:2011/7/7 22:30:00 Author:Felicity | Keyword: Timing Controller
Work of the circuit
The circuit consists of power circuit and timing control circuit. (It is showed in picture 8-92.)
Power circuit consists of Power control button Sl, the normally open relay contact K Kl, step-down capacitor Cl, discharge resistors Rl, rectifier diode VDl-VD4, filter capacitor C2 and Zener VS.
Timing control circuit consists of Time-base IC lC, delay selector switch S2, resistors R2-R5, capacitor C3, C4, light-emitting diode VL, relay K and diode VD5. (View)
View full Circuit Diagram | Comments | Reading(765)
Published:2011/7/7 7:32:00 Author:Sophia | Keyword: Input and output, protection circuit, digital integreted circuit
Signal low level UIL of TTL circuit is less than or equal to 0.8V, high UIH is great than or equal to 2.0v. If external digital signal level it receives is within this range, there will be no proplem. In the actual circuit, due to various reasons, the input signal level will be high. Therefore, the input of the digital circuit should be protected from the circuit damaged. Figure is the most common protection circuit. In this circuit, the resistor R is the current limiting resistor, and diode VD1 and VD2 are used to limit the input signal level of digital circuit. The greater R-value, the better the protection, but the voltage drop on input current will be greater. Therefore. For TTL circuits, R should be 100Ω; for CMOS circuits, R is 1kΩ,which will be more appropriate.
(View)
View full Circuit Diagram | Comments | Reading(1823)
Published:2011/7/2 22:48:00 Author:Borg | Keyword: inductance controlled, switch circuit
This is to introduce an inductance controlled switch circuit which is produced according to the Doppler effect, the circuit is effective when people is within 5m away from it. This circuit can be used in homes, factories, schools and other public spots as the corridor light control or the burglarproof alarm control. The inductance controlled switch circuit consists of the power supply circuit, the Doppler effect oscillator, voltage amplifier, single steady trigger, photo control circuit and control executing circuit and so on, see as the figure. By adjusting R2, the sensibility of the switch can be changed. (View)
View full Circuit Diagram | Comments | Reading(510)
Published:2011/7/4 21:58:00 Author:Borg | Keyword: door control, burglarproof alarm
The principle circuit of the device is shown in the figure, which consists of the trigger device, single steady time delay circuit, alarm sound generator, audio power supply circuit, light control circuit, preset lock circuit and power supply circuit, etc. When the room door is shut, the permanent ZT and normally closed reed switch are close to each other, the magnet power of ZT leads to the separation of the 2 contacting chip in AG, so the 6-pin of IC1A is in a high LEV, IC1A is reset, the 5-pin of the output terminal is in a low LEV, the dual-way SCR is blocked without trigger current. (View)
View full Circuit Diagram | Comments | Reading(641)
Published:2011/7/7 6:52:00 Author:Robert | Keyword: Proximity, Switch, Integrated, Magnetic Sensor
The picture shows the proximity switch circuit composed of the HMC1001 and operational amplifier (AMP04) and light emitting diode (LED). The operational amplifier is used as a comparator here. If taking a magnet with length about 6mm~12mm to close to the HMC1001, when it moves to a certain position, the MR electric bridge's output voltage would be 30mV to flip the comparator and then it outputs low voltage level to make LED light. If remove the magnet the comparator would output high voltage level to stop LED lighting. Obviously, the circuit is equivalent to the proximity switch with indicating light. It can be used for detecting displacement, rotating speed and other non-electricity parameter. By adjusting R1's resistance value it can set the switch's threshold voltage. (View)
View full Circuit Diagram | Comments | Reading(2904)
Published:2011/7/8 0:43:00 Author:Seven | Keyword: single-way SCR, touching switch
In the experiments, the writer found that the control pole of single-way MCR100-8 is conducting with a hand touch without the forward voltage, therefore, the writer designed a simple touching switch, see as the figure.
By one touch, the metal chip is open, SCR1 is conducting, and the load is getting power. And with another touch, the metal plate is closed, SCR2 is conducting, relay J is getting power and working, K is cut off, the load loses effect. After SCR is cut off, the capacitor discharges to relay J, which keeps the relay closed for 4 seconds or so. (View)
View full Circuit Diagram | Comments | Reading(1522)
Published:2011/7/8 0:17:00 Author:Seven | Keyword: relay, pulling-in precaution, low voltages
Working principle: see as the figure, V1 is a single knot transistor BT33C, which consists of the relaxation oscillator with R1, R2, R3 and C1, SCR is the single-way SCR, after AN1 is pressed, the circuit is passable, the SCR is not conducting without trigger voltage, the relay J is not working, the power supply charges C2 quickly and makes its voltage close to it(Vcc-VD1 voltage drops). At the same time, the power supply is charging C1 with the help of C1. In seconds, the voltage of C1 reaches the trigger voltage of V1, so C1 is discharging through V1. (View)
View full Circuit Diagram | Comments | Reading(761)
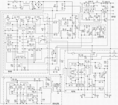
Published:2011/7/8 0:07:00 Author:Seven | Keyword: principle profile, charger
High-frequency switch motor is popular in the market due to its little size and high efficiency. Not long ago, the writer got a 62.4v/10A high-frequency switch charge core with the cooling fan from Xiangqiao Corp., the writer think it's worthwhile. To make it easy to repair, the writer has drawn the principle circuit, the introduction is as follows: The core consists of 4 modules which are main board drive, additional power supply, protection and overload sampling, and the main board includes the mains rectifier, power converter, high frequency rectifier and so on.
(View)
View full Circuit Diagram | Comments | Reading(879)
Published:2011/7/8 1:54:00 Author:Seven | Keyword: lighting lamp, auto switch, dual-way thyristor
The switch controls the 200W lamps, the power supply is 220V, when the light is 100lx or so, the left and right lamps will turn on/off automatically. The LDR is in a high resistance when it's dark outside, the voltage on the input terminal of the threshold switch is 0.7 time higher than 2-pin, and its output terminal is in a high resistance, so the forward half circle of the gird voltage is passable after it is distributed by the transistor, and in each half-circle, there generates a trigger pulse, which makes the load get power. When the light is strong (higher than 100lx), the output terminal of the threshold switch is negative.
(View)
View full Circuit Diagram | Comments | Reading(3039)
Published:2011/7/8 0:58:00 Author:Seven | Keyword: human body, infrared sensor
No matter what kind it is, passive human body infrared sensor circuits are almost the same with the above, maybe some has less stages. This circuit in the figure is got from the NICERA producer, which is classical. The stage of front-end is the low frequency signal amplifier, the magnified times are 100, then the signals pass R6 and C5 before the 0.2-10HZ signal is picked out, finally, the selected signal is amplified by IC1B, the 5-pin of the op-amp is the 1/2VCC voltage pin, when it is static, the voltage on 6-pin and 7-pin is also 1/2VCC.
(View)
View full Circuit Diagram | Comments | Reading(2063)
Published:2011/7/8 1:23:00 Author:Seven | Keyword: self-lock switch
The action machines or contactors of ordinary converter switches or toggle switches are easy to break, at the same time, they are easy to burn due to the large impact of currents. Here is to introduce a simple circuit which can replace this switch. See as the above circuit, before AN is pressed, SCR1 is blocked, the relay or contactor is still, which is equal to the cut off state. When AN is pressed, the 12V voltage provide with trigger current for SCR1 through R1, AN and VD1, and SCR1 is conducting, K is getting power, the load is connected by the contactor and getting into work. (View)
View full Circuit Diagram | Comments | Reading(1290)
Published:2011/7/8 1:09:00 Author:Seven | Keyword: alarm circuit, time delay function
The system in figure (a) has five signal lines which deliver signals with sensors of S1~S5 respectively, when the sensors get signals, the relative thyristors are conducting, the indicators are glowing, the relay coil is getting through, by pressing the key of reset , the monitoring devices are working again. Two of the relay lines are controlled by the circuit in Figure (b). When the timer IS1of the integrated circuit, the output terminal is in a low LEV quickly, but it will return to the low LEV in the time of t1≈1.1R1C1. (View)
View full Circuit Diagram | Comments | Reading(711)
Published:2011/7/8 2:20:00 Author:Seven | Keyword: bike, burglarproof alarm


The remote emitting circuit:
The remote receiving circuit:
(View)
View full Circuit Diagram | Comments | Reading(692)
Published:2011/7/8 1:43:00 Author:Seven | Keyword: long-distance, alarm raster
The circuit consists of two parts, the emitter and receiver. The former consists of the computing amplifier 01, the capacitor C3 can be rectified to 1kHz, the potentiometer Rpz regulates the width of the pulse ultra-sonic wave, the potentiometer Rp1 limits the emitting current in a certain range. The input terminal of the receiver is the LDR or the optical transistor. The pulse light is converted into the AC current, the computing amplifier 0II is controlled by the FET T1, and its output controls the amplifier 0III. To allow it to receive signals in bad or remote environments, the signal from the 0III needs to by magnified by T2 and T3.
(View)
View full Circuit Diagram | Comments | Reading(794)
Published:2011/7/8 2:17:00 Author:Seven | Keyword: Wisdom in an Empty City, anti-burglar, photo/sound control circuit
In the storerooms without human duty or homes often without people, the experienced thieves often do this thing at after midnight. The control circuit can make sound and light after in 4-6h of darkness, the thieves don't know the real condition, so they won't take action. At daytime, the circuit is static, which is safe and energy-saving. See as the figure, it consists of the light control switch circuit, preset timer circuit, AC relay control circuit, music making circuit and power supply circuit, etc. (View)
View full Circuit Diagram | Comments | Reading(609)
Published:2011/7/8 2:01:00 Author:Seven | Keyword: antique, anti-moving alarm
See as the figure, the circuit consists of the mercury switch, single stable trigger, power switch, sound generating circuit and audio power amplifier circuit, etc. The alarm is put in the antique case or in the antique, when some is stealing or moving it, the circuit will make sound of catch the thief repeatedly. (View)
View full Circuit Diagram | Comments | Reading(656)
Published:2011/7/8 2:06:00 Author:Seven | Keyword: antique, anti-burglar, audio alarm
See as the figure, the circuit consists of the piezoelectric pottery sensor, sound/electric converter and amplifier, single stable timing circuit, language sound making circuit, audio power amplifier circuit and so on. (View)
View full Circuit Diagram | Comments | Reading(732)
Published:2011/7/6 22:18:00 Author:qqtang | Keyword: inductance, burglarproof alarm
Whether the thief is wearing a glove or not, as long as the hand is within 5~80mm away from the alarm inductor, the alarm will make sound. See as the figure. The inductor is represented with G, and there is a distributing capacitor between G and the ground, Co, L, C1 and V1 compose the 3-pole oscillator, in the circuit composed of Co, C1 and L, judging from the AC circuit, Co is serially connected with C1. When there is no one getting close to G, Co is low, when it is serially connected with C1, the voltage on the two terminals is high. (View)
View full Circuit Diagram | Comments | Reading(545)
Published:2011/7/7 7:15:00 Author:Fiona | Keyword: control the water level
The control circuit consists of step-down rectifier circuit, 555 trigger circuit (IC1, IC2), relay control circuit and so on. When the water level probe of the tower B, D is above the water level line, IC1 ② feet is ground potential to make the IC1 place set,the high level output by ③ pin makes the relay J1pick up, contactor J1 -1 is closed,the pumping motor has electricity and runs to pump water; when the water level rises to probe A, corresponding IC1 is reset, the outpu low level makes J1 release,contactor J1-1 breakes,the pumping motor loses the power and stops running, so that it realizes the automatic control of water tower water level.
(View)
View full Circuit Diagram | Comments | Reading(826)
Published:2011/6/19 3:45:00 Author:Lena | Keyword: air-condition, remote controller, bridle wire selection
View full Circuit Diagram | Comments | Reading(585)
| Pages:214/312 At 20201202203204205206207208209210211212213214215216217218219220Under 20 |