Position: Home > Circuit Diagram > power supply circuit > >Index 168
Low Cost Custom Prototype PCB Manufacturer

Index 168



100_Vrms_VOLTAGE_REGULATOR

Published:2009/6/28 21:26:00 Author:May

100_Vrms_VOLTAGE_REGULATOR
  (View)

View full Circuit Diagram | Comments | Reading(643)

5_V/05_A_BUCk_CONVERTER

Published:2009/6/28 21:23:00 Author:May

5_V/05_A_BUCk_CONVERTER
  (View)

View full Circuit Diagram | Comments | Reading(659)

LOW_RIPPLE_POWER_SUPPLY

Published:2009/6/28 21:45:00 Author:Jessie

LOW_RIPPLE_POWER_SUPPLY
This circuit may be used where a high current is required with a low ripple voltage (such as in a high powered class AB amplifier when high quality reproduction is necessary). Q1, Q2, and R2 may be regarded as a power darlington transistor. ZD1 and R1 provide a reference voltage at the base of Q1. ZD1 should be chosen thus: ZD1 = Vout-1.2. C2 can be chosen for the degree of smoothness as its value is effectively multiplied by the combined gains of Q1/Q2, if 100 μF is chosen for C2, assuming minimum hfe for Q1 and Q2, C = 100 x 15(Q1) x 25(Q2) = 37,000 μF.   (View)

View full Circuit Diagram | Comments | Reading(1859)

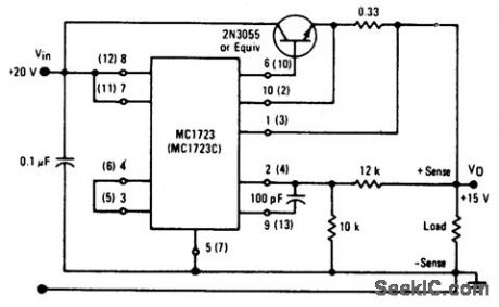
15_V/1_A_REGULATOR_WITH_REMOTE_SENSE_

Published:2009/6/28 21:43:00 Author:Jessie

15_V/1_A_REGULATOR_WITH_REMOTE_SENSE_
  (View)

View full Circuit Diagram | Comments | Reading(1917)

SLOW_TURN_ON_15_V_REGULATOR_

Published:2009/6/28 21:43:00 Author:Jessie

SLOW_TURN_ON_15_V_REGULATOR_
  (View)

View full Circuit Diagram | Comments | Reading(804)

5_V/1_A_SWITCHING_REGULATOR_

Published:2009/6/28 21:42:00 Author:Jessie

5_V/1_A_SWITCHING_REGULATOR_
  (View)

View full Circuit Diagram | Comments | Reading(645)

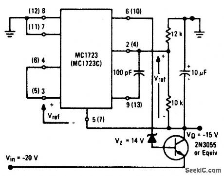
-15_V_NEGATIVE_REGULATOR_

Published:2009/6/28 21:41:00 Author:Jessie

-15_V_NEGATIVE_REGULATOR_
  (View)

View full Circuit Diagram | Comments | Reading(792)

HIGH_STABILITY_10_V_REGULATOR_

Published:2009/6/28 21:41:00 Author:Jessie

HIGH_STABILITY_10_V_REGULATOR_
  (View)

View full Circuit Diagram | Comments | Reading(581)

NEGATIVE_VOLTAGE_REGULATOR__

Published:2009/6/28 21:40:00 Author:Jessie

NEGATIVE_VOLTAGE_REGULATOR__
  (View)

View full Circuit Diagram | Comments | Reading(634)

1NEGATIVE_FLOATING_REGULATOR

Published:2009/6/28 21:38:00 Author:Jessie

1NEGATIVE_FLOATING_REGULATOR
  (View)

View full Circuit Diagram | Comments | Reading(516)

POSITIVE_SWITCHING_REGULATOR

Published:2009/6/28 21:37:00 Author:Jessie

POSITIVE_SWITCHING_REGULATOR
  (View)

View full Circuit Diagram | Comments | Reading(505)

NEGATIVE_FLOATING_REGULATOR

Published:2009/6/28 21:36:00 Author:Jessie

NEGATIVE_FLOATING_REGULATOR
  (View)

View full Circuit Diagram | Comments | Reading(584)

NEGATIVE_SWITCHING_REGULATOR

Published:2009/6/28 21:36:00 Author:Jessie

NEGATIVE_SWITCHING_REGULATOR
  (View)

View full Circuit Diagram | Comments | Reading(589)

REGULATED_SPLIT_POWER_SUPPLIES_FROM_A_SINGLE_SUPPLY

Published:2009/6/28 21:17:00 Author:May

REGULATED_SPLIT_POWER_SUPPLIES_FROM_A_SINGLE_SUPPLY
The oscillation frequency of the ICL7660 is reduced by the external oscillator capacitor, so that it inverts the battery voltage more efficiently.   (View)

View full Circuit Diagram | Comments | Reading(1205)

3_W_SWITCHING_REGULATOR_APPLICATION_CIRCUIT

Published:2009/6/28 21:16:00 Author:May

3_W_SWITCHING_REGULATOR_APPLICATION_CIRCUIT
  (View)

View full Circuit Diagram | Comments | Reading(657)

5_V,05_A_POWER_SUPPLY

Published:2009/6/28 21:15:00 Author:May

5_V,05_A_POWER_SUPPLY
The circuit is essentially a constant source modified by the feedback components R2 and R3 to give a constant voltage output.The output of the ZN424E need only be 2 volts above the negative rail, by placing the load in the collector of the output transistor Tr1. The current circuit is achieved by Tr1 and R5. This simple circuit has the following performance characteristics: Output noise and ripple (full load) = 1 mV rms. Load regulation (0 to 0.5 A) = 0.1%. Temperature coefficient = ± 100 ppm/℃. Current limit = 0.65 A.   (View)

View full Circuit Diagram | Comments | Reading(707)

SWITCHING_REGULATOR_OPERATING_AT_200_kHz

Published:2009/6/28 21:12:00 Author:May

SWITCHING_REGULATOR_OPERATING_AT_200_kHz
This circuit provides a regulated dc with less than 100 mV of ripple for microprocessor applications. Necessary operating voltages are taken from the bleeder resistor network connected across the unregulated 28 V supply. The output of the LM710 comparator (actually an oscillator running at 200 kHz) is fed through a level-shifting circuit to the base ofbipolar transistor Q2. This transistor is part of a bootstrap circuit necessary to turn the power MOSFET full on in totem-pole MOSFET arrays.   (View)

View full Circuit Diagram | Comments | Reading(1551)

SINGLE_TRANSISTOR_PHASE_SHIFTER

Published:2009/6/28 20:40:00 Author:May

SINGLE_TRANSISTOR_PHASE_SHIFTER
This circuit provides a simple means of obtaining phase shifts between zero and 170°.The transistor operates as a phase splitter, the output at point A being 180° out of phase with the input. Point B is in phase with the input phase. Adjusting R1 provides the sum of various proportions of these and hence a continuously variable phase shift is provided. The circuit operates well in the 600 Hz to 4 kHz range.   (View)

View full Circuit Diagram | Comments | Reading(1829)

PHASE_SEQUENCE_INDICATOR

Published:2009/6/28 20:39:00 Author:May

PHASE_SEQUENCE_INDICATOR
Simple, portable phase-sequence indicator determines the proper phase rotation in polyphase circuits. Major components are two neon lamps, two resistors, and a capacitor. In operation, the leg voltages are unbalanced, so that the lamp with the maximum voltage—or proper phase sequence—lights. Table shows typical component values for various circuit frequencies.   (View)

View full Circuit Diagram | Comments | Reading(4845)

ac_VOLTAGE_PROBE

Published:2009/6/26 5:32:00 Author:May

ac_VOLTAGE_PROBE
This simple probe can save your life by waming you of live circuitry. It's ideal for times when more than one person is working on a device.   (View)

View full Circuit Diagram | Comments | Reading(1262)

Pages:168/291 At 20161162163164165166167168169170171172173174175176177178179180Under 20