Position: Home > Circuit Diagram > Basic Circuit > Index 109
Low Cost Custom Prototype PCB Manufacturer

Basic Circuit

Index 109



The connection of inverter and three-phase motor

Published:2011/9/12 21:25:00 Author:Ecco | Keyword: connection, inverter , three-phase motor

The connection of inverter and three-phase motor
  (View)

View full Circuit Diagram | Comments | Reading(713)

Monostable circuit with a long-time delay

Published:2011/9/12 21:27:00 Author:Ecco | Keyword: Monostable circuit , long-time delay

Monostable circuit with a long-time delay
  (View)

View full Circuit Diagram | Comments | Reading(818)

Easy start-up astable circuit

Published:2011/9/12 21:28:00 Author:Ecco | Keyword: Easy start-up astable

Easy start-up astable circuit
  (View)

View full Circuit Diagram | Comments | Reading(647)

Three-tube astable circuit 1

Published:2011/9/12 20:48:00 Author:Ecco | Keyword: Three-tube astable circuit

Three-tube astable circuit 1
  (View)

View full Circuit Diagram | Comments | Reading(606)

Three-tube astable circuit 2

Published:2011/9/12 20:48:00 Author:Ecco | Keyword: Three-tube astable circuit

Three-tube astable circuit 2
  (View)

View full Circuit Diagram | Comments | Reading(641)

Three-tube astable driving three relays circuit

Published:2011/9/12 20:52:00 Author:Ecco | Keyword: Three-tube astable, driving three relays

Three-tube astable driving three relays circuit
  (View)

View full Circuit Diagram | Comments | Reading(639)

Three-tube astable triggering TRIAC circuit

Published:2011/9/12 20:58:00 Author:Ecco | Keyword: Three-tube astable, triggering TRIAC

Three-tube astable triggering TRIAC circuit
  (View)

View full Circuit Diagram | Comments | Reading(1114)

Touching switch circuit

Published:2011/9/12 21:31:00 Author:Ecco | Keyword: Touching switch

Touching switch circuit
  (View)

View full Circuit Diagram | Comments | Reading(656)

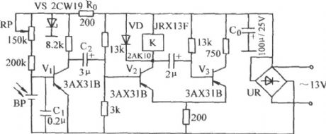
Optical breaker circuit

Published:2011/9/12 21:24:00 Author:Ecco | Keyword: Optical breaker

Optical breaker circuit
When the circuit is in quiescent (dark) state, the electromagnet M flows the current, if there is sufficient light shines on the phototransistor, it is turned on, then the last stage transistor is off, solenoid releases. As the feedback to the base of the phototransistor from the 1MΩ resistor, the photo-transistor still turns on as illumination cancels. Pressing the reset button T will make it return to the initial state. Darlington transistor can be replaced by an amplifier with larger magnification.   (View)

View full Circuit Diagram | Comments | Reading(746)

Optical solenoid circuit

Published:2011/9/12 21:25:00 Author:Ecco | Keyword: Optical solenoid

Optical solenoid circuit
  (View)

View full Circuit Diagram | Comments | Reading(736)

Emitter-coupled monostable circuit with driving two relays

Published:2011/9/12 21:36:00 Author:Ecco | Keyword: Emitter-coupled monostable , driving two relays

Emitter-coupled monostable circuit with driving two relays
  (View)

View full Circuit Diagram | Comments | Reading(641)

Emitter-coupled monostable circuit with driving relay

Published:2011/9/12 21:35:00 Author:Ecco | Keyword: Emitter-coupled monostable, driving relay

Emitter-coupled monostable circuit with driving relay
  (View)

View full Circuit Diagram | Comments | Reading(648)

Controllable astable circuit

Published:2011/9/12 21:31:00 Author:Ecco | Keyword: Controllable astable circuit

Controllable astable circuit
  (View)

View full Circuit Diagram | Comments | Reading(625)

Data transmission module circuit diagram

Published:2011/9/9 2:25:00 Author:Ecco | Keyword: Data transmission module

Data transmission module circuit diagram
  (View)

View full Circuit Diagram | Comments | Reading(674)

CPLD module circuit diagram

Published:2011/9/2 1:54:00 Author:Ecco | Keyword: CPLD module

CPLD module circuit diagram
  (View)

View full Circuit Diagram | Comments | Reading(741)

DSP module circuit diagram

Published:2011/9/2 1:54:00 Author:Ecco | Keyword: DSP module

DSP module circuit diagram
  (View)

View full Circuit Diagram | Comments | Reading(1014)

LCD-Connector circuit diagram

Published:2011/9/2 1:55:00 Author:Ecco | Keyword: LCD-Connector

LCD-Connector circuit diagram
  (View)

View full Circuit Diagram | Comments | Reading(664)

DA-serial port - power-MCU circuit diagram

Published:2011/9/9 2:32:00 Author:Ecco | Keyword: DA, serial port , power, MCU

DA-serial port - power-MCU circuit diagram
  (View)

View full Circuit Diagram | Comments | Reading(958)

Optocoupler driver circuit diagram

Published:2011/9/2 1:57:00 Author:Ecco | Keyword: Optocoupler driver

Optocoupler driver circuit diagram
  (View)

View full Circuit Diagram | Comments | Reading(1393)

TA8141S Typical application circuit diagram

Published:2011/9/2 1:40:00 Author:Ecco | Keyword: Typical application

TA8141S Typical application circuit diagram
  (View)

View full Circuit Diagram | Comments | Reading(565)

Pages:109/471 At 20101102103104105106107108109110111112113114115116117118119120Under 20