Position: Home > Circuit Diagram > Basic Circuit > Index 112
Low Cost Custom Prototype PCB Manufacturer

Basic Circuit

Index 112



ENC28J60 network Ethernet interface circuit diagram

Published:2011/9/2 1:22:00 Author:Ecco | Keyword: network, Ethernet interface

ENC28J60 network Ethernet interface circuit diagram
1. The rated current of ferrite bead is 100mA. 2. Only when the microcontroller runs at 5V, the level requires to convert-3.3V to 5.0V.   (View)

View full Circuit Diagram | Comments | Reading(4182)

IP101 network Ethernet interface circuit diagram

Published:2011/9/2 1:18:00 Author:Ecco | Keyword: network, Ethernet interface

IP101 network Ethernet interface circuit diagram
  (View)

View full Circuit Diagram | Comments | Reading(1543)

Absolutely available and reliable reset circuit diagram

Published:2011/9/2 1:02:00 Author:Ecco | Keyword: reset circuit

Absolutely available and reliable reset circuit diagram
  (View)

View full Circuit Diagram | Comments | Reading(817)

SJ04E Receiving circuit diagram

Published:2011/9/8 1:55:00 Author:Ecco | Keyword: Receiving circuit

SJ04E Receiving circuit diagram
  (View)

View full Circuit Diagram | Comments | Reading(671)

Buffer circuit principle

Published:2011/9/8 2:27:00 Author:Ecco | Keyword: Buffer circuit principle

Buffer circuit principle
  (View)

View full Circuit Diagram | Comments | Reading(662)

CD4017-based monostable trigger circuit diagram

Published:2011/9/9 1:41:00 Author:Ecco | Keyword: monostable trigger

CD4017-based monostable trigger circuit diagram
  (View)

View full Circuit Diagram | Comments | Reading(1129)

ISL6140 internal structure circuit diagram

Published:2011/9/9 1:52:00 Author:Ecco | Keyword: internal structure

ISL6140 internal structure circuit diagram
  (View)

View full Circuit Diagram | Comments | Reading(718)

STK4192 Application circuit diagram

Published:2011/8/31 22:28:00 Author:Ecco | Keyword: Application circuit

STK4192 Application circuit diagram
  (View)

View full Circuit Diagram | Comments | Reading(6125)

LJA7225 logic box circuit diagram

Published:2011/8/31 22:25:00 Author:Ecco | Keyword: logic box

LJA7225 logic box circuit diagram
  (View)

View full Circuit Diagram | Comments | Reading(625)

STK4301 Typical application circuit diagram

Published:2011/8/31 22:24:00 Author:Ecco | Keyword: Typical application

STK4301 Typical application circuit diagram
  (View)

View full Circuit Diagram | Comments | Reading(1944)

LJA7225 Typical application circuit diagram

Published:2011/8/31 22:15:00 Author:Ecco | Keyword: Typical application

LJA7225 Typical application circuit diagram
  (View)

View full Circuit Diagram | Comments | Reading(692)

E305SCH modular amplifier circuit diagram

Published:2011/9/14 2:55:00 Author:Ecco | Keyword: modular amplifier

E305SCH modular amplifier circuit diagram
  (View)

View full Circuit Diagram | Comments | Reading(1086)

CX20106A logic box circuit diagram

Published:2011/9/14 2:43:00 Author:Ecco | Keyword: logic box

CX20106A logic box circuit diagram
  (View)

View full Circuit Diagram | Comments | Reading(718)

12ay7 + ecc82 +6l6 push-pull circuit diagram

Published:2011/9/14 2:42:00 Author:Ecco | Keyword: push-pull circuit

12ay7 + ecc82 +6l6 push-pull circuit diagram
  (View)

View full Circuit Diagram | Comments | Reading(5543)

12ax7, 12au7 front machine circuit diagram

Published:2011/9/14 3:00:00 Author:Ecco | Keyword: front machine

12ax7, 12au7 front machine circuit diagram
  (View)

View full Circuit Diagram | Comments | Reading(3765)

EL34 single-end amplifier circuit diagram

Published:2011/9/14 2:48:00 Author:Ecco | Keyword: single-end amplifier

EL34 single-end amplifier circuit diagram
  (View)

View full Circuit Diagram | Comments | Reading(8301)

AC contactor power saving noiseless operation circuit (3)

Published:2011/9/14 21:27:00 Author:Christina | Keyword: AC, contactor, power saving, noiseless operation

AC contactor power saving noiseless operation circuit (3)
  (View)

View full Circuit Diagram | Comments | Reading(1057)

MOSFET equivalent circuit diagram of IGBT

Published:2011/9/14 2:17:00 Author:Ecco | Keyword: MOSFET equivalent, IGBT

MOSFET equivalent circuit diagram of IGBT
  (View)

View full Circuit Diagram | Comments | Reading(1712)

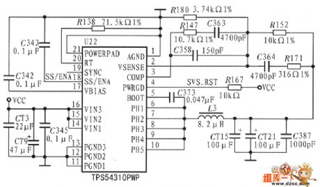
DSP core voltage (1.2V) circuit diagram

Published:2011/9/14 2:19:00 Author:Ecco | Keyword: DSP core voltage , 1.2V

DSP core voltage (1.2V) circuit diagram
  (View)

View full Circuit Diagram | Comments | Reading(664)

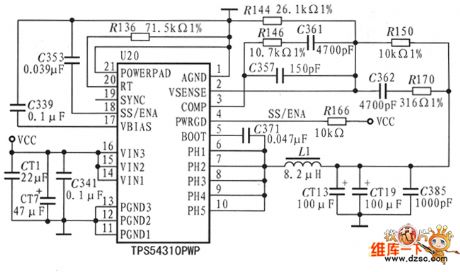
TPS54310P peripheral I - O voltage (3.3V) circuit diagram

Published:2011/9/14 2:21:00 Author:Ecco | Keyword: peripheral I - O voltage , 3.3V

TPS54310P peripheral I - O voltage (3.3V) circuit diagram
  (View)

View full Circuit Diagram | Comments | Reading(673)

Pages:112/471 At 20101102103104105106107108109110111112113114115116117118119120Under 20