Published:2011/6/21 0:14:00 Author:John | Keyword: program-controlled suspension, electronic power steering
Mazda 94THUNDERBIRD (program-controlled suspension) electronic power steering circuit is shown.
(View)
View full Circuit Diagram | Comments | Reading(1484)
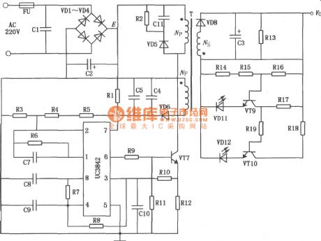
Published:2011/6/22 2:12:00 Author:TaoXi | Keyword: Voltage stabilization, power supply, performance, index, test circuit
The voltage stabilization power supply has two kinds of technology index: the first one is the characteristic index, it includes the input voltage, the output voltage, the output current and the output voltage adjustment range.etc; the other one is the quality index which can be used to measure the stability of the output DC voltage, it includes the voltage regulation coefficient (or the voltage adjustment rate), the output resistance (or the current adjustment rate), the ripple voltage (ripple coefficient) and the temperature coefficient. The test circuit is as shown in the figure.
(View)
View full Circuit Diagram | Comments | Reading(490)
Published:2011/6/24 4:33:00 Author:Nicole | Keyword: Shanghai Buick Royaum, car, serial communication
View full Circuit Diagram | Comments | Reading(412)
Published:2011/6/21 0:14:00 Author:John | Keyword: inside lamp, remote control door lock
Mazda 94THUNDERBIRD (without remote control door lock) inside lamp circuit is shown.
(View)
View full Circuit Diagram | Comments | Reading(710)
Published:2011/6/22 9:41:00 Author:chopper | Keyword: vocal type, logical pen, gate circuit
View full Circuit Diagram | Comments | Reading(727)
Published:2011/6/22 9:44:00 Author:chopper | Keyword: message display type, logical pen, gate circuit
View full Circuit Diagram | Comments | Reading(668)
Published:2011/6/21 0:13:00 Author:John | Keyword: inside lamp, remote control door lock
Mazda 94THUNDERBIRD (with remote control door lock) inside lamp circuit is shown.
(View)
View full Circuit Diagram | Comments | Reading(1116)
Published:2011/6/22 2:35:00 Author:TaoXi | Keyword: filter circuit, output return circuit
In the frequency range of 0.15~1MHz, the harassment mainly exists in the form of common mode, in the frequency range of 1~10MHz, the harassment mainly exists in the forms of differential mode and common mode, when the frequency range is higher than 10MHz, the harassment mainly exists in the form of common mode. The differential mode harassment is caused by the switch tube that is in the operating state, when the switch tube opens, the current of the power line rises linearly, when the switch tube closes, the current is zero, so the current of the power line is the high frequency triangle pulse current, and it has rich high-frequency harmonic component.
(View)
View full Circuit Diagram | Comments | Reading(479)
Published:2011/6/22 9:54:00 Author:chopper | Keyword: battery charger, lectromotive bicycle
View full Circuit Diagram | Comments | Reading(9699)
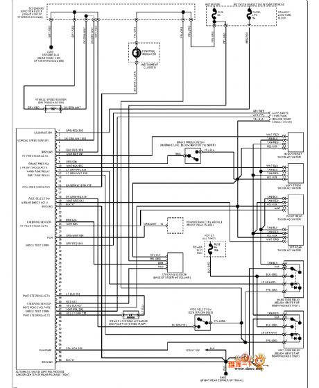
Published:2011/6/21 0:13:00 Author:John | Keyword: electric suspension
Mazda 94THUNDERBIRD electric suspension circuit is shown.
(View)
View full Circuit Diagram | Comments | Reading(625)
Published:2011/6/22 9:58:00 Author:chopper | Keyword: message display type, logical pen circuit, gate circuit
View full Circuit Diagram | Comments | Reading(721)
Published:2011/6/20 6:42:00 Author:chopper | Keyword: message display, logical pen, gate circuit
View full Circuit Diagram | Comments | Reading(741)
Published:2011/6/17 20:39:00 Author:chopper | Keyword: simple, charger circuit
View full Circuit Diagram | Comments | Reading(983)
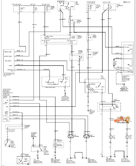
Published:2011/6/21 0:14:00 Author:John | Keyword: electric door lock
Mazda 94THUNDERBIRD electric door lock circuit is shown.
(View)
View full Circuit Diagram | Comments | Reading(1216)
Published:2011/6/22 2:34:00 Author:TaoXi | Keyword: Single peak, feature, filter circuit


The single peak feature filter circuit which is composed of the single op-amp is as shown in the figure. This circuit uses a op-amp and a few components to form the filter, it has the same features with the filter circuit that is composed of the LC components, if you do not change the circuit gain, you can adjust the resonant frequency easily. This circuit uses the potentiometer PR1 to adjust the resonance frequency. When the value of PR1 is from the maximum to the minimun, the resonance frequency adjustment range is:
(View)
View full Circuit Diagram | Comments | Reading(550)
Published:2011/6/17 20:38:00 Author:chopper | Keyword: message display, logical pen, gate circuit
View full Circuit Diagram | Comments | Reading(728)
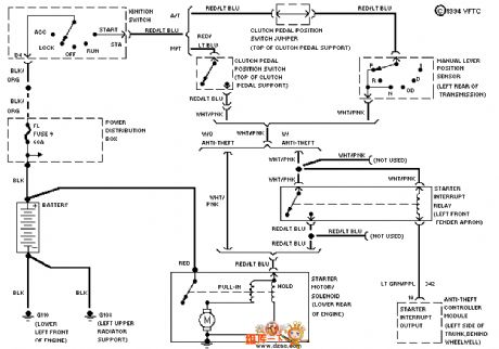
Published:2011/6/21 0:15:00 Author:John
Mazda 94THUNDERBIRD (3.8L, SC) starting circuit is shown.
(View)
View full Circuit Diagram | Comments | Reading(677)
Published:2011/6/22 2:36:00 Author:TaoXi | Keyword: Single-phase, full wave, rectifier, filter
Single-phase full wave rectifier filter circuit (View)
View full Circuit Diagram | Comments | Reading(1246)
Published:2011/6/21 0:18:00 Author:John | Keyword: photosensitive rear mirror
Mazda 94THUNDERB photosensitive rear mirror circuit is shown.
(View)
View full Circuit Diagram | Comments | Reading(664)
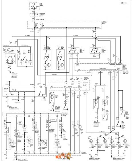
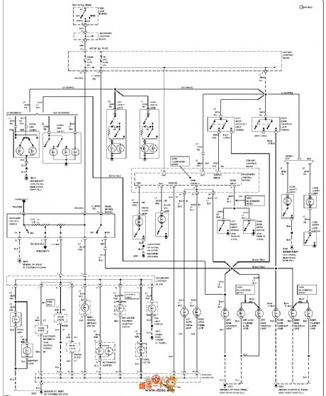
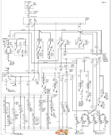
Published:2011/6/21 0:15:00 Author:John | Keyword: automatic light
Mazda 94THUNDERBIRD (with DRL) automatic light circuit is shown.
(View)
View full Circuit Diagram | Comments | Reading(821)
| Pages:1689/2234 At 2016811682168316841685168616871688168916901691169216931694169516961697169816991700Under 20 |