Position: Home > Circuit Diagram > Index 1717
Low Cost Custom Prototype PCB Manufacturer

Circuit Diagram

Index 1717

direct conversion receiver using a piece of TDA-7000 chip circuit

Published:2011/6/16 5:55:00 Author:John | Keyword: direct conversion receiver

direct conversion receiver using a piece of TDA-7000 chip circuit
The following figure shows DCR front-end circuit based on TDA-7000 according to Daulton's design. This circuit is designed similarly as others because it also uses the balanced front-end circuit. Besides, internal oscillator has been used as variable frequency oscillator (VFO), just like the typical NE-602 design. The subsequent circuit is similar to typical NE-602 design. But the biggest difference is to use TDA-7000's internal op-amp to provide active band-pass filter.   (View)

View full Circuit Diagram | Comments | Reading(3495)

NE-602 direct conversion receiver complete circuit

Published:2011/6/16 0:17:00 Author:John | Keyword: direct conversion receiver

NE-602  direct conversion receiver complete circuit
The figure below shows the design of Dillon. NE-602's push-pull output (referring to the simultaneous use of pin 4 and pin) is utilized, which is more advanced than the single-ended output. Dillon points out that the balanced output enhances performance, especially for the inhibition on AMBOB breakthrough. Meanwhile, the helpful device for the AM break is the 0.47μF capacitor across the NE-602 output ends. NE-602 direct conversion receiver complete circuit   (View)

View full Circuit Diagram | Comments | Reading(5523)

Direct conversion receiver partial circuit

Published:2011/6/16 0:12:00 Author:John | Keyword: Direct conversion receiver

Direct conversion receiver partial circuit
The figure shows the simplest form of NE-602 DCR basic circuit. There are multiple structures of the input parts and local oscillator partial circuits. The figure shows the most common one. Output signal is led from pin 4 or pin 5 and is feedback to the audio amplifier. This circuit can work but not be recommended, because the circuit will be relatively with large noise and image signal and no filtering. Figure: NE-602 Direct conversion receiver partial circuit   (View)

View full Circuit Diagram | Comments | Reading(1048)

Two kinds of eliminating AM broadcast band interference filters circuit

Published:2011/6/16 0:05:00 Author:John | Keyword: filter

Two kinds of eliminating AM broadcast band interference filters circuit
In order to overcome the impact of AM break, several different measures can be used. Among them, the direct conversion receiver is well isolated to eliminate the antenna effect in the circuit conductors. Even so, coaxial cable can be used between the DCR printed circuit board and the antenna connector. Despite of the isolation methods which do not influence the signal on antenna itself, the input signal should be subject to at least a few LC filter network. Filter network can be not only a band-pass filter which can pass certain frequency through the spectrum but can limit other frequencies, but also can be tuned into a single frequency.   (View)

View full Circuit Diagram | Comments | Reading(990)

Mazda 95TAURUS (with DRL) automatic and fog lights circuit

Published:2011/6/21 0:43:00 Author:John | Keyword: automatic and fog lights

Mazda 95TAURUS (with DRL) automatic and fog lights circuit
Mazda 95TAURUS (with DRL) automatic and fog lights circuit is shown.   (View)

View full Circuit Diagram | Comments | Reading(643)

Mazda 95TAURUS E-turn circuit

Published:2011/6/21 0:44:00 Author:John | Keyword: E-turn

Mazda 95TAURUS E-turn circuit
Mazda 95TAURUS E-turn circuit is shown.   (View)

View full Circuit Diagram | Comments | Reading(576)

Mazda 96TAURUS (3.4L, SHO) engine performance circuit

Published:2011/6/21 0:33:00 Author:John | Keyword: engine performance

Mazda 96TAURUS (3.4L, SHO) engine performance circuit
Mazda 96TAURUS (3.4L, SHO) engine performance circuit is shown.   (View)

View full Circuit Diagram | Comments | Reading(618)

Mazda 95TAURUS (3.0L) charging system circuit

Published:2011/6/21 0:34:00 Author:John | Keyword: charging system

Mazda 95TAURUS (3.0L) charging system circuit
Mazda 95TAURUS (3.0L) charging system circuit is shown.   (View)

View full Circuit Diagram | Comments | Reading(675)

Mazda 95TAURUS (3.0L) Electronic instrument panel circuit

Published:2011/6/21 0:35:00 Author:John | Keyword: Electronic instrument panel

Mazda 95TAURUS (3.0L) Electronic instrument panel circuit
Mazda 95TAURUS (3.0L) Electronic instrument panel circuit is shown.   (View)

View full Circuit Diagram | Comments | Reading(649)

Mazda 95TAURUS (3.0L) air-conditioning fan circuit

Published:2011/6/21 0:35:00 Author:John | Keyword: air-conditioning fan

Mazda 95TAURUS (3.0L) air-conditioning fan circuit
Mazda 95TAURUS (3.0L) air-conditioning fan circuit is shown.   (View)

View full Circuit Diagram | Comments | Reading(568)

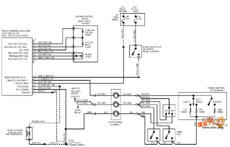
Mazda 95TAURUS (3.0L) cruise control circuit

Published:2011/6/21 0:35:00 Author:John | Keyword: cruise control

Mazda 95TAURUS (3.0L) cruise control circuit
Mazda 95TAURUS (3.0L) cruise control circuit is shown.   (View)

View full Circuit Diagram | Comments | Reading(746)

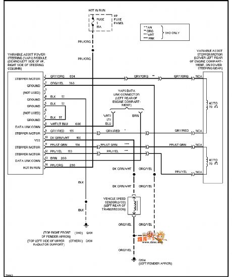
Mazda 95TAURUS (3.0L, SHO) dashboard circuit

Published:2011/6/21 0:35:00 Author:John | Keyword: dashboard

Mazda 95TAURUS (3.0L, SHO) dashboard circuit
Mazda 95TAURUS (3.0L, SHO) dashboard circuit is shown.   (View)

View full Circuit Diagram | Comments | Reading(620)

Mazda 95TAURUS (3.2L, SHO) dashboard circuit

Published:2011/6/21 0:35:00 Author:John | Keyword: dashboard

Mazda 95TAURUS (3.2L, SHO) dashboard circuit
Mazda 95TAURUS (3.2L, SHO) dashboard circuit is shown.   (View)

View full Circuit Diagram | Comments | Reading(668)

Mazda 95TAURUS (3.0L, SHO) air-conditioning fan circuit

Published:2011/6/21 0:35:00 Author:John | Keyword: air-conditioning fan

Mazda 95TAURUS (3.0L, SHO) air-conditioning fan circuit
Mazda 95TAURUS (3.0L, SHO) air-conditioning fan circuit is shown.   (View)

View full Circuit Diagram | Comments | Reading(600)

Mazda 95TAURUS (3.2L, SHO) lamp monitor circuit

Published:2011/6/21 0:36:00 Author:John | Keyword: lamp monitor

Mazda 95TAURUS (3.2L, SHO) lamp monitor circuit
Mazda 95TAURUS (3.2L, SHO) lamp monitor circuit is shown.   (View)

View full Circuit Diagram | Comments | Reading(621)

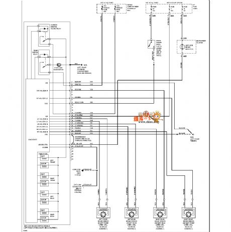
Mazda 95TAURUS (3.2L, SHO) ABS circuit

Published:2011/6/21 0:36:00 Author:John | Keyword: ABS

Mazda 95TAURUS (3.2L, SHO) ABS circuit
Mazda 95TAURUS (3.2L, SHO) ABS circuit is shown.   (View)

View full Circuit Diagram | Comments | Reading(583)

Programmable signal generator composed of 8031 SCM

Published:2011/6/20 8:18:00 Author:Lucas | Keyword: Programmable , signal generator, SCM

Programmable signal generator composed of 8031 SCM
  (View)

View full Circuit Diagram | Comments | Reading(768)

Mazda 96TAURUS dashboard lighting circuit

Published:2011/6/21 0:29:00 Author:John | Keyword: dashboard lighting

Mazda 96TAURUS dashboard lighting circuit
Mazda 96TAURUS dashboard lighting circuit is shown.   (View)

View full Circuit Diagram | Comments | Reading(582)

Mazda 96TAURUS electric roof circuit

Published:2011/6/21 0:30:00 Author:John | Keyword: electric roof

Mazda 96TAURUS electric roof circuit
Mazda 96TAURUS electric roof circuit is shown.   (View)

View full Circuit Diagram | Comments | Reading(677)

Mazda 96TAURUS front wiper washer circuit

Published:2011/6/21 0:30:00 Author:John | Keyword: front wiper washer

Mazda 96TAURUS front wiper washer circuit
Mazda 96TAURUS front wiper washer circuit is shown.   (View)

View full Circuit Diagram | Comments | Reading(624)

Pages:1717/2234 At 2017011702170317041705170617071708170917101711171217131714171517161717171817191720Under 20