Published:2011/6/4 13:13:00 Author:John | Keyword: constant current charger
Switching power supply constant current charger circuit is shown below.
(View)
View full Circuit Diagram | Comments | Reading(4625)
Published:2011/6/4 13:14:00 Author:John | Keyword: instrumentation amplifier
Variable gain and differential-input instrumentation amplifier is shown below.
(View)
View full Circuit Diagram | Comments | Reading(2164)
Published:2011/6/4 13:15:00 Author:John | Keyword: Quartz multivibrator
Figure: Quartz multivibrator circuit (View)
View full Circuit Diagram | Comments | Reading(680)
Published:2011/6/5 2:43:00 Author:John | Keyword: Field-effect transistor
Field-effect transistor SP81、SP8K2、SP8K24 internal circuit is shown below.
(View)
View full Circuit Diagram | Comments | Reading(995)
Published:2011/6/5 2:44:00 Author:John | Keyword: Field-effect transistor
Field-effect transistor SP8J1、SP8J2、SP8J3、SP8J5 internal circuit is shown below.
(View)
View full Circuit Diagram | Comments | Reading(843)
Published:2011/6/5 2:52:00 Author:John | Keyword: Five-divider frequency
Figure: Five-divider frequency circuitWhen the counting pulse is input from the INB, the output would be QB, QC and QD. Such would form quinary counter (also called five-divider frequency circuit), whose circuit is just as shown in Figure 2-3. Use four-trace oscilloscope to record the output waveform. (View)
View full Circuit Diagram | Comments | Reading(557)
Published:2011/6/4 13:28:00 Author:John | Keyword: switching-regulator
One switching-regulator circuit is shown in the following.
(View)
View full Circuit Diagram | Comments | Reading(1616)
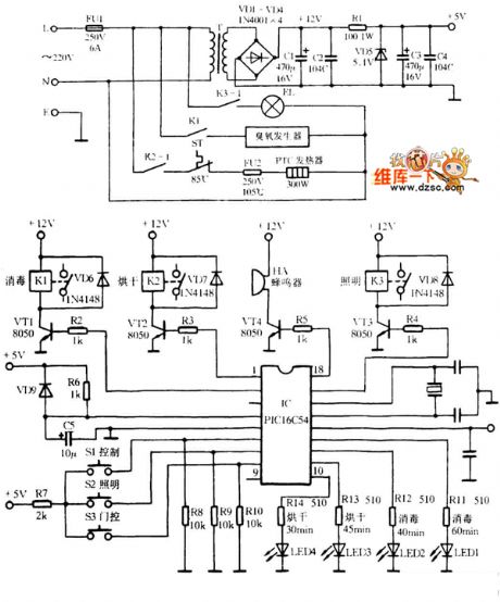
Published:2011/6/4 13:29:00 Author:John | Keyword: electronic sterilizer
pic16c54 control Gree electronic sterilizer circuit is shown in the following.
(View)
View full Circuit Diagram | Comments | Reading(1813)
Published:2011/6/4 13:30:00 Author:John | Keyword: Field-effect transistor
Field-effect transistor SP8M10、SP8M2、SP8M21、SP8M24 internal circuit is shown below.
(View)
View full Circuit Diagram | Comments | Reading(831)
Published:2011/6/4 23:59:00 Author:John | Keyword: Symmetric multivibrator
Figure: Symmetric multivibrator circuitMultivibrator is a self-oscillation circuit. Because there is no stable working state, multivibrator is also known as non-steady-state circuit. Specifically, if the multivibrator is at the state 0 at the very beginning, it would keep the state 0 for a period of time and then automatically run into state 1afterwards. If it remains state 1 for a period of time, it will automatically transfer to state 0. Such transfer would occur again and again, outputting the rectangular wave. (View)
View full Circuit Diagram | Comments | Reading(675)
Published:2011/6/5 Author:John | Keyword: parking sensor
Hainan Mazda parking sensor circuit is shown below.
(View)
View full Circuit Diagram | Comments | Reading(2334)
Published:2011/6/5 0:02:00 Author:John | Keyword: amplifier
Herald M810 amplifier system control circuit( two) is shown below.
(View)
View full Circuit Diagram | Comments | Reading(689)
Published:2011/6/8 9:39:00 Author:John
RQA0004PXDQS、RQA0005QXDQA、RQA0008RXDQS internal circuit is shown in the following.
(View)
View full Circuit Diagram | Comments | Reading(648)
Published:2011/6/5 22:12:00 Author:John | Keyword: electromagnetic cooker
HF-10A type electromagnetic cooker circuit is shown in the following.
(View)
View full Circuit Diagram | Comments | Reading(964)
Published:2011/6/5 22:10:00 Author:John | Keyword: Single remote control
Single remote control (multi-coding) circuit is shown below.
(View)
View full Circuit Diagram | Comments | Reading(689)
Published:2011/6/5 22:08:00 Author:John | Keyword: electromagnetic cooker
Yonghua M0-88 type electromagnetic cooker circuit is shown below.
(View)
View full Circuit Diagram | Comments | Reading(754)
Published:2011/6/5 10:52:00 Author:John | Keyword: prolonging signal light
Use former two out of 4011 CMOS’s 4 non-door to constitute a chopper oscillator. And use a 1MΩ potentiometer to change the duty cycle. If the third non-door is not connected, it is helpful to apply the input end of the fourth non-door into the integrated circuit (14). Before the power is turned, the potentiometer is firstly transferred to the middle position and then is regulated. In order to prolong the original battery life of 3 times, 50% duty cycle should be provided signal light with intermittent signal current and double voltage.
(View)
View full Circuit Diagram | Comments | Reading(663)
Published:2011/6/5 10:45:00 Author:John | Keyword: electromagnetic cooker
Wanbao DC2-13 series type electromagnetic cooker circuit is shown in the following.
(View)
View full Circuit Diagram | Comments | Reading(1059)
Published:2011/6/5 10:20:00 Author:John | Keyword: cooker


Suopu SP-200 type cooker circuit is shown below.
(View)
View full Circuit Diagram | Comments | Reading(878)
Published:2011/6/5 3:53:00 Author:John | Keyword: color display
SGVA color display FUJITSU FMV-DPS84Y2 type power supply circuit is shown in the following.
(View)
View full Circuit Diagram | Comments | Reading(584)
| Pages:1811/2234 At 2018011802180318041805180618071808180918101811181218131814181518161817181818191820Under 20 |