Published:2011/6/8 4:11:00 Author:qqtang | Keyword: integrated process circuit, analog audio signals



TA31080 is an integrated process circuit of analog audio signals produced by Toshiba, which is widely used in recorders.1.pin functionsTA31080 is in 24-pin dual line package, whose pin functions are in Table 1.Table 1. Pin functions of TA31080
2.typical application circuitThe typical application circuit of analog audio signal process, which consists of TA31080, is shown in Figure 1.Figure 1. The internal circuit and typical application circuit of TA31080
(View)
View full Circuit Diagram | Comments | Reading(1003)
Published:2011/6/8 4:23:00 Author:qqtang | Keyword: brightness/chroma, integrated circuit



TA8844N is the brightness/chroma and scanning integrated circuit produced by Toshiba, which is widely used in large screen color TV sets.1.function featuresTA8844N is manufactured for large screen color TV sets, which contains the brightness signal process circuit, picture quality changing circuit, text signal process circuit, chroma signal process circuit, PAL/NTSC/SECAM switch and type recognizing circuit, travelling field scanning small signal process circuit and other additional circuits. Its internal circuit is shown in Figure1.
2.pin functions and data
(View)
View full Circuit Diagram | Comments | Reading(752)
Published:2011/6/9 4:17:00 Author:John
RHU002N06、RHU003N03、RJK005N03、RJP020N06 internal circuit is shown below.
(View)
View full Circuit Diagram | Comments | Reading(668)
Published:2011/6/9 4:13:00 Author:John
RUJ002N06、RJU003N03、RK7002A internal circuit is shown below.
(View)
View full Circuit Diagram | Comments | Reading(622)
Published:2011/6/9 4:01:00 Author:John | Keyword: Serial LED digital tube
Serial LED digital tube dynamic scanning circuit is shown below.
(View)
View full Circuit Diagram | Comments | Reading(641)
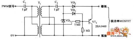
Published:2011/6/9 0:33:00 Author:John | Keyword: gate drive
90% for the maximum duty cycle gate drive circuit is shown in the figure. The key of the circuit is the clamp circuit composed of capacitance coupling circuit and VD1. The secondary side output signal of pulse transformer Tl is positive. When the upper part is positive and the lower one is negative, the output signal leads to conduct VD2 and VD3 through C2. Such provides drive signals for the power MOSFET’s gate and drives it to turn on. When the secondary side output signal of T1 is negative, also known as that upper part is negative and the lower one is positive, VD2 and VD3 turn off due to the clamping action of VD1. VTl is saturated to conduct, leading the power MOS-FET gate’s charge to be rapidly discharged. As a result, on / off delay time for the power MOSFET has been reduced.
(View)
View full Circuit Diagram | Comments | Reading(654)
Published:2011/6/9 21:10:00 Author:qqtang | Keyword: high speed control, integrated circuit
PAL16R8A is a high speed control storage recognition integrated circuit produced by Philips, which is used in Changhong project color TV sets.1.function featuresPAL16R8A consists of the clock circuit and data circuit, etc.2.pin functions and dataPAL16R8A is in 20-pin dual line package, whose pin functions and data are listed in the table.Pin functions and data of PAL16R8A
(View)
View full Circuit Diagram | Comments | Reading(772)
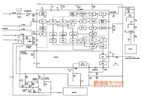
Published:2011/6/8 4:36:00 Author:qqtang | Keyword: integrated circuit, color, transient characteristic


1.function featuresTA8814N contains the pulse generator, clamper, time delay circuit, all kinds of amplifiers, phase inverter, mode selecting switch, gain control, Y adjusting circuit, adder and other additional circuits.2.the internal circuit, pin functions and typical application circuitTA8814N is in 20-pin dual in-line package, whose internal circuit, pin functions and typical application circuit are shown in figure 1.3. Tested typical dataThe tested typical working parameters of TA8814N are listed in Table 1 for reference.
(View)
View full Circuit Diagram | Comments | Reading(473)
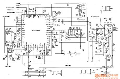
Published:2011/6/8 6:24:00 Author:qqtang | Keyword: sub-image, multi-system, synchronized signal



TA8795AF is an integrated circuit of the sub-image multi-system brightness/chroma/synchronized signal process, which is widely used in Toshiba large screen PIP color TV cores, such as Changhong NC-3 core, etc.1.function featuresTA8795AF includes the brightness signal process circuit, chroma signal process circuit, synchronized signal process circuit, all kinds of switches and relevant aid circuits.2.pin functions and dataTA8795AF is in 60-pin square package.
3.typical application circuit
(View)
View full Circuit Diagram | Comments | Reading(617)
Published:2011/6/8 6:38:00 Author:qqtang | Keyword: brightness/chroma/bias process, integrated circuit



1.function featuresTA8783N includes sub-circuits of the PAL/NTSC chroma signal process, brightness signal process, matrix converting, synchronized separation, 32fH line frequency oscillator, sandcastle pulse generating, travelling field motivating pulse generating, etc, which is under the control of CPU. Whether the circuit can come into work depends on whether CPU brings a right data general signal.2.pin functions and dataTA8783 is in 64-pin package, whose pin functions are shown in Table 1, and its working parameters are listed in Figure 2.
(View)
View full Circuit Diagram | Comments | Reading(5403)
Published:2011/6/8 7:16:00 Author:qqtang | Keyword: character parameter, symbol display elements
CL300 LED±symbol display elements characterize low-power, high reliability, long lifespan and so on, which is used in digital equipment, instruments and all kinds of digital devices, + and - are the indication. The main characteristic parameters are listed in the table. Table:The main characteristic parameters of CL300 LED +/- symbol display elements
(View)
View full Circuit Diagram | Comments | Reading(681)
Published:2011/6/8 7:30:00 Author:qqtang | Keyword: multi-line electric switch, integrated circuit



A8777N is a multi-line electric switch shifting integrated circuit, which is widely used in audio systems and video systems.1.functions featuresA8777N contains I2C general connector circuit, clamper circuit, multi-line electric circuit and other additional circuit. This circuit can shift all kinds of signals under the control of I2C general line signals.2.the internal circuit and pin functionsThe internal circuit and pin functions of A8777N are shown in figure 1.Figure1 The internal circuit and pin functions of A8777N
(View)
View full Circuit Diagram | Comments | Reading(1428)
Published:2011/6/5 3:23:00 Author:John | Keyword: 8 binary counter
The number of two or more required to connect with cascaded 74LS90 chip. When the low chip reaches the full count, the highest point of the low chip low would be regarded as binary. And such would be sent to the CP end of a high chip. (View)
View full Circuit Diagram | Comments | Reading(589)
Published:2011/6/8 6:55:00 Author:qqtang | Keyword: decoding, integrated circuit


TA8765N —SECABM is the decoding integrated circuit produced by Toshiba, which is widely used in local and imported large screen multi-system color TV, such as Changhong NC-6 core.1.function featuresTA8765N —SECABM includes the sand castle signal process circuit, I2C general connector circuit, system recognition and output circuit, chroma signal frequency discrimination APC filter circuit, ACC filter circuit, switch output circuit, MOV switch circuit, D/A converting circuit and other additional function circuit,etc. Its internal circuit is in Figure 1.
(View)
View full Circuit Diagram | Comments | Reading(641)
Published:2011/6/5 3:22:00 Author:John | Keyword: display
SHARP SK-180 type display power supply circuit is shown below.
(View)
View full Circuit Diagram | Comments | Reading(953)
Published:2011/6/5 3:20:00 Author:John | Keyword: Field-effect transistor
Field-effect transistor RTQ025P02、RTQ030P02、RTQ035P02 internal circuit is shown below.
(View)
View full Circuit Diagram | Comments | Reading(650)
Published:2011/6/5 3:17:00 Author:John | Keyword: Field-effect transistor
Field-effect transistor RTQ040P02、RTR020P02 internal circuit is shown below.
(View)
View full Circuit Diagram | Comments | Reading(621)
Published:2011/6/5 2:57:00 Author:John | Keyword: transistor
Transistor RS232 conversion circuit is shown below.
(View)
View full Circuit Diagram | Comments | Reading(3888)
Published:2011/6/5 2:54:00 Author:John | Keyword: Field-effect transistor
Field-effect transistor RTQ045N03 internal circuit is shown below.
(View)
View full Circuit Diagram | Comments | Reading(741)
Published:2011/6/5 2:54:00 Author:John | Keyword: Field-effect transistor
Field-effect transistor SM6K2 internal circuit is shown below.
(View)
View full Circuit Diagram | Comments | Reading(710)
| Pages:1805/2234 At 2018011802180318041805180618071808180918101811181218131814181518161817181818191820Under 20 |