Position: Home > Circuit Diagram > Index 2086
Low Cost Custom Prototype PCB Manufacturer

Circuit Diagram

Index 2086

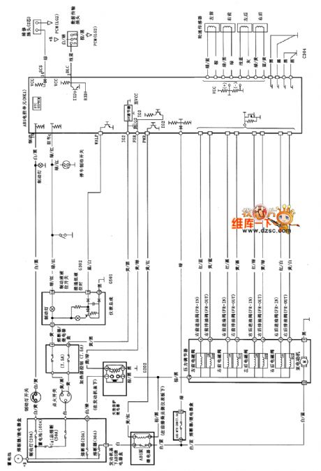
Guangzhou Honda accord Anti skid brake system(ABS) circuit diagram

Published:2011/4/14 21:27:00 Author:muriel | Keyword: Guangzhou Honda accord , Anti skid brake system(ABS)

Guangzhou Honda accord Anti skid brake system(ABS) circuit diagram
Guangzhou Honda accord Anti skid brake system(ABS) circuit diagram is as shown   (View)

View full Circuit Diagram | Comments | Reading(2037)

XSARA saloon car engine machine oil liquid level and pressure circuit diagram

Published:2011/4/14 21:32:00 Author:muriel | Keyword: XSARA , saloon car , engine machine oil liquid level and pressure

XSARA saloon car engine machine oil liquid level and pressure circuit diagram
XSARA saloon car engine machine oil liquid level and pressure circuit diagram is as shown   (View)

View full Circuit Diagram | Comments | Reading(701)

Guangzhou Honda accord cruise electronic control unit circuit diagram

Published:2011/4/14 21:25:00 Author:muriel | Keyword: Guangzhou Honda accord, cruise electronic control unit

Guangzhou Honda accord cruise electronic control unit circuit diagram
Guangzhou Honda accord cruise electronic control unit circuit diagram is as shown   (View)

View full Circuit Diagram | Comments | Reading(1096)

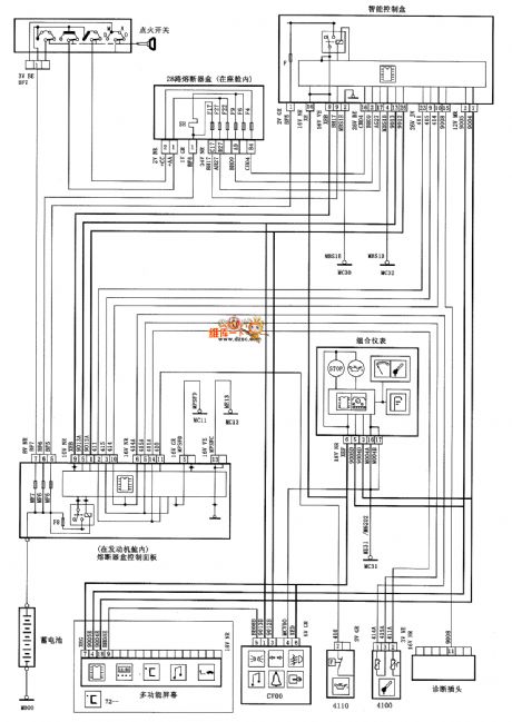
Guangzhou Honda accord supplementary restraint system control circuit diagram

Published:2011/4/14 21:24:00 Author:muriel | Keyword: Guangzhou Honda accord, supplementary restraint system control

Guangzhou Honda accord supplementary restraint system control circuit diagram
Guangzhou Honda accord supplementary restraint system controlcircuit diagram is as shown   (View)

View full Circuit Diagram | Comments | Reading(652)

XSARA saloon car fuel gauge circuit diagram

Published:2011/4/14 21:31:00 Author:muriel | Keyword: XSARA, saloon car , fuel gauge

XSARA saloon car fuel gauge circuit diagram
XSARA saloon car fuel gauge circuit diagram is as shown   (View)

View full Circuit Diagram | Comments | Reading(1246)

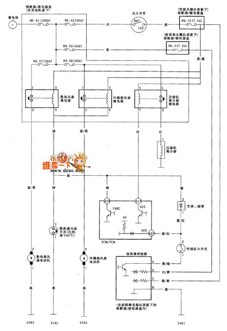
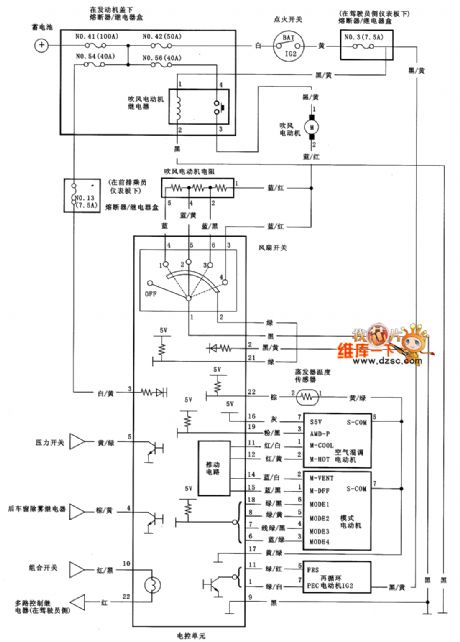
Guangzhou Honda accord air-conditioner circuit diagram

Published:2011/4/14 21:22:00 Author:muriel | Keyword: Guangzhou Honda accord, air-conditioner

Guangzhou Honda accord air-conditioner circuit diagram
Guangzhou Honda accord air-conditioner circuit diagram is as shown   (View)

View full Circuit Diagram | Comments | Reading(1170)

Guangzhou Honda accord refrigerating system circuit diagram

Published:2011/4/14 21:22:00 Author:muriel | Keyword: Guangzhou Honda accord, refrigerating system

Guangzhou Honda accord refrigerating system circuit diagram
Guangzhou Honda accord refrigerating system circuit diagram is as shown   (View)

View full Circuit Diagram | Comments | Reading(602)

Guangzhou Honda accord automatic temperature control circuit diagram

Published:2011/4/14 21:21:00 Author:muriel | Keyword: Guangzhou Honda accord, automatic temperature control

Guangzhou Honda accord automatic temperature control circuit diagram
Guangzhou Honda accord automatic temperature control circuit diagram is as shown   (View)

View full Circuit Diagram | Comments | Reading(949)

Guangzhou Honda accord anti theft system circuit diagram

Published:2011/4/14 21:20:00 Author:muriel | Keyword: Guangzhou Honda accord , anti theft system

Guangzhou Honda accord anti theft system circuit diagram
Guangzhou Honda accord anti theft system circuit diagram is as shown   (View)

View full Circuit Diagram | Comments | Reading(558)

Guangzhou Honda accord anti theft system circuit diagram(one)

Published:2011/4/14 21:18:00 Author:muriel | Keyword: Guangzhou Honda accord, anti theft system

Guangzhou Honda accord anti theft system circuit diagram(one)
Guangzhou Honda accord anti theft system circuit diagram(one) is as shown   (View)

View full Circuit Diagram | Comments | Reading(700)

Guangzhou Honda accord anti theft system circuit diagram(two)

Published:2011/4/14 21:19:00 Author:muriel | Keyword: Guangzhou Honda accord, anti theft system

Guangzhou Honda accord anti theft system circuit diagram(two)
Guangzhou Honda accord anti theft system circuit diagram(two) is as shown   (View)

View full Circuit Diagram | Comments | Reading(767)

Guangzhou Honda accord combination switch circuit diagram

Published:2011/4/14 21:15:00 Author:muriel | Keyword: Guangzhou Honda accord , combination switch

Guangzhou Honda accord combination switch circuit diagram
Guangzhou Honda accord combination switch circuit diagram is as shown   (View)

View full Circuit Diagram | Comments | Reading(615)

Guangzhou Honda accord steering danger warning circuit diagram

Published:2011/4/14 21:14:00 Author:muriel | Keyword: Guangzhou Honda accord , steering danger warning

Guangzhou Honda accord steering danger warning circuit diagram
Guangzhou Honda accord steering danger warning circuit diagram is as shown   (View)

View full Circuit Diagram | Comments | Reading(610)

XSARA saloon car key forgotten alarm and transponder circuit diagram

Published:2011/4/14 21:08:00 Author:muriel | Keyword: XSARA , saloon car, key forgotten alarm, transponder

XSARA saloon car key forgotten alarm and transponder circuit diagram
XSARA saloon car key forgotten alarm and transponder circuit diagram is as shown   (View)

View full Circuit Diagram | Comments | Reading(1743)

Zastava CA7200E3(L) type saloon car engine fuel injection system(two) circuit diagram

Published:2011/4/14 21:11:00 Author:muriel | Keyword: Zastava , saloon car, engine fuel injection system

Zastava CA7200E3(L) type saloon car engine fuel injection system(two) circuit diagram
Zastava CA7200E3(L) type saloon car engine fuel injection system(two) circuit diagram is as shown   (View)

View full Circuit Diagram | Comments | Reading(1383)

Zastava CA7200E3(L) type saloon car engine fuel injection system(three) circuit diagram

Published:2011/4/14 21:12:00 Author:muriel | Keyword: Zastava, saloon car , engine fuel injection system

Zastava CA7200E3(L) type saloon car engine fuel injection system(three) circuit diagram
Zastava CA7200E3(L) type saloon car engine fuel injection system(three) circuit diagram is as shown   (View)

View full Circuit Diagram | Comments | Reading(1004)

Zastava CA7200E3(L) type saloon car engine fuel injection system(four) circuit diagram

Published:2011/4/14 21:13:00 Author:muriel | Keyword: Zastava, saloon car, engine fuel injection system

Zastava CA7200E3(L) type saloon car engine fuel injection system(four) circuit diagram
Zastava CA7200E3(L) type saloon car engine fuel injection system(four) circuit diagram is as shown   (View)

View full Circuit Diagram | Comments | Reading(642)

XSARA saloon car rear windshield wiper and rear air window washing circuit diagram

Published:2011/4/14 21:05:00 Author:muriel | Keyword: XSARA, saloon car, rear windshield wiper , rear air window washing

XSARA saloon car rear windshield wiper and rear air window washing circuit diagram
XSARA saloon car rear windshield wiper and rear air window washing circuit diagram is as shown   (View)

View full Circuit Diagram | Comments | Reading(785)

JETTA AT, JETTA GT saloon car generator,starter,radiator and automatic choke circuit diagram

Published:2011/4/14 21:03:00 Author:muriel | Keyword: JETTA AT, JETTA GT , saloon car, generator, starter, radiator, automatic choke

JETTA AT, JETTA GT saloon car generator,starter,radiator and automatic choke circuit diagram
JETTA AT, JETTA GT saloon car generator,starter,radiator and automatic choke circuit diagram is as shown   (View)

View full Circuit Diagram | Comments | Reading(2469)

JETTA AT, JETTA GT saloon car induction manifold,ignition system,instrument circuit diagram

Published:2011/4/14 21:01:00 Author:muriel | Keyword: JETTA AT, JETTA GT , saloon car, induction manifold, ignition system, instrument, oil pressure gauge , water temperature sensor

JETTA AT, JETTA GT saloon car induction manifold,ignition system,instrument circuit diagram
JETTA AT, JETTA GT saloon car induction manifold,ignition system,instrument,oil pressure gauge and water temperature sensor circuit diagram is as shown   (View)

View full Circuit Diagram | Comments | Reading(1309)

Pages:2086/2234 At 2020812082208320842085208620872088208920902091209220932094209520962097209820992100Under 20