Low Cost Custom Prototype PCB Manufacturer

Oscillator Circuit

Index 6



Voltage Controlled Oscillator 1.2GHz

Published:2012/9/17 21:38:00 Author:Ecco | Keyword: Voltage Controlled Oscillator, 1.2GHz


Since high frequency voltage-controlled oscillators, or VCOs, are not easy to construct, Maxim (www.maxim-ic.com) has produced an integrated 1.2GHz oscillator, the MAX2754. The center frequency is set using the TUNE input, and a linear modulation input allows the frequency to be modulated. The IC is available in an 8-pin μMAX package, operates from a supply of between 2.7 V and 5.5 V, and draws a current of less than 2 mA. Both TUNE and MOD operate over control voltage range of +0.4 V to +2.4 V. TUNE allows the VCO frequency to be adjusted from 1050 MHz to 1270 MHz.   (View)

View full Circuit Diagram | Comments | Reading(928)

Astable/Monostable oscillator using 555 IC

Published:2012/9/17 21:37:00 Author:Ecco | Keyword: Astable/Monostable oscillator , 555 IC

Astable/Monostable oscillator using  555 IC
The 555 is a highly stable device for generating accurate time delays or oscillation. Aditional terminals are provided for triggering or resetting if desired. In the time delay (monostable) modeof operation the time is precisely controlled by one extrernal resistor and one capacitor. For stable operation as an oscillator, the free running frequency and the duty cycle are both accurately controlled with two external resistors and one capacitor.   (View)

View full Circuit Diagram | Comments | Reading(1201)

Adjustable Sine Square Wave Oscillator

Published:2012/9/17 21:31:00 Author:Ecco | Keyword: Adjustable, Sine Square Wave, Oscillator

Adjustable Sine Square Wave Oscillator
This is a adjustable sine square wave oscillator circuit.   (View)

View full Circuit Diagram | Comments | Reading(1542)

RF oscillator circuit (2N3904)

Published:2012/9/17 21:31:00 Author:Ecco | Keyword: RF oscillator

RF oscillator circuit (2N3904)
This basic RF oscillator circuit is easy to build and the components are not critical. Most of them can be found in your junk parts box. The L1 antenna col can be made by close winding 8 to 10 turns of 22 gauge insulted hookup wire around 1/4 inch form such as a pencil.   (View)

View full Circuit Diagram | Comments | Reading(5291)

100 MHz RF Oscillator Circuit

Published:2012/9/17 21:30:00 Author:Ecco | Keyword: 100 MHz , RF Oscillator


The following schematic diagram shows the design of a 100 MHz Radio Frequency RF Oscillator Circuit. The electrets microphone picks up and amplifies sound then fed it into the audio amplifier stage built around the first transistor. The output from the collector is fed into the base of the second transistor where it modulates the resonant frequency of the tank circuit (the 5 turn coil and the trim cap) by varying the junction capacitance of the transistor.   (View)

View full Circuit Diagram | Comments | Reading(1483)

Basic Hartley Oscillator

Published:2012/9/17 21:30:00 Author:Ecco | Keyword: Basic , Hartley Oscillator

Basic Hartley Oscillator
The Hartley Oscillator is characterised by an LC circuit in its collector. The base of the transistor is held steady and a small amount of signal is taken from a tapping on the inductor and fed to the emitter to keep the transistor in oscillation.   (View)

View full Circuit Diagram | Comments | Reading(1331)

Simple Colpitts Oscillator circuit

Published:2012/9/16 21:58:00 Author:Ecco | Keyword: Simple, Colpitts Oscillator

Simple Colpitts Oscillator circuit
The Colpitts Oscillator is characterised by tapping the mid-point of the capacitive side of the oscillator section. The inductor can be the primary side of a speaker transformer. The feedback comes via the inductor.   (View)

View full Circuit Diagram | Comments | Reading(2070)

Astable Multivibrator with 2 Transistors

Published:2012/9/16 21:57:00 Author:Ecco | Keyword: Astable Multivibrator , 2 Transistors

Astable Multivibrator with 2 Transistors
This circuit is basically simple and easy to build, it uses two transistors as active components and a few passive components like resistors, capacitors and two LEDs. The circuit makes use of the MPS2222 transistor. You can use any NPN type transistor as the basis of your circuit provided that, the transistors Emitter-Base Voltage is less than 12V and has a maximum value of 5V.   (View)

View full Circuit Diagram | Comments | Reading(4024)

High Speed Logic Astable Multivibrator (MC74HC04)

Published:2012/9/16 21:26:00 Author:Ecco | Keyword: High Speed , Logic , Astable Multivibrator

High Speed Logic Astable Multivibrator (MC74HC04)
The MC74HC04 IC is a low cost CMOS Hex Inverter. I used this type mainly because, it is what I have, although you can use LS type but, with a little modification or exemptions.   (View)

View full Circuit Diagram | Comments | Reading(2438)

Clock circuit using SX 28 internal oscillator

Published:2012/9/16 21:18:00 Author:Ecco | Keyword: Clock circuit, internal oscillator

Clock circuit using SX 28 internal oscillator
The SX 28 internal oscillator Is not that fast so an external oscillator can be hooked up to the processor as shown in the diagram to increase the operation cycles per second.   (View)

View full Circuit Diagram | Comments | Reading(1170)

Astable/Monostable oscillator using 555 IC

Published:2012/9/13 3:44:00 Author:Ecco | Keyword: Astable/Monostable , oscillator , 555 IC

Astable/Monostable oscillator using 555 IC
The 555 is a highly stable device for generating accurate time delays or oscillation. Aditional terminals are provided for triggering or resetting if desired. In the time delay (monostable) modeof operation the time is precisely controlled by one extrernal resistor and one capacitor. For stable operation as an oscillator, the free running frequency and the duty cycle are both accurately controlled with two external resistors and one capacitor. Source: NEXT.GR   (View)

View full Circuit Diagram | Comments | Reading(786)

555 Audio Oscillator

Published:2012/9/10 21:14:00 Author:Ecco | Keyword: 555 , Audio , Oscillator


A oscilloscope would be useful in analyzing the waveforms produced by this circuit, but it is not essential. An audio detector is a very useful piece of test equipment for this experiment, especially if you don't have an oscilloscope. Source: discovercircuits   (View)

View full Circuit Diagram | Comments | Reading(640)

CMOS INVERTER PARALLEL LC OSCILLATOR

Published:2012/9/9 21:15:00 Author:Ecco | Keyword: CMOS , INVERTER , PARALLEL , LC OSCILLATOR

CMOS INVERTER PARALLEL LC OSCILLATOR
I have used this parallel resonant LC oscillator circuit countless times. The oscillator frequency is determined by the inductor and capacitor values. I have shown an adjustable inductor to make it easy to set the frequency to a specific value. Once set the frequency is fairly stable over supply voltage variations and temperature changes. The values shown are for 125KHz but the frequency can range from tens of kilohertz to tens of megahertz. With a 74HCU04 type inverter, it will oscillate down to about 1.5 volts. If the frequency is low, you can also use a 74C04 (CD4069) inverter. Source: discovercircuits   (View)

View full Circuit Diagram | Comments | Reading(3861)

Ultra Low Current Oscillator (February 17, 2009)

Published:2012/9/9 20:51:00 Author:Ecco | Keyword: Ultra Low Current, Oscillator

Ultra Low Current Oscillator (February 17, 2009)
Here is a challenge. Design an astable oscillator which draws only a few nanoamps of current from a +3v supply. I gave this some thought and came up with the circuit below. I used some pretty standard parts except for three surface mounted 1000M resistors I had on hand. The oscillator frequency measured a low 1Hz frequency and the average current was a very low 3 nanoamps. If I had some higher resistors values handy, I think I could have gotten the current down below one nanoamp. Source: discovercircuits   (View)

View full Circuit Diagram | Comments | Reading(1552)

Low Power Oscillators

Published:2012/9/9 20:34:00 Author:Ecco | Keyword: Low Power , Oscillators

Low Power Oscillators
This page has two unusual two-transistor oscillators. I set the component values for a low frequency application. Both circuits draw only about 1 microamp of current. Source: discovercircuits   (View)

View full Circuit Diagram | Comments | Reading(1488)

Bathroom door controlled switch circuit (4)

Published:2012/9/6 21:55:00 Author:Ecco | Keyword: Bathroom door , controlled, switch

Bathroom door controlled switch circuit (4)
The circuit is simple, easy to make without debugging, and it can be used for bathroom exhaust fan controlling. The bathroom door controlled switch circuit consists of power circuit and control circuit, and it is shown in the figure. R selects 1/4W carbon film resistor or metal film resistor.C1 and C2 select aluminum electrolytic capacitors with voltage in 16V.VD uses 1N4001 or 1N4007 silicon rectifier diodes.UR selects 1A , 50V rectifier bridge pile.V uses C8050, S8050 or 3DG8050 silicon NPN transistor.T chooses 3W power transformer with 9V secondary voltage.K selects 4098 9V DC relay.S1 is theoriginal ventilator outlet's power switch; S2is broken (normally closed ) micro switch or button.   (View)

View full Circuit Diagram | Comments | Reading(912)

Low Power Oscillator

Published:2012/9/5 20:55:00 Author:Ecco | Keyword: Low Power, Oscillator

Low Power Oscillator
This page has two unusual two-transistor oscillators. I set the component values for a low frequency application. Both circuits draw only about 1 microamp of current. Source: discovercircuits   (View)

View full Circuit Diagram | Comments | Reading(1335)

Ultra Low Power 32KHz Crystal Oscillator

Published:2012/9/5 20:34:00 Author:Ecco | Keyword: Ultra Low Power, 32KHz, Crystal Oscillator

Ultra Low Power 32KHz Crystal Oscillator
I have used this circuit many times when I needed a low frequency reference, which did not draw much power. With the components show, the current from a 3v battery is less than 1.2 microamps Source: discovercircuits   (View)

View full Circuit Diagram | Comments | Reading(1605)

VERY LOW POWER GATED CRYSTAL OSCILLATOR

Published:2012/9/4 20:55:00 Author:Ecco | Keyword: VERY LOW , POWER GATED , CRYSTAL OSCILLATOR

VERY LOW POWER GATED CRYSTAL OSCILLATOR
The circuit gates the output of a continuously operating 32KHz crystal oscillator to the input of a C-MOS buffer when clock pulses are needed. The technique gets around the problem of a slow starting crystal oscillator by keeping the oscillator going and switching on a transistor power stage only as needed. The method keeps the standby power consumption to a very low 1uA when used with a 3v supply. Source: discovercircuits   (View)

View full Circuit Diagram | Comments | Reading(3125)

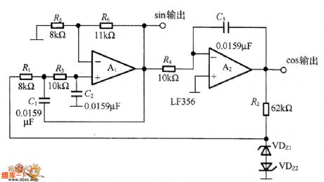
Two -phase oscillator circuit diagram

Published:2012/8/30 1:47:00 Author:Ecco | Keyword: Two -phase oscillator

Two -phase oscillator circuit diagram
In the circuit, it is composed of op-amps A1 and A2, etc., and the op-amp A1 is a low-pass filter, A2 is an integrator, and each phase lag 90 °, the total phase lag is 180 °. The oscillation frequency is determined by R1 + R2, R3, R4 , C1, and C2, and C3. According to the parameters of FIG, the oscillation frequency is 1 kHz. The regulator tubes VDz1 VDz2 are mainly used to stabilize the amplitude, but in order to reduce the distortion of the waveform, it must choose two regulators with the same characteristics. The distortion of the cosine (cos) output waveform in the circuit is controlled at 0.3% or less, and the distortion of sine (sin) output waveform is about 1%.   (View)

View full Circuit Diagram | Comments | Reading(1452)

Pages:6/54 1234567891011121314151617181920Under 20

SeekIC Live Chat
  • Get a Quote/Urgent Purchase
  • Part Number
  • Qty

Response in 12 hours