Position: Home > Circuit Diagram > 555 Circuit > Index 43
Low Cost Custom Prototype PCB Manufacturer

555 Circuit

Index 43



Mitsubishi Pajero light off-road vehicle central control door lock circuit diagram

Published:2011/4/25 3:46:00 Author:Rebekka | Keyword: Central control door lock, Mitsubishi Pajero

Mitsubishi Pajero light off-road vehicle central control door lock circuit diagram
Mitsubishi Pajero light off-road vehicle central control door lock circuit diagram is shown as above.   (View)

View full Circuit Diagram | Comments | Reading(2235)

Mitsubishi Pajero light off-road vehicle electric control rearview mirror wiring circuit diagram

Published:2011/4/25 2:57:00 Author:Rebekka | Keyword: Mitsubishi Pajero, light off-road vehicle , electric control , rearview mirror wiring

Mitsubishi Pajero light off-road vehicle electric control rearview mirror wiring circuit diagram
Wiring Color B: Black LG: light green G: Green L: Blue W: White Y: Yellow SB: sky blue BR: Brown 0: Orange GR: Gray R: red p: Pink V: Purple Mitsubishi Pajero light off-road vehicle electric control rearview mirror wiring circuit diagram is shown as above.   (View)

View full Circuit Diagram | Comments | Reading(4484)

Negative Timing Pulse Generator(555) Circuit with Two-way Output

Published:2011/4/20 21:44:00 Author:Sue | Keyword: Negative, Timing, Pulse, Generator, Two-Way, 555

Negative Timing Pulse Generator(555) Circuit with Two-way Output
  (View)

View full Circuit Diagram | Comments | Reading(1315)

Electric Fan Sound Control Circuit

Published:2011/4/23 9:01:00 Author:Robert | Keyword: Electric Fan, Sound Control

Electric Fan Sound Control Circuit
Electric Fan Sound Control Circuit is shown below:   (View)

View full Circuit Diagram | Comments | Reading(748)

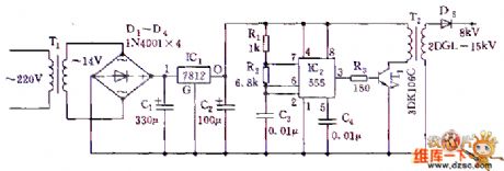
555 High-Voltage Mosquito-Killing Circuit

Published:2011/4/23 9:39:00 Author:Robert | Keyword: High-Voltage, Mosquito-Killing

555 High-Voltage Mosquito-Killing Circuit
  (View)

View full Circuit Diagram | Comments | Reading(1493)

KIA Electrical System Circuit

Published:2011/4/21 8:30:00 Author:Christina | Keyword: KIA, Electrical System

KIA Electrical System Circuit
The KIA Electrical System Circuit is as shown.   (View)

View full Circuit Diagram | Comments | Reading(662)

KIA Engine Circuit

Published:2011/4/21 9:15:00 Author:Christina | Keyword: KIA, Engine Circuit

KIA Engine Circuit
The KIA Engine Circuit is as shown.   (View)

View full Circuit Diagram | Comments | Reading(655)

KIA Central Locking System Circuit

Published:2011/4/21 9:18:00 Author:Christina | Keyword: KIA, Central Locking System

KIA Central Locking System Circuit
The KIA Central Locking System Circuit is as shown.   (View)

View full Circuit Diagram | Comments | Reading(2567)

KIA ABS Circuit

Published:2011/4/21 9:52:00 Author:Christina | Keyword: KIA, ABS

KIA ABS Circuit
The KIA ABS Circuit is as shown.   (View)

View full Circuit Diagram | Comments | Reading(1824)

KIA Air-conditioning System Circuit

Published:2011/4/21 8:34:00 Author:Christina | Keyword: KIA, Air-conditioning System

KIA Air-conditioning System Circuit
The KIA Air-conditioning System Circuit is as shown.   (View)

View full Circuit Diagram | Comments | Reading(1019)

KIA Complete Airbag System Circuit

Published:2011/4/21 8:26:00 Author:Christina | Keyword: KIA, Complete, Airbag System

KIA Complete Airbag System Circuit
The KIA Complete Airbag System Circuit is as shown.   (View)

View full Circuit Diagram | Comments | Reading(645)

Monostable Flip-Flop Circuit

Published:2011/4/21 8:20:00 Author:Robert | Keyword: Monostable, Flip-Flop

Monostable Flip-Flop Circuit
Monostable Flip-Flop Circuitis shown above.   (View)

View full Circuit Diagram | Comments | Reading(956)

SHANGHAI GM BUICK(Royaurm)saloon car 3.6L engine circuit diagram(fourteen)

Published:2011/4/20 21:29:00 Author:muriel | Keyword: SHANGHAI GM BUICK(Royaurm), saloon car , 3.6L engine

SHANGHAI GM BUICK(Royaurm)saloon car 3.6L engine circuit diagram(fourteen)
Figure SHANGHAI GM BUICK(Royaurm)saloon car 3.6L engine circuit diagram(fourteen)--ignition coil   (View)

View full Circuit Diagram | Comments | Reading(771)

555 Fans Electronic Timer Circuit

Published:2011/4/20 10:01:00 Author:Robert | Keyword: Fans, Electronic Timer

555 Fans Electronic Timer Circuit
555 Fans Electronic Timer Circuit as shown below:   (View)

View full Circuit Diagram | Comments | Reading(806)

Electronic Chameleon Circuit

Published:2011/4/20 10:15:00 Author:Robert | Keyword: Electronic Chameleon

Electronic Chameleon Circuit
Electronic Chameleon Circuit as shown below: Welcome to reprint, information come from Weiku Electric Market Website (www.seekic.com)   (View)

View full Circuit Diagram | Comments | Reading(1095)

555 Electric Fan Multi-function Timer Control Circuit

Published:2011/4/20 8:19:00 Author:Robert | Keyword: 555, Electric Fan, Multi-function Timer

555 Electric Fan Multi-function Timer Control Circuit
555 Electric Fan Multi-function Timer Control Circuit as shown below.   (View)

View full Circuit Diagram | Comments | Reading(1121)

Narrow Pulse Generator Circuit(555)

Published:2011/4/20 20:45:00 Author:Sue | Keyword: Narrow Pulse, Generator, 555

Narrow Pulse Generator Circuit(555)
  (View)

View full Circuit Diagram | Comments | Reading(1743)

Gate Pulse Generator Circuit(555)

Published:2011/4/20 20:45:00 Author:Sue | Keyword: Gate, Pulse, Generator, 555

Gate Pulse Generator Circuit(555)
  (View)

View full Circuit Diagram | Comments | Reading(880)

Neighbor Pulse Delay Circuit(555)

Published:2011/4/20 19:48:00 Author:Sue | Keyword: Neighbor, Pulse, Delay, 555

Neighbor Pulse Delay Circuit(555)
  (View)

View full Circuit Diagram | Comments | Reading(1573)

555 Bistable Trigger Circuit

Published:2011/4/20 9:38:00 Author:Robert | Keyword: 555, Bistable Trigger Circuit

555 Bistable Trigger Circuit
555 Bistable Trigger Circuit as shown above.   (View)

View full Circuit Diagram | Comments | Reading(699)

Pages:43/47 At 2041424344454647