Published:2011/4/20 9:34:00 Author:Robert | Keyword: 555, R-S Flip-Flop Type, Bistable Circuit
555 R-S Flip-Flop Type Bistable Circuit as shown above. (View)
View full Circuit Diagram | Comments | Reading(1120)
Published:2011/4/20 9:50:00 Author:Robert | Keyword: 555, Schmitt Bistable Flip-Flop Circuit
1.1.1 manual start1)Features: RT-6.2-CT, manual start, V0=0, steady-state;V0=1, temporary state(td).2)Formula: Td=1.1RT*CT3)Application: timing, delay.
1.1.2 manual start1)Features: RT-6.2-CT, manual start, V0=1, steady-state;V0=0, temporary state(td).2)Formula: Td=1.1RT*CT3)Application: timing, delay.
555 Schmitt Bistable Flip-Flop Circuit as shown above. (View)
View full Circuit Diagram | Comments | Reading(1132)
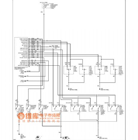
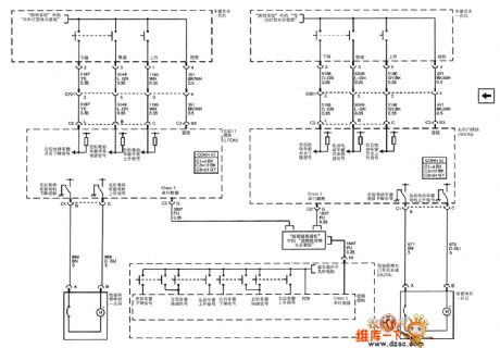
Published:2011/4/20 6:55:00 Author:Robert | Keyword: Shanghai GM, Cadillac, CTS, Electric Door, Electric Window
View full Circuit Diagram | Comments | Reading(598)
Published:2011/4/20 3:29:00 Author:Ecco | Keyword: delay circuit , "watchdog" , 555
The circuit used to be a power-delay control circuit, the delay time is decided by the timing components Rl, C1. However, with a watchdog circuit, you can use it as monitoring circuitforsome applications.
(View)
View full Circuit Diagram | Comments | Reading(3538)
Published:2011/4/20 1:45:00 Author:Ecco | Keyword: Alternating , polarity, pulse width , modulator, 555
View full Circuit Diagram | Comments | Reading(757)
Published:2011/4/18 19:59:00 Author:Ecco | Keyword: Pocket , electronic, timing , hypnotic , massager , 555
The chart shows the pocket electronic timing hypnotic massager composed of 555, it can satisfy leisure health needs of people. The circuit is composed of 3 parts: timer circuits, hypnotic decoder circuit, massager circuit.
(View)
View full Circuit Diagram | Comments | Reading(1066)
Published:2011/4/18 4:54:00 Author:Rebekka | Keyword: Multi-function remote control,
View full Circuit Diagram | Comments | Reading(581)
Published:2011/4/18 20:00:00 Author:Ecco | Keyword: Darkroom , time controller, 555
View full Circuit Diagram | Comments | Reading(590)
Published:2011/4/18 7:37:00 Author:Jessie | Keyword: engine, control system



> (View)
View full Circuit Diagram | Comments | Reading(978)
Published:2011/4/18 4:49:00 Author:Ecco | Keyword: timing circuit , 555
View full Circuit Diagram | Comments | Reading(652)
Published:2011/4/18 4:41:00 Author:Ecco | Keyword: Low power , timer , 555
View full Circuit Diagram | Comments | Reading(716)
Published:2011/4/18 4:39:00 Author:Ecco | Keyword: CMOS , 555 , equivalent function
View full Circuit Diagram | Comments | Reading(810)
Published:2011/4/18 2:48:00 Author:Ecco | Keyword: Electronic , touch , game console , 555
View full Circuit Diagram | Comments | Reading(701)
Published:2011/4/18 0:47:00 Author:Ecco | Keyword: 555, Equivalent function
View full Circuit Diagram | Comments | Reading(793)
Published:2011/4/17 22:23:00 Author:Jessie | Keyword: forced locks open
View full Circuit Diagram | Comments | Reading(632)
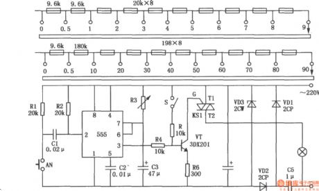
Published:2011/4/17 23:00:00 Author:Ecco | Keyword: Precise timing circuit , 555
View full Circuit Diagram | Comments | Reading(670)
Published:2011/4/17 22:59:00 Author:Ecco | Keyword: Long delay circuit , 555
View full Circuit Diagram | Comments | Reading(647)
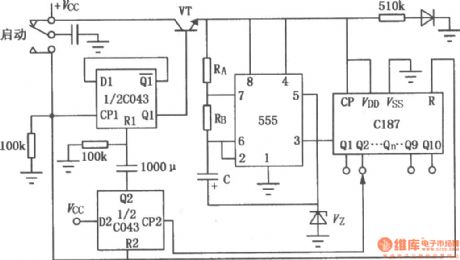
Published:2011/4/15 3:00:00 Author:Ecco | Keyword: 60s , Timing , 555
View full Circuit Diagram | Comments | Reading(733)
Published:2011/4/15 2:56:00 Author:Ecco | Keyword: Printing timing circuit , 555
View full Circuit Diagram | Comments | Reading(630)
Published:2011/4/15 2:58:00 Author:Ecco | Keyword: Non-contact , darkroom , timer , 555
View full Circuit Diagram | Comments | Reading(918)
| Pages:44/47 At 2041424344454647 |