Position: Home > Circuit Diagram > Automotive Circuit > Index 155
Low Cost Custom Prototype PCB Manufacturer

Automotive Circuit

Index 155



Cooperating pagers and cell phones burglar alarm circuit diagram

Published:2011/4/2 2:46:00 Author:Rebekka | Keyword: burglar alarm

Cooperating pagers and cell phones burglar alarm circuit diagram
  (View)

View full Circuit Diagram | Comments | Reading(752)

A few kinds of silicon photo-transistor main parameters

Published:2011/4/6 4:11:00 Author:Rebekka | Keyword: silicon photo-transistor main parameters

A few kinds of silicon photo-transistor main parameters
Remarks: (1) The parameters 3DU1 XX type and 3DU2 XX yype are the same. But the shapes are different. The shape of 3DU1 XX is Φ x 5(mm x mm), the shape of 3DU2 XX is Φ5 x 8.6(mm x mm);(2) 3DU1 XX and 3DU2 XX are all plastics packaging;(3) C is short leg and e is long leg;(4) Wavelength(peak value) is 8800A(880nm), spectrum range 0.4~1.1μm.   (View)

View full Circuit Diagram | Comments | Reading(651)

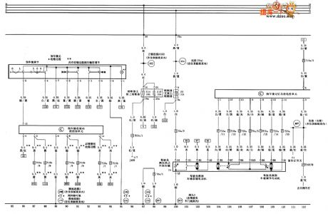
Audi A6 saloon car seat circuit diagram two

Published:2011/4/5 20:37:00 Author:muriel | Keyword: Audi, saloon car seat

Audi A6 saloon car seat circuit diagram two
Instrument board component element、ABS electronic control unit with EDS、stoplight switch and ASR light switch circuit diagram as shown: Welcome transshipment, the informations are come from Weiku e-market net( www.dzsc.com).   (View)

View full Circuit Diagram | Comments | Reading(2528)

Audi A6 saloon car seat、rearview mirror circuit diagram one

Published:2011/4/5 20:36:00 Author:muriel | Keyword: Audi , saloon car seat, rearview mirror

Audi A6 saloon car seat、rearview mirror circuit diagram one
Seat regulate electronic control unit withMemory function and Memory function manipulate unit circuit diagram as shown: Welcome transshipment, the informations are come from Weiku e-market net( www.dzsc.com).   (View)

View full Circuit Diagram | Comments | Reading(573)

Some features of used pyroelectric sensor

Published:2011/4/6 3:38:00 Author:Rebekka | Keyword: pyroelectric sensor

Some features of used pyroelectric sensor
  (View)

View full Circuit Diagram | Comments | Reading(459)

Receiver decoder and display circuit diagram

Published:2011/4/6 3:39:00 Author:Rebekka | Keyword: Receiver decoder and display

Receiver decoder and display circuit diagram
  (View)

View full Circuit Diagram | Comments | Reading(479)

The main parameters of photistor

Published:2011/4/6 3:41:00 Author:Rebekka | Keyword: photistor main parameters

The main parameters of photistor
  (View)

View full Circuit Diagram | Comments | Reading(558)

Opto-coupler infrared remote control power supply outlet circuit diagram

Published:2011/4/6 3:45:00 Author:Rebekka | Keyword: power supply outlet, Opto-coupler infrared

Opto-coupler infrared remote control power supply outlet circuit diagram
IC3 is MOC3041.   (View)

View full Circuit Diagram | Comments | Reading(2473)

Phototransistor and its output characteristics circuit diagram

Published:2011/4/6 3:46:00 Author:Rebekka | Keyword: Phototransistor , output characteristics

Phototransistor and its output characteristics circuit diagram
  (View)

View full Circuit Diagram | Comments | Reading(1405)

The Spectral response curve of phototriode

Published:2011/4/6 3:50:00 Author:Rebekka | Keyword: Spectral response curve, phototriode

The Spectral response curve of phototriode
  (View)

View full Circuit Diagram | Comments | Reading(624)

Phototriode optical bias circuit diagram

Published:2011/4/6 3:56:00 Author:Rebekka | Keyword: Phototriode optical bias

Phototriode optical bias circuit diagram
  (View)

View full Circuit Diagram | Comments | Reading(616)

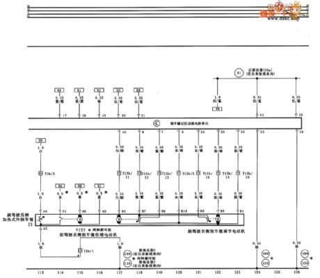
Audi A6 saloon car seat、rearview mirror circuit diagram four

Published:2011/4/5 20:36:00 Author:muriel | Keyword: Audi, saloon car seat, rearview mirror circuit

Audi A6 saloon car seat、rearview mirror circuit diagram four
Rearview mirrorcontrol switch and pilot side rearview mirror memory function electronic control unit circuit diagram as shown: Welcome transshipment, the informations are come from Weiku e-market net( www.dzsc.com).   (View)

View full Circuit Diagram | Comments | Reading(2011)

Audi A6 saloon car seat、rearview mirror circuit diagram five

Published:2011/4/5 20:35:00 Author:muriel | Keyword: Audi , saloon car seat, rearview mirror

Audi A6 saloon car seat、rearview mirror circuit diagram five
Second pilotside rearview mirroradjustment seatand rearview mirror memory function electronic control unit circuit diagram as shown: Welcome transshipment, the informations are come from Weiku e-market net( www.dzsc.com).   (View)

View full Circuit Diagram | Comments | Reading(596)

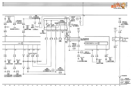
Audi A6 saloon car mobile telephone circuit diagram

Published:2011/4/5 20:35:00 Author:muriel | Keyword: Audi , saloon car , mobile telephone

Audi A6 saloon car mobile telephone circuit diagram
Audi A6 saloon car mobile telephone circuit diagram as shown: Welcome transshipment, the informations are come from Weiku e-market net( www.dzsc.com).   (View)

View full Circuit Diagram | Comments | Reading(559)

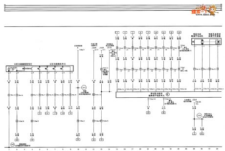
Audi A6 saloon car mobile telephone circuit diagram(continuous figure)

Published:2011/4/5 20:35:00 Author:muriel | Keyword: Audi, saloon car, mobile telephone

Audi A6 saloon car mobile telephone circuit diagram(continuous figure)
Audi A6 saloon car mobile telephone circuit diagram(continuous figure) as shown: Welcome transshipment, the informations are come from Weiku e-market net( www.dzsc.com).   (View)

View full Circuit Diagram | Comments | Reading(595)

Audi A6 saloon car super bass speaker circuit diagram

Published:2011/4/5 20:34:00 Author:muriel | Keyword: Audi , saloon car , super bass speaker

Audi A6 saloon car super bass speaker circuit diagram
Audi A6 saloon car super bass speaker circuit diagram as shown: Welcome transshipment, the informations are come from Weiku e-market net( www.dzsc.com).   (View)

View full Circuit Diagram | Comments | Reading(1647)

Tianjin VIOS power supply、electromotor and generator circuit diagram

Published:2011/4/5 20:34:00 Author:muriel | Keyword: Tianjin VIOS, power supply, electromotor , generator

Tianjin VIOS power supply、electromotor and generator circuit diagram
Tianjin VIOS power supply、electromotor and generator circuit diagram as shown: Welcome transshipment, the informations are come from Weiku e-market net( www.dzsc.com).   (View)

View full Circuit Diagram | Comments | Reading(856)

Tianjin VIOS ignition system circuit diagram

Published:2011/4/5 20:34:00 Author:muriel | Keyword: Tianjin VIOS , ignition system

Tianjin VIOS ignition system circuit diagram
Tianjin VIOS ignition system circuit diagram as shown: ] Welcome transshipment, the informations are come from Weiku e-market net( www.dzsc.com).   (View)

View full Circuit Diagram | Comments | Reading(768)

Tianjin VIOS engine control circuit diagram

Published:2011/4/5 20:34:00 Author:muriel | Keyword: Tianjin VIOS , engine control

Tianjin VIOS engine control circuit diagram
Tianjin VIOS engine control circuit diagram as shown: Welcome transshipment, the informations are come from Weiku e-market net( www.dzsc.com).   (View)

View full Circuit Diagram | Comments | Reading(1392)

Tianjin VIOS engine control circuit diagram(first)

Published:2011/4/5 20:34:00 Author:muriel | Keyword: Tianjin VIOS, engine control

Tianjin VIOS engine control circuit diagram(first)
Tianjin VIOS engine control circuit diagram(first) as shown: Welcome transshipment, the informations are come from Weiku e-market net( www.dzsc.com).   (View)

View full Circuit Diagram | Comments | Reading(1316)

Pages:155/164 At 20141142143144145146147148149150151152153154155156157158159160Under 20