Position: Home > Circuit Diagram > Automotive Circuit > Index 140
Low Cost Custom Prototype PCB Manufacturer

Automotive Circuit

Index 140



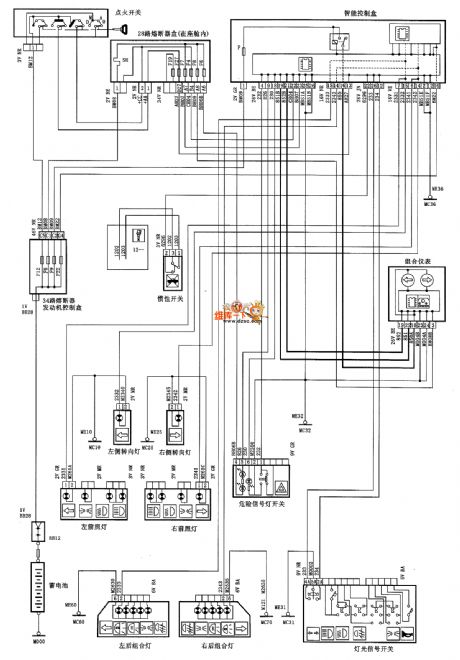
Dongfeng Citroen Picasso(2.0L) saloon car fuel injector and ignition system circuit diagram

Published:2011/4/12 21:36:00 Author:muriel | Keyword: Dongfeng Citroen Picasso, 2.0L, saloon car, fuel injector, ignition system

Dongfeng Citroen Picasso(2.0L) saloon car fuel injector and ignition system circuit diagram
Dongfeng Citroen Picasso(2.0L) saloon car fuel injector and ignition system circuit diagram as shown   (View)

View full Circuit Diagram | Comments | Reading(1619)

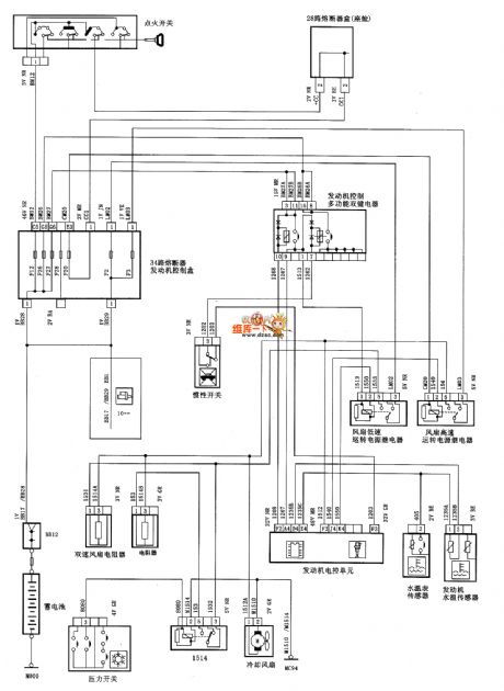
Dongfeng Citroen Picasso(2.0L) saloon car cooling system(with air condition) circuit diagram

Published:2011/4/12 21:33:00 Author:muriel | Keyword: Dongfeng Citroen Picasso, 2.0L, saloon car , cooling system(with air condition)

Dongfeng Citroen Picasso(2.0L) saloon car cooling system(with air condition) circuit diagram
Dongfeng Citroen Picasso(2.0L) saloon car cooling system(with air condition) circuit diagram as shown   (View)

View full Circuit Diagram | Comments | Reading(1904)

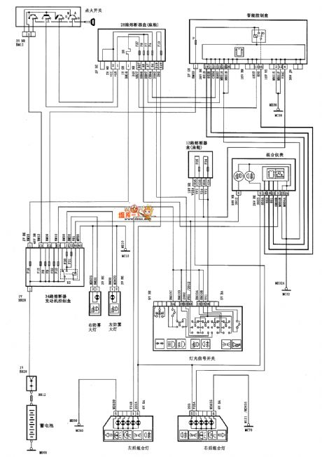
Dongfeng Citroen Picasso(2.0L) saloon car front foglight and rear foglight circuit diagram

Published:2011/4/12 21:32:00 Author:muriel | Keyword: Dongfeng Citroen Picasso, 2.0L, saloon car, front foglight, rear foglight

Dongfeng Citroen Picasso(2.0L) saloon car front foglight and rear foglight circuit diagram
Dongfeng Citroen Picasso(2.0L) saloon car front foglight and rear foglight circuit diagram as shown   (View)

View full Circuit Diagram | Comments | Reading(570)

Dongfeng Citroen Picasso(2.0L) saloon car stoplight circuit diagram

Published:2011/4/12 21:31:00 Author:muriel | Keyword: Dongfeng Citroen Picasso, 2.0L, saloon car, stoplight

Dongfeng Citroen Picasso(2.0L) saloon car stoplight circuit diagram
Dongfeng Citroen Picasso(2.0L) saloon car stoplight circuit diagram as shown   (View)

View full Circuit Diagram | Comments | Reading(723)

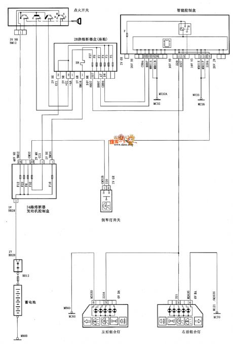
Dongfeng Citroen Picasso(2.0L) saloon car reversing light circuit diagram

Published:2011/4/12 21:30:00 Author:muriel | Keyword: Dongfeng Citroen Picasso, 2.0L, saloon car, reversing light

Dongfeng Citroen Picasso(2.0L) saloon car reversing light circuit diagram
Dongfeng Citroen Picasso(2.0L) saloon car reversing light circuit diagram as shown   (View)

View full Circuit Diagram | Comments | Reading(700)

JETTA AT、JETTA GT saloon car rear foglight and front air window windshield wiper circuit diagram

Published:2011/4/12 21:16:00 Author:muriel | Keyword: JETTA AT, JETTA GT , saloon car , rear foglight, front air window windshield wiper

JETTA AT、JETTA GT saloon car rear foglight and front air window windshield wiper circuit diagram
JETTA AT、JETTA GT saloon car rear foglight and front air window windshield wiper circuit diagram as shown   (View)

View full Circuit Diagram | Comments | Reading(551)

Dongfeng Citroen Picasso(2.0L) saloon car steering lamp circuit diagram

Published:2011/4/12 21:29:00 Author:muriel | Keyword: Dongfeng Citroen Picasso, 2.0L, saloon car , steering lamp

Dongfeng Citroen Picasso(2.0L) saloon car steering lamp circuit diagram
Dongfeng Citroen Picasso(2.0L) saloon car steering lamp circuit diagram as shown   (View)

View full Circuit Diagram | Comments | Reading(694)

JETTA AT、JETTA GT saloon car washing pump、windshield wiper and rear foglight circuit diagram

Published:2011/4/12 21:14:00 Author:muriel | Keyword: JETTA AT, JETTA GT , saloon car, washing pump, windshield wiper, rear foglight

JETTA AT、JETTA GT saloon car washing pump、windshield wiper and rear foglight circuit diagram
JETTA AT、JETTA GT saloon car washing pump、windshield wiper and rear foglight circuit diagram as shown   (View)

View full Circuit Diagram | Comments | Reading(967)

Dongfeng Citroen Picasso(2.0L) saloon car speaker circuit diagram

Published:2011/4/12 21:22:00 Author:muriel | Keyword: Dongfeng Citroen Picasso, 2.0L, saloon car , speaker

Dongfeng Citroen Picasso(2.0L) saloon car speaker circuit diagram
Dongfeng Citroen Picasso(2.0L) saloon car speaker circuit diagram as shown   (View)

View full Circuit Diagram | Comments | Reading(979)

JETTA AT、JETTA GT saloon car air condition circuit diagram

Published:2011/4/12 21:12:00 Author:muriel | Keyword: JETTA AT, JETTA GT , saloon car , air condition

JETTA AT、JETTA GT saloon car air condition circuit diagram
JETTA AT、JETTA GT saloon car air condition circuit diagram as shown   (View)

View full Circuit Diagram | Comments | Reading(792)

JETTA AT、JETTA GT saloon car ignition system and sensor circuit diagram

Published:2011/4/12 21:10:00 Author:muriel | Keyword: JETTA AT, JETTA GT, saloon car , ignition system , sensor

JETTA AT、JETTA GT saloon car ignition system and sensor circuit diagram
JETTA AT、JETTA GT saloon car ignition system and sensor circuit diagram as shown   (View)

View full Circuit Diagram | Comments | Reading(949)

Engine speed、deflagration sensor、mass air flow and fuel injector electronic control unit circuit diagram

Published:2011/4/12 21:21:00 Author:muriel | Keyword: JETTA AT, JETTA GT , saloon car, engine speed, deflagration sensor, mass air flow , fuel injector electronic control unit

Engine speed、deflagration sensor、mass air flow and fuel injector electronic control unit circuit diagram
JETTA AT、JETTA GT saloon car engine speed、deflagration sensor、mass air flow and fuel injector electronic control unit circuit diagram as shown   (View)

View full Circuit Diagram | Comments | Reading(1242)

JETTA AT、JETTA GT saloon car fuel pump and instrument board circuit diagram

Published:2011/4/12 21:08:00 Author:muriel | Keyword: JETTA AT, JETTA GT , saloon car , fuel pump , instrument board

JETTA AT、JETTA GT saloon car fuel pump and instrument board circuit diagram
JETTA AT、JETTA GT saloon car fuel pump and instrument board circuit diagram as shown   (View)

View full Circuit Diagram | Comments | Reading(549)

The inverter part of car 12V-HID lamp

Published:2011/4/13 21:57:00 Author:may | Keyword: inverter, car 12V-HID lamp

The inverter part of car 12V-HID lamp
The low frequency part of the inverter part of car 12V-HID lamp can directly adopt HID-IC circuit diagram.   (View)

View full Circuit Diagram | Comments | Reading(3004)

PT2262IR application circuit

Published:2011/4/13 3:59:00 Author:Rebekka | Keyword: application circuit

PT2262IR application circuit
  (View)

View full Circuit Diagram | Comments | Reading(1251)

PT2262IR parameter list

Published:2011/4/13 3:58:00 Author:Rebekka | Keyword: parameter list

PT2262IR parameter list
  (View)

View full Circuit Diagram | Comments | Reading(789)

PT2262-IR/2272 pinout and function circuit diagram

Published:2011/4/13 3:42:00 Author:Rebekka | Keyword: pinout and function

PT2262-IR/2272 pinout and function circuit diagram
PT2262-IR/2272 pinout and function circuit diagram is shown as above.   (View)

View full Circuit Diagram | Comments | Reading(2950)

PT2272 application circuit diagram

Published:2011/4/13 3:41:00 Author:Rebekka | Keyword: application circuit

PT2272 application circuit diagram
  (View)

View full Circuit Diagram | Comments | Reading(2647)

MT8870 internal circuit and pinout

Published:2011/4/13 3:40:00 Author:Rebekka | Keyword: internal circuit and pinout

MT8870 internal circuit and pinout
MT8870 is a DTMF decoder IC.   (View)

View full Circuit Diagram | Comments | Reading(1731)

MK5087 pinout function table

Published:2011/4/13 3:39:00 Author:Rebekka | Keyword: pinout function

MK5087 pinout function table
MK5087 is a DTMF encoder IC.DTMF code is a multi-tone multi-frequency coded shorthand.   (View)

View full Circuit Diagram | Comments | Reading(642)

Pages:140/164 At 20121122123124125126127128129130131132133134135136137138139140Under 20