Position: Home > Circuit Diagram > Automotive Circuit > Index 139
Low Cost Custom Prototype PCB Manufacturer

Automotive Circuit

Index 139



VW Passat engine sensor、cruise control switch and stoplight circuit diagram

Published:2011/4/12 22:17:00 Author:muriel | Keyword: VW Passat , engine sensor, cruise control switch , stoplight

VW Passat engine sensor、cruise control switch and stoplight circuit diagram
VW Passat engine sensor、cruise control switch and stoplight circuit diagram as shown   (View)

View full Circuit Diagram | Comments | Reading(1522)

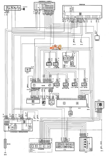
XSARA saloon car trip computer(manual transmission) circuit diagram

Published:2011/4/12 21:59:00 Author:muriel | Keyword: XSARA , saloon car, trip computer, manual transmission

XSARA saloon car trip computer(manual transmission) circuit diagram
XSARA saloon car trip computer(manual transmission) circuit diagram as shown   (View)

View full Circuit Diagram | Comments | Reading(1217)

VW Passat engine electronic control unit、fuel injector and throttle plate sensor circuit diagram

Published:2011/4/12 22:16:00 Author:muriel | Keyword: VW Passat, engine electronic control unit, fuel injector , throttle plate sensor

VW Passat engine electronic control unit、fuel injector and throttle plate sensor circuit diagram
VW Passat engine electronic control unit、fuel injector and throttle plate sensor circuit diagram as shown   (View)

View full Circuit Diagram | Comments | Reading(1257)

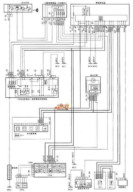
XSARA saloon car trip computer(automatic transmission) circuit diagram

Published:2011/4/12 21:58:00 Author:muriel | Keyword: XSARA , saloon car , trip computer, automatic transmission

XSARA saloon car trip computer(automatic transmission) circuit diagram
XSARA saloon car trip computer(automatic transmission) circuit diagram as shown   (View)

View full Circuit Diagram | Comments | Reading(1227)

XSARA saloon car heating and ventilation circuit diagram

Published:2011/4/12 21:51:00 Author:muriel | Keyword: XSARA , saloon car heating and ventilation

XSARA saloon car heating and ventilation circuit diagram
XSARA saloon car heating and ventilation circuit diagram as shown   (View)

View full Circuit Diagram | Comments | Reading(1196)

VW Passat air flow meter、control valve and oxygen sensor circuit diagram

Published:2011/4/12 22:14:00 Author:muriel | Keyword: VW Passat , air flow meter, control valve, oxygen sensor

VW Passat air flow meter、control valve and oxygen sensor circuit diagram
VW Passat air flow meter、control valve and oxygen sensor circuit diagram as shown   (View)

View full Circuit Diagram | Comments | Reading(2023)

XSARA saloon car automatic air condition(manual transmission) circuit diagram

Published:2011/4/12 21:50:00 Author:muriel | Keyword: XSARA, saloon car, automatic air condition, manual transmission

XSARA saloon car automatic air condition(manual transmission) circuit diagram
XSARA saloon car automatic air condition(manual transmission) circuit diagram as shown   (View)

View full Circuit Diagram | Comments | Reading(729)

XSARA saloon car automatic air condition(automatic transmission) circuit diagram

Published:2011/4/12 21:57:00 Author:muriel | Keyword: XSARA , saloon car, automatic air condition, automatic transmission

XSARA saloon car automatic air condition(automatic transmission) circuit diagram
XSARA saloon car automatic air condition(automatic transmission) circuit diagram as shown   (View)

View full Circuit Diagram | Comments | Reading(1025)

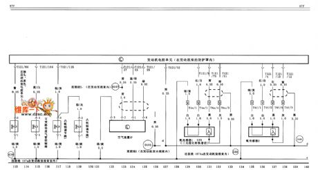
Engine electronic control unit、oxygen sensor、secondary air pump relay circuit diagram

Published:2011/4/13 20:34:00 Author:muriel | Keyword: VW Passat, engine electronic control unit, oxygen sensor, secondary air pump relay, secondary air inlet valve, secondary air pump electromotor

Engine electronic control unit、oxygen sensor、secondary air pump relay circuit diagram
VW Passat engine electronic control unit、oxygen sensor、secondary air pump relay、secondary air inlet valve and secondary air pump electromotor circuit diagramas shown   (View)

View full Circuit Diagram | Comments | Reading(2027)

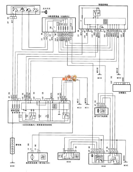
VW Passat sensor and engine oil surface warning lamp circuit diagram

Published:2011/4/12 22:13:00 Author:muriel | Keyword: VW Passat , sensor , engine oil surface warning lamp

VW Passat sensor and engine oil surface warning lamp circuit diagram
VW Passat sensor and engine oil surface warning lamp circuit diagram as shown   (View)

View full Circuit Diagram | Comments | Reading(714)

XSARA saloon car electric heating rear air window and electric heating rearview mirror circuit diagram

Published:2011/4/12 21:48:00 Author:muriel | Keyword: XSARA , saloon car , electric heating rear air window, electric heating rearview mirror

XSARA saloon car electric heating rear air window and electric heating rearview mirror circuit diagram
XSARA saloon car electric heating rear air window and electric heating rearview mirror circuit diagram as shown   (View)

View full Circuit Diagram | Comments | Reading(1959)

VW Passat various instrument and engine oil pressure warning lamp circuit diagram

Published:2011/4/12 22:10:00 Author:muriel | Keyword: VW Passat , various instrument, engine oil pressure warning lamp

VW Passat various instrument and engine oil pressure warning lamp circuit diagram
VW Passat various instrument and engine oil pressure warning lamp circuit diagram as shown   (View)

View full Circuit Diagram | Comments | Reading(1077)

XSARA saloon car cigar lighter and attachment plug circuit diagram

Published:2011/4/12 21:47:00 Author:muriel | Keyword: XSARA , saloon car , cigar lighter, attachment plug

XSARA saloon car cigar lighter and attachment plug circuit diagram
XSARA saloon car cigar lighter and attachment plug circuit diagram as shown   (View)

View full Circuit Diagram | Comments | Reading(920)

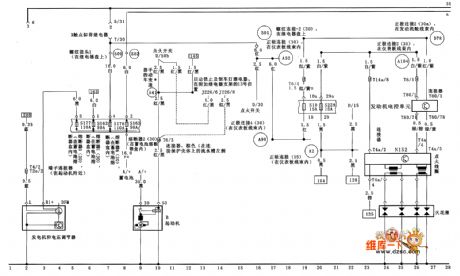
VW Passat generator、starter、engine electronic control unit and ignition system circuit diagram

Published:2011/4/13 20:30:00 Author:muriel | Keyword: VW Passat , generator, starter, engine electronic control unit , ignition system

VW Passat generator、starter、engine electronic control unit and ignition system circuit diagram
VW Passat generator、starter、engine electronic control unit and ignition system circuit diagram as shown   (View)

View full Circuit Diagram | Comments | Reading(4332)

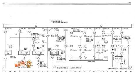
Engine electronic control unit、hall element、coolant temperature sensor and deflagration sensor circuit diagram

Published:2011/4/12 22:08:00 Author:muriel | Keyword: VW Passat, engine electronic control unit, hall element, coolant temperature sensor, restrictor electronic control unit, deflagration sensor

Engine electronic control unit、hall element、coolant temperature sensor and deflagration sensor circuit diagram
VW Passat engine electronic control unit、hall element、coolant temperature sensor、restrictor electronic control unit and deflagration sensor circuit diagram as shown   (View)

View full Circuit Diagram | Comments | Reading(2468)

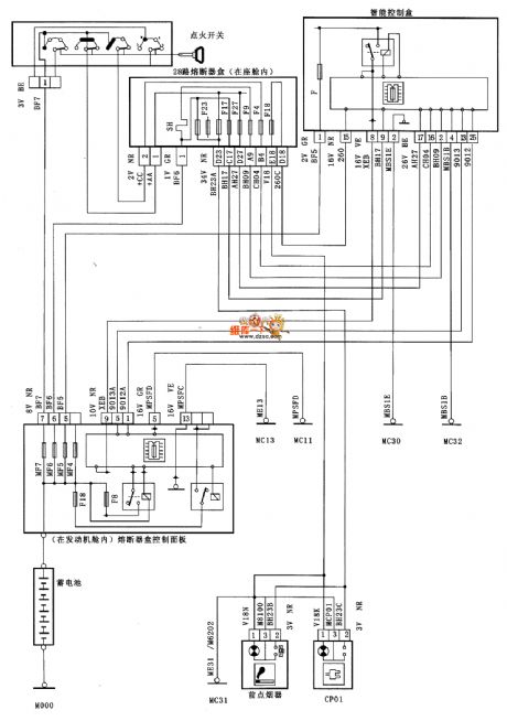
XSARA saloon car password transponder(manual transmission) circuit diagram

Published:2011/4/12 21:45:00 Author:muriel | Keyword: XSARA, saloon car , password transponder, manual transmission

XSARA saloon car password transponder(manual transmission) circuit diagram
XSARA saloon car password transponder(manual transmission) circuit diagram as shown   (View)

View full Circuit Diagram | Comments | Reading(875)

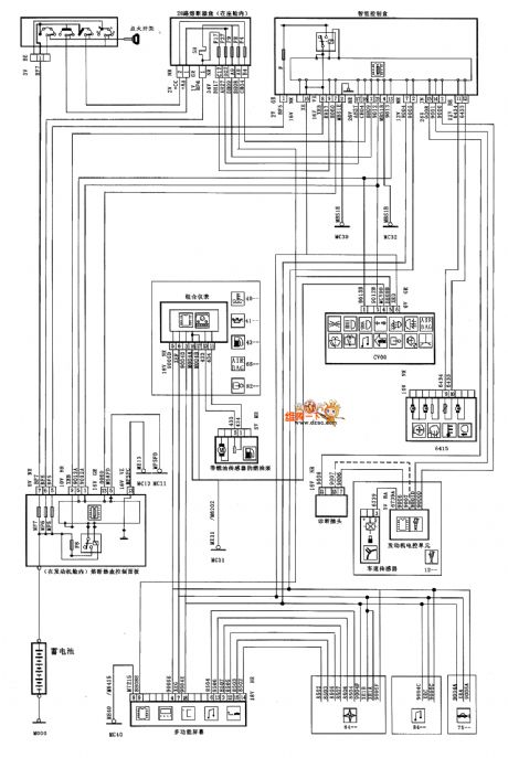
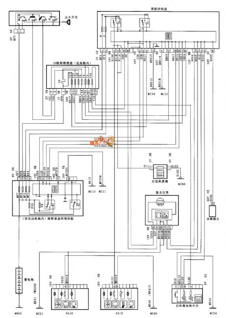
VW Passat Instrument board、braking warning lamp、steering warning lamp、sensor circuit diagram

Published:2011/4/13 20:27:00 Author:muriel | Keyword: VW Passat , Instrument board, braking warning lamp, steering warning lamp, sensor, coolant liquid level switch, fuel oil sensor, engine oil state sensor

VW Passat Instrument board、braking warning lamp、steering warning lamp、sensor circuit diagram
VW Passat Instrument board、braking warning lamp、steering warning lamp、sensor、coolant liquid level switch、fuel oil sensor and engine oil state sensor circuit diagram as shown   (View)

View full Circuit Diagram | Comments | Reading(2278)

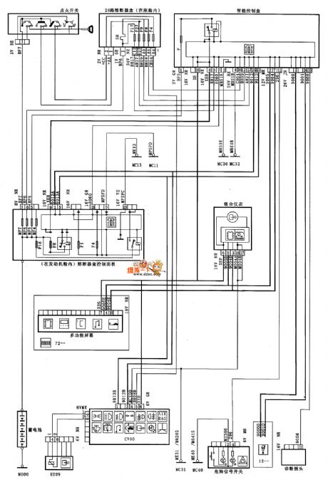
XSARA saloon car password transponder(automatic transmission) circuit diagram

Published:2011/4/12 21:43:00 Author:muriel | Keyword: XSARA, saloon car , password transponder, automatic transmission

XSARA saloon car password transponder(automatic transmission) circuit diagram
XSARA saloon car password transponder(automatic transmission) circuit diagram as shown   (View)

View full Circuit Diagram | Comments | Reading(737)

XSARA saloon car sound circuit diagram

Published:2011/4/12 21:40:00 Author:muriel | Keyword: XSARA , saloon car, sound

XSARA saloon car sound circuit diagram
XSARA saloon car sound circuit diagram as shown   (View)

View full Circuit Diagram | Comments | Reading(799)

XSARA saloon car radio and tape player and rear equipment circuit diagram

Published:2011/4/12 21:39:00 Author:muriel | Keyword: XSARA, saloon car, radio and tape player, rear equipment

XSARA saloon car radio and tape player and rear equipment circuit diagram
XSARA saloon car radio and tape player and rear equipment circuit diagram as shown   (View)

View full Circuit Diagram | Comments | Reading(1258)

Pages:139/164 At 20121122123124125126127128129130131132133134135136137138139140Under 20