Position: Home > Circuit Diagram > Automotive Circuit > Index 125
Low Cost Custom Prototype PCB Manufacturer

Automotive Circuit

Index 125



Shanghai GM Cadillac CTS Dashboard Circuit(1)

Published:2011/4/20 6:20:00 Author:Robert | Keyword: Shanghai GM, Cadillac, CTS, Dashboard

Shanghai GM Cadillac CTS Dashboard Circuit(1)
  (View)

View full Circuit Diagram | Comments | Reading(487)

Shanghai GM Cadillac CTS Dashboard Circuit(2)

Published:2011/4/20 6:19:00 Author:Robert | Keyword: Shanghai GM, Cadillac, CTS, Dashboard

Shanghai GM Cadillac CTS Dashboard Circuit(2)
  (View)

View full Circuit Diagram | Comments | Reading(577)

Shanghai GM Cadillac CTS Dashboard Circuit(3)

Published:2011/4/20 6:18:00 Author:Robert | Keyword: Shanghai GM, Cadillac, CTS, Dashboard

Shanghai GM Cadillac CTS Dashboard Circuit(3)
  (View)

View full Circuit Diagram | Comments | Reading(474)

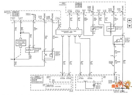
Shanghai GM Cadillac CTS Dashboard Circuit(5)

Published:2011/4/20 6:15:00 Author:Robert | Keyword: Shanghai GM, Cadillac, CTS, Dashboard

Shanghai GM Cadillac CTS Dashboard Circuit(5)
  (View)

View full Circuit Diagram | Comments | Reading(485)

Shanghai General Motors Fuse Distribution Circuit

Published:2011/4/20 6:06:00 Author:Robert | Keyword: Shanghai General Motors, Fuse Distribution

Shanghai General Motors Fuse Distribution Circuit
  (View)

View full Circuit Diagram | Comments | Reading(604)

Shanghai GM Cadillac CTS Dashboard Circuit(6)

Published:2011/4/20 6:14:00 Author:Robert | Keyword: Shanghai GM, Cadillac, CTS, Dashboard

Shanghai GM Cadillac CTS Dashboard Circuit(6)
  (View)

View full Circuit Diagram | Comments | Reading(398)

Shanghai GM Cadillac CTS Dashboard Circuit(7)

Published:2011/4/20 6:14:00 Author:Robert | Keyword: Shanghai GM, Cadillac, CTS, Dashboard

Shanghai GM Cadillac CTS Dashboard Circuit(7)
  (View)

View full Circuit Diagram | Comments | Reading(490)

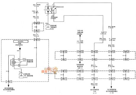
Shanghai General Motors Power Supply Circuit

Published:2011/4/20 2:21:00 Author:Robert | Keyword: Shanghai General Motors, Power Supply

Shanghai General Motors Power Supply Circuit
  (View)

View full Circuit Diagram | Comments | Reading(592)

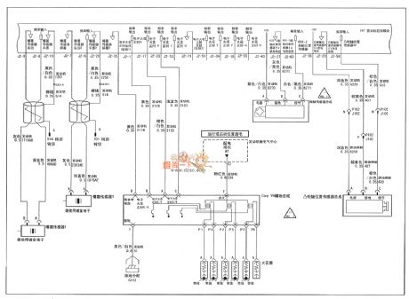
Shanghai General Motors System Circuit

Published:2011/4/20 2:20:00 Author:Robert | Keyword: Shanghai General Motors, System Circuit

Shanghai General Motors System Circuit
  (View)

View full Circuit Diagram | Comments | Reading(498)

Shanghai General Buick LaCROSSE Car 3.0L Engine Circuit (1)

Published:2011/4/20 2:20:00 Author:Robert | Keyword: Shanghai General, Buick, LaCROSSE, 3.0L Engine

Shanghai General Buick LaCROSSE Car 3.0L Engine Circuit (1)
  (View)

View full Circuit Diagram | Comments | Reading(507)

Shanghai General Buick LaCROSSE Car 3.0L Engine Circuit (2)

Published:2011/4/20 2:19:00 Author:Robert | Keyword: Shanghai General, Buick, LaCROSSE, 3.0L Engine

Shanghai General Buick LaCROSSE Car 3.0L Engine Circuit (2)
  (View)

View full Circuit Diagram | Comments | Reading(489)

Shanghai General Buick LaCROSSE Car 3.0L Engine Circuit (3)

Published:2011/4/20 2:19:00 Author:Robert | Keyword: Shanghai General, Buick, LaCROSSE, 3.0L Engine

Shanghai General Buick LaCROSSE Car 3.0L Engine Circuit (3)
  (View)

View full Circuit Diagram | Comments | Reading(605)

Shanghai General Buick LaCROSSE Car 3.0L Engine Circuit (4)

Published:2011/4/20 2:17:00 Author:Robert | Keyword: Shanghai General, Buick, LaCROSSE, 3.0L Engine

Shanghai General Buick LaCROSSE Car 3.0L Engine Circuit (4)
  (View)

View full Circuit Diagram | Comments | Reading(520)

Shanghai General Buick LaCROSSE Car 3.0L Engine Circuit (5)

Published:2011/4/20 2:17:00 Author:Robert | Keyword: Shanghai General, Buick, LaCROSSE, 3.0L Engine

Shanghai General Buick LaCROSSE Car 3.0L Engine Circuit (5)
Shanghai General Buick LaCROSSE Car 3.0L Engine Circuit (5)
Shanghai General Buick LaCROSSE Car 3.0L Engine Circuit (5)

  (View)

View full Circuit Diagram | Comments | Reading(608)

Shanghai General Buick LaCROSSE Car 3.0L Engine Circuit (6)

Published:2011/4/20 2:16:00 Author:Robert | Keyword: Shanghai General, Buick, LaCROSSE, 3.0L Engine

Shanghai General Buick LaCROSSE Car 3.0L Engine Circuit (6)
  (View)

View full Circuit Diagram | Comments | Reading(506)

Shanghai General Buick LaCROSSE Car 3.0L Engine Circuit (7)

Published:2011/4/20 2:16:00 Author:Robert | Keyword: Shanghai General, Buick, LaCROSSE, 3.0L Engine

Shanghai General Buick LaCROSSE Car 3.0L Engine Circuit (7)
  (View)

View full Circuit Diagram | Comments | Reading(521)

Shanghai General Buick LaCROSSE Car 3.0L Engine Circuit (8)

Published:2011/4/20 2:16:00 Author:Robert | Keyword: Shanghai General, Buick, LaCROSSE, 3.0L Engine

Shanghai General Buick LaCROSSE Car 3.0L Engine Circuit (8)
  (View)

View full Circuit Diagram | Comments | Reading(641)

Shanghai General Buick LaCROSSE Car 3.0L Engine Circuit (9)

Published:2011/4/20 2:16:00 Author:Robert | Keyword: Shanghai General, Buick, LaCROSSE, 3.0L Engine

Shanghai General Buick LaCROSSE Car 3.0L Engine Circuit (9)
  (View)

View full Circuit Diagram | Comments | Reading(572)

Shanghai General Buick LaCROSSE Car 3.0L Engine Circuit (10)

Published:2011/4/20 2:15:00 Author:Robert | Keyword: Shanghai General, Buick, LaCROSSE, 3.0L Engine

Shanghai General Buick LaCROSSE Car 3.0L Engine Circuit (10)
  (View)

View full Circuit Diagram | Comments | Reading(556)

Shanghai General Buick LaCROSSE Car 3.0L Engine Circuit (11)

Published:2011/4/20 2:15:00 Author:Robert | Keyword: Shanghai General, Buick, LaCROSSE, 3.0L Engine

Shanghai General Buick LaCROSSE Car 3.0L Engine Circuit (11)
  (View)

View full Circuit Diagram | Comments | Reading(508)

Pages:125/164 At 20121122123124125126127128129130131132133134135136137138139140Under 20