Position: Home > Circuit Diagram > Automotive Circuit > Index 137
Low Cost Custom Prototype PCB Manufacturer

Automotive Circuit

Index 137



Universal home appliances remote control circuit diagram

Published:2011/4/15 2:44:00 Author:Rebekka | Keyword: Universal home appliances remote control

Universal home appliances remote control circuit diagram
  (View)

View full Circuit Diagram | Comments | Reading(3227)

Crane wireless remote control circuit diagram(SF05B/SJ05C)

Published:2011/4/15 2:47:00 Author:Rebekka | Keyword: crane wireless remote control

Crane wireless remote control circuit diagram(SF05B/SJ05C)
(A) is a remote control transmitter circuit;(B) is remote receiver and control circuit.   (View)

View full Circuit Diagram | Comments | Reading(2627)

Engine electronic control unit, air flow meter, fuel pump relay, oxygen sensor circuit diagram

Published:2011/4/14 20:26:00 Author:muriel | Keyword: VW Passat, engine electronic control unit, air flow meter, fuel pump relay, oxygen sensor, activated carbon canister solenoid valve, induction manifold changeover valve, camshaft high-speed adjustment valve

Engine electronic control unit, air flow meter, fuel pump relay, oxygen sensor circuit diagram
VW Passat engine electronic control unit, air flow meter, fuel pump relay, oxygen sensor, activated carbon canister solenoid valve, induction manifold changeover valve and camshaft high-speed adjustment valve circuit diagram is as shown   (View)

View full Circuit Diagram | Comments | Reading(3737)

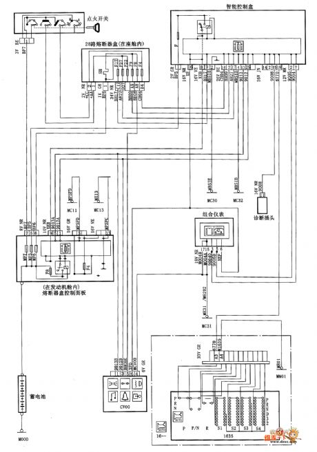
XSARA saloon car automatic transmission failure warning circuit diagram

Published:2011/4/14 2:14:00 Author:muriel | Keyword: XSARA , saloon car , automatic transmission failure warning

XSARA saloon car automatic transmission failure warning circuit diagram
XSARA saloon car automatic transmission failure warning circuit diagram isas shown   (View)

View full Circuit Diagram | Comments | Reading(740)

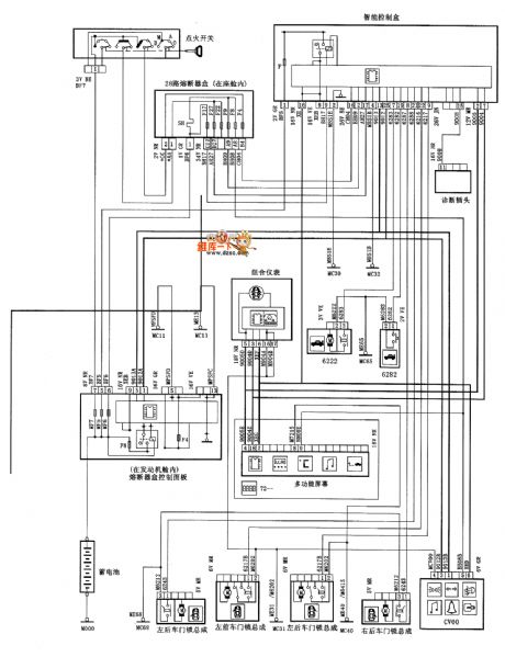
XSARA saloon car door opening information circuit diagram

Published:2011/4/14 2:14:00 Author:muriel | Keyword: XSARA , saloon car, door opening information

XSARA saloon car door opening information circuit diagram
XSARA saloon car door opening information circuit diagram isas shown   (View)

View full Circuit Diagram | Comments | Reading(1046)

XSARA saloon car safety belt warning system circuit diagram

Published:2011/4/14 2:14:00 Author:muriel | Keyword: XSARA , saloon car , safety belt warning system

XSARA saloon car safety belt warning system circuit diagram
XSARA saloon car safety belt warning system circuit diagram isas shown   (View)

View full Circuit Diagram | Comments | Reading(1055)

XSARA saloon car automatic transmission speeding warning circuit diagram

Published:2011/4/14 2:14:00 Author:muriel | Keyword: XSARA , saloon car, automatic transmission speeding warning

XSARA saloon car automatic transmission speeding warning circuit diagram
XSARA saloon car automatic transmission speeding warning circuit diagram isas shown   (View)

View full Circuit Diagram | Comments | Reading(724)

XSARA saloon car automatic transmission safety warning circuit diagram

Published:2011/4/14 2:13:00 Author:muriel | Keyword: XSARA , saloon car, automatic transmission safety warning

XSARA saloon car automatic transmission safety warning circuit diagram
XSARA saloon car automatic transmission safety warning circuit diagramisas shown   (View)

View full Circuit Diagram | Comments | Reading(709)

XSARA saloon car automatic transmission reverse gear warning circuit diagram

Published:2011/4/14 2:13:00 Author:muriel | Keyword: XSARA , saloon car, automatic transmission reverse gear warning

XSARA saloon car automatic transmission reverse gear warning circuit diagram
XSARA saloon car automatic transmission reverse gear warning circuit diagram isas shown   (View)

View full Circuit Diagram | Comments | Reading(1151)

XSARA saloon car front windshield wiper and front air window washing circuit diagram

Published:2011/4/14 2:13:00 Author:muriel | Keyword: XSARA , saloon car , front windshield wiper, front air window washing

XSARA saloon car front windshield wiper and front air window washing circuit diagram
XSARA saloon car front windshield wiper and front air window washing circuit diagram isas shown   (View)

View full Circuit Diagram | Comments | Reading(943)

XSARA saloon car rear motor-driven window circuit diagram

Published:2011/4/14 2:12:00 Author:muriel | Keyword: XSARA , saloon car, rear motor-driven window

XSARA saloon car rear motor-driven window circuit diagram
XSARA saloon car rear motor-driven window circuit diagramis as shown   (View)

View full Circuit Diagram | Comments | Reading(642)

XSARA saloon car central door lock circuit diagram

Published:2011/4/14 2:12:00 Author:muriel | Keyword: XSARA , saloon car , central door lock

XSARA saloon car central door lock circuit diagram
XSARA saloon car central door lock circuit diagram isas shown   (View)

View full Circuit Diagram | Comments | Reading(2835)

Cigar lighter,radio cassette player、air blower,body light,trunk,license plate lamp circuit diagram

Published:2011/4/14 2:12:00 Author:muriel | Keyword: JETTA AT, JETTA GT, saloon car , cigar lighter, radio cassette player, air blower, body light, trunk , license plate lamp

Cigar lighter,radio cassette player、air blower,body light,trunk,license plate lamp circuit diagram
JETTA AT,JETTA GT saloon car cigar lighter,radio cassette player,air blower,body light,trunk and license plate lamp circuit diagramisas shown   (View)

View full Circuit Diagram | Comments | Reading(949)

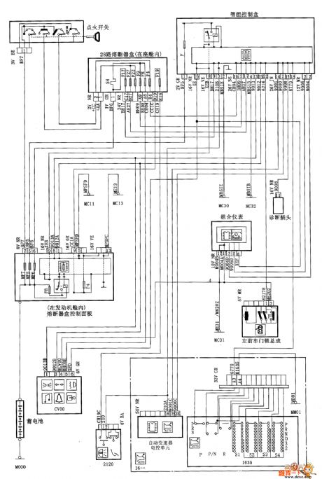
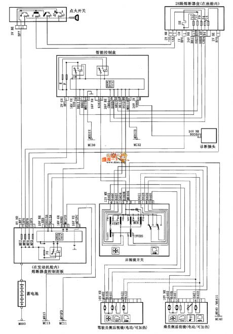
XSARA saloon car motor-driven rearview mirror circuit diagram

Published:2011/4/14 2:11:00 Author:muriel | Keyword: XSARA, saloon car, motor-driven rearview mirror

XSARA saloon car motor-driven rearview mirror circuit diagram
XSARA saloon car motor-driven rearview mirror circuit diagram isas shown   (View)

View full Circuit Diagram | Comments | Reading(548)

Guangzhou Honda accord instrument panel light circuit diagram

Published:2011/4/14 2:11:00 Author:muriel | Keyword: Guangzhou Honda accord , instrument panel light

Guangzhou Honda accord instrument panel light circuit diagram
Guangzhou Honda accord instrument panel light circuit diagram isas shown   (View)

View full Circuit Diagram | Comments | Reading(667)

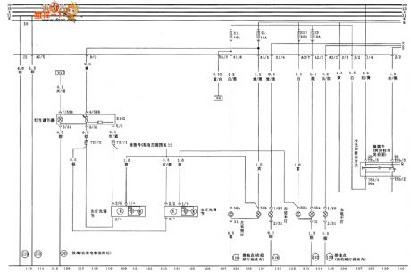
Saloon car headlamp,passing light adjustment,parking lamp and turn light circuit diagram

Published:2011/4/14 2:11:00 Author:muriel | Keyword: JETTA AT, JETTA GT, saloon car , headlamp, passing light adjustment, parking lamp, turn light

Saloon car headlamp,passing light adjustment,parking lamp and turn light circuit diagram
JETTA AT,JETTA GT saloon car headlamp,passing light adjustment,parking lamp and turn light circuit diagram isas shown   (View)

View full Circuit Diagram | Comments | Reading(1317)

Guangzhou Honda accord motor-driven rearview mirror circuit diagram

Published:2011/4/14 2:10:00 Author:muriel | Keyword: Guangzhou Honda accord, motor-driven rearview mirror

Guangzhou Honda accord motor-driven rearview mirror circuit diagram
Guangzhou Honda accord motor-driven rearview mirrorcircuit diagram isas shown   (View)

View full Circuit Diagram | Comments | Reading(1024)

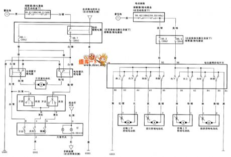
JETTA AT,JETTA GT saloon car turn light,hazard warning light,parking lamp,taillight circuit diagram

Published:2011/4/14 2:10:00 Author:muriel | Keyword: JETTA AT, JETTA GT, saloon car , turn light, hazard warning light, parking lamp, taillight

JETTA AT,JETTA GT saloon car turn light,hazard warning light,parking lamp,taillight circuit diagram
JETTA AT,JETTA GT saloon car turn light,hazard warning light,parking lamp,taillight circuit diagram isas shown   (View)

View full Circuit Diagram | Comments | Reading(1048)

Guangzhou Honda accord motor-driven window circuit diagram

Published:2011/4/14 2:09:00 Author:muriel | Keyword: Guangzhou Honda accord, motor-driven window

Guangzhou Honda accord motor-driven window circuit diagram
Guangzhou Honda accord motor-driven window circuit diagram is as shown   (View)

View full Circuit Diagram | Comments | Reading(1036)

Guangzhou Honda accord combination instrument circuit diagram(one)

Published:2011/4/14 2:09:00 Author:muriel | Keyword: Guangzhou Honda accord , combination instrument

Guangzhou Honda accord combination instrument circuit diagram(one)
Guangzhou Honda accord combination instrument circuit diagram(one) isas shown   (View)

View full Circuit Diagram | Comments | Reading(683)

Pages:137/164 At 20121122123124125126127128129130131132133134135136137138139140Under 20