Position: Home > Circuit Diagram > Automotive Circuit > Index 132
Low Cost Custom Prototype PCB Manufacturer

Automotive Circuit

Index 132



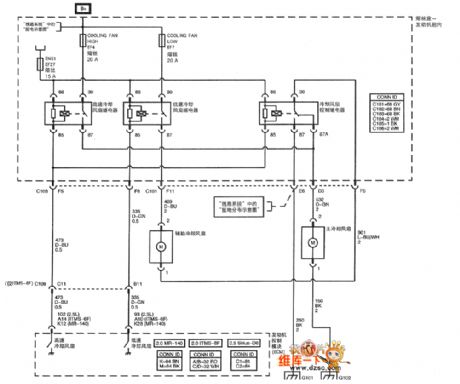
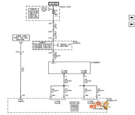
Shanghai gm Chevrolet(Epica)saloon car 2.0L engine circuit diagram(four)

Published:2011/4/17 20:50:00 Author:muriel | Keyword: Shanghai gm Chevrolet(Epica), saloon car , 2.0L engine

Shanghai gm Chevrolet(Epica)saloon car 2.0L engine circuit diagram(four)
Shanghai gm Chevrolet(Epica)saloon car 2.0L engine circuit diagram(four) is as shown   (View)

View full Circuit Diagram | Comments | Reading(690)

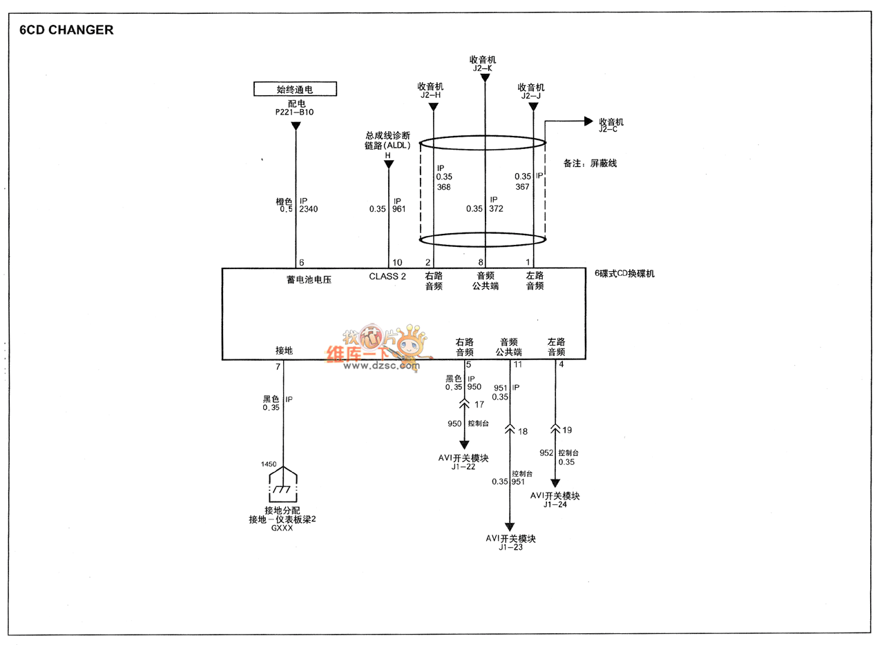
SHANGHAI GM BUICK(LaCROSSE) saloon car infotainment System circuit diagram(seven)

Published:2011/4/17 21:21:00 Author:muriel | Keyword: SHANGHAI GM BUICK(LaCROSSE), saloon car , infotainment System

SHANGHAI GM BUICK(LaCROSSE) saloon car infotainment System circuit diagram(seven)
SHANGHAI GM BUICK(LaCROSSE) saloon car infotainment System circuit diagram isas shown SHANGHAI   (View)

View full Circuit Diagram | Comments | Reading(584)

SHANGHAI GM BUICK(LaCROSSE) saloon car infotainment System circuit diagram(eight)

Published:2011/4/17 21:17:00 Author:muriel | Keyword: SHANGHAI GM BUICK(LaCROSSE), saloon car , infotainment System

SHANGHAI GM BUICK(LaCROSSE) saloon car infotainment System circuit diagram(eight)
SHANGHAI GM BUICK(LaCROSSE) saloon car infotainment System circuit diagram is as shown   (View)

View full Circuit Diagram | Comments | Reading(708)

Shanghai gm Chevrolet(Epica)saloon car 2.0L engine circuit diagram(five)

Published:2011/4/17 20:50:00 Author:muriel | Keyword: Shanghai gm Chevrolet(Epica), saloon car , 2.0L engine

Shanghai gm Chevrolet(Epica)saloon car 2.0L engine circuit diagram(five)
Shanghai gm Chevrolet(Epica)saloon car 2.0L engine circuit diagram(five) is as shown   (View)

View full Circuit Diagram | Comments | Reading(636)

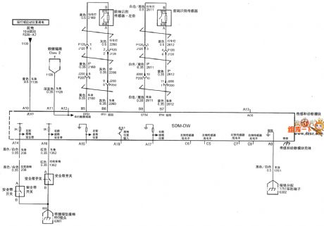
SHANGHAI GM BUICK(LaCROSSE) saloon car supplementary restraint system circuit diagram(one)

Published:2011/4/17 21:06:00 Author:muriel | Keyword: SHANGHAI GM BUICK(LaCROSSE), saloon car, supplementary restraint system

SHANGHAI GM BUICK(LaCROSSE) saloon car supplementary restraint system circuit diagram(one)
SHANGHAI GM BUICK(LaCROSSE) saloon car supplementary restraint system circuit diagram(one) is as shown   (View)

View full Circuit Diagram | Comments | Reading(575)

Shanghai gm Chevrolet(Epica)saloon car 2.0L engine circuit diagram(six)

Published:2011/4/17 20:48:00 Author:muriel | Keyword: Shanghai gm Chevrolet(Epica), saloon car, 2.0L engine

Shanghai gm Chevrolet(Epica)saloon car 2.0L engine circuit diagram(six)
Shanghai gm Chevrolet(Epica)saloon car 2.0L engine circuit diagram(six) is as shown   (View)

View full Circuit Diagram | Comments | Reading(1200)

Shanghai gm Chevrolet(Epica)saloon car 2.0L engine circuit diagram(seven)

Published:2011/4/17 20:51:00 Author:muriel | Keyword: Shanghai gm Chevrolet(Epica), saloon car, 2.0L engine

Shanghai gm Chevrolet(Epica)saloon car 2.0L engine circuit diagram(seven)
Shanghai gm Chevrolet(Epica)saloon car 2.0L engine circuit diagram(seven) is as shown   (View)

View full Circuit Diagram | Comments | Reading(684)

SHANGHAI GM BUICK(LaCROSSE) saloon car supplementary restraint system circuit diagram(three)

Published:2011/4/17 21:10:00 Author:muriel | Keyword: SHANGHAI GM BUICK(LaCROSSE), saloon car, supplementary restraint system

SHANGHAI GM BUICK(LaCROSSE) saloon car supplementary restraint system circuit diagram(three)
SHANGHAI GM BUICK(LaCROSSE) saloon car supplementary restraint system circuit diagram(three) is as shown   (View)

View full Circuit Diagram | Comments | Reading(481)

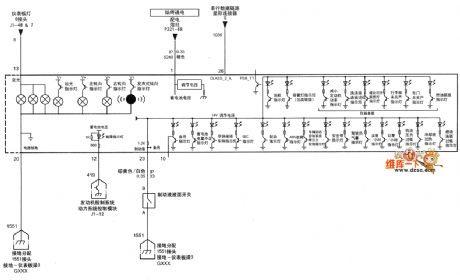
Shanghai gm Chevrolet(Epica)saloon car 2.0L engine circuit diagram(eight)

Published:2011/4/17 20:57:00 Author:muriel | Keyword: Shanghai gm Chevrolet(Epica), saloon car, 2.0L engine

Shanghai gm Chevrolet(Epica)saloon car 2.0L engine circuit diagram(eight)
Shanghai gm Chevrolet(Epica)saloon car 2.0L engine circuit diagram(eight) is as shown   (View)

View full Circuit Diagram | Comments | Reading(654)

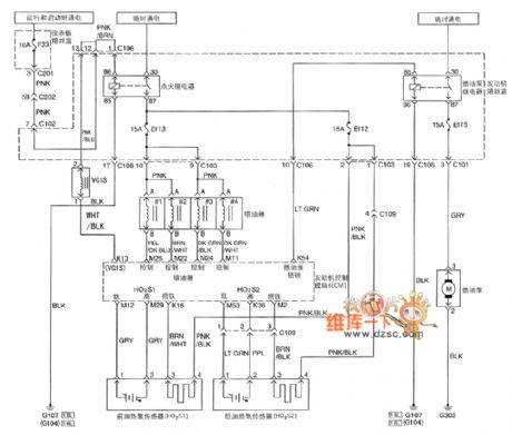
Shanghai gm Chevrolet(Epica)saloon car 2.0L engine circuit diagram(nine)

Published:2011/4/17 20:52:00 Author:muriel | Keyword: Shanghai gm Chevrolet(Epica), saloon car, 2.0L engine

Shanghai gm Chevrolet(Epica)saloon car 2.0L engine circuit diagram(nine)
Shanghai gm Chevrolet(Epica)saloon car 2.0L engine circuit diagram(nine) is as shown   (View)

View full Circuit Diagram | Comments | Reading(668)

SHANGHAI GM BUICK(LaCROSSE) saloon car supplementary restraint system circuit diagram(five)

Published:2011/4/17 21:11:00 Author:muriel | Keyword: SHANGHAI GM BUICK(LaCROSSE), saloon car , supplementary restraint system

SHANGHAI GM BUICK(LaCROSSE) saloon car supplementary restraint system circuit diagram(five)
SHANGHAI GM BUICK(LaCROSSE) saloon car supplementary restraint system circuit diagram(five) is as shown   (View)

View full Circuit Diagram | Comments | Reading(622)

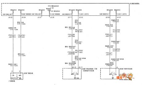
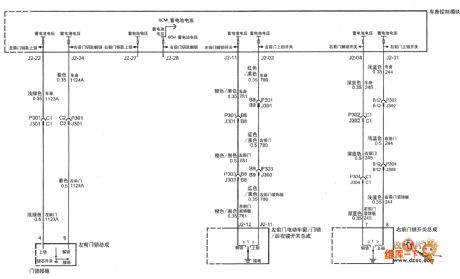
SHANGHAI GM BUICK(LaCROSSE) saloon car motor-driven gate lock circuit diagram(one)

Published:2011/4/17 21:15:00 Author:muriel | Keyword: SHANGHAI GM BUICK(LaCROSSE), saloon car, motor-driven gate lock

SHANGHAI GM BUICK(LaCROSSE) saloon car motor-driven gate lock circuit diagram(one)
SHANGHAI GM BUICK(LaCROSSE) saloon car motor-driven gate lock circuit diagram is as shown   (View)

View full Circuit Diagram | Comments | Reading(469)

SHANGHAI GM BUICK(LaCROSSE) saloon car motor-driven gate lock circuit diagram(two)

Published:2011/4/17 21:15:00 Author:muriel | Keyword: SHANGHAI GM BUICK(LaCROSSE), saloon car, motor-driven gate lock

SHANGHAI GM BUICK(LaCROSSE) saloon car motor-driven gate lock circuit diagram(two)
SHANGHAI GM BUICK(LaCROSSE) saloon car motor-driven gate lock circuit diagram is as shown   (View)

View full Circuit Diagram | Comments | Reading(610)

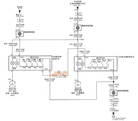
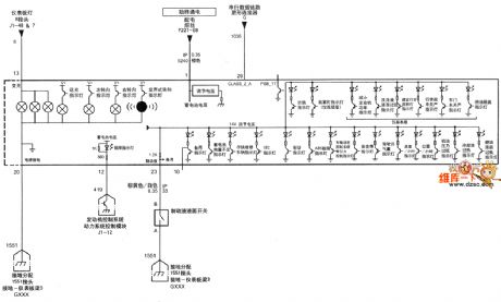
SHANGHAI GM BUICK(LaCROSSE) saloon car instrument board circuit diagram(one)

Published:2011/4/17 21:13:00 Author:muriel | Keyword: SHANGHAI GM BUICK(LaCROSSE), saloon car, instrument board

SHANGHAI GM BUICK(LaCROSSE) saloon car instrument board circuit diagram(one)
SHANGHAI GM BUICK(LaCROSSE) saloon car instrument board circuit diagram(one) is as shown   (View)

View full Circuit Diagram | Comments | Reading(553)

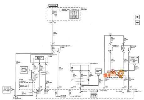
SHANGHAI GM BUICK(LaCROSSE) saloon car instrument board circuit diagram(two)

Published:2011/4/17 21:14:00 Author:muriel | Keyword: SHANGHAI GM BUICK(LaCROSSE), saloon car, instrument board

SHANGHAI GM BUICK(LaCROSSE) saloon car instrument board circuit diagram(two)
SHANGHAI GM BUICK(LaCROSSE) saloon car instrument board circuit diagram(two) is as shown   (View)

View full Circuit Diagram | Comments | Reading(490)

SHANGHAI GM BUICK(LaCROSSE) saloon car anti-theft system circuit diagram(one)

Published:2011/4/17 21:12:00 Author:muriel | Keyword: SHANGHAI GM BUICK(LaCROSSE), saloon car , anti-theft system

SHANGHAI GM BUICK(LaCROSSE) saloon car anti-theft system circuit diagram(one)
SHANGHAI GM BUICK(LaCROSSE) saloon car anti-theft system circuit diagram(one) is as shown   (View)

View full Circuit Diagram | Comments | Reading(586)

BUICK(Excelle)saloon car engine circuit diagram(one)

Published:2011/4/17 21:47:00 Author:muriel | Keyword: BUICK(Excelle), saloon car , engine

BUICK(Excelle)saloon car engine circuit diagram(one)
Figure SHANGHAI GM BUICK(Excelle)saloon car engine circuit diagram(one)   (View)

View full Circuit Diagram | Comments | Reading(441)

SHANGHAI GM BUICK(Excelle)saloon car engine circuit diagram(five)

Published:2011/4/17 21:50:00 Author:muriel | Keyword: SHANGHAI GM BUICK(Excelle), saloon car, engine

SHANGHAI GM BUICK(Excelle)saloon car engine circuit diagram(five)
Figure SHANGHAI GM BUICK(Excelle)saloon car engine circuit diagram(five)   (View)

View full Circuit Diagram | Comments | Reading(760)

SHANGHAI GM BUICK(Excelle)saloon car engine circuit diagram(two)

Published:2011/4/17 21:43:00 Author:muriel | Keyword: SHANGHAI GM BUICK(Excelle), saloon car , engine

SHANGHAI GM BUICK(Excelle)saloon car engine circuit diagram(two)
Figure SHANGHAI GM BUICK(Excelle)saloon car engine circuit diagram(two)   (View)

View full Circuit Diagram | Comments | Reading(391)

SHANGHAI GM BUICK(Excelle)saloon car engine circuit diagram(three)

Published:2011/4/17 21:45:00 Author:muriel | Keyword: SHANGHAI GM BUICK(Excelle), saloon car, engine

SHANGHAI GM BUICK(Excelle)saloon car engine circuit diagram(three)
Figure SHANGHAI GM BUICK(Excelle)saloon car engine circuit diagram(three)   (View)

View full Circuit Diagram | Comments | Reading(425)

Pages:132/164 At 20121122123124125126127128129130131132133134135136137138139140Under 20