Published:2011/4/21 20:55:00 Author:muriel | Keyword: SGMW Chevrolet(Spark), saloon car , anti-lock braking system
SGMW Chevrolet(Spark)saloon car anti-lock braking system circuit diagram(one)
(View)
View full Circuit Diagram | Comments | Reading(1379)
Published:2011/4/21 20:51:00 Author:muriel | Keyword: SHANGHAI GM Chevrolet(Sail), saloon car, 1.6L engine
Figure SHANGHAI GM Chevrolet(Sail)saloon car 1.6L engine circuit diagram(two)
K58 oil pump relay 296-298M21 fuel pump 298p31 intake temperature sensor 274P33 oxygen sensor 260P34 throttle sensor 268-170Y7 fuel injection mouth 277-197 (View)
View full Circuit Diagram | Comments | Reading(1204)
Published:2011/4/21 20:54:00 Author:muriel | Keyword: SGMW Chevrolet(Spark), saloon car , anti-lock braking system
SGMW Chevrolet(Spark)saloon car anti-lock braking system circuit diagram(two)
(View)
View full Circuit Diagram | Comments | Reading(1760)
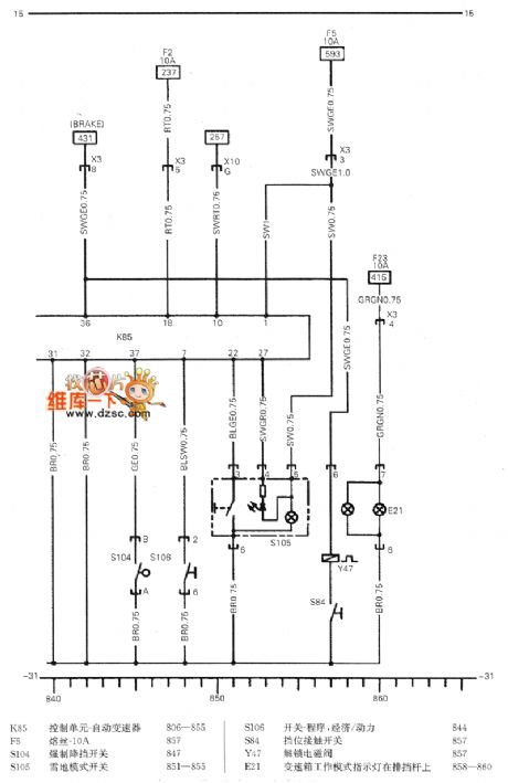
Published:2011/4/21 20:36:00 Author:muriel | Keyword: SHANGHAI GM Chevrolet(Sail), saloon car, automatic transmission
Figure SHANGHAI GM Chevrolet(Sail)saloon car automatic transmission circuit diagram(two)
K85 control unit-automatic transmission 806-855F5 fuse wire-10A 857S104 mandatory dropping gear switch 847S105 snow mode switch 851-855S106 switch-program, economy/dynamic 844S84 gear contact switch 857Y47 unlocking solenoid valve 857E21 speed changing box working mode signal light on the shift knob 857-860 (View)
View full Circuit Diagram | Comments | Reading(1258)
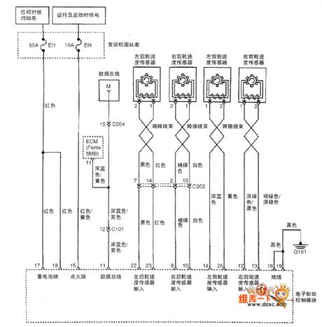
Published:2011/4/21 20:28:00 Author:muriel | Keyword: SHANGHAI GM Chevrolet(Sail), saloon car , anti-lock braking system
Figure SHANGHAI GM Chevrolet(Sail)saloon car anti-lock braking system circuit diagram
U4 control unit-ABS 707-748P17 sensor-wheel speed, left pront 715P18 sensor-wheel speed, right pront 724F22 fuse wire-10A 754P19 sensor-wheel speed, left rear 735P20 sensor-wheel speed, right rear 743 (View)
View full Circuit Diagram | Comments | Reading(720)
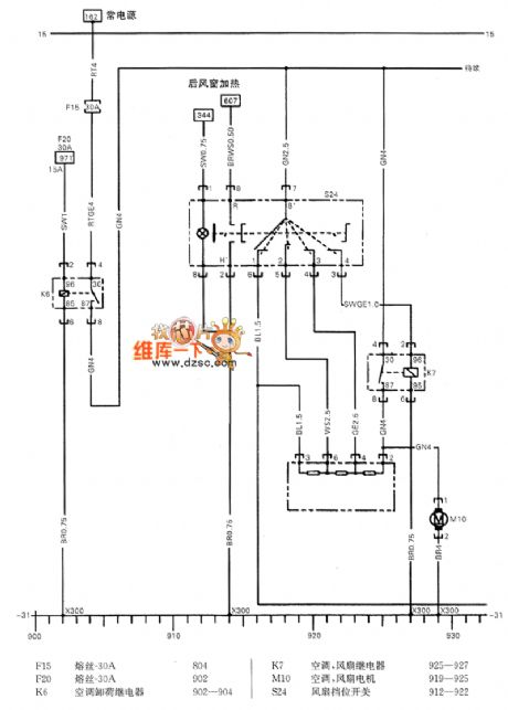
Published:2011/4/21 20:22:00 Author:muriel | Keyword: SHANGHAI GM Chevrolet(Sail), saloon car, air condition system
Figure SHANGHAI GM Chevrolet(Sail)saloon car air condition system circuit diagram(one)
F15 fuse wire-30A 804F20 fuse wire-30A 902K6 air condition unloading relay 902-904K7 air condition, fan relay 925-927M10 air condtion, fan motor 919-925S24 fan gear switch 912-922 (View)
View full Circuit Diagram | Comments | Reading(552)
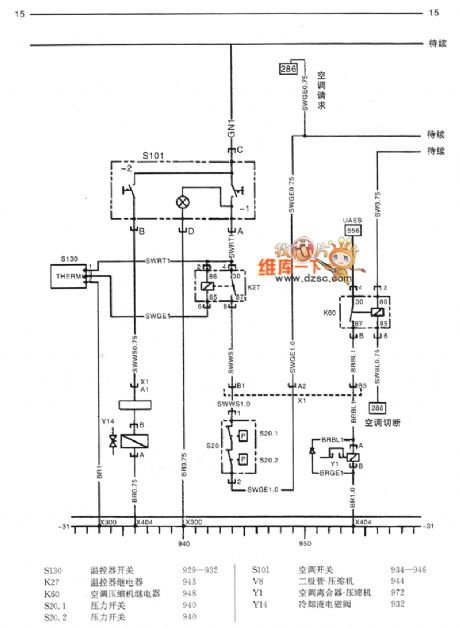
Published:2011/4/21 20:17:00 Author:muriel | Keyword: SHANGHAI GM Chevrolet(Sail), saloon car, air condition system
Figure SHANGHAI GM Chevrolet(Sail)saloon car air condition system circuit diagram(two)
S130 thermostat switch 929-932K27 thermostat relay 943K60 air condition compressor relay 948S20.1 pressure switch 940S20.2 pressure switch 940S101 air condition switch 934-946V8 diode-compressor 944Y1 air condition clutch-compressor 972Y14 coolant solenoid valve 932 (View)
View full Circuit Diagram | Comments | Reading(1795)
Published:2011/4/20 21:51:00 Author:Sue | Keyword: Multivibrator
View full Circuit Diagram | Comments | Reading(591)
Published:2011/4/20 21:50:00 Author:Sue | Keyword: Square Wave, Operational Amplifier
View full Circuit Diagram | Comments | Reading(635)
Published:2011/4/21 20:01:00 Author:Sue | Keyword: Numerical Controlled, Mono-stable, Multivibrating
As seen in the figure is the numerical controlled mono-stable multivibrating circuit composed of 4-2 input or NOT gate CC4001 and 14 binary serial counter/ frequency divider CC4020. It is mainly used in time-delay-switches or timers in automatic control equipment. (View)
View full Circuit Diagram | Comments | Reading(784)
Published:2011/4/21 10:10:00 Author:Celina | Keyword: Simple, Amplification, Exposure Meter
This circuit is a simple exposure circuit,whose output voltage will be adjusted to zero by potentiometer VR when there is no illumination .This method is simply to meet the demand to adjust the exposure meter,while the adjustment of VR is merely to get a proper bright dark scope and the film speed of photographic paper .When there`s no requirement of photosensibility of various photographic paper, the indexing of potentiometer is fixed .
(View)
View full Circuit Diagram | Comments | Reading(691)
Published:2011/4/20 3:50:00 Author:Rebekka | Keyword: Angel fountain circuit
View full Circuit Diagram | Comments | Reading(646)
Published:2011/4/20 5:01:00 Author:Rebekka | Keyword: Multi-function remote control , air-conditioning
View full Circuit Diagram | Comments | Reading(863)
Published:2011/4/20 4:35:00 Author:Rebekka | Keyword: remote control receiver , receiver application circuit


Composed of KD-12E 256 multi-function remote control transmitter application circuit.
Composed of KD-12E 256 multi-function remote control receiver application circuit.
Each way of 256 multi-function remote control transmitter / receiver circuit can achieve 16 different control functions by setting S1 ~ S4 encoded switches.
(View)
View full Circuit Diagram | Comments | Reading(638)
Published:2011/3/30 22:33:00 Author:Ecco | Keyword: GOL sedan



Shanghai GOL sedan circuit diagram is as below:
(View)
View full Circuit Diagram | Comments | Reading(523)
Published:2011/3/30 22:56:00 Author:Ecco | Keyword: Dong Feng
Dong Feng EQ1090 circuit diagram is as below:
1-front sidemarker; 2-grouped lamps; 3-headlamp; 4-ignition co-il; 4 n-additional resistanc wire; 5-distributor; 6-sparking plug; 7-alternator; 8-alternator modulator; 9-speaker; 10-work lamp socket; 11-speaker relay; 12-genial breezes motor; 15-water temperature sensor machine; 16-lamp optical relay; 17 a-d-fuses; 18-blinker; 20-lamp switch; 22- left or right direction indicator; 23- low oil pressure warning light; 25- optics switch; 26-start machine; 27-the oil pressure gauge sensor; 28-low oil pressure warning switch; 29-secondary cell; 30-power supply master switch; 31-the start reunite relay; 32-braking switch; 33-the speaker pressing button; 34-switch of genial breezes motor and backlight; 35-cage vertex lamp; 36-changing direction a lamp switch; 37-firing switch; 38-the fuel table sensor; 39-grouped tail lamps; 41-backlight; 42-hang car socket; 44-low atmospheric pressure buzzer; 45-the low tension gaswarning switch; 46 a-voltage regulations; 46 b-water temperature table; 46 c-fuel table; 46 dsoil pressure gauges; 46 e-ampere meters; 46 f-meter lamp.
(View)
View full Circuit Diagram | Comments | Reading(1253)
Published:2011/4/20 21:52:00 Author:Sue | Keyword: Multivibrator, D Trigger
As seen in the figure, when RC component is connected to the Q output of D trigger, there is a mono-stable trigger. When RC is connected to the non-output of Q, there is an astable circuit, that is a multivibrator. (View)
View full Circuit Diagram | Comments | Reading(638)
Published:2011/3/30 22:05:00 Author:Ecco | Keyword: air conditioning system , diesel engine
Nissan T30 air conditioning system circuit diagram--diesel engine circuit diagram is as below:
(View)
View full Circuit Diagram | Comments | Reading(1532)
Published:2011/3/30 23:08:00 Author:Ecco | Keyword: truck, electronic control harness, principle
Dongfeng EQ1092F truck electronic control harness and principle circuit diagram is as below:
(View)
View full Circuit Diagram | Comments | Reading(1161)
Published:2011/3/30 23:21:00 Author:Ecco | Keyword: key to Cadillac car
The circuit diagram of key to Cadillac car is as below:
(View)
View full Circuit Diagram | Comments | Reading(547)
| Pages:120/164 At 20101102103104105106107108109110111112113114115116117118119120Under 20 |