Position: Home > Circuit Diagram > Automotive Circuit > Index 115
Low Cost Custom Prototype PCB Manufacturer

Automotive Circuit

Index 115



Zero Symmetric Bidirectional Pulse Wave Generator Circuit

Published:2011/4/20 21:42:00 Author:Sue | Keyword: Zero Symmetric, Bidirectional, Pulse Wave, Generator

Zero Symmetric Bidirectional Pulse Wave Generator Circuit
  (View)

View full Circuit Diagram | Comments | Reading(748)

Pulser Generator Circuit Composed of CC4516 with Controlled Pulsewidth

Published:2011/4/20 21:39:00 Author:Sue | Keyword: Pulse, Generator, Controlled Pulsewidth

Pulser Generator Circuit Composed of CC4516 with Controlled Pulsewidth
  (View)

View full Circuit Diagram | Comments | Reading(419)

Quantitative Pulse Generator Circuit

Published:2011/4/20 21:35:00 Author:Sue | Keyword: Quantitative, Pulse, Generator

Quantitative Pulse Generator Circuit
This circuit is mainly used to control the amount of rotation of step electric motors. The joint angle of a step electric motor is subject to the number of pulses input by the circular distributor. In this circuit, the quantitative pulses can be set to 999 at most in a random manner.   (View)

View full Circuit Diagram | Comments | Reading(537)

1/86400Hz Pulse Generator Circuit

Published:2011/4/22 21:40:00 Author:Sue | Keyword: Pulse, Generator, 1/86400Hz

1/86400Hz Pulse Generator Circuit
As illustrated, in the circuit it is able to input a clock pulse of 1Hz every 24 hours, which can be generated by digital clock. It can offer the a.m. or p.m. instructions for those without this function, or to be used to preset the date of digital calendars. Also it can serve as a reliable alarm trigger at a particular time.   (View)

View full Circuit Diagram | Comments | Reading(774)

Zastava CA7200E3(L) type lighting and signalling system circuit diagram

Published:2011/4/24 21:23:00 Author:muriel | Keyword: Zastava, lighting and signalling system

Zastava CA7200E3(L) type lighting and signalling system circuit diagram
Zastava CA7200E3(L) type lighting and signalling system circuit diagram is as shown   (View)

View full Circuit Diagram | Comments | Reading(479)

Zastava CA7200E3(L) type instrument and signalling system circuit diagram

Published:2011/4/24 21:26:00 Author:muriel | Keyword: Zastava, instrument and signalling system

Zastava CA7200E3(L) type instrument and signalling system circuit diagram
Zastava CA7200E3(L) type instrument and signalling system circuit diagram is as shown   (View)

View full Circuit Diagram | Comments | Reading(470)

Zastava CA7200E3(L) type radio cassette player and center gate lock system circuit diagram

Published:2011/4/24 21:22:00 Author:muriel | Keyword: Zastava , radio cassette player, center gate lock system

Zastava CA7200E3(L) type radio cassette player and center gate lock system circuit diagram
Zastava CA7200E3(L) type radio cassette player and center gate lock system circuit diagram is as shown   (View)

View full Circuit Diagram | Comments | Reading(668)

Zastava CA7200E3(L) type buzzer, indoor light and cigar lighter circuit diagram

Published:2011/4/24 21:20:00 Author:muriel | Keyword: Zastava , buzzer, indoor light, cigar lighter

Zastava CA7200E3(L) type buzzer, indoor light and cigar lighter circuit diagram
Zastava CA7200E3(L) type buzzer, indoor light and cigar lighter circuit diagram is as shown   (View)

View full Circuit Diagram | Comments | Reading(578)

DONGFENG CITROEN XSARA starter and generator(manual transmission) circuit diagram

Published:2011/4/24 21:07:00 Author:muriel | Keyword: DONGFENG CITROEN XSARA, starter, generator(manual transmission)

DONGFENG CITROEN XSARA starter and generator(manual transmission) circuit diagram
DONGFENG CITROEN XSARA starter and generator(manual transmission) circuit diagram is as shown   (View)

View full Circuit Diagram | Comments | Reading(3956)

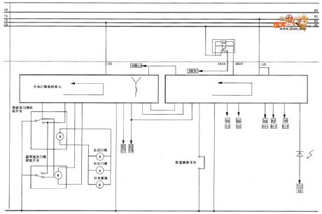
Zastava CA7200E3(L) type center gate lock system(one) circuit diagram

Published:2011/4/24 21:18:00 Author:muriel | Keyword: Zastava , center gate lock system

Zastava CA7200E3(L) type center gate lock system(one) circuit diagram
Zastava CA7200E3(L) type center gate lock system circuit diagram is as shown   (View)

View full Circuit Diagram | Comments | Reading(505)

Zastava CA7200E3(L) type engine fuel injection system (one) circuit diagram

Published:2011/4/24 21:11:00 Author:muriel | Keyword: Zastava, engine fuel injection system

Zastava CA7200E3(L) type engine fuel injection system (one) circuit diagram
Zastava CA7200E3(L) type engine fuel injection system (one) circuit diagram is as shown   (View)

View full Circuit Diagram | Comments | Reading(589)

Zastava CA7200E3(L) type motor-driven rearview mirror circuit diagram

Published:2011/4/24 21:12:00 Author:muriel | Keyword: Zastava, motor-driven rearview mirror

Zastava CA7200E3(L) type motor-driven rearview mirror circuit diagram
Zastava CA7200E3(L) type motor-driven rearview mirror circuit diagram is as shown   (View)

View full Circuit Diagram | Comments | Reading(435)

Zastava CA7200E3(L) type motor-driven window system(two) circuit diagram

Published:2011/4/24 21:14:00 Author:muriel | Keyword: Zastava , motor-driven window system

Zastava CA7200E3(L) type motor-driven window system(two) circuit diagram
Zastava CA7200E3(L) type motor-driven window system(two) circuit diagram is as shown   (View)

View full Circuit Diagram | Comments | Reading(494)

Zastava CA7200E3(L) type center gate lock system(two) circuit diagram

Published:2011/4/24 21:16:00 Author:muriel | Keyword: Zastava, center gate lock system

Zastava CA7200E3(L) type center gate lock system(two) circuit diagram
Zastava CA7200E3(L) type center gate lock system(two) circuit diagram is as shown   (View)

View full Circuit Diagram | Comments | Reading(504)

Zastava CA7200E3(L) type motor-driven window system(one) circuit diagram

Published:2011/4/24 21:13:00 Author:muriel | Keyword: Zastava, motor-driven window system

Zastava CA7200E3(L) type motor-driven window system(one) circuit diagram
Zastava CA7200E3(L) type motor-driven window system(one) circuit diagram is as shown   (View)

View full Circuit Diagram | Comments | Reading(487)

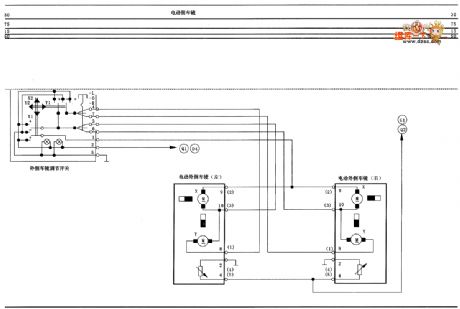
XSARA automatic transmission circuit diagram

Published:2011/4/24 20:52:00 Author:muriel | Keyword: XSARA , automatic transmission

XSARA automatic transmission circuit diagram
XSARA automatic transmission circuit diagram is as shown   (View)

View full Circuit Diagram | Comments | Reading(604)

XSARA fog lamp circuit diagram

Published:2011/4/24 20:50:00 Author:muriel | Keyword: XSARA , fog lamp

XSARA fog lamp circuit diagram
XSARA fog lamp circuit diagram is as shown   (View)

View full Circuit Diagram | Comments | Reading(633)

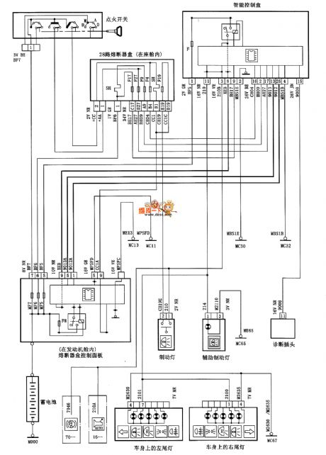
XSARA brake lamp circuit diagram

Published:2011/4/24 20:51:00 Author:muriel | Keyword: XSARA, brake lamp

XSARA brake lamp circuit diagram
XSARA brake lamp circuit diagram is as shown   (View)

View full Circuit Diagram | Comments | Reading(570)

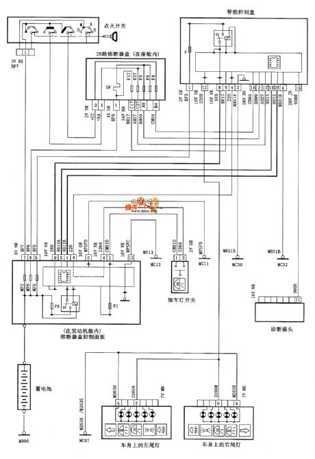
XSARA reversing light(manual transmission) circuit diagram

Published:2011/4/24 20:48:00 Author:muriel | Keyword: XSARA , reversing light(manual transmission)

XSARA reversing light(manual transmission) circuit diagram
XSARA reversing light(manual transmission) circuit diagram is as shown   (View)

View full Circuit Diagram | Comments | Reading(627)

XSARA reversing light(automatic transmission) circuit diagram

Published:2011/4/24 20:47:00 Author:muriel | Keyword: XSARA, reversing light(automatic transmission)

XSARA reversing light(automatic transmission) circuit diagram
XSARA reversing light(automatic transmission) circuit diagram is as shown   (View)

View full Circuit Diagram | Comments | Reading(817)

Pages:115/164 At 20101102103104105106107108109110111112113114115116117118119120Under 20