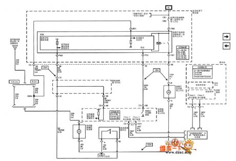
Published:2011/4/24 6:37:00 Author:Robert | Keyword: Yueda KIA, Combination Instrument, Alarm Light
Yueda KIA Combination Instrument And Alarm Light Circuit is shown above. (View)
View full Circuit Diagram | Comments | Reading(513)
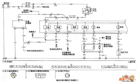
Published:2011/4/23 0:52:00 Author:Robert | Keyword: Mazda, Automatic Air Conditioning System
Mazda Automatic Air Conditioning System Circuit is shown below:
(View)
View full Circuit Diagram | Comments | Reading(962)
Published:2011/4/20 1:30:00 Author:Rebekka | Keyword: principle and application


LC219 is a modified LC2190 circuit, the internal principle of the improved emission encoder circuit is shown as above.
Application circuit diagram is shown as above. (View)
View full Circuit Diagram | Comments | Reading(1166)
Published:2011/4/20 21:55:00 Author:Rebekka | Keyword: circuit diagram
Remote working power outlet uses half-wave rectifier RC Buck. The receive part uses the regulator voltage tube regulator. Receiver circuit uses a simple super-regenerative circuit-type receiver circuit.
(View)
View full Circuit Diagram | Comments | Reading(570)
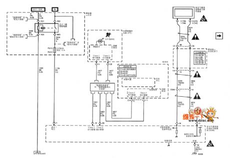
Published:2011/4/21 6:58:00 Author:Robert | Keyword: Buick Century, Dashboard System
Shanghai GM Buick Century car dashboard system serial data, turning signal switch and headlight switch circuit (2) is shown above. (View)
View full Circuit Diagram | Comments | Reading(576)
Published:2011/4/21 6:54:00 Author:Robert | Keyword: Buick Century, Dashboard System
Shanghai GM Buick Century car dashboard system brake switch surface indication circuit is shown above. (View)
View full Circuit Diagram | Comments | Reading(526)
Published:2011/4/20 10:32:00 Author:Rebekka | Keyword: Infrared light-emitting diode, output characteristic curve
View full Circuit Diagram | Comments | Reading(838)
Published:2011/4/21 6:56:00 Author:Robert | Keyword: Buick Century, Dashboard System
Shanghai GM Buick Century car dashboard system engine cooling surface indication components, windscreen washing switch surface indication circuit (3) is shown above. (View)
View full Circuit Diagram | Comments | Reading(610)
Published:2011/4/21 0:13:00 Author:Robert | Keyword: Shanghai GM, Buick Century, External Mirror
View full Circuit Diagram | Comments | Reading(508)
Published:2011/4/21 0:12:00 Author:Robert | Keyword: Shanghai GM, Cadillac, CTS, Dashboard
View full Circuit Diagram | Comments | Reading(511)
Published:2011/4/20 6:01:00 Author:Robert | Keyword: Shanghai General Motors, Earth Connection Circuit
View full Circuit Diagram | Comments | Reading(499)
Published:2011/4/20 6:00:00 Author:Robert | Keyword: Shanghai General, Cadillac, CTS, Defrost System
View full Circuit Diagram | Comments | Reading(614)
Published:2011/4/20 6:00:00 Author:Robert | Keyword: Shanghai General, Cadillac, CTS, Wiper/Wash System
View full Circuit Diagram | Comments | Reading(572)
Published:2011/4/20 5:59:00 Author:Robert | Keyword: Shanghai General, Cadillac, CTS, Wiper/Wash System
View full Circuit Diagram | Comments | Reading(536)
Published:2011/4/20 5:59:00 Author:Robert | Keyword: Shanghai General Cadillac, CTS, Security Aerocyst
View full Circuit Diagram | Comments | Reading(601)
Published:2011/4/20 5:58:00 Author:Robert | Keyword: Shanghai General Cadillac, CTS, Security Aerocyst
View full Circuit Diagram | Comments | Reading(548)
Published:2011/4/20 5:58:00 Author:Robert | Keyword: Shanghai General Cadillac, CTS, Security Aerocyst
View full Circuit Diagram | Comments | Reading(652)
Published:2011/4/20 5:57:00 Author:Robert | Keyword: Shanghai General Cadillac, CTS, SRS
View full Circuit Diagram | Comments | Reading(542)
Published:2011/4/19 3:41:00 Author:Rebekka | Keyword: non-attended light, Pyroelectric infrared control
View full Circuit Diagram | Comments | Reading(589)
Published:2011/4/21 21:38:00 Author:Sue | Keyword: Simulated, Sound, Generator, Phone Ringing
View full Circuit Diagram | Comments | Reading(720)
| Pages:117/164 At 20101102103104105106107108109110111112113114115116117118119120Under 20 |