Position: Home > Circuit Diagram > Automotive Circuit > Index 119
Low Cost Custom Prototype PCB Manufacturer

Automotive Circuit

Index 119



SHANGHAI GM Chevrolet(Epica)saloon car vehicle control system circuit diagram(three)

Published:2011/4/21 21:33:00 Author:muriel | Keyword: SHANGHAI GM Chevrolet(Epica), saloon car, vehicle control system

SHANGHAI GM Chevrolet(Epica)saloon car vehicle control system circuit diagram(three)
SHANGHAI GM Chevrolet(Epica)saloon car vehicle control system circuit diagram(three)   (View)

View full Circuit Diagram | Comments | Reading(588)

SHANGHAI GM BUICK(Royaum) saloon car vehicle control module circuit diagram(six)

Published:2011/4/21 21:18:00 Author:muriel | Keyword: SHANGHAI GM BUICK(Royaum), saloon car, vehicle control module

SHANGHAI GM BUICK(Royaum) saloon car vehicle control module circuit diagram(six)
Figure SHANGHAI GM BUICK(Royaum) saloon car vehicle control module circuit diagram(six)--windshield wiper system   (View)

View full Circuit Diagram | Comments | Reading(512)

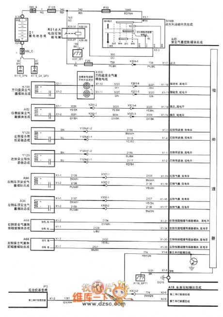
SHANGHAI GM BUICK(Royaum) saloon car SRS circuit diagram

Published:2011/4/21 21:12:00 Author:muriel | Keyword: SHANGHAI GM BUICK(Royaum), saloon car , SRS

SHANGHAI GM BUICK(Royaum) saloon car SRS circuit diagram
Figure SHANGHAI GM BUICK(Royaum) saloon car SRS circuit diagram   (View)

View full Circuit Diagram | Comments | Reading(594)

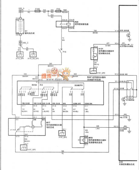
SHANGHAI GM BUICK(Royaum) saloon car windshield wiper/scrubber circuit diagram

Published:2011/4/21 21:14:00 Author:muriel | Keyword: SHANGHAI GM BUICK(Royaum) , saloon car, windshield wiper, scrubber

SHANGHAI GM BUICK(Royaum) saloon car windshield wiper/scrubber circuit diagram
Figure SHANGHAI GM BUICK(Royaum) saloon car windshield wiper/scrubber circuit diagram   (View)

View full Circuit Diagram | Comments | Reading(708)

SHANGHAI GM BUICK(Royaum) saloon car rearview mirror circuit diagram

Published:2011/4/21 21:11:00 Author:muriel | Keyword: SHANGHAI GM BUICK(Royaum), saloon car, rearview mirror

SHANGHAI GM BUICK(Royaum) saloon car rearview mirror circuit diagram
Figure SHANGHAI GM BUICK(Royaum) saloon car rearview mirror circuit diagram   (View)

View full Circuit Diagram | Comments | Reading(464)

SHANGHAI GM BUICK(Royaum) saloon car power sunroof circuit diagram

Published:2011/4/21 21:10:00 Author:muriel | Keyword: SHANGHAI GM BUICK(Royaum), saloon car , power sunroof

SHANGHAI GM BUICK(Royaum) saloon car power sunroof circuit diagram
Figure SHANGHAI GM BUICK(Royaum) saloon car power sunroof circuit diagram   (View)

View full Circuit Diagram | Comments | Reading(635)

SHANGHAI GM BUICK(Royaum) saloon car instrument circuit diagram(one)

Published:2011/4/21 21:08:00 Author:muriel | Keyword: SHANGHAI GM BUICK(Royaum) , saloon car , instrument

SHANGHAI GM BUICK(Royaum) saloon car instrument circuit diagram(one)
Figure SHANGHAI GM BUICK(Royaum) saloon car instrument circuit diagram(one)--V6   (View)

View full Circuit Diagram | Comments | Reading(503)

SHANGHAI GM BUICK(Royaum) saloon car instrument circuit diagram(two)

Published:2011/4/21 21:09:00 Author:muriel | Keyword: SHANGHAI GM BUICK(Royaum), saloon car , instrument

SHANGHAI GM BUICK(Royaum) saloon car instrument circuit diagram(two)
Figure SHANGHAI GM BUICK(Royaum) saloon car instrument circuit diagram(two)--V6   (View)

View full Circuit Diagram | Comments | Reading(504)

SHANGHAI GM BUICK(Royaum) saloon car instrument circuit diagram(three)

Published:2011/4/21 21:09:00 Author:muriel | Keyword: SHANGHAI GM BUICK(Royaum) , saloon car , instrument

SHANGHAI GM BUICK(Royaum) saloon car instrument circuit diagram(three)
Figure SHANGHAI GM BUICK(Royaum) saloon car instrument circuit diagram(three)--V6   (View)

View full Circuit Diagram | Comments | Reading(471)

SHANGHAI GM BUICK(Royaum) saloon car double parking auxiliary system circuit diagram(one)

Published:2011/4/21 21:06:00 Author:muriel | Keyword: SHANGHAI GM BUICK(Royaum), saloon car , double parking auxiliary system

SHANGHAI GM BUICK(Royaum) saloon car double parking auxiliary system circuit diagram(one)
Figure SHANGHAI GM BUICK(Royaum) saloon car double parking auxiliary system circuit diagram(one)   (View)

View full Circuit Diagram | Comments | Reading(475)

SHANGHAI GM BUICK(Royaum) saloon car double parking auxiliary system circuit diagram(two)

Published:2011/4/21 21:05:00 Author:muriel | Keyword: SHANGHAI GM BUICK(Royaum), saloon car, double parking auxiliary system

SHANGHAI GM BUICK(Royaum) saloon car double parking auxiliary system circuit diagram(two)
Figure SHANGHAI GM BUICK(Royaum) saloon car double parking auxiliary system circuit diagram(two)   (View)

View full Circuit Diagram | Comments | Reading(598)

SGMW Chevrolet(Spark)saloon car engine circuit diagram(six)

Published:2011/4/21 21:01:00 Author:muriel | Keyword: SGMW Chevrolet(Spark), saloon car , engine

SGMW Chevrolet(Spark)saloon car engine circuit diagram(six)
SGMW Chevrolet(Spark)saloon car engine circuit diagram(six)   (View)

View full Circuit Diagram | Comments | Reading(3359)

SHANGHAI GM BUICK(Royaum) saloon car air condition circuit diagram

Published:2011/4/21 21:04:00 Author:muriel | Keyword: SHANGHAI GM BUICK(Royaum), saloon car, air condition

SHANGHAI GM BUICK(Royaum) saloon car air condition circuit diagram
Figure SHANGHAI GM BUICK(Royaum) saloon car air condition circuit diagram   (View)

View full Circuit Diagram | Comments | Reading(544)

SGMW Chevrolet(Spark)saloon car engine circuit diagram(five)

Published:2011/4/21 20:59:00 Author:muriel | Keyword: SGMW Chevrolet(Spark), saloon car, engine

SGMW Chevrolet(Spark)saloon car engine circuit diagram(five)
SGMW Chevrolet(Spark)saloon car engine circuit diagram(five)   (View)

View full Circuit Diagram | Comments | Reading(1706)

SHANGHAI GM Chevrolet(Sail)saloon car automatic transmission circuit diagram(one)

Published:2011/4/21 20:39:00 Author:muriel | Keyword: SHANGHAI GM Chevrolet(Sail), saloon car , automatic transmission

SHANGHAI GM Chevrolet(Sail)saloon car automatic transmission circuit diagram(one)
Figure SHANGHAI GM Chevrolet(Sail)saloon car automatic transmission circuit diagram(one) K85 control unit-automatic transmission 806-855P48 sensor-speed, transmission output 831-832S10 shift knob position 806-816P45 sensor-speed, transmission input 836-837U13 valve body 826-836   (View)

View full Circuit Diagram | Comments | Reading(1307)

SGMW Chevrolet(Spark)saloon car engine circuit diagram(four)

Published:2011/4/21 20:58:00 Author:muriel | Keyword: SGMW Chevrolet(Spark), saloon car, engine

SGMW Chevrolet(Spark)saloon car engine circuit diagram(four)
SGMW Chevrolet(Spark)saloon car engine circuit diagram(four)   (View)

View full Circuit Diagram | Comments | Reading(695)

SGMW Chevrolet(Spark)saloon car engine circuit diagram(one)

Published:2011/4/21 20:56:00 Author:muriel | Keyword: SGMW Chevrolet(Spark), saloon car , engine

SGMW Chevrolet(Spark)saloon car engine circuit diagram(one)
SGMW Chevrolet(Spark)saloon car engine circuit diagram(one)   (View)

View full Circuit Diagram | Comments | Reading(1884)

SGMW Chevrolet(Spark)saloon car engine circuit diagram(three)

Published:2011/4/21 20:57:00 Author:muriel | Keyword: SGMW Chevrolet(Spark), saloon car, engine

SGMW Chevrolet(Spark)saloon car engine circuit diagram(three)
SGMW Chevrolet(Spark)saloon car engine circuit diagram(three)   (View)

View full Circuit Diagram | Comments | Reading(679)

SGMW Chevrolet(Spark)saloon car engine circuit diagram(two)

Published:2011/4/21 20:57:00 Author:muriel | Keyword: SGMW Chevrolet(Spark), saloon car , engine

SGMW Chevrolet(Spark)saloon car engine circuit diagram(two)
SGMW Chevrolet(Spark)saloon car engine circuit diagram(two)   (View)

View full Circuit Diagram | Comments | Reading(800)

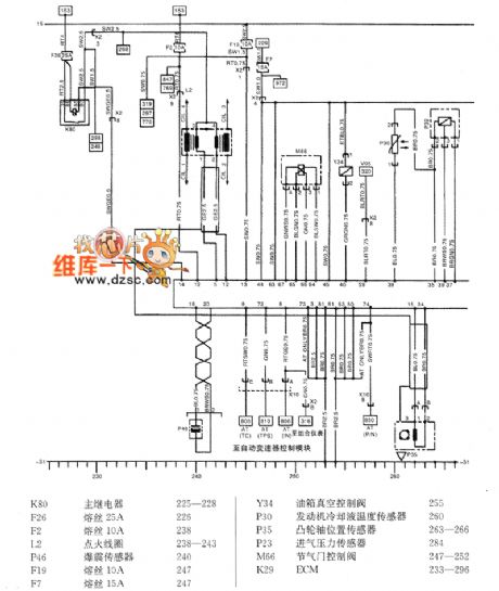
SHANGHAI GM Chevrolet(Sail)saloon car 1.6L engine circuit diagram(one)

Published:2011/4/21 20:47:00 Author:muriel | Keyword: SHANGHAI GM Chevrolet(Sail), saloon car, 1.6L engine

SHANGHAI GM Chevrolet(Sail)saloon car 1.6L engine circuit diagram(one)
Figure SHANGHAI GM Chevrolet(Sail)saloon car 1.6L engine circuit diagram(one) K80 main relay 225-228F26 fuse wire 25A 226F2 fuse wire 10A 238L2 ignition coil 238-243P46 detonation sensor 240F19 fuse wire 10A 247F7 fuse wire 15A 247Y34 fuel tank vacuum control valve 255P30 engine coolant temperature sensor 260P35 camshaft position sensor 263-266P23 intake pressure sensor 284M66 throttle control valve 247-252K29 ECM 233-296   (View)

View full Circuit Diagram | Comments | Reading(3068)

Pages:119/164 At 20101102103104105106107108109110111112113114115116117118119120Under 20