Position: Home > Circuit Diagram > Automotive Circuit > Index 101
Low Cost Custom Prototype PCB Manufacturer

Automotive Circuit

Index 101



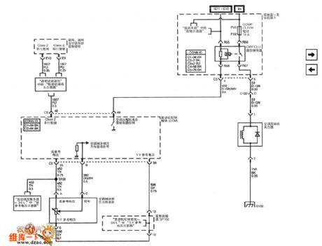
GM Wuling automobile vehicle electrical system circuit diagram 1

Published:2011/5/3 3:12:00 Author:Rebekka | Keyword: GM Wuling Automobile, electrical system

GM Wuling automobile vehicle electrical system circuit diagram 1
GM Wuling automobile vehicle electrical system circuit diagram.   (View)

View full Circuit Diagram | Comments | Reading(2723)

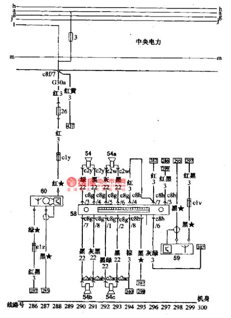
Santana 2000(fuel injection motor)car radio automatical antenna circuit wiring circuit diagram

Published:2011/5/3 3:08:00 Author:Nicole | Keyword: Santana 2000, fuel injection motor, car radio, antenna

Santana 2000(fuel injection motor)car radio automatical antenna circuit wiring circuit diagram
54-port forward loudspeaker; 54a-starboard forward loudspeaker; 54b-left rear loudspeaker; 54c-right rear loudspeaker; 58-radio; 59-electronic antenna; 60-electronic control antenna   (View)

View full Circuit Diagram | Comments | Reading(1022)

Santana 2000(fuel injection motor)car combination appliance circuit wiring circuit diagram(2)

Published:2011/5/3 3:31:00 Author:Nicole | Keyword: Santana 2000, fuel injection motor, car combination appliance

Santana 2000(fuel injection motor)car combination appliance circuit wiring circuit diagram(2)
40-vehicle speed odometer; 41-vehicle speed sensor; 42-motor tachometer; 43-resistor; 44-thermometer; 46-instrument regulator; 47-fuel gauge; 49-water temperature, fuel oil singal amplifier; 51-coolant alarm light; 52-fuel oil alarm light; 53-digital display clock   (View)

View full Circuit Diagram | Comments | Reading(1776)

Santana 2000(fuel injection motor)car wiper washing circuit wiring circuit diagram

Published:2011/5/3 2:58:00 Author:Nicole | Keyword: Santana 2000, fuel injection motor, car wiper, washing

Santana 2000(fuel injection motor)car wiper washing circuit wiring circuit diagram
57-wiper motor   (View)

View full Circuit Diagram | Comments | Reading(565)

Santana 2000(fuel injection motor)car ground point circuit wiring circuit

Published:2011/5/3 2:46:00 Author:Nicole | Keyword: Santana 2000, fuel injection motor, car, ground point

Santana 2000(fuel injection motor)car ground point circuit wiring circuit
  (View)

View full Circuit Diagram | Comments | Reading(510)

DC motor speed governing circuit diagram

Published:2011/5/3 2:36:00 Author:Rebekka | Keyword: DC motor, speed governing

DC motor speed governing circuit diagram
DC motor speed governing circuit diagram.   (View)

View full Circuit Diagram | Comments | Reading(498)

TOYOTA COASTER coach wiring harness connector(engine block, instrument cluster) circuit wiring circuit diagram

Published:2011/5/3 0:42:00 Author:Nicole | Keyword: TOYOTA COASTER, coach, wiring harness, connector, engine block, instrument cluster

TOYOTA COASTER coach wiring harness connector(engine block, instrument cluster) circuit wiring circuit diagram
  (View)

View full Circuit Diagram | Comments | Reading(1502)

TOYOTA COASTER coach wiring harness connector(instrument cluster) circuit wiring circuit diagram

Published:2011/5/2 23:01:00 Author:Nicole | Keyword: TOYOTA COASTER, coach, connector, instrument cluster, wiring harness

TOYOTA COASTER coach wiring harness connector(instrument cluster) circuit wiring circuit diagram
  (View)

View full Circuit Diagram | Comments | Reading(4489)

TOYOTA COASTER only warm wind control air conditioner circuit diagram

Published:2011/5/2 7:01:00 Author:Nicole | Keyword: TOYOTA COASTER, warm wind control, air conditioner

TOYOTA COASTER only warm wind control air conditioner circuit diagram
The other air conditioner control circuit diagram is shown in the figure 17, there is no refrigerant air conditioner amplifier, compressor and condenser fan.   (View)

View full Circuit Diagram | Comments | Reading(936)

Shanghai GM BUICK commercial vehicle(GL8) audio system circuit diagram

Published:2011/4/29 5:06:00 Author:Nicole | Keyword: Shanghai GM BUICK, commercial vehicle, audio system

Shanghai GM BUICK commercial vehicle(GL8) audio system circuit diagram
Shanghai GM BUICK commercial vehicle(GL8) audio system rear window antenna and radio antenna module circuit diagram.   (View)

View full Circuit Diagram | Comments | Reading(863)

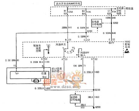
Buick Century car HVAO system circuit diagram(2)

Published:2011/5/2 7:01:00 Author:Nicole | Keyword: Buick Century, car, HVAO system

Buick Century car HVAO system circuit diagram(2)
Shanghai GM Buick Century car HVAO system circuit(2)Former and rear HVAO control assembly, PCM, blast motor control module and blast motor(OJ4)   (View)

View full Circuit Diagram | Comments | Reading(811)

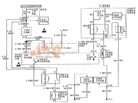
Buick Century car HVAO system circuit(4)

Published:2011/5/2 6:58:00 Author:Nicole | Keyword: Buick Century, car, HVAO system

Buick Century car HVAO system circuit(4)
Shanghai GM Buick Century car HVAO system circuit(4)Former HVAO control assembly, PCM, A/C compressor clutch coil, A/C CLU relay and A/C CLU diode(OJ4)   (View)

View full Circuit Diagram | Comments | Reading(993)

Buick Century car HVAO system circuit(5)

Published:2011/5/2 6:55:00 Author:Nicole | Keyword: Buick Century, car, HVAO system

Buick Century car HVAO system circuit(5)
Shanghai GM Buick Century car HVAO system circuit(5)HVAO control assembly and LH temperature actuator(O60)   (View)

View full Circuit Diagram | Comments | Reading(474)

Buick Century car HVAO system circuit(6)

Published:2011/5/2 6:53:00 Author:Nicole | Keyword: Buick Century, car, HVAO system

Buick Century car HVAO system circuit(6)
Shanghai GM Buick Century car HVAO system circuit(6)Former and rear HVAO control assembly, PCM and external environment temperature sensor(OJ4)   (View)

View full Circuit Diagram | Comments | Reading(532)

Buick Century car audio system circuit diagram(3)

Published:2011/5/2 6:50:00 Author:Nicole | Keyword: Buick Century, car, instrument board

Buick Century car audio system circuit diagram(3)
  (View)

View full Circuit Diagram | Comments | Reading(497)

Buick Century car HVAO system circuit(7)

Published:2011/4/29 5:00:00 Author:Nicole | Keyword: Buick Century, car, HVAO system

Buick Century car HVAO system circuit(7)
Former and later HVAO control assembly, later mode actuator, former LH temperature actuator, twin-stage orifice relay and electromagnetic coil.   (View)

View full Circuit Diagram | Comments | Reading(531)

Shanghai GM Cadillac CTS car air condition system circuit diagram(4)

Published:2011/4/29 5:05:00 Author:Nicole | Keyword: Shanghai GM, Cadillac, CTS car, air condition system

Shanghai GM Cadillac CTS car air condition system circuit diagram(4)
  (View)

View full Circuit Diagram | Comments | Reading(554)

Optocoupler Linear Isolation Amplifier Circuit

Published:2011/5/2 2:22:00 Author:Joyce | Keyword: Optocoupler, Linear, Isolation Amplifier

Optocoupler Linear Isolation Amplifier Circuit
Optocoupler linear isolation amplifier 3650Features:balanced input;high common-mode voltage, 2000V in a row; high common-mode rejection ratio, 140dB;small leakage of electricity ,less than 0.35 μΑ in 240V/60Hz; high gain accuracy, linearity of0.05%, long-time stability,0.05%/1000 hours; the frequency band 15kHz.Applications: industrial process control, data acquisition system, biomedical measurement, silicon-controlled management. The graph is the wiring paragram in application,with a 722 DC/DC converter in use.   (View)

View full Circuit Diagram | Comments | Reading(2834)

Buick Rega car air condition system GS3.0,GS+ circuit diagram(2)

Published:2011/5/2 7:44:00 Author:Nicole | Keyword: Buick Rega, car, air condition system

Buick Rega car air condition system GS3.0,GS+ circuit diagram(2)
  (View)

View full Circuit Diagram | Comments | Reading(455)

GM Wuling automobile vehicle electrical system circuit diagram

Published:2011/4/29 6:04:00 Author:Rebekka | Keyword: GM Wuling Automobile, Vehicle electrical systems

GM Wuling automobile vehicle electrical system circuit diagram
GM Wuling automobile vehicle electrical system circuit diagram.   (View)

View full Circuit Diagram | Comments | Reading(1451)

Pages:101/164 At 20101102103104105106107108109110111112113114115116117118119120Under 20