Published:2011/4/14 2:09:00 Author:muriel | Keyword: JETTA AT, JETTA GT, saloon car , lighting switch, stoplight, reversing light, rear air window heating, speaker
JETTA AT,JETTA GT saloon car lighting switch,stoplight,reversing light,rear air window heating and speaker circuit diagramisas shown
(View)
View full Circuit Diagram | Comments | Reading(495)
Published:2011/4/13 21:00:00 Author:muriel | Keyword: VW Passat, piolt side door electronic control unit, centre lock electronic control unit, safety warning lamp
VW Passat piolt side door electronic control unit、centre lock electronic control unit、safety warning lamp circuit diagram as shown
(View)
View full Circuit Diagram | Comments | Reading(1158)
Published:2011/4/14 2:06:00 Author:muriel | Keyword: VW Passat , comfort system electronic control unit, trunk floodlight, trunk lid switch
VW Passat comfort system electronic control unit,trunk floodlight, trunk lid switch circuit diagramisas shown
(View)
View full Circuit Diagram | Comments | Reading(4833)
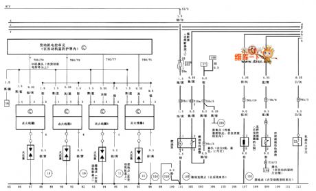
Published:2011/4/14 2:06:00 Author:muriel | Keyword: VW Passat, generator, starter, engine electronic control unit, sensor
VW Passat generator、starter、engine electronic control unit and sensor circuit diagramisas shown
(View)
View full Circuit Diagram | Comments | Reading(1454)
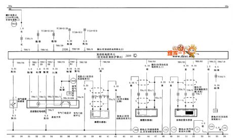
Published:2011/4/13 20:45:00 Author:muriel | Keyword: VW Passat , engine electronic control unit, throttle Valve control , sensor
VW Passat engine electronic control unit、throttle Valve control and sensor circuit diagram as shown
(View)
View full Circuit Diagram | Comments | Reading(1764)
Published:2011/4/14 2:09:00 Author:muriel | Keyword: Guangzhou Honda accord, combination instrument
Guangzhou Honda accord combination instrument circuit diagramisas shown
(View)
View full Circuit Diagram | Comments | Reading(665)
Published:2011/4/14 1:58:00 Author:Rebekka | Keyword: internal circuit , pinout array
View full Circuit Diagram | Comments | Reading(692)
Published:2011/4/14 1:59:00 Author:Rebekka | Keyword: typical application
View full Circuit Diagram | Comments | Reading(557)
Published:2011/4/14 2:02:00 Author:Rebekka | Keyword: output connection mode
View full Circuit Diagram | Comments | Reading(693)
Published:2011/4/14 2:06:00 Author:Rebekka | Keyword: pinout function


LC2210 is improved LC2200 coding IC.
P and M-side adapting way:
(View)
View full Circuit Diagram | Comments | Reading(716)
Published:2011/4/14 2:07:00 Author:Rebekka | Keyword: interlocking output application
View full Circuit Diagram | Comments | Reading(718)
Published:2011/4/14 2:09:00 Author:Rebekka | Keyword: locking switch set
View full Circuit Diagram | Comments | Reading(580)
Published:2011/4/14 1:40:00 Author:Rebekka | Keyword: Ultrasonic vision protector
(View)
View full Circuit Diagram | Comments | Reading(453)
Published:2011/4/14 1:38:00 Author:Rebekka | Keyword: Ultrasonic remote light lamp
Ultrasonic remote light lamp circuit 1. (a) is emmter,(b) is reciever.
Ultrasonic remote light lamp circuit 2. (View)
View full Circuit Diagram | Comments | Reading(525)
Published:2011/4/13 21:36:00 Author:Rebekka | Keyword: BCL to LED connector
PNP germanium crystal is used for the connector of emitter-coupled logic drive LED. The same connector can be used for drive 7 digical tube or other LED array with common cathode structure. Such as Fairchild FND10 or Mon Santo MAN3. The LED shown in figure can use optical isolators. (View)
View full Circuit Diagram | Comments | Reading(561)
Published:2011/4/13 20:30:00 Author:Rebekka | Keyword: second resonance
Second resonance circuit diagram is shown as above. (View)
View full Circuit Diagram | Comments | Reading(527)
Published:2011/4/14 2:05:00 Author:muriel | Keyword: VW Passat, engine electronic control unit, ignition system, fuel pump, engine oil pressure switch, coolant liquid level switch, sensor
VW Passat engine electronic control unit,ignition system,fuel pump,engine oil pressure switch,coolant liquid level switch and sensor circuit diagram isas shown
(View)
View full Circuit Diagram | Comments | Reading(4992)
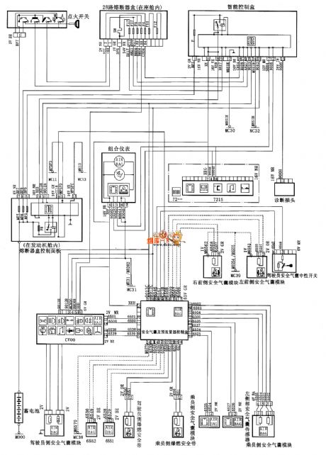
Published:2011/4/14 2:04:00 Author:muriel | Keyword: XSARA , saloon car , supplementary restraint system , pre-tensioner seatbelt
XSARA saloon car supplementary restraint system and pre-tensioner seatbelt circuit diagram isas shown
(View)
View full Circuit Diagram | Comments | Reading(1003)
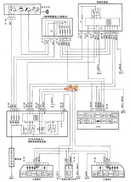
Published:2011/4/13 21:03:00 Author:muriel | Keyword: XSARA, saloon car , headlamp regulator
XSARA saloon car headlamp regulator circuit diagram as shown
(View)
View full Circuit Diagram | Comments | Reading(718)
Published:2011/4/13 21:02:00 Author:muriel | Keyword: XSARA , saloon car , wheel anti skid brake system(ABS)
XSARA saloon car wheel anti skid brake system(ABS) circuit diagram as shown
(View)
View full Circuit Diagram | Comments | Reading(1462)
| Pages:138/164 At 20121122123124125126127128129130131132133134135136137138139140Under 20 |